62766 (695168), страница 2
Текст из файла (страница 2)
Рис. 10. Подстройка резонансной частоты кварцевого резонатора при последовательном резонансе
Частота последовательного резонанса в этом случае будет определяться как:
Относительное изменение частоты при этом составляет:
Для возникновения колебаний в генераторе с кварцевым резонатором необходимо, чтобы колебательный контур был настроен на частоту кварцевого резонатора или частоту, кратную частоте кварцевого резонатора (рис. 11).
Рис. 11. LC-генератор с кварцевым резонатором
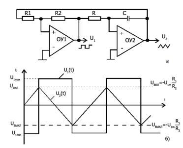
4. Генераторы напряжения специальной формы. Генератор треугольного и прямоугольного напряжений
Этот генератор состоит из последовательно включенных триггера Щмитта и интегратора (рис. 12).
Интегратор интегрирует имеющееся на выходе триггера Шмитта постоянное напряжение. Когда выходное напряжение интегратора достигает порога срабатывания триггера Шмитта, напряжение на выходе триггера скачком меняет свой знак. Вследствие этого, напряжение на выходе интегратора начинает изменяться в противоположную сторону, пока не достигнет другого порога срабатывания. Изменяя постоянную интегрирования RC, можно в широком диапазоне перестраивать частоту формируемого напряжения. Амплитуда треугольного напряжения U2(t) зависит только от установки уровней срабатывания триггера Щмитта:
U2m = Uвкл = U1mR1/R2,
где U1m - граница насыщения ОУ1. Но, исходя из формулы, описывающей выходное напряжение, на интеграторе U2 при подаче на его вход постоянного напряжения U1 можно записать:
U2(t) = -U1Dt/RC,
где Dt - время интегрирования
Рис. 12. Генератор треугольного и прямоугольного напряжений (а)
и диаграммы его напряжений (б)
При Dt = T/4 , где Т - период треугольного напряжения, получим выражение для периода треугольного напряжения:
или
Таким образом, частота формируемого напряжения не зависит от уровня границы насыщения операционного усилителя Umax .
5. Мультивибраторы
Если главной задачей является получение прямоугольного напряжения, а линейность треугольного напряжения не играет особой роли, описанную выше схему можно упростить, оставив только инвертирующий триггер Шмитта, на вход которого подают сигнал с цепи ООС, выполненной в виде ФНЧ (рис. 13).
Рис. 13. Аналоговый мультивибратор на ОУ (а) и диаграммы его напряжений (б)
Для периода выходного напряжения имеет место следующее выражение:
T = 2RC∙ln(1 + 2R1/R2) .
При R1 = R2 TRC.
Литература
-
Ворсин Н.Н., Ляшко М.Н. Основы радиоэлектроники. - Мн.: Вышейшая школа, 2002.
-
Жеребцов И.П. Основы электроники. Учебное пособие - Л.: Энергоатомиздат, 2003.
-
Титце У., Шенк К. Полупроводниковая схемотехника: Справочное руководство. Перевод с немецкого. - М.: Мир, 2002.
-
Бойко В.И. и др. Учебник в 3-х томах:, 2000















