62717 (695146)
Текст из файла
Зміст
Вступ
-
Планарна технологія виготовлення транзисторів
-
Що таке інтегральна мікросхема?
-
Плівкова технологія
-
Деякі особливості технології виготовлення інтегральних мікросхем
-
Наслідки появи мікроелектроніки
-
Література
Вступ
Мікроелектроніка – новий напрям електроніки, що охоплює наукові та технологічні проблеми дослідження конструювання, виробництва і застосування радіоелектронних пристроїв у мікромініатюрному інтегральному виконанні. Мікроелектроніка є самостійною дисципліною, вивчення якої передбачається на старших курсах. Тому в рамках даного курсу радіоелектроніки ми обмежимося лише загальними відомостями про її виникнення, розвиток, проблеми, які розв'язуються нею, та перспективами на майбутнє.
Основним питанням мікроелектроніки є технологія виготовлення мікроелектронних пристроїв, тому саме цьому питанню і буде приділена найбільша увага. Ми аж ніяк не претендуємо ні на повноту, ані на вичерпний виклад усіх тих різноманітних нових технологій, які починають знаходити застосування у сучасній мікроелектроніці. Наша задача – дати поняття, хай навіть у дещо спрощеній формі, про найбільш поширені технологічні процеси, за допомогою яких натепер виготовляється більшість інтегральних мікросхем.
Оскільки основною технологічною задачею мікроелектроніки є виготовлення транзистора, почнемо саме з нього.
1.Планарна технологія виготовлення транзисторів
Основним сучасним методом виготовлення транзисторів є планарна технологія. Транзистори, виготовлені за цією технологією, називаються планарними. Така назва походить від англійського слова plane – площина, оскільки транзисторні структури створюються на площинній поверхні напівпровідникового кристалу.
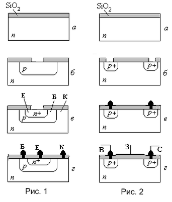
У спрощеному вигляді послідовність операцій планарної технології для виготовлення біполярного npn-транзистора показана на рис.7.1. Вихідним матеріалом є пластинка з донорно-легованного кремнію товщиною в частки міліметру. Поверхня пластинки окислюється, на ній вирощується тонкий захисний шар оксиду кремнію Sі02 (рис.7.1а). У захисному шарі протравлюється отвір ("вікно"), крізь яке шляхом дифузії з газової або парової фази у приповерхневий шар кремнію вводиться акцепторний домішок, внаслідок чого під "вікном" утворюється дірково-провідна область (рис.7.1б). Далі цей процес повторюється і в приповерхневий шар кремнію вводиться донорний домішок, котрий створює нову сильнолеговану область (рис.7.1в). В результаті в напівпровіднику утворюється характерна для біполярного транзистора тришарова npn структура, де n-провідна пластина служить колектором, верхня n+-область – емітером, а проміжний p-шар – базою.
Повторним окисленням поверхня пластинки кремнію знову вкривається шаром оксиду Sі02, в якому навпроти колектора, бази та емітера протравлюються невеликі отвори. В ці отвори напилюється метал (звичайно алюміній), який створює контактні площинки, що є відповідно виводами колектора, бази та емітера транзистора (рис.7.1г).
Найбільш тонким і відповідальним процесом планарної технології є створення "вікон".
Для цього застосовується метод фотолітографії. Суть його така. Поверхня оксиду кремнію вкривається фоторезистом – речовиною, яка здатна полімеризуватися під дією ультрафіолетового світла. Далі на фоторезист накладається фотошаблон – прозора платівка з нанесеним на неї зображенням, темні місця якого відповідають розташуванню майбутніх вікон1. Крізь фотошаблон фоторезист опромінюється ультрафіолетовим світлом від кварцової лампи. У засвічених місцях фоторезист полімеризується, а там, куди ультрафіолет не потрапив, він потім легко змивається розчинником. Наступна опeрація – пластинку травлять в концентрованій плавиковій кислоті, яка роз’їдає оксидну плівку лише в тих місцях, де вона не захищена шаром полімеризованого резисту. І нарешті, фоторезист, що залишився, видаляють спеціальним розчинником. Тепер можна приступити до наступних технологічних операцій2.
Операції по створенню вікон звичайно доводиться повторювати по кілька разів. Головна складність полягає у тому, що нові вікна повинні бути саме в тих місцях, які відповідають раніше створеній структурі p – та n-областей. Враховуючи, що планарний транзиcтор має розміри в частки міліметра (а іноді і значно менші), точність суміщення фотошаблонів повинна бути дуже високою – порядку кількох мікронів.
Звичайно, виготовляти у такій спосіб транзистори по одному було б надто трудомістким та дорогим процесом. Тому на напівпровідниковій пластинці площею в кілька квадратних сантиметрів вирощують водночас кілька сотень (а іноді й тисяч) транзисторів. Для цього потрібні лише фотошаблони, на яких зображення відповідної структури повторюється багаторазово. Така технологія зветься гpуповою, оскільки водночас створюється ціла група ідентичних транзисторів.
Рис.1. Послідовність операцій планарної технології виготовлення біполярного транзистора.
а) окислення поверхні напівпровідникової пластинки.
б). протравлювання вікон та введення р-домішки.
в). введення n-домішки.
г). створення контактних площинок.
Рис.2. Послідовність операцій планарної технології виготовлення МОН - транзистора з індукованим каналом.
а). окислення поверхні напівпровідникової пластинки.
б). протравлювання вікон та створення високолегованих областей витоку і стоку.
в). створення контактних площинок.
г). напилення затвору та приварювання виводів.
Після завершення всіх зображених на рис. 1 етапів, пластинку розрізають на окремі транзистори, до контактних площинок К, Б, Е приварюють виводи, виготовлений транзистор вміщують в герметичний корпус і одержують готовий виріб.
Таким чином можна виготовляти і МОН-структури. Послідовність операцій виготовлення МОН-транзистора з індукованим каналом зображена на рис.7.2.
Основні переваги групової планарної технології такі:
-
– одночасне вирощування на одній платівці напівпровідника цілої групи транзисторів, що значно здешевлює їх виготовлення і створює можливість одержання однорідної партії готових приладів;
-
– майже повністю виключена ручна праця, що також здешевлює процес виготовлення транзисторів і відповідав генеральній лінії технічного прогресу. Разом з тим, слід мати на увазі, що планарна технологія ставить високі вимоги до кваліфікації персоналу і вимагає складного та дорогого обладнання, отже її освоєння посильне лише для підприємств з вельми високою технологічною культурою виробництва.
2.Що таке інтегральна мікросхема?
Подальший шлях створення радіоелектронних пристроїв вбачається в тому, щоб з окремих транзисторів, виготовлених описаним вище способом, зібрати ті чи інші радіоелектронні схеми. Однак, в цьому процесі очевидна логічна непогодженість – нащо розрізати. напівпровідникову пластинку з вирощеними на ній транзисторами на окремі частинки, щоб згодом вручну сполучити їх між собою?
Чи не краще зробити ці з'єднання ще в процесі виготовлення і створювати таким шляхом не окремі транзистори, а готові схеми? Тим більше, що технологічно здійснити це досить легко, оскільки з'єднувальні металеві провідники можна напилювати на поверхню захисної плівки оксиду водночас із створенням контактних площинок. Резистори можна виготовляти за тією ж планарною технологією у вигляді канавок, заповнених відповідним чином легованим напівпровідником. Їх опір буде визначатися довжиною та площею перерізу канавки і ступенем легування. До того ж, будь який транзистор з фіксованою вхідною напругою може бути використаний як резистор, опір котрого визначається цією напругою. Діодами можуть служити транзистори з закороченими електродами. Коли ж до діода прикласти запірну напругу, його можна використати і як невелику ємність (подібно до варикапа). Отже, планарна технологія дає можливість виготовляти майже всі елементи, необхідні для радіоелектронних схем.
Ця досить проста і самоочевидна ідея – сполучати транзистори між собою ще на стадії їх виготовлення – призвела до створення якісно нових виробів – інтегральних мікросхем.
За визначенням інтегральна мікросхема (ІМС) є цілісним завершеним радіоелектронним пристроєм з високою щільністю електрично сполучених і невіддільних один від одного елементів, призначеним для виконання певної функції.
Коментуючи це визначення, вкажемо, що саме слово "інтегральна" (тобто цілісна) підкреслює той факт, що ІМС не є схемою, зібраною з окремих деталей. Окремі елементи, що входять до складу її принципової схеми – транзистори, діоди, резистори, ємності, з'єднувальні провідники – всі вони, як про це йшлося вище, створюються водночас у єдиному технологічному процесі. Відповідно, ці елементи не можуть бути вилучені з інтегральної мікросхеми шляхом її розбирання на окремі деталі. Так, скажімо, фізично неможливо ніяким способом видобути з ІМС транзистор або резистор, які входять до її складу. Що ж до слова "мікросхема", то воно вказує на малі розміри та компактність пристрою.
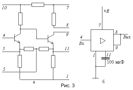
Перші ІМС з'явились у 60-х роках. Вони мали зовсім невисокий ступінь інтеграції – до їх складу входило лише кілька (не більше десяти) транзисторів та резисторів. Прикладом такої простої ІМС може бути двокаскадний підсилювач низької частоти типу К122УНІА, принципова схема якого зображена на рис.3а, а на рис.3б дана схема його включення3.
Подальше ускладнення інтегральних мікросхем йшло швидкими темпами. Із удосконаленням технології кількість елементів в ІМС почала стрімко зростати.
Прийнята на даний час класифікація ІМС за ступенем складності показана в табл. 1.
Інтегральні мікросхеми з малим ступенем інтеграції позначаються абревіатурою МІС (малі інтегральні схеми) чи просто ІС; з середнім ступенем інтерграції (середні ІМС) - СІМС або СМС, і нарешті, з великим ступенем інтеграції - ВІС (великі ІМС)4. Мікросхеми, до складу яких входить більше 104 елементів, називають надвеликими ІМС (НВІС).
Таблиця 1.
| Ступінь інтеграції | Кількість елементів | Умовне найменування | Розмір елемента | Коли досягнуто |
| Мала | до 10 | ІС | 1 мм | 1965 р. |
| Середня | 10...100 | СМС | 100 мкм | 1965-70 рр. |
| Велика | 102...104 | ВІС | 100-1 мкм | 1970-80 рр. |
| Надвелика | більше104 | НВІС | менше 1 мкм | 1980 р. |
Розмір елементів, що входять до складу подібних ІМС менші від 1 мкм і досягли вже 0.2 - 0.3 мкм. Цим, мабуть, вони наблизилися до тієї межі, яка ставиться фізичними процесами у виготовленні і функціонуванні ІМС, а саме:
-
при виготовленні ІМС шляхом фотолітографії дифракційні явища не дозволяють одержувати зображення меншого від довжини застосованого світла. Щоправда, цю межу можна віддалити переходячи від ультрафіолетових променів до рентгенівських;
-
товщина збідненого шару у p-n переходах, які лежать в основі роботи як біполярних, так і МОН-транзисторів, стає сумірною з розміром самого транзистора, або навіть більшою від нього. Транзистор перестає бути планарною (площинною) системою і за таких умов його нормальне функціонування порушується.
-
при слабкому легуванні деяких областей транзистора (бази у біполярних транзисторах, каналу у МОН-транзисторах) відстань між окремими атомами домішку стає там сумірною з товщиною збідненого шару та розмірами транзистора. Матеріал у цих областях вже не можна вважати електрофізично однорідним. Починають давати взнаки флюктуації концентрації домішку, що призводить до непередбаченості у параметрах та функціонуванні транзисторів.
Отже, розміри елементів НВІС порядку 0.1 - 0.2 мкм, які можуть бути досягнуті у найближчі роки, стануть межею на шляху подальшої мікромініатюризації ІМС і для подальшого прогресу у цій галузі доведеться відшукувати якісь принципово нові шляхи відмінні від традиційних.
3.Плівкова технологія
Іншим напрямком розвитку технології мікроелектроніки є плівкова технологія. Тут елементи, що складають радіоелектронну схему, створюються на поверхні діелектричної платівки шляхом нанесенням на неї провідних, напівпровідникових та діелектричних плівок. Плівкова технологія поділяється на товстоплівкову та тонкоплівкову.
Характеристики
Тип файла документ
Документы такого типа открываются такими программами, как Microsoft Office Word на компьютерах Windows, Apple Pages на компьютерах Mac, Open Office - бесплатная альтернатива на различных платформах, в том числе Linux. Наиболее простым и современным решением будут Google документы, так как открываются онлайн без скачивания прямо в браузере на любой платформе. Существуют российские качественные аналоги, например от Яндекса.
Будьте внимательны на мобильных устройствах, так как там используются упрощённый функционал даже в официальном приложении от Microsoft, поэтому для просмотра скачивайте PDF-версию. А если нужно редактировать файл, то используйте оригинальный файл.
Файлы такого типа обычно разбиты на страницы, а текст может быть форматированным (жирный, курсив, выбор шрифта, таблицы и т.п.), а также в него можно добавлять изображения. Формат идеально подходит для рефератов, докладов и РПЗ курсовых проектов, которые необходимо распечатать. Кстати перед печатью также сохраняйте файл в PDF, так как принтер может начудить со шрифтами.















