62713 (695144), страница 2
Текст из файла (страница 2)
Таким образом, при анализе корреляционных свойств ортогонально поляризованных составляющих отраженного (рассеянного) сигнала или мешающих отражений следует учитывать во взаимосвязи ряд факторов:
- степень жесткости конструкции объекта наблюдения,
- степень поляризационной изотропности элементарных отражателей, из которых состоит объект наблюдения;
- степень коррелированности комплексных амплитуд
и
падающего поля.
Принципы поляризационной обработки сигналов на фоне помех
Под поляризационной обработкой понимается некоторый способ объединения поляризационных каналов многоканальной по поляризации системы. Принципы поляризационной обработки можно сформулировать на основании общих принципов пространственно-временной обработки:
- подавление помех путем междуканального вычитания коррелированных ортогонально поляризованных составляющих мешающих колебаний (излучений и отражений;
- накопление сигнала путем междуканального сложения (когерентного или некогерентного) коррелированных ортогонально поляризованных составляющих отраженного сигнала.
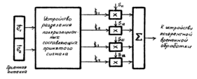
Когерентное объединение (накопление) сигнала в поляризационных каналах.
Основой когерентного объединения сигнала в поляризационных каналах многоканальной по поляризации РЛС является его сильная межканальная корреляция, характерная для объектов наблюдения с жесткой конструкцией. При этом оптимальная процедура объединения сигналов с разных каналов сводится к их взвешенному когерентному накоплению (рис. 7).
Максимально возможная эффективность когерентного поляризационного объединения сигналов определяется числом поляризационных каналов :
Полный поляризационный прием подразумевает наличие четырех поляризационных составляющих принятого сигнала
.
Неполный поляризационный прием подразумевает наличие двух поляризационных составляющих принятого сигнала : нечетных
или четных
.
Некогерентное объединение (накопление) сигнала в поляризационных каналах.
Оптимальная процедура некогерентного объединения сигналов с разных каналов сводится к их взвешенному некогерентному накоплению (рис.8).
Р
ис. 7. Схема когерентного объединения сигнала в поляризационных каналах. Рис. 8. Схема некогерентного объединения сигнала в поляризационных каналах.
Максимально возможная эффективность некогерентного объединения поляризационных каналов уступает когерентному.
ЛИТЕРАТУРА
-
Охрименко А.Е. Основы извлечения, обработки и передачи информации. (В 6 частях). Минск, БГУИР, 2004.
-
Девятков Н.Д., Голант М.Б., Реброва Т.Б.. Радиоэлектроника и медицина. –Мн. – Радиоэлектроника, 2002.
-
Медицинская техника, М., Медицина 1996-2000 г.
-
Сиверс А.П. Проектирование радиоприемных устройств, М., Радио и связь, 2006.
-
Чердынцев В.В. Радиотехнические системы. – Мн.: Высшая школа, 2002.
-
Радиотехника и электроника. Межведоств. темат. научн. сборник. Вып. 22, Минск, БГУИР, 2004.















