62696 (695139)
Текст из файла
Белорусский государственный университет информатики и радиоэлектроники
Кафедра защиты информации
РЕФЕРАТ
на тему:
«ПЛМ, воспроизведение скобочных форм переключательных функций, схемы с двунаправленными выводами»
МИНСК
2008
Программируемые логические матрицы – ПЛМ.
Структура программируемой логической матрицы:
М1 – матрица конъюнкции – И; М2 – матрица дизъюнкции – ИЛИ.
в литературе иногда заменяют на
- может быть:
Если на базу поступает высокий потенциал, то транзистор открывается и в горизонтальную шину поступает высокий потенциал, иначе, если на базу не поступает высокий сигнал, то транзистор закрывается. При подаче на плавкую перемычку высокого потенциала она замыкается.
- может быть:
Таким образом, получаем:
У диодов красного цвета перемычка пережжена.
« Ставя крестики » в других местах матрицы М2 получим:
По данным можно составить таблицу:
Основными параметрами ПЛМ является:
-
число входов m (xi);
-
число термов l (Pi);
-
число выходов n (yi).
В общем случае:
- это достоинство ПЛМ.
ПЛМ реализует дизъюнктивную нормальную форму воспринятых функций.
ПЛМ способно реализовать n логических функций от m аргументов, содержащую не более l термов. Наиболее простой способ программирования ПЛМ – это пережигание перемычек.
Упрощенное изображение ПЛМ.
Вместо
ставят
– такое обозначение используется, по крайней мере, для ПЛМ.
На самом деле у элемента И три входа.
Единственная линия входа элементов И и ИЛИ пересекается с несколькими линиями входных элементов. Физически дизъюнкт и конъюнктуры мы переставим. Эти вентили служат для разграничения матрицы дизъюнкции. Достоинство ПЛМ не надо упрощать исходные выражение, если позволяет железо.
Воспроизведение скобочных форм переключательных функций.
С помощью ПЛМ можно воспроизводить не только дизъюнктивные нормальные формы, но и скобочные формы (выражение в скобках). Для этого вначале получают выражения в скобках, а затем они рассматриваются как аргументы для получения окончательного результата. В схеме появляются обратные связи, т.е. промежуточные результаты с выхода вновь подаются на входы. Логическая глубина схемы увеличивается. Задержка выборки конечного результата растет.
Например:
Изобразим:
Из-за обратной связи нужно подождать пока выработается скобочная величина
, иначе результат будет не верным.
Общее правило решения задач с помощью ПЛМ.
Число термов в данной системе функций необходимо свести до l (параметра имеющегося в ПЛМ). Дальнейшая минимизация функции не требуется. Если размерность имеющейся ПЛМ обеспечивает решение задачи в ее исходной форме, то минимизация не требуется, так как не ведет к сокращению оборудования.
Рассмотрим, как с помощью ПЛМ построить шифратор.
Управление для шифратора
- входные сигналы.
- выходные сигналы.
не учитываем, так как в этом случае нет сигнала на выходе.
Программируемая матричная логика (ПМЛ).
Если для ПЛМ важно уменьшение числа термов функции, то для ПЛМ важно уменьшить число элементов и для каждого выхода.
Схемы с программируемым выходным буфером. Эта схема может вырабатывать как прямые, так и инверсные функции.
Минимизируем
,
,
с помощью карт Карно:
Таким образом, для реализации системы функций
,
получаем пять различных термов вместо восьми. Возврат от
к
получается пережиганием линии выхода
.
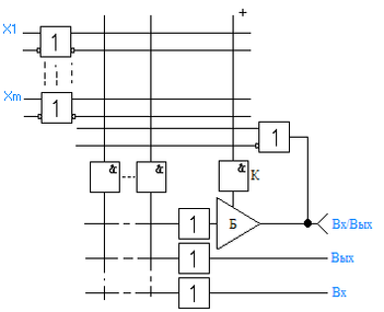
Схемы с двунаправленными выводами.
Используя элементы с тремя состояниями выхода, можно построить схему, в которой некоторые выводы предназначены для работы в качестве входов или выходов в зависимости от программируемых элементов. В таких схемах один из конъюнктов управляют элементами с тремя состояниями выхода. Выход этого элемента одновременно связан с матрицей и как вход:
К – конъюнктор, с его помощью можно управлять буфером.
Возможны 4 режима реализации вход-выход в зависимости от того, как запрограммированы входы конъюктора (К).
-
все перемычки оставлены целыми, на выходе К имеем логический «0». И вывод функционирует как вход.
-
все перемычки пережжены, на конъюнктор поступает высокий потенциал «1», буфер активен, его вывод становится выходом, сигналы не используются в матрице И.
-
выход с обратной связью отличается от предыдущих тем, что сигналы выводов используются в матрице И, например для воспроизведения матрицы скобочных функций (предыдущая лекция).
-
входы коньюнктора К программируются при определенной комбинировании входных сигналов коньюнктора К приобретает единичный выход и вывод срабатывает как выход (применяется в схемах контроля).
Схемы с памятью.
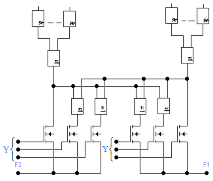
Программируемая матричная логика (ПМЛ) с разделяемыми
коньюнкторами.
Это относится только к ПМЛ. Для двух смежных элементов ИЛИ отводится некоторое количество коньюнкторов, которое может быть произвольно распределено между этими смежными коньюнкторами. Другие элементы ИЛИ использовать данный набор коньюнкторов не могут. Вариант с разделяемыми коньюнкторами смягчает наиболее очевидные ограничения жестких ПМЛ. А именно, фиксированное число элементов И на входах ИЛИ, которых может не хватить при воспроизведении сложных функций.
Ставится дополнительный набор ИЛИ и исключающее ИЛИ. Можно комбинировать сигналы основных элементов ИЛИ, для образования окончательных значений функции F1 и F2. Характер получаемых функций зависит от того, какой из трех транзисторов в каждой группе будет проводящим. Управление транзистором осуществляется подачей положительного напряжения на затвор.
ЛИТЕРАТУРА
1. Закревский А.Д. Логический синтез каскадных схем. - М.: Наука, 2001.
2. Скляров В.А. Синтез автоматов на матричных БИС. – Мн.: Наука и техника, 2004.
3. Бибило П.Н. Синтез комбинационных структур для СБИС. – Мн.: Навука i тэхнiка, 2002.
4. Соловьев В.В., Васильев А.Г. Программируемые логические интегральные схемы и их применение. – Мн.: Беларуская навука, 2002.
5. Угрюмов Е. Цифровая схемотехника. – СПб.: БХВ, 2001.
Характеристики
Тип файла документ
Документы такого типа открываются такими программами, как Microsoft Office Word на компьютерах Windows, Apple Pages на компьютерах Mac, Open Office - бесплатная альтернатива на различных платформах, в том числе Linux. Наиболее простым и современным решением будут Google документы, так как открываются онлайн без скачивания прямо в браузере на любой платформе. Существуют российские качественные аналоги, например от Яндекса.
Будьте внимательны на мобильных устройствах, так как там используются упрощённый функционал даже в официальном приложении от Microsoft, поэтому для просмотра скачивайте PDF-версию. А если нужно редактировать файл, то используйте оригинальный файл.
Файлы такого типа обычно разбиты на страницы, а текст может быть форматированным (жирный, курсив, выбор шрифта, таблицы и т.п.), а также в него можно добавлять изображения. Формат идеально подходит для рефератов, докладов и РПЗ курсовых проектов, которые необходимо распечатать. Кстати перед печатью также сохраняйте файл в PDF, так как принтер может начудить со шрифтами.















