62527 (695073)
Текст из файла
Федеральное агентство по образованию Российской Федерации
Орловский Государственный технический университет
Орловский технологический институт
Орловский политехнический колледж
Реферат
По дисциплине: «Типовые элементы САУ»
Тема: «Коммутационные элементы»
Студент:
Группа:
Специальность: 220301
Реферат защищен с оценкой:
Руководитель: Гаранжа Т.С.
Орел 2007
КОММУТАЦИОННЫЕ ЭЛЕМЕНТЫ
Назначение. Основные понятия
Коммутационные элементы предназначены для включения, отключения и переключения электрических цепей. Под коммутацией обычно понимают выполнение этих трех операций. Различают коммутационные элементы ручного и автоматического управления. Коммутационные элементы ручного управления срабатывают при непосредственном механическом воздействии на их органы управления. Автоматические коммутационные элементы срабатывают под воздействием электромагнитных сил на их приводные органы. Основной частью таких элементов обычно является электромагнит, входным сигналом для них служит электрический ток или напряжение. Автоматические коммутационные элементы используются в системах автоматики и при дистанционном управлении различными механизмами и устройствами. Они рассматриваются в последующих главах данного раздела.
В этой главе рассмотрены коммутационные элементы с механическим приводом. Используются они, как правило, для местного управления и для подачи сигналов о достижении каких-либо промежуточных и конечных положений. По своему назначению коммутационные элементы подразделяют на два вида: для коммутации силовых цепей (обмоток электродвигателей, мощных электромагнитов, трансформаторов, нагревателей и других потребителей) и для коммутации цепей управления (обмоток релейно-контактной аппаратуры, устройств контроля, регулирования и сигнализации). Такое разделение обусловлено различными значениями токов и напряжений в коммутируемых цепях, что, в свою очередь, влияет на конструктивное исполнение и габаритные размеры. Изучение коммутационных элементов для силовых цепей не входит в нашу задачу. Отметим только, что наибольшее распространение для этих целей получили рубильники и переключатели рубящего типа, обеспечивающие быстрое размыкание и имеющие специальные устройства для гашения электрической дуги.
Все коммутационные элементы, используемые в цепях управления, обязательно имеют следующие узлы: неподвижные контакты, подвижные контакты и орган управления. Кроме того, они могут иметь элементы фиксации, монтажа и настройки, дугогашения и т. п. Необходимые коммутационные элементы выбирают по допустимым значениям тока и напряжения. Но наиболее важной для практики характеристикой коммутационных элементов является их надежность, т. е. сохранение работоспособности при большом числе срабатываний.
Коммутационные элементы различают по числу коммутируемых цепей (одноцепные и многоцепные) и по числу фиксированных положений, причем имеются коммутационные элементы с самовозвратом в исходное положение, т. е. без фиксации переключенного положения, что может быть необходимо для ряда схем управления.
К коммутационным элементам с механическим приводом относятся кнопки управления, микропереключатели, тумблеры, клавишные, поворотные, рычажные и кулачковые переключатели, а также концевые и путевые выключатели.
Кнопки управления и тумблеры
Кнопки управления — это аппараты, подвижные контакты которых перемещаются и срабатывают при нажатии на толкатель кнопки. Комплект кнопок, смонтированных на общей панели, представляет собой кнопочную станцию. Используемые в схемах автоматики кнопки управления различают по числу и типу контактов (от 1 до 4 замыкающих и размыкающих), форме толкателя (цилиндрический, прямоугольный и грибовидный), способу защиты от воздействия окружающей среды (открытые, закрытые, герметичные, взрывобезопасные и т. д.).
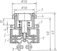
Независимо от конструкции и габаритных размеров кнопок (рис.1, а, б) все они имеют неподвижные контакты 1 и подвижные контакты 6, перемещаемые с помощью толкателя 3. Внешняя цепь подсоединяется к кнопке с помощью винтовых зажимов 7. Корпус 2 кнопки фиксируется на панели управления гайками 4 и 5.
Рис. 1. Конструкции кнопок управления
Электрические параметры наиболее распространенных кнопок приведены в табл.1. Кнопки управления общепромышленного применения серий КУ и КЕ имеют различные исполнения и формы толкателей.
Таблица 1. Электрические параметры кнопок управления различных типов
| Наименование параметров | Типы кнопок | ||||
| КУ О | КУ1, КУ2 | КЕ | ВК 14-21 | К 20, К 03 | |
| Номинальное напряжение, В: переменного тока постоянного тока | 380 220 | 500 440 | 500 200 | 660 440 | 380 220 |
| Минимальное напряжение, В | 24 | 24 | 24 | 12 | - |
| Номинальный ток, А | 2,5 | 5 | 6 | 10 | 5 |
| Разрываемый переменный ток, А | 2,5 | 12 | 9,6 | 16 | 6 |
Для коммутации цепей электроники выпускаются специальные кнопки (например, типа ВК14-1). Малогабаритные кнопки управления выполняют на основе микровыключателя типа МП, который используют в качестве исполнительного контактного элемента в тумблерах типа MT1 и МТП. Долговечность и надежность кнопок управления оценивают коммутационной износостойкостью, которую выражают в гарантированном числе циклов включений-отключений под нагрузкой. Этот параметр различен для разных кнопок и условий эксплуатации. Например, для кнопок типа ВК14-21 с медными контактами он составляет 0,25 * 106 циклов, с биметаллическими контактами — 2,5 * 10б, с серебряными контактами — 4 * 10'' циклов. Механическая износостойкость всегда превышает коммутационную. В последнее время все большее распространение получили кнопки управления с прямоугольной формой толкателя — их называют клавишами.
На основе кнопок управления изготовляют кнопочные станции, содержащие до 12 кнопок различного исполнения, собранных на общей панели или в одном корпусе. Такие коммутационные устрой ства называют кнопочными или клавишными переключателями (рис.2).
Рис.2. Кнопочный переключатели
Переключатель представляет собой наборную панель из кнопок 1 (или клавиш), смонтированных на общем каркасе 2 и снабженных механизмом фиксации, который может быть независимым для каждой кнопки (клавиши) или взаимно сблокированным. Кнопки могут также иметь самовозврат в исходное положение или чередование включенного и отключенного фиксированных положений. Каждая кнопка или клавиша осуществляет коммутацию одной или нескольких цепей. Некоторые типы переключателей снабжают специальной кнопкой возврата (сброса) включенных кнопок в исходное положение. В этом случае возможно включенное положение нескольких кнопок одновременно. Особенностью этих переключателей является двухпозиционное положение (включено, отключено) каждой кнопки или клавиши. Необходимый режим или программа управления задается путем набора включенных и отключенных положений соответствующих кнопок (клавиш). При этом положение кнопок или клавиш (поднятое или утопленное) играет роль указателя. Для этой цели используют также световые сигнализаторы 3 (лампы или светодиоды), вмонтированные в корпус блока переключателя (рис.2). Закрытое исполнение и использование высококачественных материалов (биметаллов, сплавов серебра и т. п.) для контактов обеспечивают малые переходные сопротивления, что весьма важно при установке этих переключателей в низковольтных и слаботочных цепях автоматики и электроники.
Для более мощных цепей автоматики применяют тумблеры, используемые в качестве выключателей, а также двух- и трехпозиционных переключателей. На рис.3 показано устройство двухпозиционного тумблера. Мостиковый контакт, выполненный в виде токопроводящего ролика /, замыкает одну из двух пар неподвижных контактов 2. Переключение контактов тумблера осуществляется воздействием на рычаг 3, а ускорение срабатывания (мгновенное действие) обеспечивается пружиной 4. Номинальный ток тумблера I и 2 А при напряжении 220 В, масса их не превышает 30 г.
Рис.3. Двухпозиционный тумблер
Для коммутации нескольких цепей при нескольких фиксированных положениях для выбора различных режимов работы используются пакетные переключатели. Такой переключатель (рис.4, а) состоит из ряда слоев — пакетов 3 (показан отдельно на рис.4, б), внутри которых находятся подвижный 5 и неподвижный 4 контакты. Подвижный контакт 5 закреплен на оси 2, вращающейся с помощью рукоятки 1 и имеющей ряд фиксированных положений, и которых замыкаются неподвижные контакты одного из пакетов. Выводы 6 неподвижных контактов закреплены в корпусе переключателя. Недостаток таких пакетных переключателей — низкая надежность скользящих контактов.
Пакетные переключатели кулачкового типа, в которых электрическая цепь замыкается неподвижными контактами, более надежны. Подвижными у них являются диэлектрические кулачки, которые и замыкают контакты в зависимости от профиля кулачка и положения оси. Конструкции пакетных переключателей, предназначенных для цепей управления, позволяют получить десятки и сотни вариантом разнообразных схем соединений при числе коммутируемых цепей до 24 (12 пакетов) и количестве фиксированных положений до X (через 45, 60 или 90°).
Рис.4. Пакетный переключатель
Имеются переключатели и без фиксации переключаемого положения — с самовозвратом в исходное положение. Особенность этих переключателей — наличие запирающего (на ключ) устройства, что, исключает бесконтрольное переключение.
Наиболее распространенными переключателями цепей управления являются аппараты серий ПКУ2 и ПКУЗ. Номинальный (длительно допустимый) ток переключателей серии ПКУ2 — 6 А при напряжении 380 В переменного тока и 220 В постоянного тока, а для переключателей серии ПКУЗ — 10 А при 500 В переменного тока. Как видно по техническим параметрам, такие переключатели пригодны и для непосредственного включения и отключения довольно мощных потребителей электроэнергии, например электродвигателей мощностью в несколько киловатт.
Меньшими габаритами обладают переключатели серий ПУ и ПЭ, имеющие поворотные механизмы привода на два или три положения. Среди них имеется исполнение с выемным ключом-рукояткой. Такими переключателями, как правило, блокируют подачу напряжения в схему управления, изменяют режимы и способы управления. При этом предусмотрена возможность запирания переключателя как в отключенном, так и в других его положениях. Номинальный ток переключателей серий ПУ и ПЕ — 5 А при напряжении 220 В переменного тока и 1 А при 110 В постоянного тока.
Системы автоматического и программного управления требуют весьма сложных переключений, для которых необходимы многопозиционные и многоцепные переключатели (при числе цепей и положений порой в несколько десятков). Конструктивно такие коммутационные элементы выполнены в виде двух, четырех (и более) неподвижных секций, смонтированных на платах, и подвижных контактов, закрепленных на общем валу и фиксируемых специальным пружинно-шариковым фиксатором в заданных позициях.
На рис.5 показаны наиболее распространенные ползунковые переключатели серии ПП однопанельного исполнения на 35 цепей. Переключатели в открытом исполнении предназначены для встроенного монтажа за панелью управления. Аналогичные щеточные переключатели, но закрытого исполнения, имеют от 1 до 4 секций при числе контактов в каждой секции от 4 до 24. Они обеспечивают Надежную коммутацию при токе нагрузки до 1 А цепей переменного (напряжением 380 В) и постоянного (напряжением 220 В) тока.
В радиоэлектронной аппаратуре используются аналогичные пакетным переключатели — так называемые галетные. Они имеют от 2 до 11 положений при числе секций (галет) от 1 до 4. На рис.6 показан переключатель серии ПГС на 10 положений.
Рис.5. Ползунковый переключатель
Рис.6. Галетный переключатель
В последнее время в автоматике все шире используются достижения микроэлектроники, например большие интегральные схемы Для коммутации в цепях, содержащих подобные элементы, необходимы переключатели, контакты которых обеспечивали бы надежное прохождение очень слабых токов (милли- или микроамперы) при пониженных значениях напряжений (до 5 В).
Характеристики
Тип файла документ
Документы такого типа открываются такими программами, как Microsoft Office Word на компьютерах Windows, Apple Pages на компьютерах Mac, Open Office - бесплатная альтернатива на различных платформах, в том числе Linux. Наиболее простым и современным решением будут Google документы, так как открываются онлайн без скачивания прямо в браузере на любой платформе. Существуют российские качественные аналоги, например от Яндекса.
Будьте внимательны на мобильных устройствах, так как там используются упрощённый функционал даже в официальном приложении от Microsoft, поэтому для просмотра скачивайте PDF-версию. А если нужно редактировать файл, то используйте оригинальный файл.
Файлы такого типа обычно разбиты на страницы, а текст может быть форматированным (жирный, курсив, выбор шрифта, таблицы и т.п.), а также в него можно добавлять изображения. Формат идеально подходит для рефератов, докладов и РПЗ курсовых проектов, которые необходимо распечатать. Кстати перед печатью также сохраняйте файл в PDF, так как принтер может начудить со шрифтами.















