62369 (694995)
Текст из файла
Зарядка и разрядка конденсатора
1 Зарядка диэлектрического конденсатора
Ошибочность существующей интерпретации работы конденсатора особенно очевидна. Она базируется на присутствии в электрической цепи положительных и отрицательных зарядов. Носители этих зарядов известны: протон и электрон. Однако, также известно, что они чувствуют присутствие друг друга на расстоянии в тысячу раз большем размера электрона и в миллион раз большем размера протона. Даже такое их далёкое соседство заканчивается процессом формирования атомов водорода, которые существуют лишь в плазменном состоянии при температуре до 5000 С. Это происходит, например, в процессах удаления электронов и протонов от Солнца и последующего объединения их в атомы водорода. Так что совместное присутствие протонов и электронов в свободном состоянии в проводниках полностью исключается, поэтому положительный и отрицательный потенциалы на пластинах диэлектрического конденсатора – ошибка физиков. Исправим её.
Сейчас мы увидим, что пластины диэлектрического конденсатора заряжаются не разноимённой электрической полярностью, а разноимённой магнитной полярностью. При этом функции плюса принадлежат южному магнитному полюсу электрона, а функции минуса – северному. Эти полюса и формируют полярность, но не электрическую, а магнитную. Проследим процесс зарядки диэлектрического конденсатора, чтобы увидеть, как магнитные полюса электрона формируют магнитную полярность его пластин. Известно, что между платинами диэлектрического конденсатора находится диэлектрик D (рис. 1, а).
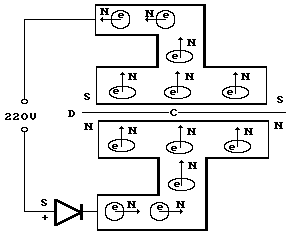
Схема эксперимента по зарядке диэлектрического конденсатора показана на рис. 1, а. Самое главное требование к схеме – ориентация её с юга (S) на север (N). Чтобы обеспечить полную изоляцию конденсатора от сети после его зарядки, желательно использовать электрическую вилку, включаемую в розетку сети с напряжением 220 V.
Сразу после диода показан компас 1 (К), положенный на провод, идущий к конденсатору С. Стрелка этого компаса, отклоняясь вправо в момент включения вилки, показывает направление движения электронов (рис. 1) от точки S к нижней пластине конденсатора. Тут уместно обратить внимание на общность информации о поведении электронов в проводах, представленной на рис. 1.
Рис. 1. Схема нашего эксперимента зарядки конденсатора
Выше компаса 1 (рис. 1) показана схема направления магнитного поля вокруг провода, формируемого движущимися в нём электронами.
Таким образом, электроны, прошедшие через диод, приходят к нижней пластине конденсатора, сориентированными векторами спинов
и магнитных моментов
к её внутренней поверхности (рис. 1). В результате на этой поверхности формируется северный магнитный потенциал (N).
Вполне естественно, что к внутренней поверхности верхней пластины конденсатора электроны придут из сети, сориентированными южными магнитными полюсами (S). Доказательством этого служит экспериментальный факт отклонения стрелки верхнего компаса 2 (К) вправо (рис. 1). Это означает, что электроны, движущиеся из сети к верхней пластине конденсатора, ориентированы южными магнитными полюсами (S) в сторону движения (рис. 2).
Таким образом, ориентацию электронов на пластинах диэлектрического конденсатора обеспечивает проницаемость их магнитных полей через диэлектрик. Потенциал на пластинах конденсатора один – отрицательный и две магнитных полярности: северного и южного магнитных полюсов.
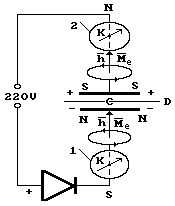
На рис. 2 представлена схема, поясняющая ориентацию электронов, движущихся к пластинам конденсатора С. Электроны приходят к нижней пластине конденсатора, сориентированными северными магнитными полюсами (N) к её внутренней поверхности (рис. 2). К внутренней поверхности верхней пластины конденсатора приходят электроны, сориентированные южными магнитными полюсами (S).
Рис. 2. Схема движения электронов к пластинам диэлектрического конденсатора
Так электроны – единственные носители электричества в проводах формируют на пластинах конденсатора не разноимённую электрическую полярность, а разноимённую магнитную полярность. Нет на пластинах диэлектрического конденсатора протонов – носителей положительных зарядов.
2 Разрядка диэлектрического конденсатора
Процесс разрядки диэлектрического конденсатора на сопротивление – следующее экспериментальное доказательство соответствия реальности выявленной модели электрона и ошибочности сложившихся представлений о том, что на пластинах диэлектрического конденсатора формируются разноимённые электрические заряды (рис. 3) .
Схема отклонения стрелок компасов (К) 1, 2, 3 и 4 при разрядке конденсатора на сопротивление R в момент включения выключателя 5 показана на рис. 3.
Как видно (рис. 1 и 3), в момент включения процесса разрядки конденсатора, магнитная полярность на пластинах конденсатора изменяется на противоположную и электроны, развернувшись, начинают двигаться к сопротивлению R (рис. 2, 3).
Рис. 3. Схема отклонения стрелок компасов (К) в момент разрядки конденсатора
Рис. 4. Схема движения электронов от пластин конденсатора к сопротивлению R при разрядке диэлектрического конденсатора
Электроны, идущие от верхней пластины конденсатора, ориентируются южными магнитными полюсами в сторону движения, а от нижней – северными (рис. 4). Компасы 3 и 4, установленные на совокупности проводов ВА, сориентированных с юга на север, чётко фиксируют этот факт отклонением стрелок вправо, доказывая этим, что векторы спинов и магнитных моментов всех электронов в этих проводах направлены с юга на север (рис. 3, 4).
3 Зарядка электролитического конденсатора
При анализе процесса зарядки электролитического конденсатора надо учитывать, что в электролитическом конденсаторе присутствуют ионы, имеющие положительный и отрицательный заряды, которые и управляют процессом формирования потенциалов на пластинах электролитического конденсатора. Сейчас увидим, что наличие электролита в конденсаторе не приводит к появлению в проводах положительных носителей заряда, то есть протонов.
Электрон представляет собой полый тор, который имеет два вращения: относительно оси симметрии и относительно кольцевой оси тора. Вращение относительно кольцевой оси тора формирует магнитное поле электрона, а направления магнитных силовых линий этого поля формируют два магнитных полюса: северный N и южный S.
Вращением электрона относительно центральной оси управляет кинетический момент
- векторная величина. Магнитный момент электрона
- тоже величина векторная, совпадающая с направлением вектора кинетического момента
. Оба эти вектора формируют северный магнитный полюс электрона (N), а на другом конце центральной оси его вращения формируется южный магнитный полюс (S). Формированием столь сложной структуры электрона управляют более 20 констант.
На рис. 5, а в качестве примера показана ориентация иона
в электрическом поле. Положительно заряженный протон
своим северным магнитным полюсом направлен к отрицательно (-) заряженной пластине. Так как векторы магнитных моментов электрона
и протона
в атоме водорода направлены противоположно, то осевые электроны 2 и 3 атома кислорода, соединяясь в цепочку с протонами и нейтронами ядра атома кислорода, формируют на концах оси иона
одинаковую магнитную полярность (рис. 5, а). Эта закономерность магнитной полярности сохраняется и вдоль оси кластера, состоящего из этих ионов (рис. 5, b). Логичность всех процессов сохраняется лишь при условии, если действия зарядов и магнитных полей электрона и протона эквивалентны.
Обратим внимание на главную особенность структуры атома водорода: векторы магнитных моментов электрона
и протона
направлены вдоль оси атома в противоположные стороны. Обусловлено это тем, что сближение протона и электрона ограничивают их одноименные магнитные полюса. Распределение магнитных полей в структуре иона
показано на рис. 5, а. Как видно, на концах оси этого иона северные магнитные полюса электрона и протона. Аналогичную полярность имеют и кластеры ионов
(рис. 5, b). Вполне естественно, что количество кластеров ионов
, формирующих электрическую цепь в диэлектрическом конденсаторе, очень велико.
Если роль электродов, представленных на рис. 5, а, выполняют пластины конденсатора, то при его зарядке, электроны, пришедшие из внешней сети, сориентируются южными магнитными полюсами у левой пластины конденсатора и северными магнитными полюсами у правой пластины. Обусловлено это тем, что электроны сближают их разноимённые магнитные полюса, а сближение электрона с протоном ограничивают одноимённые магнитные полюса.
Рис. 5. а) – схема иона
; схема кластера из двух ионов
На рис. 6, а в качестве примера показана ориентация иона
в заряженном конденсаторе. Положительно заряженный протон
своим северным магнитным полюсом направлен к нижней отрицательно (-) заряженной пластине конденсатора. Так как векторы магнитных моментов электрона
и протона
в атоме водорода направлены противоположно, то осевые электроны 2 и 3 атома кислорода, соединяясь в цепочку с протонами и нейтронами ядра атома кислорода, формируют на концах оси иона
одинаковую магнитную полярность. Эта закономерность магнитной полярности сохраняется и вдоль оси кластера, состоящего из этих ионов. Логичность всех процессов сохраняется лишь при условии, если действия зарядов и магнитных полей электрона и протона эквивалентны.
Обратим особое внимание на то, что у верхней пластины конденсатора (рис. 6, а) с обоих сторон присутствуют электроны и поэтому кажется, что они отталкивают друг друга. Однако, надо иметь ввиду, что при образовании кластеров электронов они соединяются друг с другом разноимёнными магнитными полюсами, а одинаковые электрические заряды ограничивают их сближение, поэтому контакт иона с верхней пластиной конденсатора обеспечивают разноимённые магнитные полюса электронов. У нижней пластины конденсатора – разноимённые электрические заряды, которые сближают протон атома водорода и электрон пластины конденсатора. Но это сближение ограничивается их одноимёнными магнитными полюсами. Так объясняются эти кажущиеся противоречия.
А) Б)
Рис. 6. а) схема ориентации иона
в электролитическом конденсаторе; b) схема зарядки конденсатора
Таким образом, пластины электролитического конденсатора заряжаются разноимённой электрической полярностью и разноимённой магнитной полярностью одновременно. При этом функции плюса принадлежат южному магнитному полюсу электрона, а функции минуса – северному. Эти полюса формируют и электрическую, и магнитную полярности на пластинах конденсатора. Проследим процесс зарядки конденсатора, чтобы увидеть, как магнитные полюса электрона и протона формируют магнитную и электрическую полярности его пластин.
Характеристики
Тип файла документ
Документы такого типа открываются такими программами, как Microsoft Office Word на компьютерах Windows, Apple Pages на компьютерах Mac, Open Office - бесплатная альтернатива на различных платформах, в том числе Linux. Наиболее простым и современным решением будут Google документы, так как открываются онлайн без скачивания прямо в браузере на любой платформе. Существуют российские качественные аналоги, например от Яндекса.
Будьте внимательны на мобильных устройствах, так как там используются упрощённый функционал даже в официальном приложении от Microsoft, поэтому для просмотра скачивайте PDF-версию. А если нужно редактировать файл, то используйте оригинальный файл.
Файлы такого типа обычно разбиты на страницы, а текст может быть форматированным (жирный, курсив, выбор шрифта, таблицы и т.п.), а также в него можно добавлять изображения. Формат идеально подходит для рефератов, докладов и РПЗ курсовых проектов, которые необходимо распечатать. Кстати перед печатью также сохраняйте файл в PDF, так как принтер может начудить со шрифтами.















