62242 (694919), страница 2
Текст из файла (страница 2)
За счет большой суммарной поверхности частиц аэрозоля они, коснувшись стенок дыхательного пути, очень быстро всасываются и переходят в кровь и лимфу, что обеспечивает высокую эффективность их лечебного действия. Для лучшего представления о влиянии распыления на общую поверхность частиц приведем следующий пример. Поверхность жидкости, имеющей форму шара объемом 1 мл, составляет 4,84 см2. При распылении ее на частицы с радиусом 5 мкм поверхность жидкости увеличивается до 6000 см2, т.е. более чем на три порядка.
Наибольшая скорость всасывания имеет место в альвеолах, поэтому если целью аэрозольтерапии является общее воздействие на организм или местное воздействие на нижние участки легких, то стремятся обеспечить как можно более глубокое прохождение аэрозоля в легкие и применяют высокодисперсные аэрозоли. Если объектом воздействия являются верхние дыхательные пути, то применяют грубодисперсные аэрозоли.
В последнее время широкое применение находят заряженные аэрозоли жидких лекарственных веществ - электроаэрозоли. При введении в дыхательные пути электроаэрозолей происходит их более полное осаждение. Это объясняется в основном взаимным отталкиванием одинаково заряженных частиц. Ускоряется и всасывание лекарственных веществ по сравнению с незаряженными аэрозолями. Применение электроаэрозолей приводит к увеличению концентрации лекарственного вещества в тканях и жидкостях организма примерно в 1,5-2 раза по сравнению с обычными аэрозолями. Соответственно возрастает и время сохранения лечебных концентраций лекарственных веществ. Установлено, что электроаэрозоли (как правило, отрицательно заряженные), так же как и аэроионы, оказывают положительное нормализующее влияние на различные органы и системы организма, включая центральную нервную систему.
Ингаляции аэрозолей проводят как индивидуально с помощью респираторной маски или мундштука, так и группам пациентов в специальных помещениях-ингаляториях. В последнем случае применяются камерные ингаляторы большой производительности, создающие в ингалятории достаточную плотность аэрозоля.
Помимо ингаляций аэрозолей и электроаэрозолей, возможно также прицельное воздействие ими на открытые участки тела при ожогах в других поражениях.
В качестве генераторов аэрозолей жидких лекарственных веществ обычно применяются пневматические (форсуночные) распылители.
Находят применение также центробежные распылители, у которых под действием центробежной силы пленка жидкости срывается с вращающегося диска, образуя аэрозольные частицы, уносимые воздушным потоком. Центробежные распылители обладают высокой производительностью, но с их помощью трудно обеспечить узкий спектр размеров аэрозольных частиц.
С развитием ультразвуковой техники появились распылители, использующие энергию ультразвука. Создаваемый параболическим пьезопреобразователем сходящийся пучок ультразвуковых колебаний проходит снизу через распыливаемый раствор и фокусируется на его поверхности. В результате образуется фонтан жидкости, с поверхности которого срываются частицы аэрозоля.
Важным преимуществом ультразвуковых распылителей является относительно узкий спектр размеров частиц аэрозоля, которые зависят, в основном, от частоты ультразвуковых колебаний. При этом ультразвуковые распылители обладают на порядок более высокой производительностью по распыливаемой жидкости, чем пневматические. Однако производительность зависит от плотности жидкости и снижается при распыливании вязких жидкостей, что ограничивает возможности ультразвукового распыления.
Все аэрозоли, получившиеся в результате распыления, имеют электрический заряд. При распаде струи жидкости, отрыве капель происходят электризация частиц. Однако величина зарядов обычного аэрозоля невелика. Для повышения заряда частиц применяют их дополнительную электризацию, в результате чего получают электроаэрозоль.
Рассмотрим принципиальную схему пневматического электроаэрозольного распылителя, работающего по принципу эжекции (рис. 4).
Рисунок 4 – Схема устройства генератора электроаэрозолей.
Сжатый воздух от компрессора (или кислород из баллона) поступает в сопло форсунки 1. Струя воздуха, вытекая с высокой скоростью из сопла, сжимается, в результате чего создается разрежение около отверстия трубки 2. Жидкость 3 засасывается по трубке 2 и смешивается с потоком воздуха. При этом образуются аэрозольные частицы, попадающие на сферический сепаратор 5. Крупные частицы осаждаются на сепараторе и стекают в резервуар.
Для придания частицам аэрозоля заряда и получения электроаэрозоля на воздушное сопло и на соединенную с сепаратором, опущенную в жидкость трубку подается постоянное напряжение. За счет электростатической индукции на поверхности жидкости, вытекающей из трубки, наводятся заряды. Эти заряды остаются на возникающих при распылениях капельках - образуется электроаэрозоль, который выходит из распылителя по патрубку 4.
Генератор аэрозоля характеризуется следующими основными параметрами: производительность по воздуху, т.е. расход воздуха в литрах в минуту; производительность по распыливаемой жидкости, т.е. расход лекарственного раствора (в граммах в минуту); дисперсность аэрозоля (обычно указываются предельные радиусы частиц, составляющих подавляющую часть аэрозоля). Для генератора электроаэрозоля дополнительными параметрами являются полярная объемная плотность заряда аэрозоля, выражаемая в количестве элементарных зарядов (как правило, отрицательных) в единице объема аэрозоля, а также производительность по заряду, т.е. величина заряда, сообщаемая частицам за единицу времени. Важное значение имеет коэффициент униполярности, т.е. модуль отношения объемной плотности положительных зарядов к объемной плотности отрицательных зарядов.
В процессе распыления лекарственных веществ происходит охлаждение воздуха, в частности за счет расширения сжатого воздуха при выходе из форсунки. Кроме того, испарение осевших частиц аэрозоля также приводит к охлаждению дыхательных путей. Во избежание этого аэрозоль обычно подогревают и температура аэрозоля (около 38°С) - также важный параметр аэрозольного генератора.
4. Аппараты для электроаэрозольтерапии
Аппарат применяется для индивидуальной ингаляции злектроаэрозолей водных лекарственных растворов, а также незаряженных аэрозолей масел и масляных растворов. С помощью аппарата аэрозоли могут наноситься на поверхность пораженных частей тела, например, при ожогах.
Основные технические данные аппарата: производительность по жидкости не менее 0,4 г/мин; расход сжатого воздуха 4,5 л/мин при давлении 1,5 кгс/см2); производительность по заряду 10-9А; дисперсность аэрозоля: частицы с радиусом в пределах 0,5-2,5 мкм составляют не менее 70%; остальные имеют радиус 2,5-5 мкм; температура аэрозоля 35±7°С; питание от сети переменного тока частотой 50 Гц, напряжением 220В±10%; потребляемая мощность не более 100 ВА; по защите от поражения электрическим током аппарат выполнен ко классу II.
Генератор состоит из распылителя с подогревателем, выпрямителя и держателя для крепления распылителя. Распылитель (рис. 5) представляет собой изготовленный из изоляционного материала корпус 4, к которому присоединены: снизу – стакан 7 с распыливаемой жидкостью 8 и выходным патрубком 6; сверху – корпус 1 нагревателя в виде спирали 13, питаемой через кабель 14.
В корпусе распылителя вдоль его оси установлено газовое сопло 2, соединяемое через штуцер 12 с воздуховодом 11. Перпендикулярно газовому соплу установлено жидкостное сопло 5, соединенное с опущенной в жидкость трубкой 9.
Рисунок 5 – Схема устройства распылителя аппарата ГЭИ-1.
Для управления распылением предусмотрена кнопка 10, при нажатии которой перекрывается отверстие, соединяющее жидкостное сопло с атмосферой.
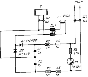
На жидкостное и газовое сопла с помощью шнура 3 от выпрямителя подается постоянное напряжение 350 В (см. рис. 6). Выпрямитель питается от сети переменного тока по бестрансформаторной схеме. Выпрямитель собран по схеме удвоения на диодах Д1, Д2 и конденсаторах С1, С2. В цепи выпрямленного напряжения включена цепочка резисторов R1-R4, обеспечивающих безопасность при случайном касании жидкостного или газового сопла. Индикатором наличия напряжения на электродах является неоновая лампа Л1, включенная последовательно с резистором R6. При случайных межэлектродных замыканиях напряжение на выходе выпрямителя падает и лампа гаснет.
Рисунок 6 – Принципиальная электрическая схема аппаратаэдектроаэрозольтерапии.
Аппарат работает следующим образом. Сжатый воздух, вытекая из газового сопла, обтекает жидкостное сопло, подсасывает жидкость и распыливает ее. Поток аэрозоля в центральном канале корпуса образует эжектор, подсасывающий воздух из корпуса нагревателя. Таким образом обеспечивается нагрев аэрозоля и увеличивается производительность генератора. Подача жидкости производится только при нажатой кнопке на корпусе генератора. Это уменьшает расход лекарственных средств, так как пациент нажимает на кнопку только в момент вдоха.
Постоянное напряжение, приложенное к соплам, приводит к индуцированию на частицах аэрозоля зарядов. Знак зарядов может измениться переключением полярности вилки, подключаемой к гнездам выпрямителя.
ЛИТЕРАТУРА
| 1. | Системы комплексной электромагнитотерапии: Учебное пособие для вузов/ Под ред А.М. Беркутова, В.И.Жулева, Г.А. Кураева, Е.М. Прошина. – М.: Лаборатория Базовых знаний, 2000г. – 376с. | 2000 |
| 2. | Электронная аппаратура для стимуляции органов и тканей /Под ред Р.И.Утямышева и М.Враны - М.: Энергоатомиздат, 2003.384с.. | 2003 |
| 3. | Ливенсон А.Р. Электромедицинская аппаратура. :[Учебн. пособие] - Мн.: Медицина, 2001. - 344с. | 2001 |
















