148141 (692215), страница 2
Текст из файла (страница 2)
ηпр = ηред * ηпер * ηмх
где ηред – к.п.д. редуктора; ηпер – к.п.д. открытой передачи; ηм – к.п.д. муфты; х – число муфт
ηпр = 0,97*0,95*0,99 = 0,912285
4.2 выбор электродвигателя
Для смесителей непрерывного действия с гравитационным перемешиванием и периферийным приводом рекомендуется использовать асинхронные электродвигатели переменного тока (4А, АО и т.д.) с синхронной частотой вращения nс = 1000…1500 мин-1
Требуемая мощность на валу электродвигателя, кВт:
Nтр = Nпол / 103 *ηпр
Nтр = 70375,77/912,285 = 73,1423 кВт
Где Nпол – полная потребляемая мощность, Вт;
Условие выбора электродвигателя NДВ ≥ Nтр
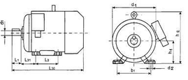
Техническая характеристика электродвигателя.
Марка 4А280S6УЗ
Мощность (NДВ кВт) = 75 кВт (101,97 л.с.)
Частота вращения (nДВ, мин-1) = 985 мин-1
| Типо- размер двига- теля | Число Полю- сов | Габаритные размеры,мм | Установочные и присоединительные размеры, мм | Масса в кг | ||||||||||
| L3 | h2 | d1 | b2 | l1 | L3 | l2 | d3 | d2 | b1 | h1 | ||||
| 4F280 S6УЗ | 6 | 1170 | 700 | 660 | 535 | 170 | 368 | 190 | 80 | 24 | 457 | 280 | 785 | |
4.3 выбор передаточного механизма (редуктора)
Выбор типа передаточного механизма и его исполнение обусловлен кинематической схемой проектируемого смесителя.
Общее передаточное отношение привода
Uпр = nДВ / nном
Uпр =985/17,28 = 57,00
где nДВ и nном соответственно, частоты вращения вала двигателя и рабочего органа (вала или барабана), мин-1
для смесителей с отдельно установленным электродвигателем расчетное передаточное число редуктора:
Uрасч. = Uпр / Uпер
Где Uпер – передаточное отношение открытой передачи (при её наличии): для зубчатых венцовых гравитационных бетоносмесителей с периферийным приводом Uпер = 7…8
Uрасч = 57/8 = 7,12
Условие выбора редуктора:
Uред ≈ Uрасч
Nподв ≥ Nдв
Где Uред – фактическое передаточное число редуктора; Nподв – подводимая мощность к редуктору (при соответствующей синхронной частоте вращения вала и режиме работы редуктора), кВт.
Техническая характеристика редуктора.
Марка Ц2У – 315. Режим работы непрерывный
| типоразмер | Aw т | Aw б | B | B 1 | B 2 | H | H 1 | h | L | L 1 | L 2 | L 3 | L 4 | L 5 | d |
| Ц2У-315 | 315 | 200 | 395 | 260 | 318 | 685 | 335 | 35 | 1030 | 370 | 215 | 360 | 300 | 420 | 28 |
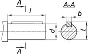
ПРИСОЕДИНИТЕЛЬНЫЕ РАЗМЕРЫ ЦИЛИНДРИЧЕСКИХ ВАЛОВ РЕДУКТОРОВ 1Ц2У, 1Ц2Н
| Редуктор | быстроходный вал | тихоходный вал | |||||||
| d | l | b | t | d | l | b | t | ||
| 1Ц2У-315 | 50k6 | 110 | 14 | 53,5 | 110m6 | 210 | 28 | 116 | |
ПРИСОЕДИНИТЕЛЬНЫЕ РАЗМЕРЫ ТИХОХОДНОГО ВАЛА В ВИДЕ ЗУБЧАТОЙ ПОЛУМУФТЫ
| Редуктор | b | d | d 1 | d 2 | d 3 | L | l | l 1 | Зацепление | ||||||||
| m | z | ||||||||||||||||
| 1Ц2У-315 | 30 | 252 | 130 | 110F8 | 140 | 275 | 10 | 60 | 6 | 40 | |||||||
Передаточное число (Uред) – 8,0
Nподв кВт подводимая мощность 75 кВт
Максимальная частота вращения nδ мин-1 для u = 8,0 – 1500
На быстроходном валу Рδ для передаточного числа u = 8,0 – 400
Коэффициент полезного действия n = 0,97
Габаритные размеры 1030*720*685
Масса 520 кг
4.4 Выбор соединительной муфты
Для соединения валов между собой используются втулочно-пальцевые (МУВП), зубчатые(МЗ) и другие аналогичные муфты.
Выбор муфт осуществляется по расчетному вращающему моменту (Мрасч), передаваемому муфтой, с учетом диаметров соединительных валов
Мрасч i = к3 * Мi
где к3 – коэффициент запаса, к3 = 1,2…1,3; Мi вращающий момент на соединяемых валах, кН*м
Мi = Nдв * ni / ωi
Где ωi – угловая скорость вращения соединительных валов, с-1; ni – общий КПД деталей и узлов, расположенных между двигателем и устанавливаемой муфтой
ω = π*n/30 = 3,14*985/30 = 103,0967 рад/сек
Мi = 75*1/103,0967 = 0,7274 кН*м
Мрасч i = 1,3*0,7274 = 0,9457 кН*м
Условие выбора муфт
Мн i ≥ Мрасч i
d расточки = (di ; dу)
где Мн i – номинальный передаваемый вращающий момент выбираемой муфты, кН*м; di и dу – диаметр соединительных валов, мм; d расточки – интервал диаметров расточки под вал у выбираемого типоразмера муфты, мм.
Принимаем втулочно-пальцевую муфту (МУВП).
Техническая характеристика муфты
Марка МУВП
Количество 1
1 - полумуфта; 2 - палец; 3 - втулка распорная; 4 - втулка упругая.
5. Расчет деталей и узлов
Производится по следующей схеме.
Составление расчетной схемы, нагружение с указанием необходимых конструктивных размеров и действующих нагрузок;
Определение действующих нагрузок с построением требуемых по расчету эпюр и диаграмм;
Проверочный расчет.
5.1 расчет бандажей и опорных роликов бетоносмесителей с гравитационным перемешиванием и периферийным приводом
Проверочный расчет бандажей и опорных роликов производится по контактным напряжениям (Па) из условия:
σн = 0,418 √Fk E /bi p ≤ [σн]
где [σн] – допускаемое контактное напряжение, Па; для стали - [σн] = 800*106Па; Fk усилие по линии контакта бандажа барабана и опорного ролика, Н; E – модуль упругости; Па; для стали - E = 2*1011Па; bi ширина бандажа барабана (опорного ролика), м; принимается меньшее из двух значений; р – приведенный радиус кривизны, м усилие по линии контакта бандажа барабана и опорного ролика Н
6. Техника безопасности при эксплуатации и обслуживании
Рассматриваемое смесительное оборудование отличается большими габаритными размерами и тяжелыми условиями работы.
При его проектировании и монтаже следует особое внимание обратить на выполнение рабочих постов ремонтных площадок трапов, чтобы полностью исключалась возможность падения персонала с высоты и в движущиеся шламовые бассейны и контакта с движущимися частями машин.
Особое внимание необходимо уделять состоянию электрических цепей и аппаратуры, так как они работают во влажной среде. Рабочие посты должны быть установлены на электроизоляторах.
Состояние электрооборудования и линий заземления должно проверяться перед началом каждой смены.
При неудовлетворительном уходе за машиной, в частности, при плохой очистке ее барабана в ощутимых пределах уменьшается полезный объем барабана, что снижает производительность, а также повышает расход энергии, так как приходится вращать дополнительные массы. Поэтому в процессе работы через каждые 2 ч и в конце смены нужно промывать барабаны смесителей водой, а гравитационные бетоносмесители водой со щебнем. В конце смены необходимо промывать машины в целом водой из шланга. При мойке машин их электродвигатели должны быть отключены от сети.
Список литературы
-
Бауман В.А. механическое оборудование предприятий строительных материалов, изделий и конструкций (В.А. Бауман, Б.В. Клушанцев, В.Д. Мартынов . – М: Машиностроение, 1981).
-
Борщевский А.А. Механическое оборудование для производства строительных материалов (А.А. Борщевский, А.С. Ильин . – М: Высшая школа, 1987).
-
Вайсон А.А. транспортирующие машины: Атлас конструкций (А.А. Вайсон – М: Машиностроение 1986.)
-
М.У. «Расчет бетоносмесителей» Надеин А.А. Богаченков А.Г. Абраменков Э.А.















