147973 (692127), страница 4
Текст из файла (страница 4)
Таблица набегающих моментов на коренные шейки (Н)
| α | Т1,5 | Т2,6 | Т1,5+Т2,6 | Т3,7 | Т1,5+Т2,6+ +Т3,7 | Т4,8 | Т1,5+Т2,6+ +Т3,7+Т4,8 |
| 0 | -2944,51 | 8550,25 | 5605,74 | -3410,46 | 2195,27 | 2771,20 | 4966,48 |
| 30 | -2940,28 | 15529,28 | 12589,00 | -673,08 | 11915,92 | 1812,64 | 13728,56 |
| 60 | 2660,92 | 10485,28 | 13146,20 | -1423,28 | 11722,92 | -2253,49 | 9469,42 |
| 90 | 2771,20 | 8550,25 | 11321,45 | -3410,46 | 7910,99 | -2944,51 | 4966,48 |
| 120 | -1822,93 | 4688,03 | 2865,10 | 9953,92 | 12819,01 | 909,54 | 13728,56 |
| 150 | -1099,00 | -1188,50 | -2287,51 | 10203,35 | 7915,84 | 1553,58 | 9469,42 |
| 180 | 2771,20 | -2944,51 | -173,30 | 8550,25 | 8376,94 | -3410,46 | 4966,48 |
| 210 | 2026,90 | 695,28 | 2722,18 | 15529,28 | 18251,46 | -4522,90 | 13728,56 |
| 240 | -2206,34 | 1506,43 | -699,91 | 10485,28 | 9785,37 | -315,95 | 9469,42 |
| 270 | -3410,46 | -2944,51 | -6354,97 | 8550,25 | 2195,28 | 2771,20 | 4966,48 |
| 300 | -673,08 | -2940,28 | -3613,36 | 4688,03 | 1074,67 | 12653,89 | 13728,56 |
| 330 | -1423,28 | 2660,92 | 1237,63 | -1188,50 | 49,13 | 9420,29 | 9469,42 |
| 360 | -3410,46 | 2771,20 | -639,26 | -2944,51 | -3583,77 | 8550,25 | 4966,48 |
| 390 | 9953,92 | -1822,93 | 8130,99 | 695,28 | 8826,27 | 4902,29 | 13728,56 |
| 420 | 10203,35 | -1099,00 | 9104,35 | 1506,43 | 10610,78 | -1141,35 | 9469,42 |
| 450 | 8550,25 | 2771,20 | 11321,45 | -2944,51 | 8376,94 | -3410,46 | 4966,48 |
| 480 | 15529,28 | 2026,90 | 17556,18 | -2940,28 | 14615,89 | -887,34 | 13728,56 |
| 510 | 10485,28 | -2206,34 | 8278,94 | 2660,92 | 10939,86 | -1470,43 | 9469,42 |
| 540 | 8550,25 | -3410,46 | 5139,78 | 2771,20 | 7910,99 | -2944,51 | 4966,48 |
| 570 | 4688,03 | -673,08 | 4014,95 | -1822,93 | 2192,02 | 11536,53 | 13728,56 |
| 600 | -1188,50 | -1423,28 | -2611,79 | -1099,00 | -3710,79 | 13180,21 | 9469,42 |
| 630 | -2944,51 | -3410,46 | -6354,97 | 2771,20 | -3583,77 | 8550,25 | 4966,48 |
| 660 | 695,28 | 9953,92 | 10649,20 | 2026,90 | 12676,09 | 1052,46 | 13728,56 |
| 690 | 1506,43 | 10203,35 | 11709,78 | -2206,34 | 9503,44 | -34,01 | 9469,42 |
| 720 | -2944,51 | 8550,25 | 5605,74 | -3410,46 | 2195,28 | 2771,20 | 4966,48 |
3. Расчет деталей двигателя на прочность
3.1 Расчет поршня
Поршень работает в тяжелых условиях, так как подвергается воздействию как механических нагрузок от давления газов и сил инерции, так и термических из-за необходимости отвода теплоты от нагретой газами головки в охлаждающую среду. Кроме того, направляющая часть работает на износ при высоких температурах. Основные требования к материалу поршня:
-
хорошая теплопроводность;
-
малые значения коэффициента линейного расширения;
-
высокая механическая прочность и жаростойкость;
-
малый удельный вес.
Для уменьшения износа юбка поршня имеет бочкообразный профиль по образующей и овальный профиль в поперечном сечении. Днище поршня имеет выемку, а в бобышках сделаны отверстия для прохода масла к поршневому пальцу.
Материал поршня – алюминиевый сплав.
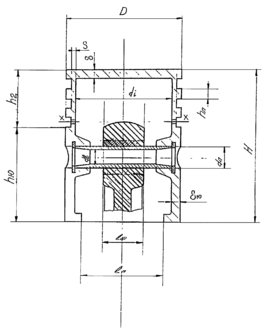
Исходные данные:
Толщина днища поршня =7,5мм
Высота поршня Н=94,6мм
Высота юбки поршня hю=67мм
Толщина стенки головки поршня S=7,25мм
Величина верхней кольцевой перемычки hn=3мм
Число масляных канавок в поршне nм=6
Диаметр масляных канавок dм=0,6мм
Наружный диаметр пальца dn=27мм
Длина втулки шатуна lш=34мм
Длина пальца ln=70мм
Расстояние между торцами бобышек в=36мм
Рис.3.1. Расчетная схема поршня
Напряжения, возникающие по контору заделки
,
где t – радиальный зазор маслосъемного кольца (t = 3,225 мм);
∆t – радиальный зазор компрессионного кольца (∆t = 0,8 мм).
Напряжения в центре днища
Рассчитаем сечение Х-Х
Напряжения сжатия
Напряжение разрыва в сечении Х-Х
Напряжения в верхней кольцевой перемычке.
а) среза
б) изгиба
в) суммарное
Удельное давление на стенку цилиндра
3.2 Расчет поршневого пальца на прочность
Во время работы двигателя поршневой палец подвергается воздействию переменных нагрузок, приводящих к возникновению напряжений изгиба, сдвига, смятия и овализации.
Поршневой палец - стальной, трубчатого сечения. Для повышения износостойкости его наружную поверхность цементируют и закаливают.
Материал пальца – Ст15Х ГОСТ 4543-71
Исходные данные:
Наружный диаметр пальца dn=27мм
Внутренний диаметр пальца dв=18мм
Длина пальца lп=70мм
Длина втулки шатуна l ш=34мм
Расстояние между торцами бобышек b=36мм
Расчетная сила, действующая на поршневой палец:
- газовая:
-инерционная:
Рис.3.2. Расчетная схема поршневого пальца а- распределение нагрузки, б- эпюры напряжений
-расчетная:














