147828 (692076), страница 2
Текст из файла (страница 2)
3.1 Расчет производственного участка
S = Sоб · k
S – площадь производственного участка
Sоб – площадь оборудования в плане
k – коэффициент расстановки
Sоб = 20 м2
k = 3,5
S = 20 · 3,5
S = 70 м2
3.2 Экспликация оборудования
| Прибор | Марка | Кол-во | Габ. размеры | площадь | № поз. | Потреб. мощность | Стоимость | |||||||
| Стол для приборов. | самодельный | 1 | 1200х600 | 0,72 | 1 | |||||||||
| Верстак с тисами | самодельный | 1 | 1000х400 | 0,4 | 2 | |||||||||
| Шкаф для хранения приборов | самодельный | 1 | 1500х600 | 0,9 | 3 | |||||||||
| Верстак | самодельный | 1 | 1500х500 | 0,75 | 4 | |||||||||
| Стенд для проверки системы зажигания | СПЗ-8 | 1 | 500х450 | 0.22 | 5 | 0,3кВт | ||||||||
| Стенд для проверки свечей зажигания | SPCT-100 | 1 | 490х280 | 0,14 | 6 | 0,2кВт | ||||||||
| Стробоскоп | Э-243 | 1 | 7 | |||||||||||
| Диагностический комплекс | Автомастер АМ-1 | 1 | 760х670 | 0,51 | 8 | 0,25кВт | ||||||||
| Комплект инструментов | И-142 | 1 | 405х90 | 0.04 | 9 | |||||||||
| Комплект инструментов | И-132 | 1 | 10 | |||||||||||
| Анализатор | К-518 | 1 | 1010х605 | 0,6 | 11 | 0,1кВт | ||||||||
| Набор приспособлений | 1 | 12 | ||||||||||||
| Прибор для проверки и регулировки фар | К-310 | 1 | 900х730 | 0,66 | 13 | 0,3кВт | ||||||||
| Пробник | 43102 | 14 | ||||||||||||
| Подъемник | ПЛД-5 | 1 | 3440х1500 | 5,16 | 15 | 3кВт | ||||||||
| Противопожарный щит | 1 | 1500х600 | 0,9 | 16 | ||||||||||
| Ларь для обтирочных материалов | самодельный, двухсекционный | 1 | 800х400 | 0,6 | 17 | |||||||||
| Умывальник | 1 | 400х400 | 0,16 | 18 | ||||||||||
| Машиноместо | 1 | 5500х2070 | 11,4 | 19 | ||||||||||
3.3 Технологическая карта
Замена выходного транзистора
| № п/п | Наименование операции | Инструмент | Расчет нормы времени | Технические требования |
| 1 | Подготовка инструмента к работе | Паяльник, пинцет | 1 мин. | Паяльник должен быть хорошо прогрет. |
| 2 | Выпаивание отказавшего транзистора | Паяльник, пинцет | 0,5 мин. | |
| 3 | Подготовка места под новый транзистор | Паяльник | 1 мин. | В месте пайки не должно быть лишнего припоя на плате, тран-зистор должен свободно входить в отверстия |
| 4 | Припаивание нового транзистора | Паяльник, пинцет | 0,7 мин. | Транзистор должен быть хорошо припаян и не шататься. |
Расчет времени
Тшт = То + Тв + Т обсл + Тп
Тш – время, затрачиваемое на ремонт одной единицы.
То – время, на протяжении которого происходит выполнение операции.
Тв – время, затрачиваемое на выполнение действий, обеспечивающих выполнение основной работы и повторяющихся при ремонте.
Тобсл – время организационного обслуживания рабочего места (4-6% от Топ).
Тп – время на личные надобности и отдых (4-6% от Топ).
Топ = То + Тв
То = 1,2 мин
Тв = 2 мин
Топ = 3,2 мин
Тобсл = 0,2 мин
Тп = 0,2 мин
Тшт = 1,2 + 2 + 0,2 + 0,2 = 3,6 мин
3.4 Технологический процесс ремонта транзисторного коммутатора
Сначала подключаем диагностический комплекс «Автомастер Ам-1» к автомобилю и проверяем всю систему в целом (первичную цепь, прерыватель, опережение и вторичную цепь).
В режиме первичная цепь мы определяем напряжение на катушке зажигания и контактах, так же можем посмотреть осциллограмму работы первичной цепи.
В режиме опережение мы проверяем угол опережения зажигания, для этого используем стробоскоп.
В режиме прерыватель проверяем работоспособность вакуумного и центробежного регуляторов опережения зажигания.
В режиме вторичная цепь проверяем напряжение во вторичной цепи, максимальное и минимальное напряжение пробоя, длительность горения дуги.
Если в процессе диагностики выявляются несоответствия выданных параметров с технически требованиями, то систему снимают с автомобиля и проверяют каждый аппарат системы по отдельности на стенде СПЗ-8.
Для проверки транзисторного коммутатора собирают схеме, состоящую из тестируемого коммутатора, заведомо исправной катушки зажигания, сопротивления и источника питания.
Коммутатор должен обеспечивать формирование выходного сигнала, который достаточен для накопления энергии в катушке зажигания и пробоя искрового промежутка.
Если транзисторный коммутатор неисправен, то его несут на верстак для последующего ремонта. Сначала его разбирают. Затем осматривают, если повреждений визуально не видно, то тогда каждый элемент проверяют по отдельности.
После устранения неисправности его собирают и вновь тестируют на стенде, после чего коммутатор устанавливают на автомобиль.
4. Заключение
В данном курсовом проекте, на мой взгляд, все разделы освещены достаточно хорошо. Но информация не полная. Ее не хватает для того чтоб сделать полное заключение обо всех достоинствах и недостатков данной системы.
В процессе модернизации системы зажигания, процент неисправностей приходящихся на нее уменьшился. Удалось добиться стабильной работы системы. С усовершенствованием системы параметры, которые нужно было постоянно контролировать и регулировать теперь контролирует микропроцессор.
Так же удалось избавиться от многих ремонтных операций прерывателя-распределителя, точнее на 1/3.
Я думаю, что технологический процесс будет двигаться в ту сторону, чтобы снижать вторичное напряжение для того, чтобы снизить потребление энергии аккумуляторной батареи. Уменьшать габариты узлов деталей и аппаратов и применять более дешевые материалы.
5. Список используемой литературы
-
Ю. П. Чижков «Электрооборудование автомобилей» курс лекций часть1 «Машиностроение» 2003г.
-
И. С. Туревский «Электрооборудование автомобилей» Москва 2003г.
3. М.Н. Фесенко.- Теория, конструкция и расчет автотракторного электрооборудования.-М.: Машиностроение, 1979.
4. Ю.П. Чижков, С.В. Акимов.-Электрооборудование автомобилей.Учебник для ВУЗов.-М.: Издательство «За рулем», 1999.
5. В.Е.Ютт.- Электрооборудование автомобилей: Учеб.для студентов ВУЗов.- М,: Транспорт, 1995.
6. Ю.Л. Тимофеев, Н.М. Ильин, Г.Л. Тимофеев. Электрооборудование автомобилей: устранение и предупреждение неисправностей.-М.: Транспорт, 1994.
7. И.С. Туревский, В.Б. Соколов, Ю.Н.Калинин. Электрооборудование автомобилей: Учебное пособие.-М.: ФОРУМ: ИНФРА-М, 2003.
8. Н.И. Курзуков, В.М. Ягнятинский.- Стартерные аккумуляторные батареи: Устройство, эксплуатация, ремонт.-М.: Транспорт, 1994.
9. С.В. Акимов, А.В. Акимов.- Автомобильные генераторные установки. – М.: Транспорт, 1995.
-
Ютт В.Е. «Электрооборудование автомобилей» – М: Транспорт, 2000
-
Квайо С.М. «Пусковые качества и системы пуска автотракторных двигателей» - М: Машиностроение, 1990
-
Железко Б.Е. «Расчет и конструирование автотракторных двигателей» - М: Высшая школа, 1987
6. Приложения
6.1 Таблицы технических характеристик приборов электрического оборудования соответствующих исправному состоянию
| Сопротивление обмоток катушки зажигания | |
| Первичная обмотка | 3,1-3,3 Ом |
| Вторичная обмотка | 6,3-9,2 Ом |
| Сопротивление высоковольтных проводов | |
| Силиконовые | 13х10-3 Ом/м. |
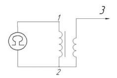
6.2 Электрические схемы проверки приборов на исправное состояние
Проверка сопротивления первичной обмотки катушки зажигания
Проверка сопротивления вторичной обмотки катушки зажигания
Проверка транзисторного коммутатора














