147709 (692027), страница 6
Текст из файла (страница 6)
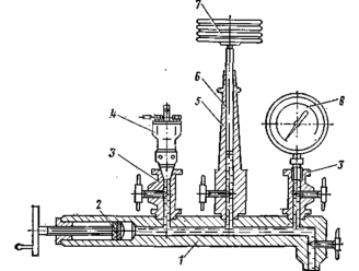
Рис. 15. Схема грузопоршневого манометра МП-60:
1 — корпус, 2 — вспомогательный поршень, 3 — штуцер, 4 — предохранительный клапан, 5 — колонка, 6 — основной поршень, 7 — тарировоч-ные грузы, 8 — образцовый манометр
штуцеров 3 устанавливают проверяемый предохранительный клапан 4, в другой — образцовый манометр 8 на 2 МПа.
Давление в системе прибора создают вспомогательным поршнем и измеряют по образцовому манометру. Кроме того, максимальное давление открытия клапана контролируют основным поршнем. Для этого на его тарелку кладут грузы, соответствующие поднятию поршня при давлении 1,75 МПа. Правильно отрегулированный предохранительный клапан должен открываться при давлении
МПа, уменьшить давление в системе и герметично закрыться при давлении 1,45 МПа. После регулировки предохранительный клапан пломбируют.
Освидетельствование баллонов для сжиженного газа
Баллоны для сжиженного газа периодически, один раз в два года, подвергают освидетельствованию. При освидетельствовании проводят гидравлические испытания, определяющие прочность баллонов, и пневматические для проверки герметичности соединений баллонов с арматурой. Перед испытаниями баллоны снимают с автомобиля, освобождают от газа и направляют на предприятие (СТОГА), которое имеет разрешение на проведение указанных работ.
Для механизации трудоемких работ по снятию, постановке и транспортировке газовых баллонов применяют специальную тележку (рис. 16). Конструкция тележки состоит из рамы 1, опор-
Рис. 16. Тележка для снятия и постановки газовых баллонов:
1 — рама. 2 — газовый баллон. 3 — стрела с пантографом, 4 — стойка. 5 — ножной насос
ной стойки 4 и стрелы 3 с пантографом. Подъем стрелы осуществляется с помощью ножного гидравлического насоса 5.
При проведении гидравлических испытаний с баллонов снимают арматуру, на ее место устанавливают заглушки и баллоны полностью заполняют водой. Испытания проводят под давление ем 2,0 МПа, которое создается гидравлическим прессом и измеряется двумя манометрами, один из которых является контрольным.
Под давлением 2,0 МПа баллоны выдерживают в течение 1 мин. Затем давление снижают до рабочего (1,6 МПа), осматривают баллоны снаружи и обстукивают сварные соединения. Баллоны считаются выдержавшими гидравлическое испытание, если не обнаружено признаков разрыва, течи, потения в сварных соединениях на основном металле, видимых остаточных деформаций. После гидравлических испытаний баллоны осушают и на них устанавливают арматуру.
Баллоны в сборе с арматурой подвергают пневматическим испытаниям воздухом или инертным газом под давлением 1,6 МПа. Герметичность соединений определяют при опускании баллона в ванну с водой на 2 мин. Появление пузырьков воздуха на поверхности баллонов и в местах соединений их с арматурой не допускается.
О результатах освидетельствования делают запись в паспорте баллона с указанием выявленных и устраненных неисправностей. На стенке баллона выбивают месяц и год последующих испытаний и ставят клеймо организации, проведшей освидетельствование.
В процессе эксплуатации баллонов при любой замене сборочных единиц (узлов) арматуры проводят внеочередные пневматические испытания без регистрации в паспорте.
Проверка и регулировка газового редуктора и смесителя на моторном стенде
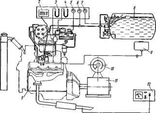
После ремонта и проверки сжатым воздухом газовый редуктор совместно со смесителем проходят окончательную регулировку и испытания на моторном стенде (рис. 17) при работе двигателя на сжиженном газе.
Моторный стенд оборудован газовым двигателем 1 со всем вспомогательным оборудованием (водяным, масляным и топливным насосами, генератором и т. п.), тормозным 11 и весовым 10 устройствами, позволяющими делать отбор и замерять мощность, развиваемую двигателем.
При испытаниях кроме частоты вращения коленчатого вала и мощности, развиваемой двигателем, замеряют расход топлива газовым счетчиком и давление в различных сборочных единицах (узлах) газового оборудования. Давление газа в баллоне и в первой ступени редуктора замеряют техническими или образцовыми манометрами 5 и 6. Давление и разрежение в газовой аппаратуре, которое должно быть около 0,1 МПа, замеряют ртутным пьезометром. Для измерения малых давлений и разрежений (до 50 Па) используют водяной пьезометр 3.
Во время испытаний проверяют мощностные и экономические показатели двигателя, обеспечиваемые работой редуктора и смесителя.
Первым этапом испытаний является регулировка смесителя и редуктора для работы двигателя на холостом ходу. В смесителе регулируют количество подаваемого газа и воздуха, в редукторе — давление газа во второй ступени на величину 70—80 Па. Одновременно контролируют токсичность отработавших газов и регулируют двигатель.
Следующим этапом испытаний является проверка удельных расходов топлива при работе двигателя с частичной нагрузкой на частоте вращения коленчатого вала 2000 об/мин. Для этого замеряют мощность двигателя и расход газа. Удельный расход в м3(Вт-ч) подсчитывают по формуле
, где Vг — расход газа, м3/ч; Nе — действующая мощность двигателя, Вт.
При полном открытии дроссельных заслонок на различной частоте вращения коленчатого вала замеряют мощность двигателя и расход газа.
Рис. 17. Схема моторного стенда:
1 — двигатель, 2 — счетчик для замера расхода газа, 3 — водяной пьезометр, 4 — ртутный пьезометр, 5 — манометр редуктора, 6 — манометр баллона, 7 —указатель уровня газа в
баллоне, 8 — газовый баллон, 9 — бак с бензином, 10 — весовое устройство, 11 — тормозное устройство, 12 — прибор для замера токсичности отработавших часов
Кроме того, при моторных испытаниях проверяют работу ограничителя частоты вращения коленчатого вала двигателя.
После, регулировки редуктор и смеситель в комплекте поступают для установки на автомобиль.
5. ТЕХНИЧЕСКАЯ ПЛАНИРОВКА УЧАСТКА ПО РЕМОНТУ ГАЗОВОЙ АППАРАТУРЫ И АРМАТУРЫ.
Приборы систем питания газобаллонных автомобилей, неисправность которых не может быть устранена на постах технического обслуживания и ремонта автомобилей, снимают и направляют в отделение по ремонту газовой аппаратуры и арматуры.
К помещениям отделения предъявляются особые требования. Минимально допустимая высота помещения, обусловленная санитарными нормами, должна быть от пола до потолка 3,2 мм, от пола до выступающих конструктивных элементов перекрытия 2,6 м. Полы должны быть ровными с нескользкой поверхностью, бензомаслоустойчивыми из несгораемого материала. Под помещениями, занятыми отделением, запрещается устраивать подвалы, колодцы и подпольные каналы (пустоты).
Помещение, в котором выполняют обслуживание и ремонт газового оборудования, должно быть оборудовано искусственной приточно-вытяжной вентиляцией с двукратным обменом воздуха, а также противопожарной сигнализацией и средствами пожаротушения.
Снятое с автомобиля газовое оборудование имеет неприятный специфический запах одорирующих веществ, сернистых соединений и остатки пропан-бутанового газа. Поэтому стеллаж-шкаф для хранения газовой аппаратуры в нижней части должен иметь принудительную вытяжную вентиляцию.
Секционный стеллаж-шкаф с переставными полками и выдвижными ящиками для хранения 20 комплектов газового оборудования представлен на рис. 143. Стеллаж имеет принудительный отсос воздуха производительностью 0,25 м3/ч. Для предохранения газовой аппаратуры от повреждений секции стеллажа выполнены из материала меньшей твердости (дерево, пластмасса), чем агрегат аппаратуры.
Рис. 18. Стеллаж-шкаф для хранения газового оборудования
При мойке газового оборудования применяют те же машины и средства, что и для деталей бензиновой и дизельной топливной аппаратуры. Газовые приборы размещают на верстаках, оборудованных тисками и устройством бортового отсоса воздуха.
На участке технического обслуживания и ремонта осуществляют дефектовку, сборку, проверку и регулировки деталей и сборочных единиц (узлов) газового оборудования.
Монтажно-демонтажные, слесарные и регулировочные работы по газовому оборудованию выполняют с помощью специального инструмента. Для этих целей применяют комплект инструмента модели И-139 , который имеет медное покрытие, позволяющее применять его во взрывоопасной среде. Проверку и регулировку выполняют на специальных испытательных стендах. Определяют рабочие параметры газового оборудования и проверяют внутреннюю и внешнюю герметичность.
Для проверки и регулировки газового смесителя и карбюратора-смесителя участок оборудуют безмоторной установкой. Вакуумная часть этой установки размещена в отдельном помещении.
Рабочие параметры и герметичность сборочных единиц (узлов) газового оборудования проверяют сжатым воздухом или инертным газом при рабочем давлении 1,6 МПа. Сжатый газ подается из баллонов высокого давления (до 20 МПа) и редуцируется до испытательного давления. Шкаф для хранения этих баллонов и тележка для их перемещения размещены на участке энергообеспечения.
ЛИТЕРАТУРА
-
Напольский Г.М. Технологическое проектирование автотранспортных предприятий и станций технического обслуживания: Учебник для ВУЗов.-2-е изд., перераб. и доп.- М: Транспорт, 1993.-271с.
-
Положение о техническом обслуживании и ремонте подвижного состава авто мобильного транспорта -М: Транспорт, 1988.-78с.
-
С.Афонин. Газовое оборудование автомобиля. Легковые, грузовые. Устройство, установка, обслуживание. Практическое руководство. «ПОНЧиК», 2001 г.
-
Буралев Ю.В. и др. Устройство, обслуживание и ремонт топливной аппаратуры автомобилей. – М.: Высшая школа, 1982 г.
















