147709 (692027), страница 3
Текст из файла (страница 3)
Перед проведением ревизии газовой арматуры баллон полностью освобождают от газа. После этого снимают крышки наполнительного и расходных вентилей, вентиля максимального наполнения (не вывертывая корпусов из газового баллона) и проверяют состояние их деталей. Предохранительный клапан также снимают с баллона, регулируют на стенде и пломбируют.
Работы, проводимые раз в год, выполняют при подготовке автомобиля к зимней эксплуатации.
К специальной операции, выполняемой один раз в два года, относится освидетельствование газового баллона. При освидетельствовании проводятся гидравлические испытания, во время которых определяют прочность баллона. Во время пневматических испытаний определяют герметичность соединений баллона с арматурой. После испытаний газовый баллон окрашивают и наносят клеймо со сроком следующего освидетельствования.
При техническом обслуживании системы питания газобаллонных автомобилей кроме работ по газовому оборудованию выполняют работы и по резервной (бензиновой) системе питания. Периодичность и характер этих работ принципиально не отличаются от работ, выполняемых по системе питания автомобилей с карбюраторными двигателями, которые рассмотрены ранее.
Наличие у газобаллонных автомобилей газовой и бензиновой систем питания увеличивает трудоемкость работ по их техническому обслуживанию и текущему ремонту.
Проверка и регулировка газовой аппаратуры
Газовую аппаратуру системы питания проверяют и регулируют на специальных стендах или с помощью универсальных приборов и различных приспособлений без снятия с автомобиля. Часть регулировок выполняют во время работы двигателя на газе, другую часть — при неработающем двигателе с системой питания, заполненной воздухом или инертным газом под давлением 1,6 МПа.
В редукторе газа МКЗ-НАМИ при неработающем двигателе регулируют давление в первой ступени, ход клапана второй ступени и проверяют герметичность разгрузочного и экономаизерного устройства.
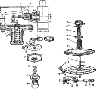
| Рис. 2. Первая ступень редуктора в сборе и ее детали в разобранном виде:1 — седло клапана,2 — фильтр,3 — регулировочный винт;4,13 — контргайки,5 —рычажок,6 — шток,7 — клапан в сборе,8 — мембрана в сборе,9 — прокладка,10 — ось рычажка, 11 — крышка, 12 — пружина,14 — седло пружины (регулировочный болт) | Рис. 3. Детали второй ступени " редуктора: 1 — колпак, 2 —шайба, 3 — пружина, 4, 11 — контргайки, 5 — седло пружины 6 — крышка, 7 — шплинт, 8 — мембрана в сборе, 9 — ось рычажка, 10 — прокладка, 12 — рычажок, 13 — регулировочный винт, 14 — клапан, 15 — вставка клапана, 16 — седло клапана |
Давление в первой ступени редуктора регулируют изменением положения регулировочного болта 14 (см. рис. 2) и контролируют по манометру редуктора. При завертывании регулировочного болта давление будет увеличиваться, при отвертывании — уменьшаться. Регулировку прекращают при установлении в первой ступени давления 0,15 — 0,20 МПа.
Отрегулированный редуктор проверяют на герметичность закрытия клапана первой ступени. Для этого кратковременным нажатием на шток 11 (рис. 4) редуктора открывают клапан второй ступени и выпускают из полости первой ступени воздух, снижая давление. При закрытии клапана второй ступени стрелка манометра должна указать заданное давление. Допускается медленное возрастание давления, но не более чем на 0,02 МПа и в то же время не превышающее 0,2 МПа, после чего давление в камере должно сохраняться в интервале не менее 2 млн.
Клапан второй ступени редуктора регулируют на максимальное открытие, при котором не нарушается герметичность его в закрытом положении. Для регулировки снимают крышку 3 люка, ослабляют контргайку 4 и отвертывают регулировочный винт 5 до начала пропуска газа. Затем завертывают винт на ¼— ½оборота и затягивают контргайку. Регулировку клапана выполняют отверткой и специальным ключом (рис. 120).
После регулировки проверяют герметичность закрытия и ход клапана. Герметичность определяют на слух или по пузырькам воздуха, выходящим из шланга, один конец которого соединен со штуцером системы холостого хода на редукторе, а другой опущен в сосуд с водой на глубину не более 3 мм.
Рис. 4. Приспособление для замера хода клапана второй ступени редуктора МКЗ-НАМИ:
1 — седло, 2 — клапан, 3 — крышка люка, 4, 8 — контргайки, 5 — регулировочный винт, 6 — рычаг. 7 — мембрана второй ступени, 9 — регулировочный стакан, /0 — пружина, 11 — шток, 12 — стопорный винт, 13 — линейка, 14 — движок линейки
Величину хода клапана определяют по перемещению штока редуктора. Для этой проверки выпускают воздух из редуктора и нажатием на шток до отказа замеряют его ход приспособлением с мерной линейкой (см. рис. 4). Нормальная величина открытия клапана второй ступени обеспечивается при ходе штока 11 не менее 8 мм.
Рис. 5. Инструмент для-регулировки клапана второй ступени редуктора:
1 — отвертка, 2 — специальный торцовый ключ
Герметичность разгрузочного и экономайзерного устройств проверяют при отсутствии давления воздуха в системе питания. Для этого от всасывающего трубопровода снимают шланг, соединяющий его с редуктором, и через него отсасывают воздух в устройствах до создания разрежения не менее 266 Па. Разгрузочное и экономайзерное устройства считаются герметичными, если величина разрежения в них сохраняется в интервале 5 мин.
Давление во второй ступени редуктора регулируют регулировочным стаканом 9 (см. рис. 4), а контроль давления ведут по водяному пьезометру, который подсоединяют через тройник в систему холостого хода. При отвертывании стакана давление в камере второй ступени уменьшается, при ввертывании — увеличивается. Регулировку выполняют во время работы двигателя на холостом ходу с частотой вращения коленчатого вала 500— 600 об/мин. Правильно отрегулированный редуктор на этом режиме работы двигателя создает избыточное давление ео второй ступени 70—80 Па.
В газовом смесителе СГ-250 систему холостого хода регулируют двумя винтами, регулирующими подачу газа, и упорным винтом, ограничивающим закрытие дроссельных заслонок. Винтами подачи газа регулируют две камеры одновременно: при отвертывании горючая смесь обогащается, а при завертывании — обедняется.
Предварительную регулировку проводят на неработающем двигателе отвертыванием верхнего винта подачи газа на три оборота, а нижнего — на пол-оборота. Затем на работающем и полностью прогретом двигателе выполняют окончательную регулировку. Для этого при открытой крышке патрубка ввода газа в смеситель верхним винтом устанавливают такую общую подачу газа в систему холостого хода, при которой частота вращения коленчатого вала двигателя составляет 1300— 1400 об/мин.
После этого крышку патрубка закрывают и упорным винтом устанавливают наименьшее открытие дроссельных заслонок, при котором двигатель будет работать устойчиво. Затем начинают обеднять смесь, завертывая нижний винт подачи газа до тех пор, пока двигатель не начнет работать с явными перебоями, после чего вывертывают винт на 1/16 оборота.
Регулировку системы холостого хода в газовом смесителе СГ-250 можно совместить с контролем содержания окиси углерода в отработавших газах. Порядок замера окиси углерода в этом случае будет соответствовать последовательности выполнения работ по определению токсичности отработавших газов.
Уменьшить содержание СО в отработавших газах при регулировке до допустимой величины можно ввертыванием упорного винта дроссельных заслонок и нижнего винта подачи газа в систему холостого хода.
Правильность регулировки системы холостого хода проверяют изменением режима работы двигателя. При резком открытии дроссельных заслонок двигатель должен плавно и быстро увеличивать частоту вращения коленчатого вала до максимальной. При резком закрытии дроссельных заслонок двигатель должен снижать частоту вращения коленчатого вала до 400—500 об/мин и работать устойчиво.
Электрические контрольно-измерительные приборы газового оборудования — указатель уровня газа в баллоне и манометр первой ступени редуктора проверяют как в комплекте (датчик и указатель), так и раздельно. Раздельную проверку датчика и указателя проводят для определения неисправности одной из сборочных единиц (узлов).
Указанные проверки могут быть выполнены на приборах Э-204-531 и др., которые серийно выпускаются нашей промышленностью и служат для проверки автомобильных контрольно-измерительных приборов.
Установку угла опережения зажигания у двигателей, работающих на газообразном топливе, проводят так же, как и у двигателей, работающих на бензине. Однако регулировка угла опережения зажигания у газовых двигателей газобаллонных автомобилей в связи с высоким октановым числом топлива не может быть проведена по детонации при разгоне автомобиля, поэтому ее проводят при испытаниях автомобиля на стенде с беговыми барабанами по максимальной мощности двигателя.
Проверка герметичности системы питания
Одной из самых ответственных операций, выполняемых при техническом обслуживании газобаллонных автомобилей, является проверка внешней и внутренней герметичности системы питания. Наиболее распространенным методом проверки внешней герметичности системы, находящейся под избыточным давлением,
Таблица 1. Содержание соли в 1 л пенообразующего раствора в зависимости от температуры
| Температура, °С | Количество соли г/л | |
| NaCl | CaCl2 | |
| 0 ÷ - 5 - 5 ÷÷ - 10 - 10 ÷÷ - 15 - 15 ÷÷ - 20 - 20 ÷÷ - 25 - 25 ÷÷ - 30 - 30 ÷÷ - 35 | 83 160 222 290 - - - | 100 170 220 263 303 329 366 |
является обмазывание соединений пенообразующим раствором (водный раствор хозяйственного мыла или лакричного корня). При отрицательных температурах добавляется соль — хлористый натрий NaCl или хлористый кальций СаС12.
Количественное содержание хлористого натрия или кальция в водном растворе зависит от температуры окружающего воздуха, при которой проводят проверку герметичности (табл. 1).
Соединения или участки системы, подлежащие проверке, очищают от грязи и обмазывают с помощью кисти пенообразующим раствором. Проверяемые соединения осматривают дважды — непосредственно при обмазывании данного соединения и после обмазывания. В местах расположения мельчайших неплотностей появляются мелкие пузырьки, скопления которых могут быть обнаружены лишь при повторном осмотре. Во время обмазывания соединений и швов пенообразующим раствором особое внимание обращают на соединения, расположенные в труднодоступных для осмотра местах.
Для определения утечки газа из баллона iироко используют электрические газоанализаторы типа ПГФ-2М1-ИЗГ. При пользовании газоанализатором пробу воздуха отбирают из зоны соединения и ручным насосом по шлангу подают в измерительную камеру. После засасывания пробы нажимают кнопку включения питания измерительного моста и снимают показания стрелочного прибора.
При работе с этим прибором следует учитывать, что он не позволяет точно указать место утечки, так как возможно подсасывание газа из других, близко расположенных соединений. Во время проверки автомобиль располагают на открытом воздухе в защищенном от ветра месте.
При обслуживании газобаллонного автомобиля в производственном помещении герметичность газовой системы проверяют сжатым негорючим и нетоксичным газом под давлением 1,6 МПа (воздух, азот или углекислый газ). Сжатые газы используют из баллонов -высокого давления, а сжатый воздух можно подавать от компрессора, обеспечивающего необходимое давление. Проверку проводят при закрытых расходных вентилях газового баллона автомобиля и при отсутствии газа в системе.
При проверке герметичности системы питания от баллона высокого давления (рис. 6) сжатый инертный газ из баллона 1 подается в редуктор 3, где давление его снижается до 1,6 МПа. Из .редуктора газ через штуцер 6 поступает в систему питания авто--мобиля. После заполнения системы газом вентиль 4 установки закрывают и проверяют герметичность по бразцовому манометру 5.
Падение давления указывает на негерметичность газовой системы автомобиля.
Места утечек определяют пенообразующим раствором. После устранения утечек проверку герметичности повторяют. Газовая система считается герметичной, если падение давления за 15 мин не превышает 0,01—0,15 МПа.
Внутреннюю герметичность проверяют у расходных и магистрального вентилей. Пропуск газа в систему питания через эти вен-















