147642 (691990), страница 4
Текст из файла (страница 4)
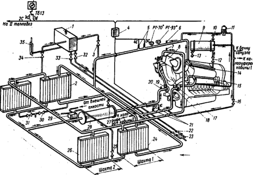
5 – топливоподкачивающие насосы;
6 – предохранительный клапан;
7 – вентиль для удаления воздуха из системы;
8 – Фильтр грубой очистки;
9 – распределительная коробка;
10 – вентилятор для регулировки слива подогретого топлива;
11 – топливоподогреватель;
12 – регулирующий клапан;
13 – дизель;
14 – топливный насос дизеля;
15 – датчик электроманометров;
16 – демпфер;
17 – фильтр тонкой очистки;
18 – труба для слива топлива, просачивающегося через форсунки;
19 – топливный бак;
20 – резервуар для сбора загрязненного топлива;
21 – топливомерное стекло;
22 – труба для слива загрязненного топлива из лотка дизеля;
23, 24 – трубы для слива подогретого топлива;
25 – труба для забора топлива;
ЭНТ1, ЭНТ2 – электродвигатели топливоподкачивающих насосов.
2.5.5 Масляная система
При работе дизеля горячее масло, прошедшее через узлы дизеля, стекает в поддон, вваренный в поддизельную раму 18. Шестеренчатый масляный насос 23, соединенный через редуктор с коленчатым валом дизеля, засасывает горячее масло из поддона и нагнетает его в фильтр грубой очистки 2 и полнопоточный фильтр тонкой очистки 1 в водомасляный теплообменник 30, откуда очищенное и охлажденное масло поступает на вход дизеля для охлаждения и смазки его узлов. Небольшая часть масла насосом 23 подается в центробежный фильтр тонкой очистки 17, из которого оно стекает в поддон. В теплообменнике масло охлаждается водой. Вода проходит внутри медных трубок вдоль теплообменника, а масло - в поперечном направлении, причем благодаря внутренним перегородкам оно несколько раз меняет направление движения.
Маслопрокачивающий насос 32, приводимый во вращение от электродвигателя ЭМН, предназначенный для прокачивания масла перед пуском и после остановки дизеля. Засасывая масло из поддона, маслопрокачивающий насос нагнетает его через фильтр грубой и тонкой очистки в теплообменник, а затем в дизель. В процессе пуска дизеля маслопрокачивающий насос останавливается при работе основного масляного насоса 23.
Работу масляной системы дизеля контролируют при помощи измерительных приборов и реле. На пультах управления в обоих кабинах машиниста расположены указатели дистанционных электротермометров ЭТ2 и электроманометров ЭМ1. тумблеры Тб13 позволяют подключать указатели ЭТ2 к датчикам, установленные на выходе 19 или на выходе 6 масла из дизеля. Датчики 20 дистанционных манометров ЭМ1 установлены на входе масла в дизель, причем от одного из датчиков по линии связи "С сигнал поступает не только на указатель ЭМ1 пульта №2, но через тепловозное соединение передается на второй тепловоз (при работе по системе двух единиц). Соответственно со второго тепловоза от аналогичного датчика приходит сигнал на пульт №1, где установлен указатель ЭМ3, что позволяет контролировать давление масла на втором тепловозе.
Состояние фильтров, оцениваемое по перепаду давления на них, контролируют при помощи манометров 10, 11, 12, установленных на щитке в дизельном помещении (левая стенка). Для измерения температуры масла ртутными термометрами при испытаниях тепловоза предусмотрены гильзы (карманы) 21 и 24 соответственно в трубах на входе и выходе масла из дизеля. Разрежение в картере дизеля контролируют по дифференциальному манометру 16, установленному на корпусе раздаточного редуктора. При появлении в картере давления, превышающее допустимое, замыкается электрический контакт дифманометра, что приводит к автоматической остановки дизеля. Защиту дизеля при падении давления масла осуществляют реле давления РДМ2 сброс нагрузки и РД1 - остановка дизеля. В схеме пуска дизеля устанавливаются реле давления РДМ3 и термореле РТ - 55°. Все реле давления подсоединены к концу масляного канала лотка дизеля, т.е. к точке масляной системы с наименьшим давлением. Реле РТ-55° контролирует температуру масла в поддоне дизеля. Термореле РТ-62° обеспечивает автоматическое в зависимости от температуры масла на выходе из дизеля открывание и закрывание жалюзи второй шахты охлаждающегося устройства тепловоза, а термометр РТ-37° - защиту дизеля по предельно допустимой температуре масла на выходе в дизеле.
Пульт 2 ЭМ1 ЭМ2 тепловоз
Рис.5. Схема масляной системы: 1 - полнопоточный фильтр тонкой очистки; 2 - фильтр грубой очистки; 3, 37 - игольчатые клапаны для удаления воздуха; 4 - терморегулятор; 5 - вентиль для отбора проб масла; 6,19 - датчики дистанционных электротермометров ЭТ2; 7 - распределительная коробка №2; 8 - демпферы типа ДВ; 9 - щиток с манометрами; 10 - манометр "Масло после фильтра тонкой очистки" (тип МШ6, 0 - 16 кгс/см2); 77 - манометр "Масло до фильтра тонкой очистки" (тип МП 16, 0 - 16 кгс/см2); 72 - манометр "Масло до фильтра грубой очистки" (тип МП16, 0 - 16 кгс/см); 73 - манометр "Надувочный воздух" (тип МП6, 0 - 6 кг/см2); 14 - манометр "Топливо до фильтра тонкой очистки" (тип МШО, 0 - 10 кгс/см2); 75 - манометр "Воздух контакторов" (тип МШО, 0 - 10 кгс/см2); 16 - дифференциальный манометр; 17 - центробежный фильтр тонкой очистки; 75 - поддон; 20 - датчики дистанционных электроманометров ЭМ7; 27, 24 - гильзы (карманы) для установки ртутных термометров; 22, 25 - вентили для заправки и слива масла из поддона; 23 - масляный насос; 26, 28, 29, 33, 34 - вентили для слива масла из системы; 27 - обратный клапан; 30 - водомасляный теплообменник; 32 - маслопрокачивающий насос; ЭМ7, ЭМЗ - указатели дистанционных электроманометров "Давление масла" и "Давление масла II тепловоза"; ЭТ2 - указатели дистанционных электротермометров "Масло дизеля"; Т613 - переключатель (тумблер); РДМ1 - РДМЗ - реле давления; РТ' - 55°, РТ - 62°, РТ - 73° - термореле; ЭНМ - электродвигатель маслопрокачивающего насоса; 1С - 6С - электрические линии связи.
2.5.6 Водяная система
Система охлаждения дизеля - двухконтурная. Циркуляцию воды в контурах обеспечивают водяные насосы 17 и 19 центробежного типа, приводимые в движение от вала дизеля через редуктор.
В первом контуре вода, охлаждённая воздухом в радиаторных секциях 24, нагнетается насосом 17 в водяные коллекторы 15, расположенные с обеих сторон дизеля. Из коллекторов 75 вода поступает на охлаждение цилиндров, после чего собирается в отводных коллекторах 14, также расположенных с обеих сторон дизеля, из которых направляется в радиаторные секции 24 для охлаждения. Небольшая часть нагретой воды из левого отводного коллектора дизеля поступает в топливоподогреватель Р, где нагревает топливо, а затем поступает на вход водяного насоса 17.
Во втором контуре циркуляции вода, охлаждённая воздухом в радиаторных секциях 26, поступает вначале в теплообменник28, где охлаждает масло дизеля, а затем нагнетается насосом 19 в охладитель надувочного воздуха 8, оттуда, нагретая, вновь направляется в радиаторные секции 26 для охлаждении.
Охлаждение воды в первом контуре циркуляции регулируется автоматически путем плавного изменения частоты вращения вентилятора первой шахты охлаждающего устройства под контролем терморегулятора 11, датчик которого омывается охлажденной водой, поступающая в дизель. Охлаждение воды во втором контуре регулируется изменением частоты вращения вентилятора второй шахты охлаждающегося устройства в зависимости от температуры масла на выходе из дизеля, для чего на трубопроводе масла установлен терморегулятор 4.
Водяной бак 1 обеспечивает пополнение системы охлаждающей водой (через вентили 32, 33), компенсируя изменение объема воды при изменении температуры, обеспечивает выход из системы воздуха и пара (через вентили 3, 34). Уровень воды в баке контролируют водомерному стеклу 25, установленному в заднем патрубке тепловоза. Имеется ручной насос 29 для закачивания воды из внешней емкости.
Для контроля за температурой воды в первом контуре циркуляции на обоих пультах управления расположены указатели дистанционных электротермометров ЭТ1, датчики 21 и 5которых установлено соответственно на входе и выходе воды из дизеля. Подключение к одному из датчиков производится тумблером Тб13. Кроме того, для установки ртутных термометров в трубах обоих контуров циркуляции имеются гильзы (карманы) 18,20 на входе 6 и 7 на выходе воды из дизеля. В трубопроводе первого контура циркуляции на выходе воды из дизеля установлены два термореле: РТ - 70° для автоматического управления открыванием и закрыванием жалюзи перовой шахты охлаждающего устройства и РТ-93° для защиты дизеля по предельно допустимой температуре воды.
Направление потока воды
1 контура циркуляции
2 контура циркуляции
Рис 6. Схема водяной системы охлаждения дизеля. 1 - водяной бак; 2 - секция для охлаждения масла гидропривода вентиляторов; 3, 12, 16, 25, 32, 33, 34 - вентили; 4 - распределительная коробка №2; 5, 21 - датчики дистанционных электротермометров ЭТ1; 6, 7, 18,20 - гильзы для установки ртутных термометров; 8 - охладитель надувочного воздуха; 9 - топливоподогреватель; 10, 27 - игольчатые клапаны для удаления воздуха; 11 - терморегулятор; 13, 22, 23, 30, 31 - вентили для слива воды из системы; 14, /5 - коллекторы дизеля для отвода и подвода воды; 17 - насос I контура; 19 - насос II контура; 24 - радиаторные секции I контура (17 секций); 26 - радиаторные секции II контура (30 секций); 28 - водомасляный теплообменник; 29 - ручной насос; 35 - водомерное стекло; РТ-700, РТ-930 - термореле; Т613 - переключатель (тумблер); ЭТ1, ЭТЗ - указатели дистанционных электротермометров "Вода дизеля" и "Вода II тепловоза"; 1С-4С - электрические линии связи.
2.6 Колесные пары и буксы
Колесные пары тепловоза воспринимают и передают на рельсы массу кузова и тележек со всем оборудованием, а также собственную массу с деталями, смонтированными непосредственно на колесных парах (неподрессоренную). При движении тепловоза каждая колесная пара, взаимодействуя с рельсовой колеей, воспринимает удары от неровностей пути и направляющие силы и в свою очередь сама жестко воздействует на путь. Кроме того, колесной парой передается вращающий момент тягового электродвигателя, а в месте контакта колес с рельсами реализуется сила тяги и торможения. Значение и характер воздействия статических и динамических сил зависят от условий движения и состояния рельсового пути, конструкции, и параметров ходовой экипажной части тепловоза.
От состояния колесной пары зависит безопасность движения поездов, поэтому к выбору материала, изготовлению отдельных элементов и формированию колесной пары предъявляются особые требования. В условиях эксплуатации за состоянием колесных нар необходим тщательный уход, своевременные осмотры и ремонт.
Главными частями колесной пары являются: ось, колесный центр, бандажи с укрепляющими кольцами, полый вал, приводы и пальцы эластичной муфты и ведомая шестерня и тягового редуктора.
Отличие колесной пар тепловоза ТЭП60 от колесных пар других тепловозов обусловлено принятой системой опорно-рамного подвешивания тяговых электродвигателей.
Бандажи являются той частью колес, которая непосредственно взаимодействует с рельсами. На контактную площадку бандажа передаются вертикальные силы до 150 кН, продольные силы сцепления до 45 кН и поперечные до 30 кН на поверхности катания и до 60 - 80 кН на гребень. Материал бандажа подвергается растяжению, сжатию, сдвигу и смятую, а при скольжении колес - усиленному износу. В связи с этим материал бандажа должен обладать высокой прочностью, чтобы сопротивляться износу и смятию, и быть достаточно вязким, чтобы сопротивляться ударным нагрузкам.
На наружные диаметры колесных центров насаживают бандажи с натягом 1,1 - 1,45 мм тепловым способом. Температура нагрева бандажа 250 - 320'С. Разность температур различных участков бандажа при нагреве не должна превышать 15°. Бандажи на колесных центрах от возможных сползаний с центров закрепляют бандажными кольцами.
Бандажные кольца заводят в специальную выточку, когда температура бандажа не ниже 200С и внутреннюю кромку бандажа закатывают роликом на специальном станке до плотного крепления кольца. На собранной колесной паре разность твердостей бандажей не должна превышать 20 единиц по Бринеллю.
После остывания бандажа проверяют по звуку плотность его посадки на колесный центр. Для контроля отсутствия проворачивания бандажей колесной пары относительно колесных центров при эксплуатации тепловоза на бандажах и колесных центрах наносят контрольные риски.
Для уменьшения износа гребней бандажей и увеличения срока их службы предложен новый профиль одноточечного касания между колесом и рельсом при любом расположении колесной пары в рельсовой колее. Профиль с одноточечным контактом отличается от стандартного прямолинейным участком 20 мм с конусностью 1: 50, который соединяется с выкружкой гребня переходной кривой радиусом 70 мм, обеспечивающей одноточечный контакт и свободное относительное поперечное перемещение колесной пары в колее.
Угол наклона гребня принят 65°, что соответствует профилю головки среднесетевого рельса и обеспечивает с ним облегающий контакт на участках пути с крутыми кривыми. Испытания показали, что бандажи с одноточечным контактом будут иметь меньший на 20% износ гребней, уменьшится на 15 - 20% количество колесных пар с односторонним износом и смещенным прокатом. Кроме того, этот профиль уменьшит возможность образования ступенчатого проката. Интенсивность проката при этом профиле бандажей сохраняется на прежнем уровне.
2.7 Буксы
Буксы передают вертикальные и горизонтальные (силы тяги и торможения, поперечные от набегания на рельс) силы между рамой тележки и колесными парами. Кроме того, буксы ограничивают продольные и поперечные перемещения колесной пары относительно рамы тележки. Корпус буксы двумя поводками соединен с рамой тележки. Соединение валиков поводков с корпусом буксы и рамой тележки производится посредством клиновых соединений. На предподступичную часть оси до упора в галтель надевают с натягом лабиринтное кольцо. Температура нагрева кольца 120 - 150 °С. Лабиринтное кольцо образует с задней крышкой четырех камерное лабиринтное уплотнение буксы. Внутренние кольца подшипников имеют натяг 0,035 - 0,065 мм и насаживаются на шейку оси вместе с дистанционным кольцом, нагретым в масле индустриальном до температуры 100 - 120 °С.
Поводок буксы состоит из корпус с двумя головками, имеющими цилиндрические расточки, в которые запрессовывают с натягом 0,06 - 0,16 мм амортизаторы, сформированные один на коротком, другой на длинном валике. Короткий валик (буксовый) имеет один резинометаллический амортизатор из втулок. Длинный валик (рамный) имеет два резинометаллических амортизатора из втулок, между которыми помещены разделяющие их полукольца.
Амортизаторы формируют на валики путем напрессовки. Перед напрессовкой резиновые втулки и все соприкасающиеся с ними поверхности смазывают смесью, состоящей из 30% касторового масла и 70% этилового спирта. Сформированные поводки выдерживают в течение суток при температуре l5 - 30 'С без доступа света и приложения нагрузки для завершения релаксационного процесса.
Заключение
В результате выполнения расчетов получены сведущие данные:
-
вес состава пассажирского поезда: = 10078,8 [кН].
-
касательная сила тяги: = 130572,15 [Н].
-
эффективная мощность силовой установки: = 2300,4 [кВт].
На основании полученных данных выбрал прототип тепловоза ТЭП60, который обладает следующими положительными качествами:
-
при небольшой веси малые габаритные размеры дизеля, при высокой надежности.
-
удобство обслуживания и ремонта тепловоза.
-
минимальная интенсивность износа деталей тепловоза.
-
высокая экономичность основных деталей и узлов.
-
опорно-рамное подвешивание тяговых электродвигателей достигается уменьшение подрессоренной массы благодаря тому, что масса двигателя входит в подрессорную массу. Этим достигается уменьшение воздействие на путь и сохранность самого двигателя. Так по сравнению с опорно-осевым подвешиванием электродвигателей увеличивается срок службы щеток, в несколько раз уменьшается ускорение массы электродвигателя при следовании с высокими скоростями.
Список используемой литературы
Тепловоз ТЭП60:
1. Руководство по эксплуатации и обслуживанию \ Издательство 2-е, переработал и дополнил. М., "Транспорт", 1975г.
2. Пассажирский тепловоз ТЭП60: Г.А. Жилин и др. \ Издательство 2-е, переработал и дополнил. М., "Транспорт", 1971г.
3. Методические указания по выполнению курсовой работы по дисциплине “Локомотивы (общий курс) ” \ В.Д. Кузьмич, В.Б. Скуев, Г.А. Ильин, Ю.В. Емельянов.
















