147563 (691964), страница 4
Текст из файла (страница 4)
Где: Е=2,11011Па – модуль Юнга стали.
Условие
0,07 выполняется.
11. Удельное давление в подшипнике скольжения
,
Где:
=(20…25)106Па – допускаемое давление на вкладыш, изготовленный из бронзы.
Условие прочности выполнено.
12.Удельное давление на гнездо бобышки
Где:
=(25…45)106Па – допускаемое давление на бобышку, изготовленный из чугуна.
.
Условие прочности выполняется.
4.2 Расчёт коленчатого вала
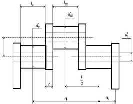
Рис. 2 - Конструктивные размеры коленчатого вала
1. Валы изготовляют из углеродистых сталей 35 и 45, легированных сталей марок 30Х, 45Х, 18ХН, 20ХН3А, 30ХМА, а также из модифицированного чугуна марки СЧ 38-60. Механические характеристики марок сталей, применяемых для изготовления коленчатых валов
Материал коленчатого вала – сталь 18ХН
р=6065кг/мм2 – предел прочности при растяжении
т=3435кг/мм2 – предел текучести
2. Диаметр коленчатого вала:
Где: D=390мм – диаметр цилиндра
S=470мм – ход поршня
L=3042мм – расстояние между центрами рамовых подшипников
А=51.7
В=82
С=1.19
- безразмерный коэффициент.
3. Диаметр шатунный (dш) и рамовой (dр) шейки:
dш=250мм dр=240мм – принимаем, в соответствии с двигателем прототипом.
4. Толщина щеки:
t0,56dш=0.15м.
5. Ширина щеки:
h1,33dш=0.34м.
6. Длина шатунной шейки:
lш=(0,651)dш=0.70.25=0.175м.
7. Длина рамовой шейки:
lр=(0,851)dр=0.9 0.24=0.216м.
8. Расстояние между осями коренной и шатунной шеек R, между средним слоем щеки и серединой рамового подшипника а2, между серединами рамовых шеек а1:
R=0.235м а2=0.180м а1=0.640м – принимаем в соответствии с прототипом.
9. Радиусы закруглений:
- у мотылевой шейки: r10,07dш=20мм
- у рамовой шейки: r20,5dр=120мм
- у фланца: r30,125dр=30мм
10. Размеры вала проверяют для двух опасных положений:
- в ВМТ, когда на мотыль действуют наибольшая радиальная сила и касательная сила, передаваемая от цилиндров, расположенных впереди;
- при повороте мотыля на угол, соответствующий максимальному касательному усилию (угол 2).
11. Значение углов (абсцисс), ординаты которых подлежат суммированию в первом опасном положении, соответствуют: 0, 0+0, 0+01,.... (число углов равно числу цилиндров i). 0 - угол между двумя последующими вспышками равен:
0=720/i=720/6=120
12. Значения углов, ординаты которых подлежат суммированию в первом опасном положении: 0, 120, 240, 360, 480, 600.
Значения углов, ординаты которых подлежат суммированию во втором опасном положении: 19, 159, 259, 379, 499, 619.
13. Определение наиболее нагруженного мотыля в 1 опасном положении (заполнение таблицы производят в порядке последовательности вспышек):
Значения Рр и Рк при разных углах поворота мотыля для 1 опасного положения:
Угол можно найти из уравнения:
Таблица 3
| № мотыля | Pp и Pk [Мн/ | Угол поворота мотыля, град. | порядок вспышек | |||||
| 0 720 | 120 | 240 | 360 | 480 | 600 | |||
| 1. | Pk | 0 | 0.745 | -0.832 | 0 | 1.015 | -0.724 | 1. |
| Pp | -1.645 | -0.683 | 0.763 | 2.432 | -0.93 | 0.683 | ||
| 2. | Pk | -0.832 | 0 | 1.015 | -0.724 | 0 | 0.745 | 5. |
| ∑ Pk | -0.832 | 0.745 | 0.183 | -0.724 | 1.015 | 0.021 | ||
| Pp | 2.432 | |||||||
| 3. | Pk | 1.015 | -0.724 | 0 | 0.745 | -0.832 | 0 | 3. |
| ∑ Pk | 0.183 | 0.021 | 0.183 | 0.021 | 0.183 | 0.021 | ||
| Pp | 2.432 | |||||||
| 4. | Pk | 0.745 | -0.832 | 0 | 1.015 | -0.724 | 0 | 6. |
| ∑ Pk | 0.928 | -0.811 | 0.183 | 1.036 | -0.541 | 0.021 | ||
| Pp | 2.432 | |||||||
| 5. | Pk | -0.724 | 0 | 0.745 | -0.832 | 0 | 1.015 | 2. |
| ∑ Pk | 0.204 | -0.811 | 0.928 | 0.204 | -0.541 | 1.036 | ||
| Pp | 2.432 | |||||||
| 6. | Pk | 0 | 1.015 | -0.724 | 0 | 0.745 | -0.832 | 4. |
| ∑ Pk | 0.204 | 0.204 | 0.204 | 0.204 | 0.204 | 0.204 | ||
| Pp | 2.432 | |||||||
Произведя суммирование Рк цилиндров, расположенных впереди, т.е. значений Рк, вписанных в таблицу выше строки данного мотыля, находят мотыль, передающий наибольшее касательное усилие. Из таблицы видно, что при максимальном значении Рр=2.432 МН/м2 наибольшее касательное усилие от других цилиндров, равное Рк=1.015МН/м2, передаёт мотыль четвёртого цилиндра. Таким образом, в первом опасном положении следует рассчитывать мотыль четвёртого цилиндра, как передающий наибольшее касательное усилие от цилиндров, расположенных впереди.
14. Определения наиболее нагруженного мотыля во втором опасном сечении: суммируем ординаты кривой касательных усилий для угла поворота 1 с учётом последовательности вспышек. Вносимое значение Рр может быть определено как:
.
Из полученной таблицы находят наиболее неблагоприятное сечение радиальной и касательной сил.
Таблица 4
| № мотыля | Pp и Pk [Мн/ | Угол поворота мотыля, град. | порядок вспышек | ||||||
| 21.6 | 141.6 | 261.6 | 381.6 | 501.6 | 621.6 | ||||
| 1. | Pk | -0.648 | 0.557 | -0.950 | 1.726 | 0.670 | -0.648 | 1. | |
| Pp | -1.278 | -0.986 | -0.398 | 3.405 | -1.186 | -0.271 | |||
| 2. | Pk | -0.950 | 1.726 | 0.670 | -0.648 | -0.648 | 0.557 | 5. | |
| ∑ Pk | -1.598 | 2.283 | -0.280 | 1.078 | 0.022 | -0.091 | |||
| Pp | 3.405 | ||||||||
| 3. | Pk | 0.670 | -0.648 | -0.648 | 0.557 | -0.950 | 1.726 | 3. | |
| ∑ Pk | -0.928 | 1.635 | -0.928 | 1.635 | -0.928 | 1.635 | |||
| Pp | 3.405 | ||||||||
| 4. | Pk | 0.557 | -0.950 | 1.726 | 0.670 | -0.648 | -0.648 | 6. | |
| ∑ Pk | -0.371 | 0.685 | 0.798 | 2.305 | -1.576 | 0.987 | |||
| Pp | 3.405 | ||||||||
| 5. | Pk | -0.648 | -0.648 | 0.557 | -0.950 | 1.726 | 0.670 | 2. | |
| ∑ Pk | -1.019 | 0.037 | 1.355 | 1.355 | 0.150 | 1.657 | |||
| Pp | 3.405 | ||||||||
| 6. | Pk | 1.726 | 0.670 | -0.648 | -0.643 | 0.557 | -0.950 | 4. | |
| ∑ Pk | 0.707 | 0.707 | 0.707 | 0.707 | 0.707 | 0.707 | |||
| Pp | 3.405 | ||||||||
Первое опасное положение.















