147217 (691800), страница 2
Текст из файла (страница 2)
II. Должностные обязанности
Начальник пункта технического обслуживания автотранспорта:
2.1. Руководит работами по выполнению осмотра и ремонта на пункте технического обслуживания автотранспортных средств ремонтно-смотровыми бригадами (группами).
2.2. Контролирует качество выполнения ремонта автотранспортных средств, их узлов и деталей в соответствии с установленной технологией и в установленные сроки.
2.3. Участвует в разработке мероприятий и предложений по улучшению качества ремонта автотранспортных средств, их узлов и деталей, а также совершенствованию технологических процессов.
2.4. Контролирует наличие и использование запасных частей, деталей и обеспечивает своевременное их пополнение.
2.5. Обеспечивает нормальное функционирование системы воздухопроводов, освещенности рабочих мест, подъемных механизмов и другого оборудования и механизмов.
2.6. Создает нормальные условия труда рабочих.
2.7. Изучает, распространяет и внедряет передовые методы и приемы труда, рационализаторские и изобретательские предложения, направленные на улучшение ремонта автотранспорта.
2.8. Проводит инструктаж по технике безопасности, участвует в расследовании причин производственного травматизма.
2.9. Организует обучение, периодическую проверку знаний должностных инструкций, правил техники безопасности и технологии производства работ.
2.10. Контролирует соблюдение работниками правил и норм охраны труда и техники безопасности, производственной и трудовой дисциплины, правил внутреннего трудового распорядка.
2.11. Координирует работу работников пункта технического обслуживания автотранспортных средств, осуществляет подбор кадров рабочих, их расстановку и целесообразное использование.
2.12. Вносит предложения о присвоении в соответствии с Единым тарифно-квалификационным справочником работ и профессий рабочих разрядов квалификации рабочим.
2.13. Организует планирование, учет и составление отчетности о производственной деятельности пункта.
III. Права
Начальник пункта технического обслуживания вправе:
3.1. Знакомиться с проектами решений руководства предприятия, касающимися деятельности пункта технического обслуживания.
3.2. Осуществлять взаимодействие с руководителями всех (отдельных) структурных подразделений предприятия.
3.3. Подписывать и визировать документы в пределах своей компетенции.
3.4. Требовать от руководства предприятия оказания содействия в исполнении своих должностных обязанностей и прав.
IV. Ответственность
Начальник пункта технического обслуживания автотранспорта несет ответственность:
4.1. За ненадлежащее исполнение или неисполнение своих должностных обязанностей, предусмотренных настоящей должностной инструкцией, – в пределах, определенных трудовым законодательством Российской Федерации.
4.2. За правонарушения, совершенные в процессе осуществления своей деятельности, – в пределах, определенных административным, уголовным и гражданским законодательством Российской Федерации.
4.3. За причинение материального ущерба – в пределах, определенных трудовым и гражданским законодательством Российской Федерации.
3. Измерительные приборы для испытания двигателя ЯМЗ‑236М2
Испытания двигателей производят на специальных стендах. Стенд имеет приспособления для установки и закрепления на нем двигателя, тормозное устройство, которое предназначено для поглощения мощности, развиваемой двигателем, приспособления для питания двигателя, его охлаждения, отвода отработавших газов и органы управления двигателем. Кроме того, стенд оборудуется измерительными приборами.
Фундамент и установка двигателя. Приспособление для установки двигателя и тормозное устройство размещены на фундаменте. Фундамент должен обеспечивать надежное закрепление двигателя и уменьшать до допустимых пределов передачу вибраций на соседние с фундаментом установки и стены здания. Фундамент представляет собой массивную чугунную плиту, заделанную в бетонном основании. Верхняя плоскость плиты имеет пазы, в которые вводят головки анкерных болтов крепления универсальных стоек. Стойка имеет суппорт, который может вертикально перемещаться в основании стойки. Двигатель закрепляют или на суппортах стоек, или на промежуточной балке. На таком стенде можно установить любой автомобильный двигатель, поэтому стенд называется универсальным.
Тормозная установка. Эффективная мощность, развиваемая двигателем, при стендовых испытаниях поглощается тормозом. Для того чтобы определить мощность, развиваемую двигателем, необходимо измерить крутящий момент и соответствующую частоту вращения коленчатого вала. Для измерения крутящего момента тормоз снабжается весами. Частоту вращения измеряют тахометром.
Тормоз должен обеспечивать поглощение эффективной мощности во всем диапазоне скоростных и нагрузочных режимов, в которых работает испытуемый двигатель, стабильность торможения, т.е. поддержание постоянного тормозного момента в течение длительного времени, устойчивость торможения, т.е. сохранение неизменного скоростного режима при случайных изменениях нагрузки двигателя, возможность принудительного провертывания коленчатого вала двигателя. Желательно, чтобы энергия, поглощаемая тормозом, полезно использовалась.
В настоящее время применяют гидравлические, электрические и индукторные тормоза.
Гидравлические тормоза проще, имеют меньшую стоимость и используются в тех случаях, когда не требуется принудительного провертывания коленчатого вала двигателя. Мощность двигателя, поглощаемая гидравлическим тормозом, затрачивается на совершение гидродинамической работы и на трение ротора тормоза о жидкость. Схема гидравлического тормоза представлена на рис. 1.
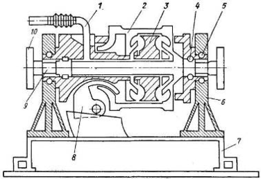
Рис. 1. Схема гидравлического тормоза
Наибольшее распространение получили гидравлические тормоза лопастного и штифтового типов. Лопастной тормоз состоит из статора 3 и ротора 2, вал 9 которого вращается в подшипниках 4, и через фланец 10 и карданный вал соединен с коленчатым валом испытываемого двигателя. В статоре и роторе тормоза имеются карманы полуэллиптического сечения со специальными лопатками. Конструкция лопастного тормоза аналогична конструкции гидромуфты. Во время работы тормоза вся его внутренняя полость заполняется водой. Вода увлекается ротором и отбрасывается к периферии на внутренние стенки статора. Вследствие трения воды о стенки статора скорость ее уменьшается и вода вновь стекает к валу 9 тормоза – устанавливается циркуляция воды. Во внутреннее пространство тормоза вода поступает из водопровода 1 через отверстия, расположенные у вала ротора. Сливается через вентиль 8. Расход устанавливают таким, чтобы температура сливаемой воды была в пределах 50-75°С. Интенсивность торможения изменяют при помощи заслонок, устанавливаемых в зазор между статором и ротором.
Для того чтобы измерить момент, развиваемый двигателем, статор 3 тормоза устанавливают в стойках 6 не жестко, а на подшипниках 5, и он может поворачиваться (качаться) относительно оси ротора. Такая подвеска тормоза называется балансирной. Стойки 6 закреплены на плите основания 7 тормоза. Корпус статора соединен рычажным устройством с динамометром. При возникновении момента, который стремится повернуть статор, усилие передается на динамометр через рычаг.
В качестве электрического тормоза применяется электрическая машина, которая может работать и как генератор (когда она тормозит двигатель), и как электродвигатель (когда она провертывает коленчатый вал двигателя). При вращении якоря генератора, соединенного с коленчатым валом двигателя, вследствие взаимодействия магнитных полей, в статоре возникает момент, стремящийся повернуть его в сторону вращения якоря.
При провертывании коленчатого вала двигателя электрической машиной вследствие взаимодействия магнитных полей в ее статоре возникает реактивный момент. Он равен крутящему моменту, необходимому для провертывания коленчатого вала двигателя, и направлен в сторону, противоположную вращению якоря. Подвеска электрических тормозов, так же как и гидравлических, делается балансирной. Для того чтобы на весах можно было измерять момент, действующий на статор, то в одном, то в другом направлении, применяют реверсивную рычажную систему.
При испытании автомобильных двигателей широко применяются электротормоза постоянного тока, обычно называемые балансирными динамомашинами. Тормоза этого типа регулируют током возбуждения, вследствие чего обеспечиваются стабильность работы тормозной установки, точность измерений. Кроме того, можно легко автоматизировать испытания при проведении их по заданной программе. Электрическая энергия, вырабатываемая тормозом, поглощается в реостатах или передается в сеть. В последнем случае балансирная динамомашина с независимым возбуждением электрически связана с электродвигателем постоянного тока, механически соединенным с генератором переменного тока, подключаемым к сети. Обмотки возбуждения генератора и балансирной Динамомашины питаются от сети переменного тока через автотрансформаторы и специальные выпрямители. Такая схема обеспечивает простоту управления тормозом при испытаниях. Переход с моторного режима (при принудительном провертывании коленчатого вала двигателя) на генераторный (торможение двигателя) осуществляется автоматически при включении подачи топлива и зажигания испытуемого двигателя. Заданная частота вращения автоматически поддерживается независимо от изменений мощности испытуемого двигателя.
Область применения электротормозов постоянного тока ограничивается частотой вращения якоря и мощностью. Поэтому для испытаний быстроходных двигателей большой мощности и особо быстроходных двигателей (например, гоночных) применяют электротормоза переменного тока.
Все больше начинают распространяться индукторные тормоза, характеризующиеся высокой надежностью, большой энергоемкостью, меньшей стоимостью изготовления и эксплуатации и возможностью автоматизации испытаний по жестким программам.
Схема индукторного тормоза приведена на рис. 2.
В статор 1 вмонтирована катушка возбуждения 2. Ротор 3 представляет собой диск или барабан с зубьями прямоугольной формы. Вал 9 ротора через фланец 6 и карданный вал соединяется с коленчатым валом испытуемого двигателя. Катушка возбуждения 2 создает магнитный поток, имеющий наибольшее значение в местах расположения зубьев ротора. Во время вращения ротора отдельные участки статора последовательно намагничиваются и размагничиваются. Вследствие этого возникают вихревые токи. При взаимодействии основного магнитного поля с магнитным полем вихревых токов создается сопротивление вращению ротора. Вихревые токи нагревают статор. Для отвода тепла статор охлаждается водой, подводимой по трубопроводам 5 в систему охлаждения 4. В некоторых конструкциях охлаждающая вода подводится в полость между статором и ротором. В этом случае вода обеспечивает дополнительный тормозной эффект. Статор тормоза имеет балансирную подвеску на стойках 8, установленных на основании 7.
Рис. 2. Схема индукторного тормоза
Индукторный тормоз регулируют путем изменения силы тока возбуждения. Мощность возбуждения для индукторных тормозов значительно меньше, чем для любой другой электрической машины. Это упрощает автоматизацию испытательных стендов, оборудованных индукторными тормозами.
Недостатками индукторных тормозов является невозможность принудительного вращения коленчатого вала испытуемого двигателя и рекуперации поглощаемой тормозом энергии. Для устранения первого недостатка последовательно с тормозом включается электродвигатель переменного тока или небольшая балансирная динамомашина постоянного тока.
Для того чтобы провести испытания двигателя и определить его показатели на всех возможных режимах работы, необходимо так подобрать тормоз, чтобы он по показателям соответствовал данному двигателю. Соответствие тормоза двигателю устанавливают путем совмещения известной или предполагаемой скоростной характеристики двигателя и внешней характеристики тормоза.
Внешняя характеристика электрического тормоза (рис. 3) постоянного тока дает представление о предельных возможностях тормоза, определяемых максимально Допустимой силой тока обмотки, максимально допустимой мощностью электрической машины и максимальным напряжением. Линия 0–1 соответствует мощности, поглощаемой при полной нагрузке тормоза. Характер протекания этой линии определяется типом тормоза.
Рис. 4. Внешняя характеристика электрического тормоза
В точке 1 достигается максимальный тормозной момент (допускаемый прочностью вращающихся частей тормоза). При дальнейшем возрастании частоты вращения поглощаемая тормозом мощность увеличивается по прямой 1-2, т.е. при постоянном максимальном крутящем моменте. В точке 2 достигается максимально допустимая по нагреву обмоток мощность тормоза (или воды в гидравлическом тормозе). Линия 2-3 характеризует максимальную мощность тормоза по условию предельного нагрева обмоток. Торможение по прямой 2-3 возможно при разгрузке тормоза и соответствующем уменьшении крутящего момента. Прямая 3-4 определяется напряжением от действия центробежных сил и показывает, до каких пределов можно увеличивать частоту вращения ротора. Линия 0-4 соответствует минимальной мощности тормоза при полной его разгрузке (или отсутствии воды в гидравлическом тормозе).















