147048 (691751)
Текст из файла
Федеральное агентство железнодорожного транспорта.
Иркутский государственный университет путей сообщения
Кафедра: ЭЖТ
Курсовой проект
по дисциплине Релейная защита
Выполнил:
Проверил:
.
Иркутск 2009 г.
Содержание
Введение
Исходные данные
1. Защита фидеров контактной сети тяговой подстанции и поста секционирования
1.1 Комплект защиты фидера тяговой подстанции переменного тока
1.2 Комплект защиты фидера поста секционирования (УЭЗФП)
2. Расчёт уставок электронной защиты фидеров подстанции
2.1 Ненаправленная дистанционная защита ДС1
2.2 Ускоренная токовая отсечка (УТО).
2.3 Вторая ступень дистанционная направленная защита ДС2
2.4 Представление результатов расчета электронной защиты фидера тяговой подстанции
3. Расчёт уставок защиты фидера поста секционирования
3.1 Ненаправленная дистанционная защита второй ступени ДС2
3.2 Представление результатов расчёта электронной защиты поста секционирования
Список литературы
Введение
Тяговые подстанции электрифицированных железных дорог Р.Ф. предназначены для комплексного энергоснабжения электрической тяги переменного или постоянного тока тяговых железнодорожных, не тяговых железнодорожных, промышленных, сельскохозяйственных и других потребителей.
Тяговые подстанции различают по следующим признакам:
1. по системе электрической тяги: тяговые подстанции переменного постоянного тока, стыковые;
2. по схеме подключения к питающей энергосистеме и величине питающего напряжения: опорные и промежуточные 110, 150 или 220кВ, подстанции 35, 10 или 6 кВ;
3. по совмещению с другими устройствами электроснабжения: совмещенные и не совмещенные с дежурными пунктами дистанции контактной сети; если распределительное устройство для питания электрической тяги размещено на территории подстанции энергосистемы, то такая подстанция называется тяговой подстанцией, совмещенной с районной подстанцией энергосистемы;
3.1 по наличию телеуправления: телеуправляемые и не телеуправляемые;
3.2 по способу обслуживания: с постоянным дежурным персоналом, с дежурством на дому и без дежурного персонала.
Кроме того подстанции, исходя из особенностей их конструкции или оборудования, подразделяют: на стационарные или передвижные; с каркасно - панельным, блочным, кирпичным зданием или комплектным блочным зданием заводского изготовления; с оперативным постоянным или переменным током; с подъездным железнодорожным путем или без него и т.п.
Тяговые подстанции постоянного тока также различают по типам установленных преобразовательных агрегатов: подстанции с выпрямительными или выпрямительно-инверторными агрегатами, с двойной или одинарной трансформацией.
Электрифицированная железная дорога является потребителем 1-й категории, нарушение электроснабжения которого может принести значительный ущерб. Поэтому схемы питания тяговых подстанций от энергосистем должны обеспечивать высокую надежность и бесперебойность электроснабжения.
Контактная сеть не имеет резерва, поэтому должна иметь высокую степень защиты от токов короткого замыкания и грозовых перенапряжений.
Защита фидеров контактной сети от грозовых перенапряжений осуществляется, как правило, разрядными устройствами.
Защита от токов короткого замыкания осуществляется с помощью селективных защит. Особенностью режима работы фидеров контактной сети переменного тока является, как правило, соизмеримость максимальных токов нагрузки с минимальными токами короткого замыкания. Так как в этих случаях максимальные токовые защиты не могут обеспечить селективной работы, то для защиты фидеров контактной сети применяют дистанционные защиты, срабатывание которых зависит как от отношения напряжения в месте установки защиты к величине протекающего тока, так и угла сдвига между напряжением и током.
Для повышения надежности электроснабжения на фидерах контактной сети тяговых подстанций и постов секционирования применяют однократное автоматическое повторное включение (АПВ).
В настоящее время на электрифицированных участках переменного тока применяется электронная защита фидеров контактной сети, которая была разработана ВНИИЖТом. Защита фидеров контактной сети может быть дополнена телеблокировкой.
Электронная защита фидеров контактной сети переменного тока имеется в двух исполнениях: УЭЗФТ - для использования на тяговых подстанциях и УЭЗФП - для постов секционирования. В качестве измерительных и пусковых органов в них используются типовые полупроводниковые элементы.
Исходные данные
Фидера подстанции и поста секционирования, защита которых подлежит расчёту (рис.1) - В1В3.
Расстояние между подстанциями А и Б - l = 50 км.
Тип контактной подвески - ПБСМ 1-95 + МФ 100.
Тип рельсов - Р50.
Максимальный ток нагрузки фидера подстанции - 450А.
Максимальный ток нагрузки фидера поста секционирования - 200А.
Пост секционирования находится посередине между подстанциями А и Б.
На подстанциях и посту секционирования установлены масляные выключатели типа ВМК-27,5.
Коэффициент мощности тяговой нагрузки cos φн = 0,85.
При расчёте вторичных параметров защит считаем, что на фидерах подстанции установлены трансформаторы тока 1000/5, а на посту секционирования - 600/5. Трансформаторы напряжения на подстанциях и посту секционирования - 27500/100.
Мощность к. з. на шинах 110кв подстанций А и Б, МВ А ( в числителе в режиме максимума энергосистемы, в знаменателе - в режиме минимума) - 700/500.
Тип, мощность и напряжения понижающих трансформаторов на подстанциях А и Б - ТДТНЭ25000/110-69 115/27,5/11.
Тип подвески - ПБСМ 1-95 + МФ-100.
Активное сопротивление 1км контактной подвески r1кс=0,159ом/км;
Реактивное сопротивление 1км контактной подвески одного пути двухпутного участка x1кс=0,276ом/км; двух путей двухпутного участка при параллельном соединении подвесок r2кс=0,169ом/км;
Тип рельса Р 50.
Активное сопротивление 1км рельсовых путей двухпутного участка r2p=0,065ом/км;
Реактивное сопротивление 1км рельсовых путей двухпутного участка x2рэ=0,180ом/км;
1. Защита фидеров контактной сети тяговой подстанции и поста секционирования
Рис.1.1 - График селективности защит (а - для выключателя Q1 фидера ТП; б - для выключателя Q3 фидера ПС).
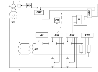
1.1 Комплект защиты фидера тяговой подстанции переменного тока
Структурная схема этого комплекта приведена на рис.1.1.2 Как видно из рис.1.1.2 защита является двухступенчатой.
Первая ступень защиты - ненаправленная дистанционная защита ДС1-
отключает без выдержки времени К.З. в пределах 80-85% ( 50% при наличии телеблокировки) зоны подстанция - пост секционирования. Характеристикой первой ступени является окружность радиусом, равным сопротивлению срабатывания первой ступени и с центром в начале координат комплексной плоскости сопротивлений.
Для исключения ложных действий первой ступени защиты из-за значительного снижения напряжения при К.З. на смежном пути предусмотрен автоматический перевод датчика ДС1 в режим датчика тока. В этих случаях, т.е. при значительном снижении напряжения, поступающего от трансформатора напряжения, ток в схеме ДС1 определяется стабилизированным напряжением Uст, в связи с чем ДС1 превращается в датчик тока.
Так как первая ступень защиты имеет собственное время срабатывания 30-60 мс, то с целью уменьшения времени отключения К.З., сопровождающихся большим током, дополнительно применена ещё ускоренная токовая отсечка (УТО), имеющая собственное время срабатывания 5-10 мс.
Вторая ступень защиты (рис.1.1), защищая зону до шин смежной подстанции, представляет собой дистанционную направленную защиту с выдержкой времени 0,4-0,5 с. В этой ступени используется датчик полного сопротивления ДС2 с круговой характеристикой радиусом, равным сопротивлению срабатывания второй ступени, и фазовый орган ФТН, который обеспечивает срабатывание второй ступени в заданном диапазоне углов (45-95°). Таким образом, характеристика второй ступени представляет собой сектор с центром в начале координат.
Общая характеристика электронной защиты фидера подстанции получается путём наложения характеристик первой и второй ступени, т.е. является комбинированной, образуя так называемую "замочную скважину".
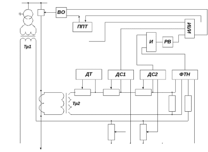
1.2 Комплект защиты фидера поста секционирования (УЭЗФП)
Структурная схема этого комплекта приведена на рис.1.2, из которого видно, что защита также является двухступенчатой.
Рис.1.2. Структурная схема комплекта защит (УЭЗФП).
Рис.1.2.1 - Схема полупроводниковой защиты фидера поста секционирования
Защита фидера контактной сети поста секционирования также является двухступенчатой
Первая ступень защиты - дистанционная направленная защита, отключающая без выдержки времени К.З. в пределах 80-85% (50% с телеблокировкой) зоны пост секционирования - подстанция. Эта ступень включает в себя датчик полного сопротивления ДС1 с круговой характеристикой и фазовый орган ФТН, обеспечивающий срабатывание первой ступени в диапазоне углов 45-95°. Характеристика первой ступени представляет собой сектор с центром в начале координат комплексной плоскости сопротивлений.
Первая ступень защиты имеет "мёртвую зону" при К.З. вблизи поста секционирования. В этом случае значительно понижается напряжение на его шинах, которое становится недостаточным для срабатывания датчика ДС1.
В связи с этим первая ступень включает в себя также ускоренную токовую отсечку (УТО), которая является основной защитой при К.З. в пределах "мёртвой зоны". Характеристикой УТО является окружность с центром в начале координат комплексной плоскости сопротивлений.
Вторая ступень защиты - дистанционная ненаправленная защита ДС2- отключает с выдержкой времени 0,4-0,5с.К.З. в зоне, где не работает первая ступень защиты, а также осуществляет её резервирование в зоне работы первой ступени.
Таким образом, защита второй ступени ДС2 распространяется на весь участок поста секционирования и подстанцией, являясь при этом основной для участков, находящихся между концом первой ступени и шинами смежной подстанции.
Характеристика второй ступени защиты на комплексной плоскости сопротивлений имеет вид окружности, центр которой совпадает с началом осей координат.
При снижении напряжения на шинах поста секционирования ненаправленная дистанционная защита ДС2 автоматически переводится в режим токовой отсечки без выдержки времени, резервируя также при этом "мёртвую зону" первой ступени ДС1.
Общая характеристика электронной защиты фидера поста секционирования получается путём наложения характеристик первой и второй ступеней и является комбинированной.
Общая характеристика электронной защиты фидера поста секционирования получается путем наложения характеристик первой и второй ступеней, т.е. является комбинированной.
Диапазон уставок по сопротивлению:
ненаправленная дистанционная защита - 5-58 Ом
направленная дистанционная зашита - 6,8-63 Ом
Диапазон срабатывания по углу сдвига фаз направленных защит от 45-1+5 до 95-5+20
Диапазон уставок по току:
Дистанционные защиты 1 ступени - 1,7-20 А;
Дистанционные защиты 2 ступени - 1,6 - 15 А;
Ускоренные токовые отсечки - 1,8-25 А.
На основании вышерассмотренных общих сведений о защитах фидеров контактной сети тяговой подстанции и поста секционирования необходимо составить их функциональные схемы. Эти схемы должны содержать силовую коммутационную аппаратуру, трансформаторы тока и напряжения с промежуточными трансформаторами, измерительные, логические и выходные органы.
2. Расчёт уставок электронной защиты фидеров подстанции
2.1 Ненаправленная дистанционная защита ДС1
Первичное сопротивление срабатывания первой ступени- ДС1- определяется исходя из условия отстройки от К.З. на шинах поста секционирования:
Zсэ1=котс*| Zвх1 | = 0.8*12,7*ej*63.84=10,16*ej*63.84,
Характеристики
Тип файла документ
Документы такого типа открываются такими программами, как Microsoft Office Word на компьютерах Windows, Apple Pages на компьютерах Mac, Open Office - бесплатная альтернатива на различных платформах, в том числе Linux. Наиболее простым и современным решением будут Google документы, так как открываются онлайн без скачивания прямо в браузере на любой платформе. Существуют российские качественные аналоги, например от Яндекса.
Будьте внимательны на мобильных устройствах, так как там используются упрощённый функционал даже в официальном приложении от Microsoft, поэтому для просмотра скачивайте PDF-версию. А если нужно редактировать файл, то используйте оригинальный файл.
Файлы такого типа обычно разбиты на страницы, а текст может быть форматированным (жирный, курсив, выбор шрифта, таблицы и т.п.), а также в него можно добавлять изображения. Формат идеально подходит для рефератов, докладов и РПЗ курсовых проектов, которые необходимо распечатать. Кстати перед печатью также сохраняйте файл в PDF, так как принтер может начудить со шрифтами.















