126295 (690998), страница 3
Текст из файла (страница 3)
4. Закрепить двигатель винтами поз.13.
5. Зубчатое колесо поз.9 закрепить на валу поз.8 штифтом поз.19. Установить в шарикоподшипник поз.17.
6. Валы-шестерни поз.1, 2, 3, 4, 5 установить в опоры скольжения корпуса поз.11.
7. Установить крышку поз12 и прикрутить ее винтами поз.15 и штифтами поз.20.
Заключение
В курсовом проекте спроектирован редуктор программного механизма.
Все требования удовлетворены, и поставленные задачи выполнены. Достигнута необходимая точность работы устройства. В конструкции имеются унифицированные детали. Использованы типовые методы и технологии. Расчёты и чертежи выполнены при помощи компьютерных программ.
В ходе выполнения курсового проекта я научилась основам конструкторского дела, приобрела, навыки и знания правил, методов проектирования на примере проектирования шестиступенчатого цилиндрического редуктора.
Подводя итоги, можно сказать, расчеты передач по таким критериям, как технологичность изготовления, габаритные размеры, экономичность, удобство сборки и монтажа, дает возможность принять оптимальное решение при выборе двигателя и разработке конструкции.
Спроектированный редуктор может производиться в серийном производстве, и применятся в самолётостроении, ракетостроении и в военной промышленности.
Список использованных источников
1. Гурин Л.Б., Нестеренко Т.Г., Плотников И.А. Основы конструирования механизмов приборных систем: Учебное пособие. Ч.3.-Томск: Изд-во ТПУ,2003.-103 с.
2. Дмитриев В.С., Костюченко Т.Г., Слащев И.В. Курсовое проектирование приборных редукторов. Справочное учебное пособие. – Томск: Изд. ТПУ, 2002. -228 с.
3. Элементы приборных устройств: Курсовое проектирование. Учебное пособие для вузов в 2-х ч. Ч.2. Конструирование/ Н.П. Нестерова, А.П. Коваленко, О.Ф. Тищенко и др.; под ред. О.Ф. Тищенко. - М.: Высшая школа, 1978.-232 с.
4. Справочник по электрическим машинам: в 2т. Т.2./ Под общей ред. И.П. Копылова, Б.К. Клокова. – М.: Энергоатомиздат, 1989.-688с.
5. http://standard.tpu.ru СТП ТПУ 2.501-2006. Работы выпускные квалификационные, проекты и работы курсовые. Общие требования и правила оформления.
6. Справочник конструктора точного приборостроения/ Под ред. П.И. Явленского и др.-Л.: Машиностроение, 1989.-792 с.
7. Основы проектирования приборов и систем: Рабочая программа, метод. указания и контрольные задания для студентов спец. 200101 «Приборостроение» и 200106 2Информационно- измерительная техника и технологии» ИДО / Сост. Л.Б. Гурин. –Томск: Изд. ТПУ, 2005.- 19 с.
8. Единая система конструкторской документации. Справочное пособие/ С.С. Брушек, А.А. Волков и др.- М.: Изд-во стандартов 1989. -352 с.
9. ГОСТ 2.301-68-ГОСТ 2.320-68 ЕСКД. Общие правила выполнения чертежей.
10. ГОСТ 2.105-95 ЕСКД. Общие требования к текстовым документам.
11. Ванторин В.Д. Механизмы приборных и вычислительных систем: Учебное пособие для приборостроит. спец. вузов.-М.:Высшая школа, 1985.
Приложение А
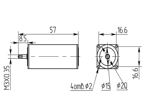
Габаритные и установочные размеры двигателя ДПР-32-Ф5
Размещено на Allbest.ru
35















