126198 (690958)
Текст из файла
Размещено на http://www.allbest.ru/
-
Опишите классификацию швейных машин
швейный оверлок игла нитеперетягиватель
Среди новинок в области этого производства можно выделить: вышивальные швейные машины, компьютерные швейные машины, вязальные машины, оверлок. Вышивальные швейные машины предназначены для вышивки на одежде и прочих изделиях, как искусственных, так и натуральных. С их помощью на ткань можно наносить всевозможные рисунки любой сложности, размера, цветовой гаммы. Компьютерные швейные машины значительно "умнее" обычных машин. Отличаются ЖК дисплеем, программируемым положением иглы в конце шитья. Способны выполнять в среднем 55-70 операций (в зависимости от производителя, целей использования и т.п.) Машины имеют небольшой вес и размер, однако это значительно затрудняет работу с большими вещами. Вязальные машины служат для создания вязаных вещей. Оверлоки – для обметывания краев изделий. Основное предназначение - обрезка и обработка краёв ткани при шитье изделий из сыпучих тканей. В настоящее время швейные машины используются не только в производстве, но и в быту, то есть для личного пользования. Бытовые швейные машинки отличаются легкостью, относительно небольшим размером, практичностью.
Технологическая классификация швейных машин
-
По назначению:
- машины стачивающие прямострочные;
- машины стачивающие зигзагообразные;
- машины стачивающие – обметочные;
- машины для выполнения потайных строчек;
- полуавтоматы для изготовления петель;
- полуавтоматы для пришивания пуговиц;
- полуавтоматы для изготовления закрепок (короткошовные);
- полуавтоматы длиношовные;
- полуавтоматы вышивальные и отделочные;
Конструкторская классификация швейных машин
-
По виду стежка:
- челночные;
- цепные;
-
По форме строчки:
- промострочные;
- зигзаг;
- со сложной строчкой;
-
По числу игл:
- одноигольные;
- двухигольные;
- трехигольные;
- многоигольные (при числе игл более трех);
-
По направлению рукава:
- праворукавные;
- леворукавные;
- фронтальные;
-
По виду платформы:
- с плоской;
- с цилиндрической;
- со сложной;
-
По виду смазки:
- с индивидуальной;
- с централизованной;
- со смешанной;
-
По признаку специализации:
- универсальные;
- специализированные;
- специальные;
-
По наличию автоматизации:
- машины неавтоматизированные;
- машины автоматизированные;
- машины полуавтоматы;
- машины автоматы;
-
По скоростным характеристикам:
- низкоскоростные (частота вращений главного вала до 2500 мин-1);
- среднескоростные (2500…5000 мин-1);
- высокоскоростные (свыше 5000 мин-1).
-
Составьте кинематическую схему механизма иглы машины 97 – А класса ПО "Промшвеймаш" г. Орша, опишите устройство и регулировки механизма
Высокоскоростная машина 97 – А кл. Оршанского завода "Легмаш" предназначена для стачивания тканей бельевой и костюмной групп из натуральных и искусственных волокон двухниточным челночным стежком.
Машина создана на базе машины 97 кл. и отличается от нее изменой конструкцией механизмов нитеперетягивателя и двигателя ткани. Кроме того, в машине смонтирован сдвоенный шиберный насос, обеспечивающий принудительную подачу масла к трущимся деталям основных механизмов машины с одновременным удалением накапливающего масла из передней части головки машины в поддон.
Техническая характеристика машины
-
Частота вращения главного вала, об/мин – 5 500.
-
Длина стежка, мм:
-
в прямом направлении до 4,5
-
в обратном направлении до 3,5.
-
Высота подъема лапки над уровнем игольной пластины, мм – до 6.
Максимальная толщина сшиваемых материалов, мм – 4.
Иглы – тип 3, группа В, №№ 75, 90, 100, 110, 120 (ГОСТ 7322 – 55).
Нитки:
-
хлопчатобумажные в шесть сложений:
-
8,5 текс×3×2 (№ 118/3/2);
-
5,9 текс×3×2 (№ 170/3/2) ГОСТ 6309 – 73.
-
-
шелковые:
-
3,2 текс×6 (№ 310/6);
-
3,2 текс×12 (№310/12) ГОСТ 10878 – 70.
-
Электродвигатель:
-
напряжение, В – 220/380;
-
мощность кВт – 0,27; 0,4.
частота вращения вала, об/мин – 2800.
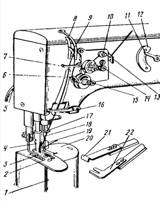
Рис. 1. Конструктивно-кинематическая схема иглы и нитеперетягивателя машины 97-А класса.
1 – игла; 2 – игловодитель; 3 – стягивающий винт; 4 – соединительная шпулька с хомутиком; 5 – нитеперетягиватель; 6 – палец; 7 – кривошип; 8 – шатун; 9 – сухарь; 10 – направляющая; 11 – два винта; 12 – накладка; 13 – главный вал.
Конструктивно – кинематическая схема машины показана на рис. 1а. Главный вал расположен в шариковых подшипниках и вращается в направлении от работающего. Положение подшипников фиксируют разъемными пружинами кольцами, вставленными в кольцевые выточки обоймы подшипников.
Ступицы махового колеса и кривошипа упираются в торцы внутренних колец подшипников. Такое устройство исключает осевое перемещение главного вала.
Механизм иглы
Механизм иглы (рис.1б) кривошипно-шатунный. Кривошип 7 закреплен на переднем конце главного вала 13 стопорным винтом. Кривошип имеет утолщенную часть – противовес, необходимый для динамического уравновешивания масс движущихся звеньев механизмов машины.
В отверстии кривошипа стопорным и упорным винтами закреплен палец 6. На палец надета верхняя головка шатуна 8 с разрешенным в ней игольчатым подшипником. В нижнюю головку этого шатуна вставлена соединительная шпилька с хомутиком 4, через отверстие которого пропущен игловодитель 2 и закреплен стягивающим винтом 3. На конец шпильки надет сухарь, движущийся по направляющей 10, закрепленной в головке машины двумя винтами.
Игловодитель выполнен полым. Он перемещается в двух направляющих втулках. Нижняя втулка удлиненная. Такая конструкция механизма исключает поворот игловодителя вокруг своей оси и уменьшает изгибающие усилия, передаваемые от шатуна игловодителю, что необходимо при работе машины на повышенных скоростях.
Иглу 1 устанавливают в игловодителе коротким желобком в сторону носика челнока (вправо) до упора и закрепляют винтом. Для обеспечения правильного взаимодействия иглы с челноком механизм иглы имеет регулировку, допускающую изменение положения игловодителя вверх или вниз в хомутике 4 при ослабленном винте 3.
-
Дайте характеристику машины 862 кл. ПО "Подольскшвеймаш"
Одноигольная промышленная швейная машина 862 кл. Подольского механического завода им. Калинина предназначена для пошива мужских и женских пальто и спецодежды беспосадочной двухниточной челночной строчкой.
Машина снабжена равномерно вращающимся челноком с вертикальной осью вращения. Продвижение материала осуществляется совместным движением зубчатой рейки и иглы, качающейся вдоль линии строчки. Нитеперетягиватель шарнирного типа.
В машине на нижнем распределительном валу установлен шиберный насос. В процессе работы машины шиберный насос через распределитель подает смазку на все основные трущиеся поверхности механизмов. Машина снабжена встроенной в рукав моталкой, которая необходима для намотки нитки на шпульку.
Технологическая характеристика машины
-
Частота вращения главного вала, об/мин:
- при работе нитками правой крутки Z – 4500
- при работе нитками левой крутки S – 4000
-
Длина стежка, мм – до 4,5
-
Максимальная толщина стачиваемых материалов в сжатом состоянии под лапкой, мм – 6
-
Высота подъема лапки над уровнем игольной пластины, мм – 9
-
Иглы – тип 3, группа И, № 100, 110, 120, 130, 150 (ГОСТ 7322 – 55)
-
Нитки:
- хлопчатобумажные матовые в шесть сложений – 11 текс×3×2 (№90, 9/3/2) – 6,7 текс ×3×2 (№149/3/2) ГОСТ 6309 – 73
- шелковые – 3,2 текс×12 (№310/12) ГОСТ 10878 – 70
-
Габарит машины, мм – 1250×650×1400
-
Электродвигатель асинхронный:
- напряжение, В – 220/380
- мощность, кВт – 0,37
-
Рекомендуемые для стачивания ткани:
-
хлопчатобумажные и смешанные одежные – ГОСТ 12939 – 66
-
хлопчатобумажные плащевые – ГОСТ 9009 – 70
-
камвольные полушерстяные (смешанные) для мужских костюмов – ГОСТ 7290 – 65
-
грубошерстные и полугрубошерстные – ГОСТ 6621 – 72
-
тонкосуконные полушерстяные (смешанные) для мужских и женских пальто – ГОСТ 8293 – 64
-
Машина создана на базе машины 852 кл. и отличается отсутствием одной иглы и челнока. Применение машины при стачивании боковых срезов деталей мужского пальто из основной ткани позволяет сократить время операции на 11,6 с. Внедрение машины увеличивает производительность труда и дает экономическую эффективность.
-
Дайте характеристику машины 335 – 121 фирмы "Минерва"
Машина 335 – 121 кл. фирмы "Минерва" предназначена для стачивания средних и толстых тканей зигзагообразной строчкой двухниточным челночным стежком.
Привод машины от электродвигателя через фрикцион. Главный вал расположен в двух подшипниках качения. Нитеперетягиватель шарнирно-рычажный. Игла совершает движения двух видов: поступательные движения она получает от кривошипно-шатунного механизма, колебательные поперек строчки (вдоль платформы машины) – от механизма отклонения иглы.
Вращение от главного вала на промежуточный передается через зубчатую ременную передачу (i = 1:1). Челнок получает равномерно-вращательные движения от челночного вала, расположенного поперек платформы, с передаточным отношением i = 1:2. Размер челнока по сравнению с размером челнока машины 97 кл. увеличен, что позволяет увеличить длину наматываемых на шпульку ниток до 80%. Механизм двигателя ткани реечного типа.
Управление обратным ходом рейки производится вручную с помощью рычага, расположенного на стойке рукава машины. Основные узлы нагруженных механизмов смонтированы в игольчатых подшипниках. Смазка механизмов централизованная фитильная.
Техническая характеристика машины
-
Частота вращения главного вала, об/мин – 4000
-
Длин стежка в обоих направлениях, мм – до 5
-
Ширина зигзага, мм – до 10
-
Высота подъема лапки над уровнем игольной пластины, мм – 7
-
Иглы – тип 135, № 100, 110, 120, 130
-
Нитки хлопчатобумажные – 8,5 текс×3×2 (№ 118/3/2) – 6,7 текс×3×2 (№ 149/3/2).ГОСТ 6309 – 73
-
Вылет рукава, мм – 260
-
Масса головки, кг – 35
-
Электродвигатель:
-
Мощность, кВт – 0,4 и 8.
-
Частота вращения вала двигателя, об/мин - 2870
-
-
Дайте характеристику машины 302 – 1 кл. ПО "Подольскшвеймаш"
Машина выпускается Подольским механическим заводом им. М. И. Калинина и предназначены для втачивания рукава в пройму однолинейной строчкой челночного переплетения с посадкой материала рукава (тип 301). Машина 302-1 кл. применяется для обработки изделий из материалов костюмной группы.
Техническая характеристика машины 302-1 кл.
-
Частота вращения главного вала, об/мин – 2000
-
Длина стежка, мм – 1,8 – 4,5
-
Высота подъема лапки над уровнем игольной пластины, мм – 9
-
Максимальная толщина стачиваемых тканей, мм:
-
В сжатом состоянии – 3
-
С местными утолщениями – 4
-
Иглы – тип 3, группа И, № 90, 100, 110, 120 (ГОСТ 7322 – 55)
Нитки ГОСТ 10878 – 70:
-
Хлопчатобумажные в шесть сложений – 8,6 текс×6 (№116/6); 7,5 текс×6 (№ 133/6); 6,7 текс×6 (№ 150/6);
-
Шелковые – 3,2 текс×12 (№ 310/12)
-
Лавсановые – 11,1 текс×3 (№ 90/3)
Вылет рукава, мм – 252
Масса головки машины, кг – 36
Величина посадки верхнего слоя ткани при длине стежка в 2,5 мм, % - 25
Мощность электродвигателя, кВт – 0,27
Рис. 2. Заправка верхней нити в машинах 302-1, 302-2 кл.
Машины устанавливаются на специальном промышленном столе и для удобства выполнения операции имеют небольшие колонки 1 (рис. 2). Основным отличием этих машин от ранее рассмотренных является то, что они имеют два механизма перемещения материалов: нижнюю рейку 2 и верхнюю рейку 4. Поворотом рычага 5 вверх поднимают верхнюю рейку 4 и лапку 3;
Характеристики
Тип файла документ
Документы такого типа открываются такими программами, как Microsoft Office Word на компьютерах Windows, Apple Pages на компьютерах Mac, Open Office - бесплатная альтернатива на различных платформах, в том числе Linux. Наиболее простым и современным решением будут Google документы, так как открываются онлайн без скачивания прямо в браузере на любой платформе. Существуют российские качественные аналоги, например от Яндекса.
Будьте внимательны на мобильных устройствах, так как там используются упрощённый функционал даже в официальном приложении от Microsoft, поэтому для просмотра скачивайте PDF-версию. А если нужно редактировать файл, то используйте оригинальный файл.
Файлы такого типа обычно разбиты на страницы, а текст может быть форматированным (жирный, курсив, выбор шрифта, таблицы и т.п.), а также в него можно добавлять изображения. Формат идеально подходит для рефератов, докладов и РПЗ курсовых проектов, которые необходимо распечатать. Кстати перед печатью также сохраняйте файл в PDF, так как принтер может начудить со шрифтами.















