126164 (690935), страница 4
Текст из файла (страница 4)
2 — муфта гнучка,
3 — редуктор черв’ячний,
4 — передача ланцюгова,
5 — зірочка ведуча.
8. Розрахунок ланцюгової передачі
Виконаний у відповідності з методикою, яка викладена в главі 10 джерела [3].
Вихідні дані:
-
Частота обертання ведучої зірочки n1 = 19,4 об/хв.
-
Передаточне число u = 1,14.
-
Середній момент корисного опору на валу веденої зірочки, який рівний середньому моменту корисного опору на валу ведучої зірочки ланцюгового транспортера, Т2 = 3375 Нм.
-
Розташування лінії центрів передачі — під кутом 30о до горизонту.
-
Передача — відкрита, змащування постійне за допомогою крапельниці.
-
Натягування ланцюга за допомогою підпружиненого ролика, тобто автоматичне.
У відповідності з рекомендаціями [3] приймаємо число зубців зірочок:
ведучої Z1 = 29-2u=29–2х1,14=26,72, приймаємо Z1=27 i веденої Z2 = uZ1=1,14 х27=30,78. приймаємо Z2=31;
Визначаємо коефіцієнт експлуатації Ке, що враховує конкретні умови монтажа та експлуатації ланцюгової передачі за формулою:
Ке = К1 К2 К3 К4 К5 К6, (15)
де К1 — коефіцієнт, що враховує характер зміни навантаження; при постійному навантаженні, без різких коливань, що має місце в нашому випадку, К1 = 1,0;
К2 — коефіцієнт, що враховує вплив міжосьової відстані а; при а = (30...60) t (t — крок ланцюга), К2 = 1,0;
К3 — коефіцієнт, величина якого залежить від кута нахилу передачі до горизонту, якщо кут менше 60о (у нас 30о), то К3 = 1,0;
К4 — коефіцієнт, що враховує спосіб регулювання натягнення ланцюга, для автоматичного способу К4 = 1,0;
К5 — коефіцієнт, що враховує вплив способу змащення передачі, при крапельному змащуванні К5 = 1,2;
К6 — коефіцієнт змінності; так як коефіцієнт добового використання стрічкового транспортера по завданню Кдоб = 0,3, тобто одну зміну, то К6 = 1,0.
Тоді маємо
Ке =1х1х1х1х1,2х1 = 1,2
Середній момент корисного опору на валу ведучої зірочки Z1 при ККД ланцюгової передачі
ланц = 0,95
Т1 = 3375/1,14х0,95=3116,3 Нм
Визначаємо крок ланцюга типа ПР нормальної точності при розрахунковій довговічності 10000 годин, прийнявши орієнтовно за нормами DІN8195 допустимий середній тиск при швидкості ланцюга V
1 м/с [P] = 25 МПа, за наступною формулою:
t =
(16)
деТ1 = 3116,3 Нм = 3116,3 х103 Нмм,
Ке = 1,2;Z1 = 27;
[P] = 25 МПа (Н/мм2)
Після підстановки значень маємо
t = 46,38 мм
Приймаємо найближче стандартне значення t = 44,45 мм.
Визначаємо швидкість ланцюга
V = Z1 t n1/60000= 0,39 м/с
Перевіряємо розрахований тиск за формулою (16)
Р = 2,8³х Т1 Ке / Z1 t³ = 34,26 МПа
[P]=34,3 МПа
Умова Р
[P] виконана, тому строк служби ланцюга електроприводу 16820 годин
До встановлення приймаємо ланцюг привідний роликовий однорядний з кроком t = 44,45 мм, руйнуюче навантаження якої Fв = 172,4 кН, маса m = 7,5 кг/м. Умовне позначення ланцюга
Ланцюг ПР 44,450-17240 ГОСТ 13568-75.
Визначаємо геометричні параметри передачі:
Міжосьова відстань
а = 40t = 40х44,45 = 1778 мм,
число ланок ланцюга
Lt = 2а/t + 0,5(Z1 + Z2) = 2х40 + 0,5(27+31) = 109
розрахункова довжина ланцюга
L = Lt t = 109х44,45 = 4845 мм
Перевіряємо ланцюг на число ударів, використовуючи формулу:
W =
(17)
деZ1 = 27; n1 = 19,4об/хв; Lt = 109
Після підстановки значень отримуємо
W = 4х27х19,4/60х109=0,32 с-1
Допустиме значення
[W] = 508/t = 508/44,45 = 11,43 с-1,
умова W
[W] виконується.
Коефіцієнт запасу міцності ланцюга визначаємо за формулою:
S =
, (18)
де Fв — руйнуюче навантаження ланцюга 172400 Н,
Ft — колове зусилля на зірочці
Ft = 2Т1/ Z1 t= 16,3 кН;
Fц — навантаження від відцентрових сил
Fц = mV2 = 7,5х0,322 = 1,14 Н;
Ff — сила від провисання ланцюга
Ff = 9,81 Kf ma (тут Кf — коефіцієнт
4, m = 7,5 кг/м, а = 1,778 м)
Ff = 9,81х4х7,5х1,778
523,27 Н.
Після підстановки отриманих значень в формулу (18) маємо
S = 17240/(16300+1,14+523,27)= 10,24
При частоті обертання меншої зірочки n1
20 об/хв для ланцюга з кроком t = 44,45 мм нормативний коефіцієнт запасу міцності [S] = 7,6. Отже, умова S
[S] виконується.
9. Розрахунок імовірності безвідмовної роботи електропривода
Розрахунок виконано у відповідності з методикою, викладеною в главі 18 джерела [2].
Структурна схема електропривода разом з ведучою зірочкою ланцюгового транспортера показана на рис.10. Такий склад електропривода зв’язаний з тим, що ведена зірочка ланцюгової передачі насаджена на вал ведучої зірочки.
Розподіл імовірності безвідмовної роботи електроприводу експоненційне. По табл. 18.1 знаходимо середні величини параметрів потоку відмов на 105 годин роботи електроприводу:
-
асинхронний електродвигун
1 = 0,86; -
муфта гнучка
2 = 0,07; -
редуктор черв’ячний
3 = 0,02; -
передача ланцюгова
4 = 0,50; -
барабан ведучий
5 = 0,10.
Параметр потоку відмов всієї системи становить:
= (0,86 + 0,07 + 0,02 + 0,50 + 0,10)х10-5 = 1,55х10-5 1/г.
З урахуванням реальних умов експлуатації приймаємо по табл. 18.2 значення поправочного коефіцієнта інтенсивності відмов як для стаціонарного наземного пристрою
Кл = 10.
Тоді розрахункова середня величина параметра потока відмов буде рівна
=1,55х10-5х10 = 1,55х10-4 1/г.
Імовірність безвідмовної роботи електропривода на протязі 2000 годин, тобто на протязі
пів-року експлуатації (судячи по даному строку служби Lh = 8 років та машинному часу роботи електропривода стрічкового транспортера 16820 годин) складе
Р
(t) = exp (-
розр
t) = exp (-1,55х10-4х2000) = 0,73;
тобто на протязі пів-року експлуатації
кожний четвертий електропривід по тим чи іншим причинам буде відмовляти.
Середній час напрацювання на відмову для електроприводів розробленої конструкції складе:
Т0 =
= 6452 години
Підвищення показників надійності електроприводу може бути досягнено за рахунок застосування асинхронних електродвигунів змінного струму уніфікованої серії Інтерелектро — АИ2, а також передаточних механізмів — механічних редукторів сучасної конструкції.
| № | Електродвигун | Муфта | Редуктор | Ланцюгова передача | Рама |
| 1 | АИР132М4У3, Р=11,0кВт,n=1450 об/хв, Тп/Тн=2; Тм/Тн=2,2 mD2=0,04 кг м2 Габаритні розміри 538х302х350 m = 83,5 кг db=38мм,lb=80мм | МУВП 250-38-1.1-38-1.1 - У3 ГОСТ 21424-75 Т=250Нм,
mD2=0,054 кг м2 m= 18 кг | Ч320-80-51-1-2-Ц-У3 по ТУ2-056-1- 32-75; Т=6100 Нм;
Маса =780 кг Габ. розміри 590х490х875 мм Швидкохідний вал db=38 мм,lb=80 мм Тихохідний вал dm=120 мм,lm=170 мм Допустиме консольне навантаження на тихохідний вал 7000 Н | t = 44,45 мм Z1 = 27 Z2 = 29 iл = 1,06
m = 7,5 кг | 600х180х40 m= 16кг |
| 2 | АИР160S6У3, Р=11,0кВт,n=970 об/хв, Тп/Тн=2; Тм/Тн=2,7 mD2=0,12 кг м2 Габаритні.розміри 1312х648х760 m = 100 кг db=48мм,lb=110мм | МУВП 710-48-1.1- У3 ГОСТ 21424-75 Т=710 Нм,
mD2=0,32 кг м2 m= 25 кг | Ч250-50-51-1-2-Ц-У3 по ТУ2-056-1- 32-75; Т=4120 Нм;
Маса=400,0 кг Габ. розміри 480х415х705 мм Швидкохідний вал db=48 мм,lb=80мм Тихохідний вал dm=120 мм,lm=170 мм Допустиме консольне навантаження на тихохідний вал 7000 Н | t = 44,45 мм Z1= 27 Z2 = 31 iл = 1,14
m = 7,5 кг | 600х180х40 m= 16кг |
Література
-
Кацман М.М. Электрические машины и электропривод автоматических устройств. — М.: Высш. шк., 1987. — 335 с.
-
Приводы машин: Справочник /В.В. Длоугий, Т.И. Муха, А.П. Цупиков, Б.В. Януш; Под общ. ред. В.В. Длоугого. — 2-е изд., перераб. и доп. Л.: Машиностроение, Ленингр. отд., 1982. — 383 с.
-
Проектировние механических передач: Учебно-справочное пособие для втузов С.А. Чернавский, Г.А. Снесарев, Б.С. Козинцов и др. — 5-е изд., перераб и доп. — М.: Машиностроение, 1984. — 560 с.
-
Куликов А.А. Основы електропривода. — Киев, Вища школа, 1977. — 184 с.
-
Прикладная механика: Учеб. пособие для вузов /Рук.авт.кол.проф. К.И. Заблонский. — 2-е изд, перераб. и доп. — Киев: Вища школа. Головное изд-во, 1984. — 280 с.
-
Анурьев В.И. Справочник конструктора-машиностроителя. В трёх т. — 5-е изд., перераб. и доп. — М.: Машиностроение, 1979.—559 с. т.1 — 728 с., т.2 — 559 с., т.3 — 557 c.
-
Тарабасов Н.Д., Учаев П.Н.Проектирование деталей и узлов машиностроительных конструкций: Справочник. — М.: Машиностроение, 1983. — 239 с.
-
ГОСТ 16162-85 Редукторы общего назначения. Общие технические требования.
-
Павлище В.Т. Основи конструювання та розрахунок деталей машин. — Київ: Вища школа, 1993. — 556 с.
-
Цехнович Л.И., Петриченко И.Н. Атлас конструкций редукторов. Учебное пособие. 2-е издание переработанное и дополненное. — Киев, Высшая школа, 1990 — 151 с.
Додаток 1
Додаток до завдання на курсовий проект
Рис. 1. Кінематична схема ланцюгового транспортера
(без електроприводу та натяжного пристрою):
1 — зірочка приводна (ведуча),
2 — зірочка натяжна (холоста),
3 — ланцюг транспортера
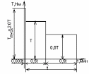
Рис. 2.Графіки навантаження:
(Т — діючий момент корисного опору,
t — тривалість циклу,
Тпуск — пусковий момент.
Тпуск = к*Т, де к = 2,0.















