126122 (690887), страница 3
Текст из файла (страница 3)
Особое значение в схеме управления имеет пневмораспределитель, монтируемый в центре стола и обеспечивающий автоматизацию срабатывания на зажим – разжим приспособлений, закрепленных на столе станка. Благодаря этому функция рабочего сводится к простой установке заготовки без ее крепления, а это сокращает вспомогательное время и способствует применению автоматического режима работы станка.
В конце работы, нажатием кнопки «Стоп» на пульте управления происходит выключение всех двигателей силовых головок, а также привода поворота стола.
-
. Расчетная часть
-
Выбор типа агрегатного приспособления
По заданию необходимо разработать агрегатное приспособление. Для данного случая это будет автоматизированное зажимное приспособление.
При обработке детали «Крышка» отверстия необходимо просверлить центрично относительно оси вращения. Наружный диаметр детали выполнен с достаточной точностью (170h8). Также необходимо избежать погрешности поворота детали по вертикальной оси. Таким образом, одна из поверхностей базирования будет нижняя поверхность крышки а вторая наружный диаметр 170 мм, а зажатие заготовки будет осуществляться сверху ближе к краю в четырех местах с помощью пневмоцилиндра.
-
Определение усилия зажима
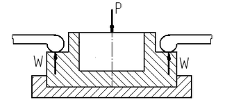
При сверлении отверстий, а так же во время выхода сверла за счет сил трения между сверлом и деталью, деталь подхватывается инструментом, поэтому заготовку необходимо зажимать. Таким образом, необходимо вычислить усилия зажима при максимальных осевых силах (Р0=2928Н). Эскиз зажима приведён на рисунке 8.
Рисунок 8 – Эскиз зажима заготовки
Заготовку с разных сторон прижимают четыре прижима. Усилие зажима, развиваемое на каждом прижиме, определяется по формуле:
W = P / (4 ∙ƒ), Н
где ƒ – коэффициент трения скольжения, возникающее между поверхностью заготовки и губкой. По справочнику [6] выбираем ƒ = 0,2.
Подставляем в формулу:
W =2928 / (4 * 0,2) = 3660 Н
Рц = W∙Kзп = 3660 ∙ 1,4 = 5125 Н
где Kзп – коэффициент запаса прочности.
-
Расчет диаметра поршня пневмоцилиндра
В качестве источника силы, обеспечивающего зажим, будет использоваться пневмоцилиндр.
Давление в гидроцилиндре, необходимое для получения необходимого усилия определяется по формуле:
ρ = Pц / F , Н/м2
где F – площадь цилиндра, м2.
F = π ∙ d2 / 4
Давление в промышленных пневмосистемах 6 атм. и выше (1атм. = 0.0980665 МПа)
Зная давление можно рассчитать площадь цилиндра и диаметр поршня.
Подставляем в формулу:
ρ ≈ 0,6 МПа F = 5125/0,6 = 8540 → d ≈ 105 мм
Чертёж общего вида агрегатного приспособления приведён в графической части на чертеже ТПЖА.413540.235 СБ.
Рисунок 9 – Приспособление зажимное агрегатное.
-
Определение длительности рабочего цикла на базе построения циклограммы работы агрегатного станка
По заданию длительность рабочего цикла определяется на базе построения циклограммы работы спроектированного оборудования. Для этого нужно знать длительность рабочего цикла каждой головки, а так же время поворота на одну позицию поворотного стола.
Длительность рабочего цикла определяется по формуле:
Тц = tо + tв, с
где tо – основное (машинное) время обработки данной детали, с;
tв – вспомогательное не перекрываемое время, с.
Для определения основного времени необходимо знать режимы резания, а так же длину рабочего хода инструмента, которая определяется по уравнению:
L = l + l1 + l2, мм
где l – длина обрабатываемой поверхности, мм;
l1 – величина врезания инструмента, мм;
l2 – величина перебега инструмента, мм.
Величина недовода находится в пределах
, а перебега при сверлении и резьбообработке
.
Определяем длительность основного времени всех силовых головок:
-
Позиция №2, вертикальная головка (СГ1) (сверление четырех отверстий 8,5 мм)
,
,
,
; -
Позиция №3, вертикальная головка (СГ2) (снятие фасок с 4-х отверстий) –
,
,
,
; -
Позиция №4, вертикальная головка (СГ3) (нарезание резьбы) –
,
,
,
; (время рабочего хода удваивается в связи с выводом инструмента) -
Позиция №5, горизонтальная головка (СГ4) (сверление центровочного отверстия) –
,
,
,
; -
Позиция №6, горизонтальная головка (СГ5) (сверление отверстия Ø5) –
,
,
,
;
Вспомогательное время – это время подвода и отвода инструмента, а так же время установки заготовки и снятия детали:
tв = tпод + tотв + tд, с
где tпод – время подвода инструмента, с;
tотв – время отвода инструмента, с.
В рассматриваемом процессе установка заготовки и снятие детали осуществляется во время обработки, по этому это время не учитывается, но имеется время, затрачиваемое на поворот стола (tд = 3,5 с). В этот период времени не происходит процесс обработки, то есть фактически процесс изготовления детали не осуществляется. Поэтому вспомогательное время должно быть как можно меньше.
Для уменьшения вспомогательного времени процесс подвода инструмента осуществляется на ускоренных подачах (до 5 м/мин), а так же изначальное положение инструмента должно быть как можно ближе к обрабатываемой поверхности. Выбираем расстояние от поверхности заготовки до режущего инструмента 50 мм, тогда время быстрого подвода будет 0,01 мин = 0,6 с. (До цилиндрической поверхности (5 и 6 позиция) 65 мм, t = 0,13 мин = 0,78 с)
Время отвода инструмента на каждой позиции агрегатного станка разное, так как длина отвода складывается из длины подвода и длины рабочего хода инструмента, а длина рабочего хода везде разная. Скорость отвода 5 м/мин; В итоге скорости отвода по позициям будут следующие:
2-я позиция – расстояние 68 мм, tотв = 0,0136 мин = 0,82 с;
3-я позиция – расстояние 54,5 мм, tотв = 0,011 мин = 0,66 с;
4-я позиция – расстояние 50 мм, tотв = 0,01 мин = 0,6 с;
5-я позиция – расстояние 73 мм, tотв = 0,0116 мин = 0,88 с;
6-я позиция – расстояние 81 мм tотв = 0,0132 мин = 0,97 с;
Между позициями – время поворота стола на одну позицию, tотв = 3,5 с.
Длительность рабочего цикла по позициям:
2-я позиция Тц = 3,5 + 0,6 + 8,75 + 0,82 = 13,67 с;
3-я позиция Тц = 3,5 + 0,6 + 7,8 + 0,66 = 12,56 с;
4-я позиция Тц = 3,5 + 0,6 + 11,6 + 0,6 = 16,3 с;
5-я позиция Тц = 3,5 + 0,78 + 2,4 + 0,88 = 7,56 с;
6-я позиция Тц = 3,5 + 0,78 + 7,2 + 0,97 = 12,45 с;
Циклограмма представлена на рисунке10.
Рисунок 10 – Циклограмма работы станка
Как видно из циклограммы, лимитирующей является третья силовая головка. Таким образом, длительность цикла всего станка равна Тц = 16,3с.
-
Расчет цикловой производительности разработанного агрегатного станка
Производительность является важнейшей характеристикой любого автоматизированного оборудования. Она показывает количество деталей, выпускаемых этим оборудованием в единицу времени.
В зависимости от временного интервала производительность бывает: минутная, часовая и сменная.
В зависимости от этапа проектирования производительность постепенно уточняется, и исходя из этого существует три вида производительности: цикловая (Qц), техническая (Qт) и фактическая (Qф).
Описываемое оборудование на данный момент находится на этапе проектирования и известны только длительность рабочего цикла, значит можно подсчитать только предварительную (цикловую) производительность, которая определяется по формуле:
Qц = К / Тц
где К – коэффициент перевода, учитывающий единицу времени (К = 60 – для минутной производительности, К = 3600 – для часовой и К = 28800 – для сменной);
Тц – длительность рабочего цикла, с (Тц = 16,3с).
В данном случае используем часовую производительность, так как она наиболее приемлемо характеризует работу оборудования (при минутной получаются дробные значения, а при сменной значения слишком большие):
Qц = 3600 / 16,3 = 220 дет/час
Техническая производительность определяется при более детальном рассмотрении технологического оборудования, учитывая затраты времени на ремонт, обслуживание и переналадку, а так же время простоев. А фактическая производительность определяется в процессе эксплуатации оборудования, там учитываются потери времени по организационным причинам.
-
Расчет коэффициента загрузки разработанного агрегатного станка и его анализ
Коэффициент загрузки агрегатного станка определяется по формуле:
,
Где
– действительный годовой фонд работы оборудования, ч (при пятидневной рабочей неделе и односменной работе составляет
);
– годовая программа выпуска, шт/год.
Тогда получается:
Полученный коэффициент загрузки разработанного станка значительно меньше нормативного, который составляет
. Следовательно, необходимо по окончании выполнения годовой программы переоборудовать станок на изготовление деталей из действующего производства, имеющих сходные размеры и виды обрабатываемых поверхностей.
Заключение
В курсовой работе были оценены два различных метода обработки детали «Крышка», а именно модернизация универсально-сверлильного станка, и разработка агрегатного станка. За основу был взят метод агрегатирования, как наиболее оптимальный при данной годовой программе выпуска.
Была выбрана наиболее оптимальная схема базирования детали на станке, определено необходимое число технологических переходов, подобраны инструменты, произведен расчет режимов резания, выбрано стандартное оборудование и приведены технические характеристики.
Также была разработано приспособление зажимное, описана его конструкция и приведены необходимые расчеты.
Было описано устройство и принцип действия агрегатного станка. В соответствии с выбранным оборудованием была произведена коррекция режимов резания и определены нормы времени по позициям, а также цикловое время. Был рассчитан коэффициент загрузки станка и предложены меры для дозагрузки.
Приложение А
(обязательное)
Карта технологических наладок на операцию «агрегатная»
,
,
,
;
,
,
,
;
,
,
,
; (время рабочего хода удваивается в связи с выводом инструмента)
,
,
;
,
,
,
;















