126076 (690861), страница 2
Текст из файла (страница 2)
По своей эффективности промывка в диффузоре непрерывного действия примерно эквивалентна промывке на однозонном барабанном фильтре. Чаще всего непрерывные диффузоры используются для домывки массы после зоны горячей промывки в котле непрерывного действия типа Камюр (рис. 1). В этом случае одной ступени промывки в диффузоре оказывается достаточно, чтобы снизить потери щелочи с промытой массой до 6—10 кг сульфата на 1 т целлюлозы.
Рис.1
Из размалывающих аппаратов, применяемых для горячего и холодного размола полуцеллюлозы существуют: цилиндрические мельницы, одно- и двухдисковые мельницы разнообразных типов, дефибраторы Асплунда, конические мельницы и гидрофайнеры и некоторые специальные конструкции— вер!ифайнеры, хемифайнеры и др.
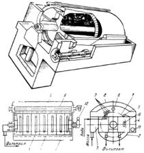
Рассмотрим устройство однодисковой мельницы типа «Сутерленда» , обычно применяемой для горячего размола (рис. 3)
Мельница состоит из двух дисков из нержавеющей стали: одного неподвижного, другого вращающегося с частотой 450—600 мин-1. Масса концентрацией от 3,5 до 8% и под давлением около 0,4 МПа подается по входному патрубку и через отверстие в центре неподвижного диска попадает в зазор между дисками, ширина которого составляет около 0,025 мм. Присадка неподвижного диска регулируется гидравлическим приспособлением. Размалывающую поверхность обоих дисков образуют радиальные или слегка наклонные канавки и выступы, играющие роль ножей. По направлению от центра к периферии канавки расширяются, но глубина их делается меньше; на выходе массы из канавок посредине их установлены дополнительные короткие ножи-выступы, наличие которых способствует задержанию массы в рабочем пространстве и повышению давления. Той же цели служит контрольное кольцо с узкими отверстиями, окружающее каждый из дисков. Мельницы типа «Сутерленда» строятся четырех величин с дисками диаметром 508, 815, 1060 и 1220 мм и потребной.мощностью соответственно 100, 150, 300 и 450 кВт. Расход энергии на горячий размол составляет около 50 кВт-ч/т полуцеллюлозы.
Рис.2
Сортировка типа «Ковен КХ» также состоит из трех зон сортирования, образованных двумя перегородками. Ротор имеет 20 лопастей, причем 10 из них проходят через все рабочее пространство, а остальные — только через вторую и третью зоны. Частота вращения ротора составляет 400 мин-1. Разбавляющая оборотная вода подается через полый вал раздельно во вторую и третью зоны. Напор воды 15—20 кПа, напор поступающей массы 12—24 кПа.
Рисунок 3 – сортировка типа «Ковен КХ»
1 — ввод массы; 2 — распределитель массы; 3 — выход отсортированной массы; 4 — ситовой барабан; 5 — ротор; 6 – вывод отходов; 7 — ввод разбавительной воды
Основными факторами, влияющими на работу всех центробежных сортировок, можно считать: размер отверстий сита, концентрацию поступающей массы, частоту вращения ротора, количество разбавляющей воды. Чем меньше диаметр отверстий сита, тем выше эффективность очистки массы от сора и костры, но тем меньше производительность сортировки и больше удельный расход энергии. Кроме того, при этом увеличивается количество тонкого волокна, уходящего с отходами, и за этот счет возрастает общее количество отходов. Слишком малый размер отверстий сит может явиться причиной забивания сортировки.
Концентрация массы определяет производительность сортировки и в значительной степени влияет на эффективность очистки. С повышением концентрации при данном размере отверстий сит производительность растет, удельный расход энергии снижается и эффективность очистки улучшается за счет увеличения количества отходов.
Концентрацию массы целесообразно повышать лишь до определенного оптимального предела, после превышения которого производительность начинает снижаться, а эффективность очистки ухудшается.
Частота вращения ротора также должна быть оптимальной для данной сортировки. С повышением частоты вращения увеличивается центробежная сила, производительность растет, но уменьшается количество отходов за счет их механического измельчения и возрастает удельный расход энергии. Одновременно ухудшается эффективность очистки массы и увеличивается сорность отсортированной массы.
Количество разбавляющей воды определяет концентрацию массы во второй зоне сортирования. При недостатке воды возрастает количество отходов и теряемого с ними тонкого волокна, и появляется опасность забивания сит. При избытке воды увеличивается сорность отсортированной массы, так как тонкий сор легче проникает сквозь отверстия во второй зоне сит вследствие разрушения фильтрующего слоя.
Низковакуумный фильтр
Барабан фильтра типа К а м ю р (рис. 4) состоит из двух обечаек — наружной, перфорированной, и внутренней, глухой. Внутренняя обечайка имеет слегка коническую форму с уклоном в сторону распределительной головки и снабжена изнутри кольцами жесткости. Пространство между обечайками разделено продольными перегородками во всю длину барабана на большое число камер; отсасываемая из массы вода по этим каналам стекает к торцу барабана и попадает в распределительную головку, разделенную перегородками на зоны. Обезвоживание массы на поверхности барабана происходит при постоянном вакууме, отвечающем разности уровней воды в сборнике и отсасывающей трубе. На конце отсасывающей трубы имеется дроссельная заслонка, позволяющая регулировать высоту столба воды в трубе и таким образом изменять величину вакуума.
Частота вращения барабана с помощью вариатора скорости может изменяться в пределах от 0,9 до 3,4 мин-1. У крупных фильтров этого типа длина барабана достигает 9 м, и в этом случае распределительные головки устраиваются по обеим его сторонам, а нижняя обечайка выполняется из двух полых конусов, обращенных друг к другу узкими концами.
Рисунок 4 – Схема устройства низковакуумного фильтра
1 — барабан; 2 — ванна; 3 — отделение для напуска массы; 4 — сборник сгущенной массы; 5 —шабер для съема слоя; 6 — отжимной вал; 7 — прыски; 8 — вентиляционный колпак; 9 — сифонные трубки; 10 — спрыск для промывки сетки; 11 — винтовой разрыватель; 12 — привод.
3 Организация технологического контроля
Контроль за производством отдела промывки и сортирования на схеме (рис. 1) осуществляется автоматической системой управления технологическим процессом (АСУТП) «Доматик».
Технологический контроль представлен в таблице 3.4 Технологический контроль, осуществляемый лабораторией по контролю производства, представлен в таблице 3.5
Таблица 3.4 – Контроль за производством
| Наименование стадии процесса, места отбора пробы или контроля параметров (№ позиции по технологической схеме) | Контролируемый параметр | Частота контроля | Рабочий диапазон (предел) значения контролируемого параметра | Нормы характеристик погрешностей | Должностное лицо, осуществляющее контроль за производством |
| Поддиффузорная емкость поз. 4 | Уровень | Через 1 час | 20-70 % | 1,0 % | Варщик |
| Размол поз. 3, 14 | Массовая доля волокна | Через 1 час | 2,5-5,0 % | - | Варщик |
| Расход массы на размол | Через 1 час | 120-400 м3/ч | - | Варщик | |
| Первичное и вторичное сортирование поз. 7, 8 | Массовая доля волокна | Через 1 час | 2,5-4,5 % | - | Варщик |
| Расход отходов сортирования | Через 1 час | 20-50 % | - | Варщик | |
| Промывка массы на низковакуумном фильтре поз. 11 | Массовая доля волокна перед БВК | Через 1 час | 2,5-4,5 % | - | Варщик |
| Вакуум | Через 1 час | -140 – (-3) мБар | 2,0 мБар | Варщик |
4. Автоматизация отдела промывки и сортирования сульфатной небеленой целлюлозы
Использование этой системы предполагает использование взаимосвязанных контуров регулирования и управления которые дают максимальную информацию для состояния процесса в режиме реального времени и возможность оперативного регулирования технологических параметров.
Представляем ниже описание основных параметров регулирования и управления совмещенного с описанием технологических процессов.
Автоматизация отдела промывки и сортирования сульфатной небеленой целлюлозы осуществляется на диффузоре непрерывного действия и сортировках давления. Диффузор (5) предназначен для техники процесса промывки целлюлозы способом вытеснения. Внутри его цилиндрической части установлен ситовый блок, состоящий из концентрических кольцевых сит. С помощью шести гидравлических устройств за 90 с он автоматически поднимается на высоту 150 мм и опускается вниз за 0,5 – 1 с. Масса концентрацией до 10 % по трубопроводу 2 через РО, управляемый СДУ НС-1, поступает снизу конической части и движется вверх между кольцевыми ситами со скоростью примерно равной скорости движения сит. В процессе работы диффузора средства автоматизации следят за температурой массы, скоростью перемещения блока сит вверх и вниз, уровня щелока в нем, за работой схем электрической пневматической и гидравлической автоматики.
Промытая вода по трубопроводу 3 вводится в середину слоя массы и движется радиально, вытесняя щелок из массы. Расход промывной жидкости стабилизируется САР расхода FICS-1 и FICS-2. Промытая масса через выдувной патрубок 1, уровень в котором поддерживается постоянным САР уровня LRC-1, направляется в нижнюю часть диффузора и по трубопроводу 5 перекачивается в сортировку I ступени. Уровень в верхней и нижней частях диффузора контролируется системами контроля LI-1 и LIS-2.
Подача оборотной воды по трубопроводу 4 регулируется САР расхода FRC-1. После I ступени сортирования отходы сортирования направляются в баки (9 и 10), для контроля уровня воды поставлена система LIC-1 и LIC-2.
Список использованных источников
1 Технология целлюлозы [Текст]. В 3 т. Т. 2. Производство сульфатной целлюлозы. / Ю.Н. Непенин. – М.: Лесная промышленность, 1990. – 600 с.
2 Технология целлюлозы [Текст]. В 2 т. Т. 1. Подготовка древесины. Производство сульфатной целлюлозы. / Р.З. Пен. – Красноярск: СибГТУ, 2006. – 344 с.
3 Потапов, В.С. Промывка и сортирование целлюлозы [Текст] / В.С. Потапов, В.Е Шамко. – М.: Лесная промышленность, 1975. – 112 с.
4 Технология целлюлозы [Текст]. В 3 т. Т. 3.Очистка, сушка и отбелка целлюлозы. Прочие способы производства целлюлозы. / Н.Н. Непенин, Ю.Н. Непенин. – М.: Экология, 1994. – 592 с.
7 Metso Chemical Pulping Line [Каталог]. Metso Paper, 2002г.
8 Центробежные насосы для бумажной массы [Каталог]. – М.: ЦИНТИХИМНЕФТЕМАШ, 1983 г.
Таблица 3.5 – Технологический контроль, осуществляемый лабораторией
| Наименование стадии процесса, места отбора пробы или контроля параметров (№ позиции по технологической схеме) | Контролируемый параметр | Частота контроля | Рабочий диапазон (предел) значения контролируемого параметра | Нормы характеристик погрешностей | Наименование нормативно-технической документации на метод контроля или средство измерения | Должностное лицо, осуществляющее контроль за производством |
| Перекачка промытой сульфатной целлюлозы на промывной установке «Хеми-Вошер» в БВК. | Массовая доля волокна, % не менее | Через 4 часа | 10,0 | 0,5 | ГОСТ Р 50068-92 ИСО 4119-78 п. 1-5 | Лаборант хим. анализа |
| Массовая доля щелочности в папке, г/л ед. Na2O не более | Через 2 часа | 0,4 | 3,0 % | Методика ВНИИБ | Лаборант хим. анализа | |
| Степень помола, 0ШР | Через 2 часа | 14,0-18,0 | 4,0 % | ГОСТ 14363.4-89 п. 3,4 | Лаборант хим. анализа | |
| Содержание непровара, % не более | Через 2 часа | 0,4 | 0,1 | Методика ВНИИБ | Лаборант хим. анализа | |
| Сточные воды при производстве и промывке целлюлозы и полуцеллюлозы в коллекторе сточных вод цеха. | ХПК, мг/л О2 не более | 3 раза в сутки | 620,0 | 5,0% | Методическое указание. Ускоренный метод определения ХПК. | Лаборант хим. анализа |
| Массовая концентрация взвешенных веществ, мг/л не более | 3 раза в сутки | 80,0 | 5,0 % | РД 118.02.7-88 п.8.1 и п. 9.10 | Лаборант хим. анализа | |
| Остаточная щелочность, г/л ед. Na2O не более | 3 раза в сутки | 0,2 | 3,0 % | РД 24.032.01-91 п. 2.1 | Лаборант хим. анализа |















