126053 (690849), страница 2
Текст из файла (страница 2)
С1=1 – при упругой работе балки
коэффициент условия работы
Определяем высоту балки, отвечающую минимуму её массы
,
К- коэффициент, принимаемый =1,1 при переменной сечении балки.
Высота балки, удовлетворяющая условию жёсткости при полном использовании расчётного сопротивления стали:
n0 = 200 принимается по табл. П3.
Принимаем наиболее простое в конструктивном отношении и менее трудоёмкое при изготовлении и монтаже этажное сопряжение балок, определяем высоту балки из условия заданного габарита перекрытия
,
Где:
нормируемый прогиб балки.
d=hbn=30см – высота балки настила.
hs – строительная высота перекрытия.
По условию (2.4), при hmax=164,37>hopt=122>hmin=41,83
Принимаем h=hopt=122- высота сечения балки.
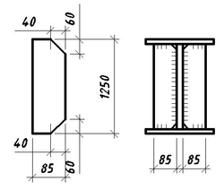
По ГОСТ 19903-74*, учитывая, что высота балки немногим отличается от высоты стенки hw=1250мм.
-из условия среза в опорном сечении
- из условия принятой гибкости стенки
В соответствии с ГОСТ 19903-74*
принимаем tw=8мм
Сечение стенки балки hw*tw=1250*8мм
Сечение поясов балки
Требуемая площадь сечения пояса:
,где
;
.
Минимально необходимая по условию устойчивости толщина пояса
.
Наибольшая ширина пояса, обеспеченная от потери устойчивости.
.
В соответствии с ГОСТ 82-70* подбираем 3 варианта сечения пояса:
.
Сечение пояса bf = 420мм
tf = 12мм.
Проверяем условие:
<
<
Принятые размеры пояса отвечают условию.
Условия допускающие использование автоматической сварки bf=42 см ≥ 20 см выполняется. Проверим условие по ограничению уровня усадочных напряжений tw=0,8 см < tf =1,2 cм < 3tw =2,4 см
Таким образом сечение поясов балки bf х tf = 420 x 12 мм.
Проверка правильности подбора сечения балки.
Вычисляем условную гибкость стенки
Момент инерции поясов балки
Момент инерции сечения
Момент сопротивления сечения
Основное сечение подобранно верно, так как
>
Подбор уменьшенного сечения балки
При действии на балку равномерно распределённой нагрузки место изменения сечения
.
Определим изгибающий момент и поперечную силу, действующую в месте изменения сечения
Требуемый момент сопротивления и момент инерции изменённого сечения при условии, что заводской стык растянутого пояса осуществляется прямым стыковым швом с применением выводных планок и обычном контроле качества Rwy = 0,85Ry
Требуемая ширина пояса
По ГОСТ 8270* подбираем b1 =240 мм.
Изменённое сечение поясного места удовлетворяет условиям:
b1=240мм ≥200мм
b1=240мм ≥h/10=126,2
b1=240мм ≥bf/2=420/2=210
Окончательно принимаем размеры уменьшенного сечения
Стенка
Момент инерции поясов балки уменьшенного сечения:
Момент инерции уменьшенного сечения
Момент сопротивления уменьшенного сечения
Основное сечение подобранно верно, так как
>
/
Проверка прочности уменьшенного сечения балки по максимальным касательным напряжениям производится в опорном сечении балки.
Проверка прочности балки
Проверка прочности основного сечения балки по нормальным напряжениям в месте действия максимального изгибающего момента.
,
Недонапряжение составляет
.
Проверка прочности стенки по местным напряжениям
Для предотвращения отгиба верхних поясов стенку балки в местах действия сил А укрепляют поперечными рёбрами жёсткости, приваренными к стенке и поясам. Усиление F будет восприниматься торцами рёбер и равномерно распределяться по высоте стенки.
.
Проверка прочности балки в месте изменения сечения (z1=150см) производится на уровне поясных сварных швов, что связано с совместным действием нормальных и касательных напряжений.
;
;
Статический момент полки относительно оси х-х.
Проверка жёсткости балки
Принятая высота балки h =127,4 cм > hmin = 41,83см, поэтому производить проверку нет необходимости.
Проверка общей устойчивости балки.
Так как балка примерного сечения её устойчивость проверяем для основного и уменьшенного сечений, принимая за расчётную длину расстояние между балками настила
Основное сечение балки при :
.
Уменьшенное сечение при
.
.
Условия выполняются, общая устойчивость балки обеспечена.
Проверка местной устойчивости балки.
Достаточно проверить устойчивость основного сечения, так отношение
для основного сечения больше, чем уменьшенного.
.
Устойчивость сжатого пояса обеспечена.
Проверка устойчивости стенки опорного отсека.
Размеры отсека a x hw =100 x 125 см.
При соотношении размеров a/hw =100/125=0,8<1 расчётное сечение располагается посередине отсека
Вычисляем напряжение, действующие в расчётном сечении отсека:
.
,
По таблице п7 устанавливаем Сcr=30
,
, где
;
.
Проверяем условие устойчивости :
.
Устойчивость стенки рассматриваемого отсека обеспечена.
Проверка устойчивости стенки отсека, совпадающего с местом изменения сечения.
Размеры отсека
при соотношении размеров
Расчётное значение располагается посередине отсека
.
Вычисляем напряжение, действующие в расчётном сечении отсека:
.
Критическое напряжение
;
Выполняется, устойчивость стенки рассматриваемого отсека обеспечена.
Проверка устойчивости стенки отсека, совпадающего с местом действия максимальных нормальных напряжений.
Размеры отсека
При соотношении размеров
поэтому расчётное сечение располагается посередине отсека
.
.
Вычислим критическое напряжение
,
Проверка устойчивости :
.
Выполняется, устойчивость стенки отсека обеспечена.
Выполненные проверки показывают, что при принятой схеме расстановка рёбер жёсткости устойчивости стенки балки обеспечена.
Расчет и конструирование узлов и деталей балки.
Поперечное и промежуточное рёбра жесткости
Балки настила опираются на верхний пояс главной балки с двух сторон. Для воспрепятствования отгиба поясов балки предусмотрены парные симметричные ребра жёсткости.
Рис. 5 Конструкция поперечных промежуточных рёбер жёсткости
Ребра жёсткости привариваются к стенке и поясам непрерывными угловыми швами, катет которых принимают из условий качественного провара Kf = 6мм,
Ширина выступающей части парного симметричного ребра
;
По ГОСТ 103-76* принимаем
.
Толщина ребра:
;
В соответствии с ГОСТ 103-76* bh*th=90*6мм.
Для пропуска поясных сварных швов, соединяющих пояса со стенкой, по торцам ребер устраиваем скосы размером 40 х 60 мм.
Рёбра жёсткости прикрепляем полуавтоматической сваркой к верхним поясам двухсторонними угловыми швами, к стенке и нижнему поясу односторонним угловым швом.
Соединение поясов балки со стенкой
Соединение поясов со стенкой выполняем двухсторонними сварными угловыми швами, т.к. балка работает с развитием пластических деформаций. Сварка – автоматическая, в лодочку, сварочная проволока марки Св-08А по ГОСТ 2246-70* с Rwf=18кН/см2; Коэффициенты глубины провара
;
. Проверяем достаточность катета швов под первой от опоры балкой настила:
, где
;
Таким образом, минимального катета шва kf=6мм достаточно для обеспечения прочности поясных швов.
Монтажный стык отправочных элементов балки
Принимаем болты d=20мм (Аbn=2.45см2) из стали 40X «селект» (Rbun=110кН/см2); диаметр отверстий под болты d0=23мм; способ очистки соединяемых поверхностей – стальными щетками(
); контроль за натяжением стержня болта – по моменту закручивания(
).
Несущая способность одного болта, имеющего две поверхности трения (К=2):
.
Стык поясов:
-предельное усилие, воспринимаемое поясом:
.
-требуемое количество болтов по одну сторону стыка:
.
Принимаем nf = 6 болтов.
-определяем ширину накладок, располагаемых с внутренних сторон поясов:
.
Принимаем bpf=180мм.
-из условия равнопрочности пояса и стыковых накладок определяем толщину накладок:
.
Окончательно tpf =10 мм.
-проверяем прочность ослабленного сечения нижнего растянутого пояса отверстиями под болты. Площадь сечения пояса нетто
.
прочность обеспечена.
-проверяем прочность накладок, ослабленных в середине стыка четырьмя отверстиями. Площадь сечения накладок нетто:
.
Площадь сечения накладок брутто:
.
Т.к.
. То прочность накладок обеспечена.
Исходя из принятой схемы расстановки болтов, определяем длину поясных накладок.
По ГОСТ 82-70*
, длинна поясных накладок
Проверка прочности
-
прочность накладок обеспечена.
Стык стенки
Предельный момент воспринимаемый стенкой
-задаваясь расстановкой болтов по высоте накладки, определяем усилие, приходящееся на крайний болт:
.
-требуемое количество болтов в одном горизонтальном ряду по одну сторону стыка:
=2шт.
-определяем размеры накладки:
Толщина накладки:
Из условия равнопрочности
;
Окончательно принимаем
.
n - количество шагов болтов по высоте кладки.
Ширина накладки:
.
По ГОСТ 82-70* принимаем
.
Длина накладок
.
Опорный узел балки
-принимая
, определяем требуемую толщину опорного ребра из условия смятия торца:
,
в соответствии с ГОСТ 82-70* toh=12мм. Принимаем
.
-проверка местной устойчивости ребра:
.
-проверка устойчивости ребра относительно оси z:
;
;
;
;
;
;
.
-прикрепление опорного ребра к стенке осуществляем полуавтоматической сваркой двухсторонними угловыми швами.
Требуемый катет сварных швов:
.
Окончательно
.
Убеждаемся
.
Сопряжение балок
Поперечные вспомогательные балки закрепляют верхний сжатый пояс главных балок от смещений в горизонтальном направлении и тем самым обеспечивают их общую устойчивость при условии, что присоединены на болтах или сварке к этому поясу. Поэтому присоединение поперечных балок рассчитываем на условную поперечную силу Q, возникающую при потере устойчивости главной балкой.
Фиксацию балок настила осуществляем их приваркой к поясу главной балки. Сварку принимаем ручную электродами Э42 с Кfmin =8мм Вf=0.7; Bz=1.0
Условная поперечная сила
Где
Расчётная длина сварного углового шва
Так как
фактическая длина шва
5..Расчёт и конструирование центрально-сжатой колонны
Выбор материала колонны
По (7 табл.1) устанавливаем, что сварные колонны, работающие при статической нагрузке, относятся к третьей группе конструкций, принимаемая сталь с235 подставляемую по ГОСТ 27772-88, климатический район строительства II4(-30>t≥-40) II5(t>-30).
Предполагаем, что толщина полок профиля ветвей колонны не превысит 20мм, выписываем необходимые для расчёта сопротивления стали;
Ryn=23,5 кн/см2, Ry =23 кн/см2, Run=36 кн/см2, Ru= 35 кн/см2, Rs=13,5 кн/см2.
Расчётная схема колонны
Колонны, поддерживающие главные балки, одноярусные. Учитывая это, принимаем опирание главных балок на колонну сверху, что обеспечивает чёткую передачу опорных реакций балок на стержень колонны, шарнирность сопряжений, простоту и удобство монтажа. Сопряжение колонны с фундаментом принимаем также шарнирным.
Рис. Расчётная схема колонны
расчётные длины колонны:
.
Расчетная длина колонны в продольном и поперечном направлении площадки:
.
Расчетное значение продольной силы в колонне:
Сбор нагрузок на колонну
Колонна работает на сжатие под действием давления балок, опирающихся на оголовок.
Выбор типа профиля ветвей. Задаваясь ориентировочно коэффициентом продольного изгиба
устанавливаем из какого профиля (швеллера или двутавра) следует проектировать ветви колонны. Проверяем возможность выполнения ветвей из швеллера. Для этого принимаем [ 40/ГОСТ 8240-93 с площадью сечения Ab = 61,5см2
,
условие выполняется. Таким образом, ветви запроектируем из швеллера.
Подбор сечения колонны
Расчёт относительно материальной оси.
Определяем требуемую площадь сечения ветви
;
Принимаем швеллер [ 33 по ГОСТ 8240-93 с
,
,
,
,
,
,
,
.
Проверяем устойчивость колонн.
Для этого вычисляем:
-фактическую гибкость колонн
-условную гибкость колонны
-коэффициент продольного изгиба
.
Условие устойчивости:
Проверяем соблюдение условия
,
где
Все условия выполняются, сечение ветвей подобрано правильно.
Расчет относительно свободной оси.
Расчётом устанавливаем ширину колонны b из условия равноустойчивости
Требуемая гибкость колонны относительно оси у-у
Требуемый радиус инерции
.
Требуемая ширина колонны:
.
Принимаем
в соответствии с ГОСТ 82-70*.
Зазор в свету между ветвями
что вполне достаточно для производства окраски внутренней поверхности колонны.
Проверяем устойчивость колонны относительно оси у-у
-высота сечения планки
По ГОСТ 82-70* принимаем
,
- толщина планки:
;
,
где
.
.
Уточняем гибкость ветви.
Для этого определяем длину ветви при количестве панелей в пределах длины стержня m=6.
.Принимая
,вычисляем:
-расчетную длину ветви
-гибкость ветви
.
Окончательно длину ветви устанавливаем при разработке рабочего чертежа, не должна превышать 105 см.
Уточняем гибкость стержня по фактическим геометрическим характеристикам:
;где
;
;
.
Вычисляем приведенную гибкость
,где n=
;
.
Проверка устойчивости по
,
Где
Условная гибкость:
.
Расчет прикрепления планок к ветвям колонны.
Условная поперечная сила
,
Определяем усилия, возникающие в планке:
-момент, изгибающий планку,
;
-силу, перерезывающую планку,
.
Предусматриваем прикрепление планок с помощью полуавтоматической сварки в среде углекислого газа угловыми швами катетом
.
Устанавливаем параметры, необходимые для расчета сварных швов:
-
-
-
Определяем направление среза угловых швов
Проверяем прочность соединения, учитывая только вертикальный шов
;
.
Окончательно
Конструирование и расчет оголовка колонны
Оголовок служит опорой для главных балок и распределяет сосредоточенную нагрузку равномерно по сечению стержня колонны. В нашем случае опирание балок – сверху с фиксацией положения балок в горизонтальной плоскости четырьмя болтами как наименее трудоёмкое на монтаже.
При устройстве опорного узла балки с торцевыми рёбрами жёсткости и опирании сверху оголовок состоит:
- опорная плита
- вертикальное ребро
- обрамляющего его снизу горизонтального ребра
С опорной плиты нагрузка передаётся на вертикальное ребро и с него через сварные швы Ш1 на стенки ветвей сквозного стержня.
В соответствии с рекомендациями, изложенными в п.5 толщину опорной плиты назначаем
.
Принимаем минимальное значение катета швов Ш5, прикрепляющих опорную плиту к стержню колонны. Определяем минимальные значения катета швов
.
Устанавливаем размеры опорной плиты в плане
-ширина плиты
.
-длина плиты
.
Окончательно
мм.
Расчет вертикального ребра.
Требуемая толщина ребра из условия смятия его торца при
;
,
по ГОСТ принимаем tv=20мм.
Высота вертикального ребра:
-из условия его среза как на опоре короткой балки
-из условия среза стенки ветвей колонны
-из условия необходимой длины сварных швов,прикрепляющих ребро к стенкам ветвей. При
.
По ГОСТ 82-70* принимаем
.При этом
.
Расчет соединения вертикального ребра с опорной плитой
Расчетный катет сварных швов Ш2:
.
.
Расчет горизонтального ребра:
Расчетная ширина ребра:
.
По ГОСТ 103-76* принимаем b2=150мм.
Толщина ребра:
.
Окончательно b2*t2=150*10мм.
Конструирование и расчет базы колонны
Конструкция базы должна обеспечивать равномерное распределение сосредоточенного давления стержня колонны по площади контакта с поверхность фундамента.
Шарнирные базы имеют наиболее простую конструкцию. Их особенность состоит в закреплении базы анкерными болтами, непосредственно за опорную плиту. Необходимая свобода поворота опорного сечения колонны обеспечивается малой изгибной жёсткостью опорной плиты. Анкерных болтов 2, их диаметр назначают конструктивно.
Для удобства монтажа отверстия в плите пропуска анкерных болтов делают 1,5…2 раза больше диаметра болтов. На монтаже после выверке колонны эти отверстия закрывают шайбами из листовой стали, толщиной 16…20мм, который после натяжения болтов приваривают к опорной плите.
Расчётное усилие в стержне колонны N=1718,6<6000 кН, применяем базы с траверсами.
Шарнирные базы имеют наиболее простую конструкцию. Их особенность состоит в закреплении базы анкерными болтами, непосредственно за опорную плиту. Необходимая свобода поворота опорного сечения колонны обеспечивается малой изгибной жёсткостью опорной плиты. Анкерных болтов 2, их диаметр назначают конструктивно.
Для удобства монтажа отверстия в плите пропуска анкерных болтов делают 1,5…2 раза больше диаметра болтов. На монтаже после выверке колонны эти отверстия закрывают шайбами из листовой стали, толщиной 16…20мм, который после натяжения болтов приваривают к опорной плите.
Расчётное усилие в стержне колонны N=1718,6<6000 кН, применяем базы с траверсами.
База с траверсами
Размеры опорной плиты в плане определяем из условия прочности бетона, фундамента, работающего на смятие.
Принимая
=1..1,5 находим
и требуемую площадь опорной плиты:
.















