295028 (690829), страница 2
Текст из файла (страница 2)
Где m – общее количество звеньев, включая замыкающее.
Вывод: данный метод не целесообразно применять, т. к. допуски на составляющие звенья получатся достаточно жесткие, что повлечет за собой более точную обработку деталей.
-
Метод неполной взаимозаменяемости:
Тср =
при Р=1% - процент брака, для которого:
t=2.57 – коэффициент риска;
λ2=1/3 – коэффициент относительного рассеивания для мелкосерийного производства (закон Симпсона).
Вывод: Переход на метод неполной взаимозаменяемости позволил расширить средний допуск на составляющие звенья, однако он по-прежнему является «жестким».
-
Метод регулировки с неподвижным компенсатором:
Расширенный допуск замыкающего звена
(экономически целесообразный)
0.35 мм
Величина компенсации
0.29 мм
Число групп компенсации
Предельные отклонения замыкающего звена без учета звена компенсатора.
Предельное отклонение компенсатора
Определяем величину ступени компенсации, определяющую разность между размерами компенсаторов каждой последующей ступени.
Р = (Δв’ Δ – Δн’ Δ )/N = (0,445+0,065)/7 = 0,07 мм.
Таблица предельных отклонений групп компенсаторов.
| Номер группы | мм | мм |
| 1 | 0,445 | 0,355 |
| 2 | 0,375 | 0,285 |
| 3 | 0,305 | 0,215 |
| 4 | 0,235 | 0,145 |
| 5 | 0,165 | 0,075 |
| 6 | 0,095 | 0,005 |
| 7 | 0,025 | -0,065 |
Вывод: таким образом, требуемая точность замыкающего звена в размерной цепи достигается путем подбора из семи групп необходимой прокладки-компенсатора. Данная задача решается методом регулировки, так как этот метод экономически оправдан.
2.4 Выбор формы организации процесса сборки конического редуктора
При разработке технологического процесса сборки изделия необходимо стремиться достичь экономичным путем соответствие собранного изделия его служебному назначению. Для этого технологический процесс должен обеспечивать, прежде всего, соблюдение технических требований к изделию при минимальных затратах на сборку и при высокой производительности производственного процесса.
Ранее принятое решение о виде организации производственного процесса сборки изделия должно быть дополнено выбором формы организации. И поточное и непоточное производство может быть как стационарным, так и подвижным.
На основании заданной программы выпуска валов (N=800 штук в год) и рассчитанной величины такта (Т=290,7 мин), тип производства будет мелкосерийный. В общем случае этот тип производства характеризуется периодическим изготовлением разнообразных изделий ограниченной номенклатуры и малых объемов выпуска, одновременно запускаемых в производство партиями, регулярно повторяющимися через определенные промежутки времени.
Выбираем непоточную стационарную сборку. Непоточная стационарная сборка характеризуется тем, что собираемый объект от начала и до конца сборки остается на одном рабочем месте. Сборку ведут рабочий или бригада рабочих. Все необходимые детали и сборочные единицы доставляются на рабочее место. Выполнение сборочных работ распределяется между рабочими и бригадами бригадиром и мастером участка. Для облегчения труда рабочих рабочие места или стенды оснащаются универсальными приспособлениями и подъемно-транспортными средствами. Оборудование (станки, прессы и др.), используемое при сборке, размещают так, чтобы оно было доступно для рабочих с разных рабочих мест.Выбор вида и формы организации сборки на данном этапе разработки технологического процесса следует считать предварительным. Уточнение выбора последует после того, как будут выбраны оборудование и технологическая оснастка для сборочного цеха и проведено нормирование сборочных работ.
3.Разработка технологического процесса изготовления детали
3.1 Служебное назначение детали
Вал предназначен для передачи крутящего момента или в качестве опор.
В процессе эксплуатации вал подвергается воздействию нагрузок, работает при больших скоростях и средних давлениях. Цементируемая деталь с высокой твёрдостью и невысокой прочностью сердцевины. Поэтому можно сделать вывод, о том, что материал и термообработка должны обеспечить высокую прочность детали, износостойкость рабочих поверхностей. Поэтому в качестве материала принята сталь 20Х ГОСТ 4543-71.
3.2 Анализ технических требований на деталь и ее технологичности
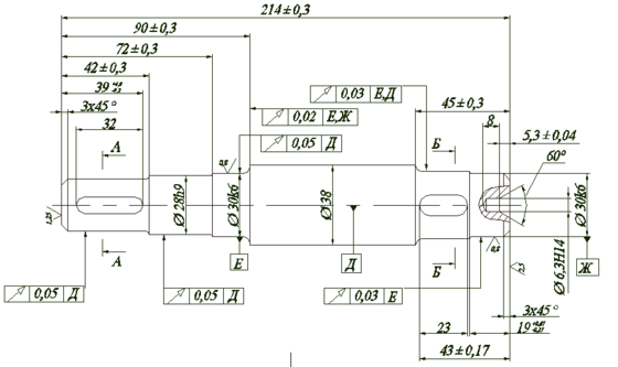
Чертёж детали
Проанализировав чертеж детали, можно сделать вывод о том, что деталь является технологичной. Конструкция имеет поверхности, удобные для базирования и закрепления при установке на станках. Доступность всех поверхностей для обработки на станках и непосредственного измерения. Конструкция детали обеспечивает нормальный вход и выход режущего инструмента.
Технические требования на деталь:
-
обеспечить радиальное биение поверхностей 28h9, 30k6 относительно базы Д, в пределах 0,05 мкм;
-
обеспечить радиальное биение поверхности 30k6 относительно базы Е, в пределах 0,03 мкм;
-
обеспечить симметричность боковых поверхностей шпоночных пазов относительно оси вала, в пределах 0,1 мкм;
-
шероховатость наружной цилиндрической поверхности 0,8 мкм;
-
шероховатость торцев 1,25 мкм.
3.3 Выбор вида и способа получения заготовки. Назначение припусков на обработку
Рассмотрим два метода получения заготовки вала:
-
Поковка
Припуски и допуски на поковку из углеродистых и легированных сталей при ковке на молотах устанавливают по ГОСТ 7829-70. Припуски на деталь принимаем 2 мм на сторону. Припуск на длину поковки составляет 5 мм (по 2,5 мм с каждой стороны).
Коэффициент использования материала: КИМ =
-
Прокат
Выбираем пруток Ø40 мм из горячекатаной стали круглого профиля ГОСТ 2590-71.
Коэффициент использования материала: КИМ =
Несмотря на то, что коэффициент использования материала у поковки выше, выбираем заготовку из проката, так как себестоимость проката ниже, чем у поковок, которые требуют изготовления специального штампа.
Окончательно размеры заготовки будут уточнены после расчета припусков на обработку поверхностей заготовки.
Следовательно, метод получения заготовки – горячекатаный прокат.
3.4 Выбор технологических баз
Обоснование последовательности обработки поверхностей детали и выбор технологических баз между собой тесно взаимосвязаны и поэтому решаются комплексно. Выбрав комплект технологических баз для большинства операций технологического процесса, необходимо выбрать технологические базы для обработки детали на первой или первых операциях, на которых создаются технологические базы для последующих операций. Эта задача решается несколькими способами. Поэтому, путем анализа различных вариантов базирования детали, выбирается наиболее предпочтительный с точки зрения обеспечения точности детали при обработке от выбранных баз.
1 Вариант: Погрешность базирования при установке вала с помощью одной подвижной и одной неподвижной призм
ωI = ωсхемы базирования + ωтехн. системы = 0,05+0,4+ 1,5 = 1,65 мм
2 Вариант: Погрешность базирования при установке вала в тиски с самоцентрирующими губками
ωII= ωсхема базирования +ωТехн. системы=
h +0,8 =0,05+0.8=0,85мм
Выбираем вариант базирования в тисках с самоцентрирующими губками, так как он точнее.
Наиболее часто используемыми чистовыми технологическими базами для деталей типа вал являются центровые отверстия, так как основным размером на вал является, как правило, его диаметр. Установка по центровым отверстиям позволяет «поймать» ось детали и при этом погрешность базирования на диаметр будет нулевой.
Заготовка, приходящая на производство не имеет центровых отверстий. Ввиду этого на первой операции деталь зажимается в тиски с самоцентрирующими губками, фрезеруются торцы и после этого засверливаются центровые отверстия, которые и используются почти на всех операция, так как позволяют легко, быстро и надежно закрепить деталь и при этом не мешают обработке.
3.5 Выбор методов обработки поверхностей заготовки и определение количества переходов. Выбор режущего инструмента. Определение припусков, межпереходных размеров и их допусков. Определение размеров исходной заготовки
Рассмотрим участок вала 38 мм и шероховатостью Ra=6.3.
Конечную точность участка обеспечивает шлифование.
Шлифованию должно предшествовать чистовое точение.
Чистовому точению должно предшествовать черновое точение.
Таким образом определяемое количество переходов : 3.
На выбор режущего инструмента влияют следующие параметры:
-
требования к качеству детали;
-
свойства материала обрабатываемой заготовки;
-
выполняемая операция или переход;
-
возможности и состояние используемого технологического оборудования;
-
экономические показатели.
Двусторонний минимальный припуск на обработку нужных поверхностей определяется по формуле:
2zi min = 2 ∙ [(Rz + h) i-1+
]
Где
;















