126014 (690827), страница 4
Текст из файла (страница 4)
|720.00|.0000E+00|.0000E+00|-.1295E+05|-.1295E+05|.2237E-01|.1066E+00|-.1295E+05|
-------------------------------------------------------------------------------------
3. Уравновешивание двигателя
Силы инерции вращательно движущихся масс в однорядной звезде как и в одноцилиндровом двигателе, неуравновешенны и уравновешиваются противовесами:
,
где:
- центробежная сила вращающихся частей равна:
- сила инерции от неуравновешенных частей равна:
Тогда получим, что
Рассмотрим вопрос уравновешивания сил инерции поступательно движущихся масс.
Если исходить из положения, что все шатуны в двигателе центральные, то силы
и
всех цилиндров соответственно равны. В этом случае результирующая сила инерции первого порядка
будет представлять собой постоянный по величине вектор, приложенный к шатунной шейке коленчатого вала и вращающийся вместе с коленом. Он равен
,
где
- поступательно движущаяся масса, относящаяся к одному цилиндру,
;
Z – число цилиндров в одной звезде.
Тогда
. - боковой цилиндр.
Такую силу легко уравновесить, добавив к противовесам соответствующую массу.
Результирующий вектор сил инерции второго порядка равен нулю, т.е. по силам
самоуравновешивание обеспечивается.
В действительности же вследствие разницы в массах шатунов и в кинематике поршней главного и боковых цилиндров результирующий вектор сил инерции первого порядка не постоянный по величине, а содержит переменную составляющую; конец вектора описывает эллипс, большая ось которого совпадает с направлением оси главного цилиндра. Амплитуда переменной составляющей
,
где
- разность поступательно движущихся масс главного и бокового цилиндра:
,
Тогда в момент
равна:
Рисунок 5 – Результирующий вектор сил инерции первого порядка.
4. Расчет на прочность коленчатого вала
Коленчатый вал служит для преобразования возвратно-поступательного движения поршней в цилиндрах двигателя во вращательное движение и для преобразования силы давления газов на поршни – в крутящий момент.
Коленчатый вал воспринимает всю избыточную мощность, развиваемую газами в цилиндрах, и передает ее на винт, который является основным потребителем мощности двигателя, на нагнетатель, механизм газораспределения, агрегаты.
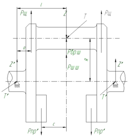
4.1 Силы, действующие на колено коленчатого вала
При работе двигателя колено вала нагружается следующими силами (рисунок 6)
Рисунок 6 – Силовое нагружение колена
1) В плоскости колена действует сила Z
2) Перпендикулярно к плоскости колена действует сила Т
3) В плоскости колена действует сила инерции от вращающихся масс шатуна:
;
;
, (смотри рисунок 7)
где
Тогда
Рисунок 7 – Разнос масс шатуна
4) В плоскости колена действует сила инерции от массы шатунной шейки
(Все необходимые объемы соответствующих частей деталей и радиусы их центров масс определены по твердотельной модели исполненной в пакете Solid Works)
5) В плоскости колена действуют силы инерции от масс щек
.
6) В плоскости колена действуют силы инерции противовесов РПР.
7) От сил, действующих в плоскости колена, на опорах колена возникают реакции
. В случае симметричного колена
.
8) От силы
на опорах колена возникают реакции
, действующие перпендикулярно к плоскости колена. В случае симметричного колена
.
Силы Т, Z, реакции
и
переменны по величине и направлению и меняются в зависимости от угла поворота колена. Расчет этих сил реакции приведен в таблице 5.
4.2 Определение запаса прочности в шатунной шейке
Напряжения в расчетном сечении шатунной шейки при любом положении кривошипа можно определить, если колено рассматривать, как разрезную двухопорную балку. Это значит, что каждое колено мысленно вырезается двумя сечениями, проходящими через середины коренных подшипников, и рассматривается как балка на двух опорах (рисунок 8)
Рисунок 8 – Расчетная модель шатунной шейки
Очевидно, что наиболее напряженным сечением шатунной шейки будет сечение, лежащее посередине шейки.
Разрезаем шатунную шейку посередине, отбрасываем правую часть, закрепляем левую часть по расчетному сечению и определяем напряжения от оставшихся сил и моментов, включая и силы реакций опор:
а) от сил, действующих в плоскости колена, расчетное сечение нагружается изгибающим моментом:
;
б) от сил, действующих в плоскости, перпендикулярной к плоскости колена, расчетное сечение нагружается изгибающим моментом:
Рисунок 7 – Твердотельная модель коленчатого вала (фрагмент)
Опасные точки шатунной шейки расположены у масляного отверстия (смотри рисунок 7.). Если его ось составляет с плоскостью колена угол (=300º, так как при этом положении силы Т и Z минимальны), то изгибающий момент в плоскости, проходящей через ось масляного отверстия, равен:
Знак “-” показывает, что момент
вызывает у края отверстия напряжения сжатия.
Таблица 5 – Результаты расчета
| α | T,Н | Z,Н |
|
|
|
| My |
|
|
| ||||||||||
| 0 | 0 | -2950 | 0 | 21119 | 395 | 0 | 197 | 15 | 0 | 0 | ||||||||||
| 12,86 | -3501 | -11940 | -1751 | 21624 | 400 | -228 | 3 | 0 | -133 | -5 | ||||||||||
| 25,71 | -5900 | -9254 | -2950 | 22967 | 413 | -384 | -125 | -9 | -224 | -8 | ||||||||||
| 38,57 | -6502 | -5779 | -3251 | 24705 | 431 | -423 | -151 | -11 | -247 | -9 | ||||||||||
| 51,43 | -5256 | -2592 | -2628 | 26298 | 447 | -342 | -73 | -5 | -199 | -7 | ||||||||||
| 64,29 | -2712 | -551 | -1356 | 27319 | 457 | -176 | 76 | 6 | -103 | -4 | ||||||||||
| 77,14 | 247 | -11 | 124 | 27588 | 460 | 16 | 244 | 18 | 9 | 0 | ||||||||||
| 90,00 | 2777 | -788 | 1389 | 27200 | 456 | 181 | 384 | 28 | 105 | 4 | ||||||||||
| 102,86 | 4354 | -2344 | 2177 | 26422 | 448 | 283 | 469 | 35 | 165 | 6 | ||||||||||
| 115,71 | 4860 | -4072 | 2430 | 25558 | 439 | 316 | 493 | 37 | 184 | 7 | ||||||||||
| 128,57 | 4494 | -5529 | 2247 | 24830 | 432 | 292 | 469 | 35 | 171 | 6 | ||||||||||
| 141,43 | 3583 | -6526 | 1792 | 24331 | 427 | 233 | 415 | 31 | 136 | 5 | ||||||||||
| 154,29 | 2427 | -7083 | 1214 | 24053 | 424 | 158 | 349 | 26 | 92 | 3 | ||||||||||
| 167,14 | 1210 | -7331 | 605 | 23929 | 423 | 79 | 280 | 21 | 46 | 2 | ||||||||||
| 180,00 | 0 | -7396 | 0 | 23896 | 423 | 0 | 211 | 16 | 0 | 0 | ||||||||||
| 180,00 | 0 | -7569 | 0 | 23810 | 422 | 0 | 211 | 16 | 0 | 0 | ||||||||||
| 192,86 | -1241 | -7518 | -621 | 23835 | 422 | -81 | 141 | 10 | -47 | -2 | ||||||||||
| 205,71 | -2505 | -7313 | -1253 | 23938 | 423 | -163 | 70 | 5 | -95 | -4 | ||||||||||
| 218,57 | -3747 | -6824 | -1874 | 24182 | 425 | -244 | 2 | 0 | -142 | -5 | ||||||||||
| 231,43 | -4805 | -5912 | -2403 | 24638 | 430 | -312 | -55 | -4 | -182 | -7 | ||||||||||
| 244,29 | -5415 | -4536 | -2708 | 25326 | 437 | -352 | -86 | -6 | -205 | -8 | ||||||||||
| 257,14 | -5291 | -2848 | -2646 | 26170 | 445 | -344 | -75 | -6 | -201 | -7 | ||||||||||
| 270,00 | -4287 | -1217 | -2144 | 26986 | 453 | -279 | -15 | -1 | -163 | -6 | ||||||||||
| 282,86 | -2570 | -116 | -1285 | 27536 | 459 | -167 | 85 | 6 | -98 | -4 | ||||||||||
| 295,71 | -696 | 141 | -348 | 27665 | 460 | -45 | 191 | 14 | -26 | -1 | ||||||||||
| 308,57 | 534 | -263 | 267 | 27462 | 458 | 35 | 259 | 19 | 20 | 1 | ||||||||||
| 321,43 | 510 | -453 | 255 | 27367 | 457 | 33 | 257 | 19 | 19 | 1 | ||||||||||
| 334,29 | -518 | 812 | -259 | 28000 | 464 | -34 | 203 | 15 | -20 | -1 | ||||||||||
| 347,14 | -1072 | 3656 | -536 | 29422 | 478 | -70 | 179 | 13 | -41 | -2 | ||||||||||
| 360,00 | 0 | 5387 | 0 | 30288 | 486 | 0 | 243 | 18 | 0 | 0 | ||||||||||
| 360,00 | 0 | 57280 | 0 | 56234 | 746 | 0 | 373 | 28 | 0 | 0 | ||||||||||
| 372,86 | 17510 | 59720 | 8755 | 57454 | 758 | 1138 | 1365 | 101 | 665 | 25 | ||||||||||
| 385,71 | 24990 | 39200 | 12495 | 47194 | 656 | 1624 | 1734 | 128 | 948 | 35 | ||||||||||
| 398,57 | 24460 | 21740 | 12230 | 38464 | 568 | 1590 | 1661 | 123 | 928 | 34 | ||||||||||
| 411,43 | 21530 | 10620 | 10765 | 32904 | 513 | 1399 | 1468 | 109 | 817 | 30 | ||||||||||
| 424,29 | 19000 | 3858 | 9500 | 29523 | 479 | 1235 | 1309 | 97 | 721 | 27 | ||||||||||
| 437,14 | 17300 | -779 | 8650 | 27205 | 456 | 1125 | 1202 | 89 | 657 | 24 | ||||||||||
| 450,00 | 15910 | -4515 | 7955 | 25337 | 437 | 1034 | 1114 | 83 | 604 | 22 | ||||||||||
| 462,86 | 14310 | -7704 | 7155 | 23742 | 421 | 930 | 1016 | 75 | 543 | 20 | ||||||||||
| 475,71 | 12280 | -10290 | 6140 | 22449 | 408 | 798 | 895 | 66 | 466 | 17 | ||||||||||
| 488,57 | 9882 | -12160 | 4941 | 21514 | 399 | 642 | 756 | 56 | 375 | 14 | ||||||||||
| 501,43 | 7318 | -13330 | 3659 | 20929 | 393 | 476 | 608 | 45 | 278 | 10 | ||||||||||
| 514,29 | 4776 | -13940 | 2388 | 20624 | 390 | 310 | 464 | 34 | 181 | 7 | ||||||||||
| 527,14 | 2344 | -14200 | 1172 | 20494 | 389 | 152 | 326 | 24 | 89 | 3 | ||||||||||
| 540,00 | 0 | -14270 | 0 | 20459 | 388 | 0 | 194 | 14 | 0 | 0 | ||||||||||
| 540,00 | 0 | -7396 | 0 | 23896 | 423 | 0 | 211 | 16 | 0 | 0 | ||||||||||
| 552,86 | -1210 | -7331 | -605 | 23929 | 423 | -79 | 143 | 11 | -46 | -2 | ||||||||||
| 565,71 | -2427 | -7083 | -1214 | 24053 | 424 | -158 | 75 | 6 | -92 | -3 | ||||||||||
| 578,57 | -3583 | -6526 | -1792 | 24331 | 427 | -233 | 12 | 1 | -136 | -5 | ||||||||||
| 591,43 | -4494 | -5529 | -2247 | 24830 | 432 | -292 | -37 | -3 | -171 | -6 | ||||||||||
| 604,29 | -4860 | -4072 | -2430 | 25558 | 439 | -316 | -54 | -4 | -184 | -7 | ||||||||||
| 617,14 | -4354 | -2344 | -2177 | 26422 | 448 | -283 | -21 | -2 | -165 | -6 | ||||||||||
| 630,00 | -2777 | -788 | -1389 | 27200 | 456 | -181 | 71 | 5 | -105 | -4 | ||||||||||
| 642,86 | -247 | -11 | -124 | 27588 | 460 | -16 | 216 | 16 | -9 | 0 | ||||||||||
| 655,71 | 2712 | -551 | 1356 | 27319 | 457 | 176 | 381 | 28 | 103 | 4 | ||||||||||
| 668,57 | 5256 | -2592 | 2628 | 26298 | 447 | 342 | 519 | 38 | 199 | 7 | ||||||||||
| 681,43 | 6502 | -5779 | 3251 | 24705 | 431 | 423 | 581 | 43 | 247 | 9 | ||||||||||
| 694,29 | 5900 | -9254 | 2950 | 22967 | 413 | 384 | 539 | 40 | 224 | 8 | ||||||||||
| 707,14 | 3501 | -11940 | 1751 | 21624 | 400 | 228 | 397 | 29 | 133 | 5 | ||||||||||
| 720,00 | 0 | -12950 | 0 | 21119 | 395 | 0 | 197 | 15 | 0 | 0 | ||||||||||
Определив изгибающий момент в опасной точке сечения, легко вычислить напряжение в этой точке:















