125958 (690801)
Текст из файла
СамГУПС
Кафедра «Детали машин»
Расчетно-пояснительная записка к курсовой работе
Содержание
Задание на проектирование
1 Краткое описание структуры и принцип работы механизма
2 Выбор электродвигателя
3 Кинематический расчет
3.1 Определение передаточного отношения и разбиение его по ступеням
3.2 Определение окружных и угловых скоростей зубчатых колес
4 Определение крутящих моментов на валах с учетом КПД.
5 Предварительный расчет валов по передаваемым моментам
6 Расчет тихоходной ступени
6.1 Выбор материала и термообработки зубчатых колес
6.2 Определение допускаемых напряжений: контактных и изгибных
6.3 Геометрический расчет зубчатой передачи
6.4 Расчет действительных контактных и изгибных напряжений и сравнение их с допускаемыми
7 Расчет отклонений от геометрической формы рабочего чертежа зубчатого колеса
Список использованной литературы
Задание на проектирование
Задание 10
Вариант 8
Рассчитать колеса тихоходной ступени привода ленточного конвейера.
Исходные данные:
Мощность на приводном барабане Р3, кВт: 2,2.
Угловая скорость ω3, рад/с: 4,2.
Ресурс tΣ, ч: 20000.
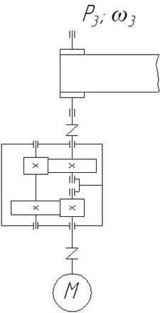
1 Краткое описание структуры и принцип работы механизма
Проектируемый привод предназначен для передачи вращательного движения от электродвигателя к приводному валу ленточного конвейера. В состав данного привода входят:
-
Электродвигатель.
-
Муфта.
-
Редуктор двухступенчатый соосный.
-
Муфта.
-
Приводной вал конвейера.
Рассмотрим более подробно составные части привода. Вращательное движение от электродвигателя через муфту передается на быстроходный вал редуктора. Кроме передачи вращательного движения муфта также компенсирует несоосность вала двигателя и быстроходного вала редуктора. В качестве электродвигателя широкое применение получили асинхронные двигатели. В этих двигателях значительное изменение нагрузки вызывает несущественное изменение частоты вращения ротора.
Двухступенчатый соосный редуктор передает вращательное движение от двигателя к приводному валу, при этом изменяя угловую скорость и крутящий момент по величине.
Еще одна муфта передает вращательное движение от тихоходного вала редуктора к приводному валу ленточного конвейера. Кроме передачи вращательного движения муфта также компенсирует несоосность тихоходного вала редуктора и приводного вала конвейера.
2 Выбор электродвигателя
Расчет ведем по [1].
Требуемая мощность двигателя:
Рэ потр = Р3 / ηобщ , где:
ηобщ = ηред · ηм2 · ηп - общий КПД привода.
ηред – КПД редуктора.
ηред = ηцп2 · ηп3
По таблице 1.1 из [1]:
ηцп = 0,96…0,98; принимаем ηцп = 0,97 – КПД закрытой цилиндрической передачи;
ηп = 0,99 – КПД пары подшипников качения.
ηм = 0,98 – КПД муфты.
ηред = 0,972 · 0,993 = 0,91
ηобщ = 0,91 · 0,982 · 0,99 = 0,87
Рэ потр = 2,2 / 0,87 = 2,53 кВт.
Частота вращения вала электродвигателя:
nэ = nвых · U1 · U2 , где:
U1 – передаточное число первой ступени;
U2 – передаточное число второй ступени.
По таблице 1.2 из [1] примем рекомендуемые значения передаточных чисел:
U1 = 4;
U2 = 3.
nвых = 30ω3 / π = 30 · 4,2 / 3,14 = 40,1 об/мин
nэ = 40,1 · 4 · 3 = 481,2 об/мин
По таблице 24.8 [1] выбираем электродвигатель АИР112МВ8: Р = 3 кВт; n = 709 об/мин.
3 Кинематический расчет
3.1 Определение передаточного отношения и разбиение его по ступеням
Общее передаточное число привода:
Uобщ = Uред = n / nвых = 709/40,1 = 17,68
По таблице 1.3 [1]:
U1 = Uред / U2 = 17,68 / 4,63 = 3,82
U2 = 0,9
= 1,1
= 4,63
3.2 Определение окружных и угловых скоростей зубчатых колес
Частота вращения валов:
n1 = n = 709 об/мин;
n2 = n1 / U1 = 709 / 3,82 = 185,6 об/мин;
n3 = nвых = 40,1 об/мин.
Угловые скорости валов:
ω1 = πn1 / 30 = 3,14 · 709 / 30 = 74,2 рад/с;
ω2 = πn2 / 30 = 3,14 · 185,6 / 30 = 19,4 рад/с;
ω3= ωвых = 4,2 рад/с.
4 Определение крутящих моментов на валах с учетом КПД
Вращающие моменты на валах:
Твых = Р3 / ω3 = 2,2 · 103 / 4,2 = 524 Н·м;
Т3 = Твых / (ηм · ηп ) = 524 / (0,98 · 0,99) = 540 Н·м;
Т2 = Т3 / (ηцп · U2) = 540 / (0,97 · 4,63) = 120,2 Н·м;
Т1 = Т2 / (ηцп · U1) = 120,2 / (0,97 · 3,82) = 32,4 Н·м.
Мощности на валах:
Р1 = Р · ηм · ηп = 3 · 0,98 · 0,99 = 2,91 кВт;
Р2 = Р1 · ηцп · ηп = 2,91 · 0,97 · 0,99 = 2,79 кВт;
Р3’ = Р2 · ηцп · ηп = 2,79 · 0,97 · 0,99 = 2,68 кВт;
Р3 = Рвых = 2,2 кВт.
5 Предварительный расчет валов по передаваемым моментам
Расчет ведем по ГОСТ 24266-80 и СТ СЭВ 534-77. При назначении размеров руководствуемся ГОСТ 6636-69 и рекомендациями [1].
В качестве материала валов используем сталь 45 ГОСТ 1050-88 [2].
Проектный расчет быстроходного вала.
Диаметр вала:
dб ≥ (7…8)
= (7…8)
= 22,3…25,5
Быстроходный вал соединяется муфтой с валом электродвигателя, диаметр которого dД = 32 мм. Значения диаметров, соединяемых валов не должны отличаться более, чем на 25%. Поэтому сначала находят ориентировочно dM ≈ 0,75dД . Окончательно принимаем диаметр посадки муфты на быстроходный вал dб = 25 мм.
Диаметр под подшипники:
dбп ≥ dб + 2t = 25 + 2 · 2,5 = 30 мм, где t = 2,5 из [1].
Принимаем: dбп = 30 мм (ГОСТ 27365-87).
dбп ≥ dбп + 3r = 30 + 3 · 2,5 = 37,5 мм; принимаем: dбп = 38 мм.
Проектный расчет промежуточного вала.
Диаметр вала:
dпр ≥ (6…7)
= (6…7)
= 29,6…34,5
Принимаем: dпр = 34 мм
Диаметр под подшипники:
dбпр = dпр – 3r = 34 - 3 · 2,5 = 26,5 мм, где r = 2,5 из [1].
Принимаем: dбпр = 30 мм (ГОСТ 27365-87).
По [1] определяем остальные конструктивные размеры:
dбк ≥ dпр + 3f = 34 + 3 · 1,2 = 37,6 мм; принимаем: dбк = 38 мм.
dбп ≥ dбпр + 3r = 30 + 3 · 2 = 36 мм; принимаем: dбп = 36 мм.
Проектный расчет тихоходного вала.
Диаметр вала:
dт ≥ (5…6)
= (5…6)
= 40,6…48,8
Принимаем: dт = 42 мм
Диаметр под подшипники:
dбт ≥ dт + 2t = 42 + 2 · 2,8 = 47,6 мм, где t = 2,8 из [1].
Диаметр под подшипники принимаем dбт = 50 мм (ГОСТ 8338-75).
dбп ≥ dбт + 3r = 50 + 3 · 3 = 59 мм; принимаем: dбп = 60 мм.
6 Расчет тихоходной ступени
6.1 Выбор материала и термообработки зубчатых колес
По таблице 2.1 [1] выбираем материалы колеса и шестерни.
Материал колес – сталь 45; термообработка – улучшение: 235…262 НВ2;
248,5 НВСР2; σв = 780 МПа; σт = 540 МПа; τ = 335 МПа.
Материал шестерен – сталь 45; термообработка – улучшение: 269…302 НВ1;
285,5 НВСР1; σв = 890 МПа; σт = 650 МПа; τ = 380 МПа.
6.2 Определение допускаемых напряжений: контактных и изгибных
Допускаемые контактные напряжения и напряжения изгиба для шестерни и колеса принимаем по таблице 2.2 [1]:
[σ]H1 = 1,8HBCP1 + 67 = 285,5 · 1,8 + 67 = 581 МПа
[σ]H2 = 1,8HBCP2 + 67 = 248,5 · 1,8 + 67 = 514 МПа
[σ]F1 = 1,03HBCP1 = 285,5 · 1,03 = 294 МПа
[σ]F2 = 1,03HBCP2 = 248,5 · 1,03 = 256 МПа
[σ]H1max = 2,8 σт = 2,8 · 650 = 1820 МПа
[σ]H2max = 2,8 σт = 2,8 · 540 = 1512 МПа
[σ]F1max = 2,74 HBCP1 = 2,74 · 285,5 = 782,3 МПа
[σ]F2max = 2,74 HBCP2 = 2,74 · 248,5 = 680,9 МПа
Для дальнейших расчетов принимаем: [σ]H = [σ]H2 = 514 МПа.
6.3 Геометрический расчет зубчатой передачи
Исходные данные: U2 = 4,63; Т3 = 540 Н·м; n3 = 40,1 об/мин.
αw2 ≥ Кα(U2 + 1)
= 4950 · (4,63 + 1)
= 0,1892 м
Кα = 4950 – для прямозубых передач [1].
КНβ = 1 – при постоянной нагрузке [1].
ψd = 0,5 ψα(U2 + 1) = 0,5 · 0,25 (4,63 + 1) = 0,70
Принимаем: ψα = 0,25 [1].
ТНЕ2 = КНД Т3 – эквивалентный момент на колесе, где:
КНД = КНЕ
≤ 1
Коэффициент эквивалентности:
КНЕ = 0,56 (таблица 2.4 [1])
NHG = (HBcp)3 = 248,53 = 1,53 · 107 – базовое число циклов нагружений.
КНД = 0,56 ·
= 0,82
ТНЕ2 = 0,82 · 540 = 443 Н·м.
Принимаем межосевое расстояние по стандартному ряду: αw2 = 180 мм.
Предварительные основные размеры колеса:
d2 = 2 αw2 U2 / (U2 + 1) = 2 · 180 · 4,63 / (4,63 + 1) = 296 мм – делительный диаметр
b2 = ψα αw2 = 0,25 · 180 = 45 мм
Модуль передачи:
m ≥
=
= 0,002 м
Km = 6,6 – для прямозубых колес [1].
ТFЕ2 = КFД Т3 – эквивалентный момент на колесе, где:
КFД = КFЕ
≤ 1
Коэффициент эквивалентности:
КFЕ = 0,68 (таблица 2.4 [1])
NFG = 4 · 106 – базовое число циклов нагружений.
КFД = 0,68 ·
= 1
ТFЕ2 = 1 · 540 = 540 Н·м.
Принимаем m = 2 мм.
Суммарное число зубьев:
zΣ = 2 αw2 / m = 2 · 180 / 2 = 180
Число зубьев шестерни и колеса:
z1 = zΣ / (U2 + 1) = 180 / (4,63 + 1) = 32
z2 = zΣ - z1 = 180 – 32 = 148
Фактическое передаточное число:
U2ф = z2 / z1 = 148/32 = 4,625
Отклонение от заданного передаточного числа: 0,1% < 4%
Делительные диаметры:
d1 = m z1 = 2 · 32 = 64 мм
d2 = 2 αw2 - d1= 2 · 180 - 64 = 296 мм
Диаметры окружности вершин и впадин зубьев:
da1 = d1 + 2(1 + х1 – у)m = 64 + 2 · 2 = 68 мм
df1 = d1 – 2(1,25 – х1)m = 64 – 2,5 · 2 = 59 мм
da2 = d2 + 2(1 + х2 –у)m = 296 + 2 · 2 = 300 мм
df2 = d2 – 2(1,25 – х2)m = 296 – 2,5 · 2 = 291 мм
x1 = x2 = 0; y = -(αw2 – α)/m = -(180 – 180)/2 = 0 – коэффициент воспринимаемого смещения.
α = 0,5m(z2 + z1) = 0,5 · 2 (148 + 32) = 180 – делительное межосевое расстояние
Размеры заготовок колес:
Dзаг = da2 + 6 = 300 + 6 = 306 мм > Dпред = 125 мм
Характеристики
Тип файла документ
Документы такого типа открываются такими программами, как Microsoft Office Word на компьютерах Windows, Apple Pages на компьютерах Mac, Open Office - бесплатная альтернатива на различных платформах, в том числе Linux. Наиболее простым и современным решением будут Google документы, так как открываются онлайн без скачивания прямо в браузере на любой платформе. Существуют российские качественные аналоги, например от Яндекса.
Будьте внимательны на мобильных устройствах, так как там используются упрощённый функционал даже в официальном приложении от Microsoft, поэтому для просмотра скачивайте PDF-версию. А если нужно редактировать файл, то используйте оригинальный файл.
Файлы такого типа обычно разбиты на страницы, а текст может быть форматированным (жирный, курсив, выбор шрифта, таблицы и т.п.), а также в него можно добавлять изображения. Формат идеально подходит для рефератов, докладов и РПЗ курсовых проектов, которые необходимо распечатать. Кстати перед печатью также сохраняйте файл в PDF, так как принтер может начудить со шрифтами.















