125893 (690746), страница 2
Текст из файла (страница 2)
N max = 0,0065 – (-0,012) = 0,0185 мм;
S max = 0 – (- 0,0065) = 0,0065 мм.
Допуск посадки: T N = 0,0065 + 0,0185 = 0,025 мм.
Рисунок 8.- Схема полей допусков соединения Ø25
Соединение Ø62
- переходная посадка
Предельные отклонения отверстия в корпусе Ø62 K7:
ES = + 0,009 мм; EI = - 0,021 мм.
Предельные отклонения внутреннего кольца подшипника Ø62 l0:
es = 0 мм; ei = - 0,015 мм.
Предельные значения зазора в соединении:
N max = 0 – (-0,021) = 0,021 мм;
S max = 0,009 – (- 0,015) = 0,024 мм.
Допуск посадки:
T S = 0,021 + 0,024 = 0,045 мм.
Рисунок 9.- Схема полей допусков соединения Ø62
4.3 Посадки шпоночных соединений
Для шпоночных соединений (шпонка b x h х l = 8 х 7 х 30, 8 х 7 х 60 мм ГОСТ 23360-78) принимаю для единичного производства нормальное соединение [2, с.237, табл.4.65].
Соединения шпонок с валом:
;
Соединения шпонок со втулками:
;
Проанализируем эти посадки.
Предельные отклонения ширины пазов на валах:
;.
Предельные отклонения ширины пазов во втулках:
.
Предельные отклонения ширины шпонок:
Посадка шпонки на вал
; - переходная.
Предельные значения зазоров и натягов в соединениях:
Smax = ES – ei = 0 – (- 0,036) = 0,036 мм;
Nmax = es – EI = 0 – (- 0,036) = 0,036 мм.
Допуск посадки:
TS,N = Smax + Nmax = 0,036 + 0,036 = 0,072 мм.
Посадка шпонки во втулку
; - переходная.
Предельные значения зазоров и натягов в соединениях:
Smax = ES – ei = 0,018 – (- 0,036) = 0,054 мм;
Nmax = es – EI = 0 – (- 0,018) = 0,018 мм.
Допуск посадки:
TS,N = Smax + Nmax = 0,054 + 0,018 = 0,072 мм.
Рисунок 9. – Схемы полей допусков шпоночных соединений:
а – шпонка b x h x l = 8 x 7 x 30 мм;
4.4 Посадки резьбовых соединений
Для крепления крышек подшипников к корпусу редуктора применяется резьбовое соединение болтами М10. В данном случае герметичность соединения не требуется, а наличие зазора способствует более равномерному распределению нагрузки между витками резьбы, предотвращает заклинивание, уменьшает трение, компенсирует возможные перекосы резьбы. Исходя из этого назначаю посадку резьбы с зазором
. Номинальный диаметр резьбы d (D) = 10 мм. Шаг резьбы р = 1 мм. Допуски диаметров резьбы для 6-й степени точности при нормальной длине свинчивания определяем по [5, с.161…162 ]:
Td 2 = 112 мкм = 0,112 мм; ТD2 = 150 мкм= 0,150 мм;
Тd = 180 мкм = 0,180 мм; ТD = не нормируется;
Td1 = не нормируется; ТD1 = 236 мкм = 0,236 мм.
Определяю предельные отклонения резьбы [5, с.158 ]:
d: es = - 0,026 мм; ei = - 0,206 мм;
d2: es = - 0,026 мм; ei = -0,138 мм;
d1: es = - 0,026 мм; ei = не нормируется;
D: ES = не нормируется; EI = 0 мм;
D2: ES = 0,150 мм; EI = 0 мм;
D1: ES = 0,236 мм; EI = 0 мм.
Определяем средний и внутренний диаметры резьбы по [2, с.144]:
d 2 (D 2) = d – 1 + 0,350 =10 – 1 + 0,350 =8,650 мм;
d1 (D1) = d – 2 + 0,917 = 10 – 2 + 0,917 =8,917 мм.
Определяю предельные размеры наружной резьбы (болта):
d 2 max = d2 + es = 8,650 – 0,026 = 8,624 мм;
d 2 min = d2 + ei = 8,650 – 0,138 = 8,512 мм;
d1 max = d1 + es = 8,917 – 0,026 = 8,891 мм;
d1 min = d1 + ei = не нормируется;
d max = d + es = 10 – 0,026 = 9,974 мм;
d min = d + ei = 10 – 0,206 = 9,794 мм.
Определяю предельные размеры внутренней резьбы (резьбовое отверстие):
D 2 max = D2 + ES = 8,650 + 0,150 = 8,80 мм;
D 2 min = D2 + EI = 8,650 + 0 = 8,650 мм;
D 1 max = D1 + ES = 8,917 + 0,236 = 9,153 мм;
D1 min = D1 + EI = 8,917 + 0 = 8,917 мм;
D max = не нормируется;
D min = D + EI = 10 + 0 = 10,0 мм.
Рисунок 4.11 - Схема расположения полей допусков резьбового соединенияМ10
(внутренний диаметр)
Рисунок 4.12 - Схема расположения полей допусков резьбового соединения
М10-
(наружный диаметр)
Рисунок 4.12 - Схема расположения полей допусков резьбового соединения
М10-
(средний диаметр)
5 РАЗМЕРНЫЙ АНАЛИЗ СБОРОЧНОЙ ЕДИНИЦЫ
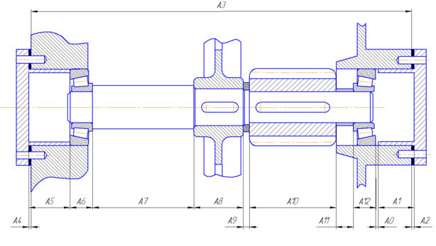
Размерный анализ сборочной единицы будем производить методом регулирования, при котором предписанная точность исходного (замыкающего) размера достигается преднамеренным изменением (регулированием) величины одного из заранее выбранных составляющих размеров, называемого компенсатором [7, с.169]. Для заданной сборочной единицы (рис. 12) роль компенсирующих размеров выполняют прокладки.
Рисунок 12.- Сборочная размерная цепь
Для нормальной работы роликовых радиально-упорных подшипников между крышкой и торцом подшипника необходимо обеспечить зазор для компенсации теплового расширения вала. Величину зазора принимаю равной А0 = 0,04…0,07 мм. На рисунке 12 представлена размерная цепь с исходным звеном А0. Звенья
– увеличивающие,
- уменьшающие.
Сумма размеров звеньев
является компенсатором. Номинальные размеры звеньев цепи, их характеристики, отклонения и допуски приведены в таблице 1.
Таблица 1.- К расчету размерной цепи методом регулирования
| Звено | Номинальный размер, мм | Характер звена | Верхнее отклонение ЕS, мкм | Нижнее отклонение EI, мкм | Допуск Т, мкм |
| А1 | 29 | уменьшающее | +52 | 0 | 52 |
| А2 | 2 | компенсатор | рассчитывается | ||
| А3 | 308 | увеличивающее | 0 | - 130 | 130 |
| А4 | 2 | компенсатор | рассчитывается | ||
| А5 | 29 | уменьшающее | +52 | 0 | 52 |
| А6 | 18.25 | уменьшающее | 0 | - 200 | 200 |
| А7 | 88.5 | уменьшающее | 0 | - 87 | 87 |
| А8 | 40 | уменьшающее | 0 | - 62 | 62 |
| А9 | 5 | уменьшающее | 0 | - 30 | 30 |
| А10 | 70 | уменьшающее | 0 | - 74 | 74 |
| А11 | 14 | уменьшающее | 0 | - 43 | 43 |
| А12 | 18.25 | уменьшающее | 0 | - 200 | 200 |
| А0 | 0.07 | замыкающее | 0 | - 30 | 30 |
Определяем номинальный размер компенсатора:
Распределим номинальный размер k: А2 = 2, А4 =2,07 мм.
На изготовление всех размеров (деталей) размерной цепи назначаю допуски по 9 квалитету. Определяем величины допусков на изготовление всех деталей и проставим предельные отклонения в тело деталей, то есть по ходу обработки сопрягаемых поверхностей [3, с.44]. Звенья А6 и А8 являются шириной кольца подшипника и допускаемые отклонения его по ГОСТ 520-71 [2, с.273]равны: es = 0 мм; ei = -0,2 мм = - 200 мкм.
Сумма допусков составляющих звеньев:
Допуск замыкающего звена:
Предельные отклонения компенсатора:
;
;
.
Определим величину компенсации
:
Проверяю расчет:
.
Рассчитываю предельные размеры компенсатора:
Принимаю
за постоянные прокладки.
Количество сменных прокладок:
Толщина сменных прокладок:
Из-за большого количества получившихся прокладок принимаем стандартные прокладки 1 прокладки 0,9 мм, и 1 прокладку 0,03 мм.
Таким образом, в комплект входят постоянные прокладки толщиной 2,0 мм 1,3 мм, 0,9 мм и 1 сменная прокладка толщиной 0,03 мм.















