125888 (690741)
Текст из файла
Спроектировать привод, состоящий из трехступенчатого цилиндро-коническо-цилиндрического мотор-редуктора (1), компенсирующе-предохранительной муфты (2), приводного вала с тяговой звездочкой (3), приводящей в движение тяговую цепь М112-1-125-2 ГОСТ 588-81 цепного транспортера. Мотор-редуктор и приводной вал установлены на сварной раме.
Принять:
Типовой режим нагружения: 3.
Расчетный ресурс: 7 000 часов.
Изготовление в год: 1 шт.
Техническая характеристика привода:
Окружная сила на звездочке Ft, кН: 4,5.
Скорость тяговой цепи V, м/с: 0,4.
Число зубьев звездочки z: 7.
Ft=F1-F2; F2=0,25F1.
Принял
Выбор электродвигателя и кинематический расчет.
Выбор двигателя [1].
Общий КПД привода: η = ηред · ηм · ηп
ηред - КПД редуктора.
ηред = ηцп2 · ηкп · ηп3
ηцп = 0,95…0,97; принимаем ηцп = 0,96 - КПД закрытой цилиндрической передачи;
ηкп = 0,95…0,97; принимаем ηкп = 0,96 - КПД закрытой конической передачи;
ηп = 0,99 - КПД пары подшипников качения.
ηред = 0,962 · 0,96 · 0,993 = 0,86
ηм = 0,98 - КПД муфты.
η = 0,86 · 0,98 · 0,99 = 0,83
Требуемая мощность двигателя:
Ртр = Рвых/ η = 1,8/0,83 = 2,2 кВт.
Рвых - мощность на тяговой звездочке.
Рвых = Ft · V = 4,5 · 103 · 0,4 = 1,8 кВт.
Кэ = 1 - коэффициент, учитывающий условия эксплуатации передачи.
Частота вращения тяговой звездочки [3].
V =
, следовательно nвых =
=
= 27 об/мин.
nвых - частота вращения тяговой звездочки. V = 0,4 м/с - скорость тяговой цепи. Z = 7 - число зубьев тяговой звездочки. t = 125 мм - шаг цепи.
По заданию: М112-1-125-2 ГОСТ 588-81 - тяговая пластинчатая цепь с разрушающей нагрузкой 112 кН, типа 1, с шагом 125 мм, исполнения 2.
Ft = F1 - F2 = 4,5 кН., F2 = 0,25F1
Отсюда: F1 = 6 кН, F2 = 1,5 кН.
Выбираем электродвигатель с запасом мощности: АИР100S4
Pдв = 3 кВт; nдв = 1440 об/мин.
Передаточное число редуктора [4].
Uред = U1 · U2 · U3 = nдв / nвых = 1440/27 = 53,3
U1 - передаточное число первой ступени;
U2 - передаточное число второй ступени;
U3 - передаточное число третьей ступени.
Примем: U1 = 4; U2 = 3,5; U3 = 3,8.
Частота вращения валов:
n1 = nдв = 1440 об/мин;
n2 = n1/U1 = 1440/4 = 360 об/мин;
n3 = n2/U2 = 360/3,5 = 102,8 об/мин;
n4 = nвых = 27 об/мин.
Угловые скорости валов:
ω1 = πn1/30 = 3,14 · 1440/30 = 150,7 рад/с;
ω2 = πn2/30 = 3,14 · 360/30 = 37,7 рад/с;
ω3 = πn3/30 = 3,14 · 102,8/30 = 10,8 рад/с;
ω4 = ωвых = πn4/30 = 3,14 · 27/30 = 2,8 рад/с.
Мощности на валах:
Р1 = Рдв = 3 кВт; Р2 = Р1 · ηцп · ηп = 3 · 0,96 · 0,99 = 2,85 кВт;
Р3 = Р2 · ηкп · ηп = 2,85 · 0,96 · 0,99 = 2,7 кВт;
Р4 = Р3 · ηцп · ηп = 2,7 · 0,96 · 0,99 = 2,6 кВт;
Рвых = Р4 · ηм · ηп = 2,6 · 0,98 · 0,99 = 2,5 кВт;
Вращающие моменты на валах:
М1 = Р1/ω 1 = 3/150,7 = 0,02 кН·м = 20 Н·м;
М2 = Р2/ω 2 = 2,85/37,7 = 0,076 кН·м = 76 Н·м;
М3 = Р3/ω 3 = 2,7/10,8 = 0,25 кН·м = 250 Н·м;
М4 = Р4/ω 4 = 2,6/2,8 = 0,93 кН·м = 930 Н·м;
Мвых = Рвых / ω 4 = 2,5/2,8 = 0,9 кН·м = 900 Н·м.
Выбор материалов шестерен и колес и определение допускаемых напряжений.
Материал колес - сталь 45; термообработка - улучшение: 235…262 НВ2;
248,5 НВСР2; σв = 780 МПа; σ-1 = 540 МПа; τ = 335 МПа.
Материал шестерен - сталь 45; термообработка - улучшение: 269…302 НВ1;
285,5 НВСР1; σв = 890 МПа; σ-1 = 650 МПа; τ = 380 МПа. табл.3.2 [4].
Допускаемые контактные напряжения для шестерни и колеса.
NK6 = 573 · ω 4 · Lh = 573 · 2,8 · 7000 = 17,2 · 106 циклов;
NK5 = NK6 · U3 = 17,2 · 106 · 3,8 = 65,4 · 106 циклов.
NHO = 16,5 · 106 табл.3.3 [4] - число циклов перемены напряжений, соответствующих пределу выносливости.
При NK > NHO, коэффициент долговечности КНL = 1.
NFO = 4 · 106 - число циклов перемены напряжений при изгибе для всех видов сталей, стр.56 [4].
При NK > NFO, коэффициент долговечности КFL = 1.
[σ] H5 = 1,8HBCP1 + 67 = 285,5 · 1,8 + 67 = 581 МПа
[σ] H6 = 1,8HBCP2 + 67 = 248,5 · 1,8 + 67 = 514 МПа
[σ] F5 = 1,03HBCP1 = 285,5 · 1,03 = 294 МПа
[σ] F6 = 1,03HBCP2 = 248,5 · 1,03 = 256 МПа
Расчет третьей ступени редуктора.
Межосевое расстояние из условия контактной прочности зубьев:
α3 = Кα (U3 + 1)
= 495 · (3,8 + 1)
= 201,5 мм.
Кα = 495 - для прямозубых передач, стр.135 [3].
КНβ = 1 - при постоянной нагрузке.
Принимаем α3 = 200 мм.
m = (0,01-0,02) α3 = 2-4 мм, принимаем m = 3 мм.
z5 = 2α3/m (U3 + 1) = 2 · 200/3 · (3,8 + 1) = 28
z6 = z5U3 = 28 · 3,8 = 106
d5 = m z5 = 3 · 28 = 84 мм
da5 = d5 + 2m = 84 + 2 · 3 = 90 мм
dt5 = d5 - 2,5m = 84 - 2,5 · 3 = 76,5 мм
d6 = m z6 = 3 · 106 = 318 мм
da6 = d6 + 2m = 318 + 2 · 3 = 324 мм
dt6 = d6 - 2,5m = 318 - 2,5 · 3 = 310,5 мм
b6 = ψва · α3 = 0,4 · 200 = 80 мм
b5 = b6 + 5 = 80 + 5 = 85 мм
Окружная скорость:
V3 =
=
= 0,45 м/с
Назначим 8 степень точности изготовления зубьев, стр.32 [1].
Коэффициент формы зуба: уF5 = 3,9, уF6 = 3,6, стр.42 [1].
[σF5] / уF5 = 294/3,9 = 75,4 МПа; [σF6] / уF6 = 256/3,6 = 71 МПа
71<75,4 - следовательно, расчет ведем по зубьям колеса.
Коэффициент нагрузки:
КF = КFβ · KFV = 1,03 · 1,1 = 1,14
Усилия в зацеплении:
окружное: Ft5 = Ft6 = 2М3/d5 = 2 · 250/0,084 = 5952 H
радиальное: Fr5 = Fr6 = Ft5 · tgα = 5952 · tg 20° = 2166 H
Напряжение изгиба в зубьях колеса:
σF6 = Ft6 · КF · уF6/b6 · m = 5952 · 1,14 · 3,6/80 · 3 = 101,8 МПа< [σ] F6 = 256 МПа
Прочность зубьев по изгибу обеспечена.
Проверочный расчет зубьев по контактному напряжению:
σН6 =
=
= 474 МПа
КН = КНα· КНβ · КНV = 1 · 1 · 1,05 = 1,05
КНα = 1 стр.32 [1] ; КНβ = 1 табл.3.1 [1] ; КНV = 1,05 стр.32 [1].
σН6 < [σ] Н6
Следовательно, прочность зубьев по контактному напряжению обеспечена. Расчет второй ступени редуктора. Внешний делительный диаметр колеса [1].
de4 ≥ 165
Для прямозубых колес:
vH = kHΒ =1
de4 ≥ 165
= 245,94 мм
По ГОСТ 6636-69 принимаем de4= 250 мм.
Углы делительных конусов.
δ4 = arctg (U2) = arctg 3,5 = 74,05º; δ3 = 90º - δ4 = 15,95º
Внешнее конусное расстояние:
Re = de4/2sin (δ4) = 250/2sin 74,05 = 130,2 мм
Ширина зубчатого венца шестерни и колеса:
b = 0,285Re = 0,285 · 130,2 = 37,11 мм
Внешний окружной модуль:
me =
vF = 0,85 - для прямозубых колес,
KFβ = 1 для прямозубых колес.
me =
= 1,73 мм
Число зубьев колеса и шестерни:
z4 = de4/me = 250/1,73 = 144,5, принимаем z4 = 144.
z3 = z4/U2 = 144/3,5 = 41.
Внешние диаметры шестерни и колеса.
Делительные диаметры:
de3 = me z3 = 1,73 · 41 = 70,93 мм;
de4 = me z4 = 1,73 · 144 = 249,12 мм.
Диаметры вершин:
dae3 = de3 + 2 (1 + Xe3) me cosδ3
dae4 = de4 + 2 (1 - Xe3) me cosδ4
Xe3 = 0,33 - коэффициент смещения [1].
dae3 = 70,93 + 2 · 1,33 · 1,73 · cos15,95º = 75,35 мм
dae4 = 249,12 + 2 · 0,67 · 1,73 · cos74,05º = 249,76 мм
Средние делительные диаметры:
d3 = 0,857de3 = 0,857 · 70,93 = 60,8 мм
d4 = 0,857de4 = 0,857 · 249,12 = 213,5 мм
Проверочный расчет.
Проверка контактных напряжений.
σН = 470
≤ [σ] H,
где Ft4 =
=
= 2342 H - окружная сила в зацеплении.
VH = KHβ = KHα = 1
Величину KHv находим из [1], в зависимости от класса прочности и окружной скорости.
V2 = ω3d4/2 · 103 = 10,8 · 213,5/2 · 103 = 1,15 м/с
KHv = 1,04
σН = 470
= 460 МПа < [σ] Н = 514 МПа
Проверка напряжения изгиба.
σF4 = YF4 Yβ
KFα KFβ KFv ≤ [σ] F
Yβ = KFα = KFβ =1, vF = 0,85, KFv = 1,01, YF4 = 3,63 [4].
zv4 = z4/cos δ4 = 144/cos 74,05º = 523,6
σF4 = 3,63 ·
· 1,01 = 157 МПа ≤ [σ] F = 256 МПа
Силы в зацеплении:
Fr3 = Fa4 = Ft4 · tgα · cos δ3 = 2342 · tg 20º · cos 15,95º = 820 H
Fa3 = Fr4 = Ft4 · tgα · cos δ4 = 2342 · tg 20º · cos 74,05º = 234 H
Расчет первой ступени редуктора. U1 = 4
Материалы и допускаемые напряжения одинаковы с тихоходной ступенью
α1 = Кα (U1 + 1)
= 495 · (4 + 1)
= 97,6 мм.
Кα = 495 - для прямозубых передач, стр.135 [3].
КНβ = 1 - при постоянной нагрузке. Принимаем α1 = 100 мм.
m = (0,01-0,02) α1 = 1-2 мм, принимаем m = 1,5 мм.
z1 = 2α1/m (U1 + 1) = 2 · 100/1,5 · (4 + 1) = 27
z2 = z1U1 = 27 · 4 = 108, d1 = m z1 = 1,5 · 27 = 40,5 мм
da1 = d1 + 2m = 40,5 + 2 · 1,5 = 43,5 мм
dt1 = d1 - 2,5m = 40,5 - 2,5 · 1,5 = 36,75 мм
d2 = m z2 = 1,5 · 108 = 162 мм
da2 = d2 + 2m = 162 + 2 · 1,5 = 165 мм
dt2 = d2 - 2,5m = 162 - 2,5 · 1,5 = 158,25 мм
b2 = ψва · α1 = 0,315 · 100 = 32 мм
b1 = b2 + 5 = 32 + 5 = 37 мм
Коэффициент формы зуба: уF1 = 4,07, уF2 = 3,6, стр.42 [1]. Усилия в зацеплении:
окружное: Ft1 = Ft2 = 2М1/d1 = 2 · 20/0,0405 = 988 H
радиальное: Fr1 = Fr2 = Ft1 · tgα = 988 · tg 20° = 360 H
[σF1] / уF1 = 294/4,07 = 72 МПа; [σF2] / уF2 = 256/3,6 = 71 МПа
71<72 - следовательно, расчет на изгиб ведем по зубьям колеса.
Коэффициент нагрузки: КF = КFβ · KFV = 1,04 · 1,25 = 1,3
КFβ = 1,04 табл.3.7 [1], KFV = 1,25 табл.3.8 [1]. Напряжение изгиба в зубьях колеса:
σF2 = Ft2 · КF · уF2/b2 · m = 988 · 1,3 · 3,6/32 · 1,5 = 96 МПа< [σ] F2 = 256 МПа
Прочность зубьев по изгибу обеспечена. Напряжение изгиба при перегрузке:
σFmax = σF · Мmax / Мном = 96 · 2,2 = 211 < [σFmax] = 681 МПа
[σFmax] = 2,74НВ2 = 2,74 · 248,5 = 681 МПа
Проверочный расчет зубьев по контактному напряжению:
σН2 =
=
= 433 МПа < [σ] Н2=514 МПа
КН = КНα· КНβ · КНV = 1 · 1 · 1,05 = 1,05
КНα = 1 стр.32 [1] ; КНβ = 1 табл.3.1 [1] ; КНV = 1,05 стр.32 [1].
Проверка контактных напряжений при перегрузке:
σmax = σН ·
= 433 ·
= 642 МПа < [σНпр] = 1674 МПа
[σНпр] = 3,1 · σТ = 3,1 · 540 = 1674 МПа
Окружная скорость в зацеплении:
V1 =
= 3,14 · 0,0405 · 1440/60 = 3,1 м/с
Назначим 8 степень точности изготовления зубьев, стр.32 [1].
Основные размеры корпуса и крышки редуктора.
Толщина стенок:
δ = 0,025α3 + 3 = 0,025 · 201,5 + 3 = 8 мм
δ1 = 0,02α3 + 3 = 0,02 · 201,5 + 3 = 7 мм
Принимаем: δ = δ1 = 8 мм. Толщина поясов стыка:
b = b1 = 1,5δ = 1,5 · 8 = 12 мм
Толщина бобышки крепления на раму:
p = 2,35δ = 2,35 · 8 = 20 мм
Диаметры болтов:
d1 = 0,03α3 + 12 = 0,03 · 201,5 + 12 = 18 мм - М18
d2 = 0,75d1 = 0,75 · 18 = 13,5 мм - М14
d3 = 0,6d1 = 0,6 · 18 = 9,9 мм - М10
d4 = 0,5d1 = 0,5 · 18 = 9 мм - М10
Расчет ведомого вала и расчет подшипников для него.
Диаметр выходного конца вала, исходя из расчета на кручение:
d4 =
=
= 55,8 мм
Принимаем: выходной диаметр Ø56 мм, под подшипники - Ø60 мм, под колесо - Ø65 мм. Усилие от муфты: FM = 250
= 250
= 7624 H
Ft6 = 5952 H, Fr6 = 2166 H, a = 212 мм, b = 71,5 мм, с = 100 мм.
Реакции от усилий в зацеплении:
RAx (a + b) - Ft6b = 0; RAx = Ft6b / (a + b) = 5952 · 0,0715/0,2835 = 1501 H
RBx = Ft6 - RAx = 5952 - 1501 = 4451 H
Mx = RBxb = 4451 · 0,0715 = 318 H · м
RAy = Fr6b / (a + b) = 2166 · 0,0715/0,2835 = 546 H
RBy = Fr6 - RAy = 2166 - 546 = 1620 H
My = RByb = 1620 · 0,0715 = 116 H · м
Реакции от усилия муфты:
FM (a + b + c) - RAFм (a + b) = 0;
RAFм = FM (a + b + c) / (a + b) = 7624 · 0,3835/0,2835 = 10313 H
RBFм = RAFм - FM = 10313 - 7624 = 2689 H
RA =
=
= 1597 H
RB =
=
= 4736 H
Для расчета подшипников:
RA' = RA + RAFм = 1597 + 10313 = 11910 H
RB' = RB + RBFм = 4736 + 2689 = 7425 H
Опасное сечение I - I. Концентрация напряжений в сечении I - I вызвана напрессовкой внутреннего кольца подшипника на вал с натягом.
Материал вала - сталь 45, НВ = 240, σв = 780 МПа, σт = 540 МПа, τт = 290 МПа,
σ-1 = 360 МПа, τ-1 = 200 МПа, ψτ = 0,09, табл.10.2 [2].
Расчет вала в сечении I - I на сопротивление усталости.
σа = σu = МAFм / 0,1d43 = 762,4 · 103/0,1 · 603 = 35,3 МПа
τа = τк /2 = М4/2 · 0,2d43 = 930 · 103/0,4 · 603 = 10,8 МПа
Кσ / Кdσ = 3,8 табл.10.13 [2] ; Кτ / Кdτ = 2,2 табл.10.13 [2] ;
KFσ = KFτ = 1 табл.10.8 [2] ; KV = 1 табл.10.9 [2].
KσД = (Кσ / Кdσ + 1/КFσ - 1) · 1/KV = (3,8 + 1 - 1) · 1 = 3,8
KτД = (Кτ / Кdτ + 1/КFτ - 1) · 1/KV = (2,2 + 1 - 1) · 1 = 2,2
σ-1Д = σ-1/KσД = 360/3,8 = 94,7 МПа
τ-1Д = τ - 1/KτД = 200/2,2 = 91 МПа
Sσ = σ-1Д / σа = 94,7/35,3 = 2,7; Sτ = τ - 1Д / τ а = 91/10,8 = 8,4
S = Sσ Sτ /
= 2,7 · 8,4/
= 2,6 > [S] = 2,5
Прочность вала обеспечена.
Выбор типа подшипника.
Осевые нагрузки отсутствуют, поэтому берем радиальные шарикоподшипники №212,
С = 52 кН, С0 = 31 кН, d×D×B = 60×110×22
QA = RA' Kδ KT = 11910 · 1,3 · 1 = 15483 H
Ресурс подшипника:
Lh = a23 (C / QA) m (106/60n4) = 0,8 · (52/15,483) 3 · (106/60 · 27) = 1,9 · 104 ч
1,9 · 104 ч < [t] = 2,5 · 104 ч
Так как Lh < [t] возьмем роликовые подшипники №2312; С = 151 кН;
d×D×B = 60×130×31, тогда:
Lh = 0,7 · (151/15,183) 3,3 · (106/60 · 27) = 8,2 · 104 ч > [t] = 2,5 · 104 ч
Подшипник подходит. Расчет промежуточного (третьего) вала
и расчет подшипников для него.
Диаметр вала, исходя из расчета на кручение:
d3 =
=
= 36,7 мм
Принимаем: диаметр под подшипники - Ø40 мм, под коническое колесо - Ø45мм.
Ft5 = 5952 H, Fr5 = 2166 H, d = 71,5 мм, e = 133 мм, f = 78,5 мм.
Ft4 = 2342 H, Fr4 = 234 H, Fa4 = 820 H.
Реакции опор:
в плоскости xz:
RDX = (Ft5d + Fr4 (d+e) + Fa4d4/2) / (d+e+f) = (5952·71,5 + 234·204,5 + 820·106,75) /283 = 1982 Н;
RCX = (Fr4f + Ft5 (f+e) - Fa4d4/2) / (d+e+f) = (234·78,5 + 5952·211,55 - 820·106,75) /283 = 4204 Н;
Проверка: RDX + RCX - Ft5 - Fr4 = 1982 + 4204 - 5952 - 234 = 0.
в плоскости yz:
RDY = (Fr5d + Ft4 (d+e)) / (d+e+f) = (2166·71,5 + 2342·204,5) /283 = 2238 Н;
RCY = (Ft4f + Fr5 (f+e)) / (d+e+f) = (2342·78,5 + 2166·211,5) /283 = 2270 Н;
Проверка: RDY + RCY - Fr5 - Ft4 = 2238 + 2270 - 2166 - 2342 = 0.
Суммарные реакции:
RD =
=
= 2989 H;
RC =
=
= 4778 H;
Опасное сечение - место под колесо цилиндрической передачи.
Материал вала - сталь 45, НВ = 240, σв = 780 МПа, σт = 540 МПа, τт = 290 МПа,
σ-1 = 360 МПа, τ-1 = 200 МПа, ψτ = 0,09, табл.10.2 [2].
Найдем значения изгибающих моментов в наиболее опасном сечении:
Му = RDX (e+f) - Fr4e - Fa4d4/2 = 1982 · 0,2115 - 234 · 0,133 - 820 · 0,107= 300,7 Н·м;
Мх = RDY (e+f) - Ft4e = 2238 · 0,2115 - 2342 · 0,133 = 162 Н·м;
Мсеч =
=
= 341,6 Н·м.
Расчет вала в опасном сечении на сопротивление усталости.
σа = σu = Мсеч / 0,1d3 = 341,6 · 103/0,1 · 76,53 = 37,5 МПа
τа = τк /2 = М3/2 · 0,2d3 = 250 · 103/0,4 · 76,53 = 6,9 МПа
Кσ / Кdσ = 3,8 табл.10.13 [2] ; Кτ / Кdτ = 2,2 табл.10.13 [2] ;
KFσ = KFτ = 1 табл.10.8 [2] ; KV = 1 табл.10.9 [2].
KσД = (Кσ / Кdσ + 1/КFσ - 1) · 1/KV = (3,8 + 1 - 1) · 1 = 3,8
KτД = (Кτ / Кdτ + 1/КFτ - 1) · 1/KV = (2,2 + 1 - 1) · 1 = 2,2
σ-1Д = σ-1/KσД = 360/3,8 = 94,7 МПа
τ-1Д = τ - 1/KτД = 200/2,2 = 91 МПа
Sσ = σ-1Д / σа = 94,7/37,5 = 2,6; Sτ = τ - 1Д / τ а = 91/6,9 = 13,2
S = Sσ Sτ /
= 2,6 · 13,2/
= 2,63 > [S] = 2,5
Прочность вала обеспечена.
Выбор типа подшипника.
Осевые нагрузки присутствуют, поэтому берем роликовые подшипники №7208, С = 58,3 кН, С0 = 40 кН, d×D×B = 40×80×18
Эквивалентная нагрузка:
Qэ = (XVRC + YFa4) KбKT,
в которой радиальная нагрузка RC = 4778 H; осевая нагрузка Fa4 = 820 H; V = 1 -
вращается внутреннее кольцо; коэффициент безопасности Kб = 1,3; КТ = 1.
Отношение Fa4/Со = 820/40000 = 0,021; этой величине соответствует е = 0,37.
Отношение Fa4/RC = 820/4778 = 0,17 < е; Х = 0,4; Y = 1,6.
Qэ = (0,4·4778 + 1,6· 820) ·1,3 = 4077 H.
Ресурс подшипника:
Lh = a23 (C / Qэ) m (106/60n3) = 0,8 · (58,3/4,077) 3 · (106/60 · 102,8) = 3,9 · 104 ч
3,9 · 104 ч > [t] = 2,5 · 104 ч
Подшипник подходит.
Расчет промежуточного (второго) вала
и расчет подшипников для него.
Диаметр вала, исходя из расчета на кручение:
d2 =
=
= 24,7 мм
Принимаем: диаметр под подшипники - Ø30 мм, под цилиндрическое колесо - Ø35 мм.
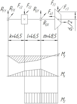
Ft2 = 988 H, Fr2 = 360 H, k = 46,5 мм, l = 46,5 мм, m = 48,5 мм.
Ft3 = 2342 H, Fr3 = 820 H, Fa3 = 234 H.
Реакции опор:
в плоскости xz:
RGX = (-Ft2k + Fr3 (k+l+m) - Fa3d3/2) / (k+l) = (-988·46,5 + 820·141,5 - 234·30,4) /93= 677 Н
RFX = (-Ft2l - Fr3m + Fa3d3/2) / (k+l) = (-988·46,5 - 820·48,5 + 234·30,4) /93= - 845 Н. Проверка: RFX + RGX + Ft2 - Fr3 = - 845 + 677 + 988 - 820 = 0.
75>72>Характеристики
Тип файла документ
Документы такого типа открываются такими программами, как Microsoft Office Word на компьютерах Windows, Apple Pages на компьютерах Mac, Open Office - бесплатная альтернатива на различных платформах, в том числе Linux. Наиболее простым и современным решением будут Google документы, так как открываются онлайн без скачивания прямо в браузере на любой платформе. Существуют российские качественные аналоги, например от Яндекса.
Будьте внимательны на мобильных устройствах, так как там используются упрощённый функционал даже в официальном приложении от Microsoft, поэтому для просмотра скачивайте PDF-версию. А если нужно редактировать файл, то используйте оригинальный файл.
Файлы такого типа обычно разбиты на страницы, а текст может быть форматированным (жирный, курсив, выбор шрифта, таблицы и т.п.), а также в него можно добавлять изображения. Формат идеально подходит для рефератов, докладов и РПЗ курсовых проектов, которые необходимо распечатать. Кстати перед печатью также сохраняйте файл в PDF, так как принтер может начудить со шрифтами.















