284910 (690634), страница 2
Текст из файла (страница 2)
, (2.1)
где
- годовой объем выпуска изделий;
- переодический запуск в днях
254 – количество рабочих дней в году.
Принимаем
=12,
Тогда
деталей.
3 Выбор и проектирование заготовки
3.1 Выбор вариантов исходной заготовки
Для изготовления детали «Первичный вал раздаточной коробки» заготовкой может служить поковка, полученная методом горячей объемной штамповки на кривошипном горячештамповочном прессе (КГШП) и прокат.
Определяем параметры заготовки: массу, характеристики точности.
3.2 Масса штамповки ориентировочно равна
, (3.1)
где
- масса детали (
=9,54 кг);
- расчетный коэффициент, зависящий от формы детали (принимаем =2,0) [4].
По ГОСТ 7505-89 «Поковки стальные штампованные. Допуски, припуски и кузнечные напуски» определяем параметры заготовки: класс точности Т4, степень сложности С1, группу стали М2.
Масса заготовки из проката рассчитывается по формуле
, (3.2)
где - плотность материала заготовки, кг/см3.
Форма заготовки из сортового проката для детали – тела вращения представляет цилиндр, с диаметром
(3.3) и длиной
(3.4)
По ГОСТ 2690-75 выбираем обычную точность проката с допуском
мм.
3.3 Проектирование исходной заготовки
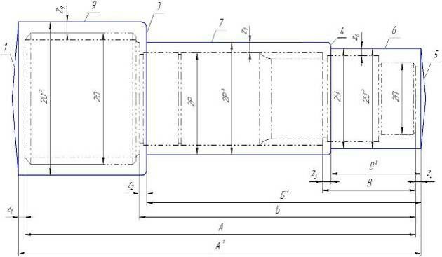
Начертим расчетную схему определения размеров заготовки
Рисунок 3.1 – Расчетная схема определения размеров исходной заготовки
Таблица 3.1 – Расчет размеров заготовки [5]
| Параметры детали | Припуск на сторону | Параметры заготовки | |||||||
| Код размера | Размер, мм | № поверхности | Шероховатость, Ra | Основной Z0, мм | На смещение штампа, Zсш, мм | На отклонение формы Zф, мм | Суммарный Zi, мм | Допуск и отклонения, мм | Размер, мм |
| А | 327,5 | 1, 5 | 1-12,5 5-12,5 | 1,7 1,7 | 0,3 | - | 2,0 2,0 |
|
|
| Б | 78 | 3, 5 | 3-1,6 5-12,5 | 2,0 1,7 | 0,3 | - | 2,3 2,0 |
|
|
| В | 31 | 4, 5 | 4-1,6 5-12,5 | 1,7 1,4 | 0,3 | - | 2,0 1,7 |
|
|
| 2О | 92 | 9 | 9-12,5 | 1,4 | 0,3 | 0,5 | 2,2 |
|
|
| 2Р | 65 | 12 | 7-1,25 | 1,9 | 0,3 | 0,5 | 2,7 |
|
|
| 2У | 60 | 6 | 6-1,25 | 1,8 | 0,3 | 0,5 | 2,6 |
|
|
Расчет значений размеров исходной заготовки
Остальные параметры указаны в чертеже заготовки ( ).
4. Разработка технологического маршрута и плана изготовления детали
4.1 Предварительная разработка технологического маршрута изготовления детали
Процесс изготовления детали «первичный вал раздаточной коробки» будем проводить по такой последовательности, сведенной в таблице 4.1
Таблица 4.1 - Предварительный технологический процесс изготовления детали
| Операция | Оборудование |
| Заготовительная | КГШП |
| Фрезерование торцов и зацентровка | Сверлильно-фрезерно-расточной |
| Токарная обработка | Токарно-винторезный |
| Предварительное шлифование | Кругло шлифовальный |
| Фрезерование шлицев | Шлице-фрезерный |
| Термообработка | Термический цех |
| Окончательное шлифование поверхности | Кругло шлифовальный |
| Шлифование шлицев | Шлице шлифовальный |
| Контроль | Стол контрольный |
4.2 Технологический маршрут изготовления детали
Таблица 4.2 – Технологический маршрут изготовления вала
| № операции | Наименование операции | Оборудование | Содержание операции |
| 005 | Заготовительная | КГШП | Штамповать исходную заготовку |
| 010 | Комбинированная с ЧПУ | Сверлильно-фрезерно-расточной | Поз. А: 1.Фрезеровать торец 1; 2. Сверлить центровое отверстие на торце 1. Поз. Б: 1.Фрезеровать торец 6; 2. Сверлить центровое отверстие на торце 6; |
| 015 | Токарная черновая | Токарно-винторезный | Установ А: 1. Точить поверхности 7, 8, 9; 2.Подрезать торцы 5, 4, 3, 2. Установ Б: 1. Точить поверхность 10. |
| 020 | Токарная чистовая | Токарно-винторезный | Установ А: 1. Точить поверхности 7, 8, 9. 2. Подрезать торцы 4, 3, 2; 3. Точить фаску 17, 19, 20; 4. Точить канавку 11, 12, 13, 14. Установ Б: 1. Точить поверхность 10 2. Точить фаску 20. |
| 025 | Фрезерная | Вертикально-фрезерный | Фрезеровать шлицы 15. |
| 030 | Фрезерная | Вертикально-фрезерный | Фрезеровать шлицы 16. |
| 035 | Термическая | Термический цех | |
| 040 | Центрошлиф-овальная | Центрошлифовальный | Шлифовать центровые отверсия 21, 24. |
| 045 | Торцекругло-шлифовальная предварительная | Круглошлифовальный | 1.Шлифовать цилиндрические поверхности 8, 22, 23. 2. Шлифовать торцы 4 и 3. |
| 050 | Шлицешлифовальная | Шлицешлифовальный | Установ А: Шлифовать шлицы 16. Установ Б: Шлифовать шлицы 15. |
| 055 | Моечная | ||
| 060 | Контрольная |
4.3 План изготовления детали
План изготовления детали – это графический иллюстративный документ учебного характера, разрабатывается на базе маршрутной технологии и служит для проектирования технологических операций. План изготовления детали приведен в графической части курсового проекта.
5. Выбор технологической оснастки
5.1 Выбор станочных приспособлений
В среднесерийном производстве целесообразно применение специализированных групповых переналаживаемых приспособлений для обработки обработки однотипных заготовок, отличающихся размерами и некоторыми конструктивными элементами. Станочные приспособления по составленному технологическому маршруту приведены в таблице 5.1
5.2 Выбор режущих инструментов
Режущие инструменты должны удовлетворять требованиям максимальной стойкости, что снижает время на переналадку оборудования. Вместе с этим не следует забывать о снижении затрат на инструмент, которые зависят от стоимости инструментов. Наименование, количество и характеристики инструментов приведены в таблице 5.1[11].
5.3 Выбор контрольно-измерительных средств
Средства контроля должны обеспечивать надлежащее качество технического контроля при выполнении технологических операций и при производстве приемочного контроля изделий. В среднесерийном производстве следует использовать метод непосредственной оценки. Выбранные средства контроля приведены в таблице 5.1[12].
Таблица 5.1 – Средства технологического оснащения процесса механической обработки детали
| №, наименование операции | Оборудование | Технологическая оснастка | ||
| Станочное приспособление | Режущий инструмент | Контрольно-измерительные средства | ||
| 010Комбинированная с ЧПУ | Сверлильно-фрезерно-расточной 6902ПМФ2 | УНП с самоцентрирующими призмами и пневмоприводом ГОСТ 12195-66 | Фреза торцовая насадная ∅110 ГОСТ 9304-69 Т5К10. Сверло центровочное ∅6,3 Р6М5 ГОСТ 14952-75 тип А. | Шаблон ГОСТ 2534-79 Штангенциркуль ШЦ-I-125-0,1 ГОСТ 166-89 |
| 015 Токарная черновая | Токарно-винторезный с ЧПУ16К20Ф3 | Патрон поводковый с центром Центр вращающийся тип А ГОСТ 8742-75 | Резец токарный проходной упорный ГОСТ 18870-73. Материал пластины Т5К10. | Штангенциркуль ШЦ-II-200-0,05 ГОСТ 166-89 |
| 020 Токарная чистовая | Токарно-винторезный с ЧПУ16К20Ф3 | Патрон поводковый с центром Центр вращающийся тип А ГОСТ 8742-75 | Резец токарный проходной упорный ГОСТ 18870-73. Материал пластины Т15К6. Резец токарный прорезной ГОСТ 18874-73. Материал пластины Т15К6. | Штангенциркуль ШЦ-I-125-0,01 с цифровым отсчетом |
| 025 Фрезерная | Вертикально-фрезерный с ЧПУ 6Р11МФ3-1 | УНП ГОСТ 12195-66 | Фреза дисковая ∅28 Р6М5 ГОСТ 9140-78 | Штангенциркуль ШЦ-I-125-0,01 с цифровым отсчетом |
| 030 Фрезерная | Вертикально-фрезерный с ЧПУ 6Р11МФ3-1 | УНП ГОСТ 12195-66 | Фреза дисковая ∅80 Р6М5 ГОСТ 9140-78 | Штангенциркуль ШЦ-I-125-0,01 с цифровым отсчетом |
| 040Центрошлифовальная | Центрошлифовальный 3922 | Приспособление специальное с самоцентрирующими призмами и пневмоприводом | Головка шлифовальная АГКу 13,2x5x6x50ГОСТ 17119-71 | Шаблон ГОСТ 2534-73 Приспособление мерительное с индикатором |
| 045Торцекругошлифовальная | Круглошлифовальный 36153Т | Патрон поводковый с центром Центр упорный ГОСТ 18259-72 | Шлифовальный круг 1П 450х20х205 91А30НСТ17К11 ГОСТ 2424-83 | Микрометр гладкий типа МК для измерения наружных размеров ГОСТ 6507-90 |
| 050 Шлицешлифовальная | Шлицешлифовальный 36153Т | Патрон поводковый с центром Центр упорный ГОСТ 18259-72 | Шлифовальный круг 1П 450х20х205 91А30НСТ17К11 ГОСТ 2424-83 | Микрометр гладкий типа МК для измерения наружных размеров ГОСТ 6507-90 |
6. Проектирование заготовки. Определение операционных размеров
6.1 Расчет операционных припусков и размеров расчетно-аналитическим методом















