125615 (690609), страница 2
Текст из файла (страница 2)
Рис. 1.6 Шків для клинових ременів
Шківи виконують з чавуну СЧ 15 - при v ≤ 30 м/с, модифікованого чавуну і сталі 25Л - при v ≤ 45 м/с, алюмінієвих сплавів - при v ≤ 80 м/с, з легованої сталі - при v ≤ 100 м/с, зварними з прокату і штампованих елементів - при v ≤ 60 м/с, а також із пластмас і дерева.
1.3 Основи розрахунку пасових передач
Теоретичні основи розрахунку являються загальними для всіх типів ременів. Основними критеріями працездатності ременних передач є: тягова здатність, яка визначається силою тертя між та шківом, довговічність ременя, яка в умовах нормальної експлуатації обмежується розрухою ременя від втоми. На сьогоднішній день основними розрахунками ременних передач є розрахунки по тяговій здатності. Довговічність ременя збільшують при розрахунку шляхом вибору основних параметрів передачі в співвідношенні з рекомендаціями, виробленими на практиці.
1.3.1. Кінематичні параметри. Окружні швидкості на шківах
v1 = d1 n1 / 60 ; v2 = d2 n2 / 60. (1.1)
Враховуючи жорстке ковзання ременя, можна записати v1 < v2 чи
v2 = v1 (1—ε). (1.2)
де ε – коефіцієнт ковзання. При цьому передаточне відношення
i = n1 / n2 = v1 d1 = d2 / [ d1 (1—ε) ]. (1.3)
В подальшому показано, що величина ε залежить від навантаження, тому в ременній передачі передаточне відношення не завжди є постійним. При нормальних робочих нагрузках ε ≈ 0,01…0,02. Найбільше значення ε дозволяє наближено приймати:
1.3.2 Геометричні параметри
Н
а рис1.7, а – міжосьова відстань; β – кут між гілками ременя; α – кут обхвату ременем малого шківа. При геометричному розрахунку відомими зазвичай є d1, d2 і а, які визначають кут і довжину ременя l. В результаті витяжки і провисання ременя значення α і l не являються точними і визначаються приблизно так:
α = 180°— β ; sin (β/2) = (d2— d1) / (2a) (1.5)
Враховуючи, що β/2 практично не перевищує 15°, приблизно приймаємо значення синуса рівним аргументу і запишемо
β = (d2 — d1) / а рад ≈ 57 ( — d1) / а° (1.6)
Довжина ременя вираховується як сума прямолінійних ділянок і дуг обхвату:
l ≈ 2a + 0,5 (d2 + d1) / (4а) (1.7)
Рис. 1.7 Геометричні параметри передачі
1.3.3 Сили та силові залежності
Н
а рис.1.8 показане навантаження гілок ременя у двох випадках: Т1 = 0 (рис.1.8,а) і Т1 > 0 (рис.1.8,б). Тут позначено Fo – початковий натяг ременя ; F1 і F2 –натяг ведучої та веденої гілок в навантаженій передачі; Ft = 2 T1 / d1 – окружна сила передачі.
Рис. 1.8 Сили та силові залежності
За умовою рівноваги шківа маємо:
T1 = 0,5 d1 (F1 – F2) (1.8)
або
F1 – F2 = Ft (1.9)
Зв’язок між Fo, F1 та F2 можна встановити на основі наступних роздумів.
Геометрична довжина ременя не залежить від навантаження [див. формулу (1.7)] і залишається незмінною як в ненавантаженій, так і в навантаженій передачі. З цього випливає, що додаткова витяжка ведучої гілки компенсується рівним скороченням веденої гілки (рис.1.8). Запишемо:
F1 = Fo + ∆F , F2 = Fo – ∆F (1.10)
або
F1 + F2 = 2Fo (1.11)
Із рівнянь (1.10) і (1.11) випливає:
F1 = Fo + Ft / 2 , F2 = Fo – Ft / 2 (1.12)
Отримали систему двох рівнянь з трьома невідомими Fo, F1 та F2. Ці рівняння встановлюють змінення натягу ведучої чи веденої гілок в залежності від навантаження Ft, але не дозволяють передавати це навантаження чи тягову передачу, яка зв’зана з величиною сили тертя між ременем і шківом. Така залежність встановлена Ейлером.
2 ПРУЖИНИ
2.1 Призначення та конструкції пружин
Пружні елементи, або пружини, належать до розповсюджених деталей, що використовуються в різних машинах, механізмах та приладах. Вони виконують інколи дуже відповідальні та складні функції.
Пружні властивості пружин дають змогу використовувати їх у таких випадках:
а) для створення потрібних постійних зусиль (у натискних та натяжних пристроях передач тертям, муфтах, гальмах, клапанах);
б) для акумулювання механічної енергії попереднім деформуванням пружин (пружинні двигуни приладів часу та інші пристрої);
в) для віброізоляції та амортизації ударів за рахунок пружних характеристик відповідним чином підібраних пружин (у транспортних засобах, опорних пристроях чутливих елементів приладів та ін.);
г) для вимірювання сил, що здійснюється фіксацією пружних деформацій пружин (динамометри та інші вимірювальні прилади).
Усі пружини за видом навантаження поділяють на пружини розтягу, стиску, кручення (рис.2.1).
Р
ис. 2.1 Види пружніх елементів
У приладобудуванні найрозповсюдженішими є гвинтові пружини розтягу, стиску та кручення, виконані із дроту круглого або іншого перерізу. Гвинтова пружина розтягу виготовляється зі щільним навиванням витків, до того ж крайні витки плавно переходять у спеціальні вушка, які зручні для закріплювання пружини.
Гвинтові пружини стиску бувають циліндричної та конічної форми. Конічна форма забезпечує пружині змінну жорсткість при деформуванні. В таких пружинах стиску робочі витки не дотикаються між собою, а лише крайні витки виконуються зі щільною навивкою для надання пружині плоских опорних торців. Гвинтові пружини стиску найчастіше виготовляють із дроту круглого перерізу, а при великих стискаючих силах застосовують пружини з квадратним або прямокутним перерізом витків. З метою підвищення податливості в умовах обмежених габаритних розмірів використовують багатожильні гвинтові пружини стиску.
-
Розрахунок гвинтових циліндричних пружин
-
Розрахунок гвинтових циліндричних пружин розтягу та стиску
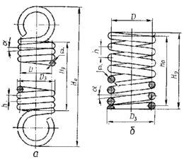
Гвинтові циліндричні пружини розтягу та стиску мають такі основні геометричні параметри (рис. 2.2 а, б):
Рис. 2.2 Гвинтові циліндричні пружини розтягу та стиску
d— діаметр витків (дроту) пружини;
D— середній діаметр пружини;
Dз = D + d — зовнішній діаметр пружини;
С = D/d — індекс пружини;
h — крок витків у ненавантаженій пружині (h = d — для пружини розтягу, рис.2.2, a);
α — кут підйому витків (tg α = h/(
D);
H0 — довжина (висота) ненавантаженої пружини;
Hp — довжина робочої частини ненавантаженої пружини;
і = Нр/h — кількість робочих витків;
L — довжина дроту для виготовлення пружини.
Податливість циліндричних пружин пропорційна їхньому індексу С. Для збільшення податливості індекс С беруть якомога більшим; практичне застосування мають пружини з індексом С = 4...12. Залежно від діаметра витків рекомендують такі значення індексу C циліндричних пружин:
Таблиця 2.1 Рекомендовані значення індексу С.
| d, мм | <2‚5 | 3—5 | 6—12 |
| С | 5—12 | 4—10 | 4—9 |
Збільшуючи індекс пружини певної жорсткості, можна зменшити довжину пружини через збільшення її діаметра, а зменшуючи індекс, можна зменшити діаметр через збільшення довжини пружини.
Для розрахунку на міцність розглянемо силові фактори, що діють у перерізі витка, навантаженого силою F пружини (рис. 2.3).
Рис. 2.3 Навантаження витків пружини стиску.
За умовою рівноваги нижньої частини пружини визначаємо, що у довільному перерізі витка діють крутний момент Т = 0‚5FD та поперечна сила F, які спричинюють відповідно кручення та зріз витка. Нехтуючи кутом підйому витків α, який для більшості пружин менший ніж 10—12°, а також напруженнями зрізу від поперечної сили, напруження кручення витків визначають за виразом:
τ = TK/WP = 8FD/(πd3 ), (2.1)
де K — коефіцієнт, що враховує кривину витків; Wp = πd3/16 — полярний момент опору перерізу витка. Коефіцієнт K беруть залежно від індексу С пружини із співвідношення
K=1 + 1‚4/С. (2.2)
Умову міцності витків пружини на основі виразу (2.2) записують у вигляді
τ = 8FDК/(πd3) < [τ]. (2.3)
Потрібний діаметр дроту пружини із умови (2.3) визначають за формулою
. (2.4)
Якщо в умові (2.3) врахувати, що D/d = С, то формулу для визначення діаметра дроту пружини можна записати у вигляді
(2.5)
Добуте значення d округлюють до значення у стандартному ряду діаметрів дроту для виготовлення пружин.
Діаметр дроту пружини дає змогу визначити середній та зовнішній
діаметри пружини:
D = Сd; D3 = D + d.
Осьову пружну деформацію пружини (розтяг або стиск) під дією навантаження F можна дістати як добуток кута закручування витків θ пружини та середнього радіуса пружини 0‚5D:
λ =0‚5Dθ = 0‚5DТπDі/(GIр) = 0,25FπD3i/(GIp),
де і — кількість робочих витків пружини; G — модуль пружності при зсуві матеріалу пружини (для сталі G = 8 104 МПа); Ip = πd4/32 — полярний момент інерції перерізу витка пружини.
Виражаючи Ip через d та враховуючи, що D/d = С, вираз для осьової пружної деформації пружини можна записати у вигляді
λ = 8FD3i/(Gd4) = 8FС3i/(Gd). (2.6)
Відношення навантаження F до осьової пружної деформації λ пружини називається жорсткістю k пружини. Із виразу (2.6)
k = Gd4/(8D3і) = Gd/(8С3i). (2.7)
Вираз (2.6) дає змогу визначити потрібну кількість робочих витків пружини, якщо відоме значення λ:
і = Gd4λ/(8FD3) = Gdλ/(8FС3). (2.8)
Щ
об правильно розрахувати та підібрати пружину, треба знати її робочу характеристику (рис.2.4 а, б), на якій повинні бути зазначені: λmіn, λmах — відповідно мінімальна та максимальна розрахункові деформації пружини; Fmin, Fmax, Fгp — відповідно мінімальне і максимальне розрахункові навантаження та граничне навантаження на пружину (при посадці витків у пружинах стиску і за міцністю витків у пружинах розтягу).
Рис. 2.4 Робочі характеристики пружин розтягу та стиску
Для пружин розтягу (рис.2.2, а), виготовлених із щільним (закритим) навиванням витків, початковий натяг (притискання сусідніх витків)
F0 =(0,2...0,3)Fгp. Граничне навантаження для пружин розтягу та стиску беруть Fгp = (1,1... 1,2) Fmax.
Подальший розрахунок пружини розтягу полягає у визначенні з умови міцності діаметра дроту d за максимальним навантаженням Fmах і середнього D та зовнішнього Dз діаметрів пружини. Потім знаходять потрібну кількість робочих витків і за формулою (2.8), беручи максимальне розрахункове навантаження Fmах та деформацію λmах .
Решту розмірів пружин обчислюють за такими формулами:
1. Для пружин розтягу
довжина робочої частини ненавантаженої пружини (див. рис.2.2.а) Hp = іd повна кількість витків І0 = І + (1...2);
довжина ненавантаженої пружини H0 = і0d + 2hв,
де hв =(0.5...1)D — висота одного вушка; довжина пружини при максимальному розрахунковому навантажені F mах
H=H0 + λmax = H0 + (Fmax - F0)/k = H0 + 8С3 і(Fmax – F0)/(Gd);
довжина дроту для виготовлення пружини
L = πDi/соsα + 2lв,
де lв — довжина дроту для одного вушка.
2. Для пружин стиску
загальна кількість витків і0 = i + (1,5...2), де кількість крайніх щільно навитих витків становить 1,5—2;
мінімальний зазор між витками при максимальному розрахунковому навантаженні Fmax — ∆ = (0,1...0,2) λmax/i, крок витків ненавантаженої пружини h = λmax/i + d + ∆;
довжина пружини, стиснутої до дотику витків, Hгp = (i0 — 0,5) d; довжина ненавантаженої пружини H0 = Hгp + і (h — d); довжина дроту для виготовлення пружини L = πDі0/cos α.
При великій кількості витків довгі пружини стиску під навантаженням можуть втрачати поздовжню стійкість. Тому рекомендують при H0/D > 3 встановлювати пружини стиску на оправках або у відповідних трубках.
2.2.2 Розрахунок гвинтових циліндричних пружин кручення
При навантаженні циліндричної пружини кручення зовнішнім моментом М = Fа (рис. 2.5) у поперечних перерізах витків утворюється такий же момент М, вектор якого напрмлений уздовж осі пружини.
Р
ис. 2.5 Гвинтова циліндрична пружина кручення
Якщо розкласти момент М на складові вздовж витка та перпендикулярно до витка, то в поперечному перерізі витка будемо мати крутний Т = М sіn α і згинальний Mзг = М соs α моменти. Оскільки кут підйому витків α < 10°, скручуванням витків можна знехтувати (Т ≈ 0), а розрахунок витків на міцність виконати тільки на згин за згинальним моментом Mзг = М = Fа.
Напруження згину для витків циліндричної пружини кручення визначають за виразом
σ = MaгK'/W0 = З2МК'/(πd3) (2.9)
де K' = (С — 0‚25)/(С — 1) — коефіцієнт кривини витків, що залежить від індексу пружини С = D/d; W0 = πd3/32 — осьовий момент опору перерізу витка (дроту пружини) діаметром d.
На основі виразу (2.9) умову міцності витків на згин записують у вигляді
σ = З2МК'/(πd3) < [σ]. (2.10)
При проектувальному розрахунку пружини кручення діаметр витків (або дроту) визначають за формулою, що випливає із умови (2.10),
(2.11)
Крок витків пружини кручення беруть h = d + (0,2...0,5) мм. Кут закручування пружини під дією моменту М визначають за формулою
φ = МπDі/(ЕІ), (2.12)
де i — кількість робочих витків пружини; Е — модуль пружності матеріалу; I=πd/64 — осьовий момент інерції перерізу витка.
3 КУЛАЧКОВІ МЕХАНІЗМИ
3.1 Загальні положення
Кулачковим називається механізм, що містить дві основних ланки: кулачок і штовхальник, що утворюють вищу кінематичну пару.
Кулачкові механізми знайшли широке застосування в системах газорозподілу ДВЗ, у системах керування електричних ланцюгів, у вагонах метрополітену (контролери).
Достоїнства кулачкових механізмів:
1.можливість відтворення практично будь-якого закону руху вихідної ланки;
2.мала кількість деталей (кулачок і штовхальник), що дозволяє просто виготовляти й обслуговувати.
Недолік:
Наявність вищої кінематичної пари, у якій можуть виникати підвищені питомі тиски, що може привести до руйнування поверхні кулачка.
1 – кулачок
2 – штовхач
3 – ролик
2>














