125553 (690583)
Текст из файла
Курсовая работа на тему:
ТЕХНОЛОГИЧЕСКАЯ ЛИНИЯ ПРОИЗВОДСТВА МОРОЖЕНОГО
Содержание:
Введение.
Технологическая схема участка цеха производства мороженого.
Описание и расчет технологических параметров проецируемого аппарата.
Расчет вентиляции, воздухообмена и освещения производственного помещения.
Охрана труда и техника безопасности.
Мероприятия по охране окружающей среды.
Графическая часть.
Введение
Мороженое – это всегда довольно простая комбинация молочных продуктов с сахаром, желтками яиц и с различными вкусовыми добавками. Мороженое – высококалорийный продукт с большим содержанием жиров и углеводов.
История
Изобретением мороженого мы обязаны древним. Мороженое появилось еще в 5 веке в Китае. Китайцы смешивали снег с сотовым медом в серебряных кубах, гарнировали фруктами и хранили в этих серебряных кубах. Венецианский путешественник Марко Поло привез мороженое в Европу в конце 18 века. С тех пор мороженое стало излюбленным десертом. При Екатерине Медичи излюбленным мороженым французского королевского двора было мороженое с фруктами, взбитыми сливками и ликером.
Во времена Александра Македонского: делали это с помощью снега, который доставали быстрые бегуны-рабы с вершин гор. Это сейчас в летнее время каждые три секунды в мире съедается порция мороженого, а раньше это лакомство из-за быстрого таяния и дорогого производства было доступно только царям. А в 21 веке прогресс дошел до того, что теперь вкусный лед едят даже космонавты!
Скажи, какое ты ешь мороженое, я скажу какой у тебя характер
Современные ученые даже определили характер человека в зависимости от пристрастия к тому или иному виду мороженого (молодые люди, мотайте на склероз!). Если ваша пассия внимательно и увлеченно облизывает холодное лакомство, у нее есть все шансы стать кандидаткой в идеальные жены. Она в меру романтична, ценит уют и семейный уклад и дружелюбна. Если для девушки самым главным в мороженом является шоколадная глазурь и только потом то, что внутри – на ее интуицию и жизненный опыт можно положиться. Когда девушка начинает мороженое не сверху вниз, а наоборот, она является обладательницей довольно сложного характера. Она не ест мороженого? Тогда все может оказаться довольно запущенно. Люди, которые не едят мороженого чаще подвержены депрессиям и плохому настроению.Российское мороженое самое мороженое в России :
Мороженое найти легко-достаточно зайти в любой продуктовый магазин с 15-ю рублями в кармане. Хотите нечто экстравагантное? Предлагаю отправиться в Венесуэлу в кафе «Coromoto», в котором посетителям предлагают 709 сортов мороженого. Если вы желаете вкусно поесть и погреться на солнышке - купите билет до Сицилии: об итальянском мороженном ходят легенды!
Но наша страна тоже может дать фору! Например, самый большой снеговик из мороженого был сооружен в именно Москве. Его рост составлял около 2 метров, а вес – до 300 килограмм. Олицетворял он могущество России: сочетание белого, синего и красного цветов (цвета национального флага) было выполнено из сливочного, черничного и клубничного мороженого. А кондитеры-фантазеры изобрели мороженое для вампиров: если укусить, то в нем останутся кровавые следы, а палочка, на которой зиждется это сооружение, выполнена в форме осинового кола.
Технологическая схема участка цеха производства мороженого
Оборудование для производства мягкого мороженого. Непрерывное фризерование мороженого
Какая же технология производства мороженного? Из танков созревания смесь поступает в фризер непрерывного действия, где смесь взбивается и насыщается воздухом, охлаждаясь при этом от +4 °С до -5 °С в зависимости от сорта мороженого.
Количество воздуха, добавляемого в смесь, характеризуется как взбитость;
Мороженое, выходящее из фризера, имеет консистенцию мягкого мороженого.
Для производства мягкого мороженого здесь предлагается фризер непрерывного действия ФР600-ПРО
Фризер предназначен для непрерывного промышленного производства высококачественного мягкого мороженого производмтельностью до 600 л/час.
Фризер оснащен автономной фреоновой холодильной установкой, цилиндром с хромированной поверхностью, обеспечивающей эффективное фризерование.
Подача смеси мороженого и воздуха производится плунжерным насосом. Выход замороженной смеси из цилиндра производится посредством регулятора давления.
Фризер типа ФР-ПРО обслуживается с панели управления, а подача горячего газа хладагента обеспечивает точное регулирование вязкости и автоматически предотвращает дальнейшее замораживание смеси.
Спецификация:
двухплунжерный насос с электронной регулировкой скорости, регулировка взбитости смеси, цилиндр с внутренним покрытием из хрома, взбиватель из нержавеющей стали с 6 ножами, поршевой компрессор, работа на фреонах R22, R404, электрическая панель управления, электронный контроль вязкости отвердевания мороженого, корпус и каркас полностью выполнены из нержавеющей стали, V.380/3/50 Гц Автономная фреоновая установка , фризер оснащен автономной установкой Хладагенты - R22, R404.
Использование в конструкции кожухотрубного конденсатора обеспечивает простоту в обслуживании, гарантирует бесперебойную работу в условиях повышенного загрязнения и влажности.
Техническая информация
Производительность 150-600 л/час
Температура смеси на входе +4 °С
Температура мороженого на выходе -5 °С
Холодопроизводительность 10300 ккал/час
Взбитость 30-140%
Потребление охлаждающей воды из градирни +25/+28 °С
Суммарная установленная мощность 14,1 кВт
Непосредственно после выхода мороженого из фризера в него можно ввести дополнительные добавки: фрукты, варенье, изюм, орешки, частички шоколада и т.п.
Этот процесс производится путем присоединения к линии различных устройств. После напитывания мороженого производства различными ингредиентами смесь поступает в дозирующие устройства, формирующие вид мороженого.
Линии фасования и закаливания мороженого
Непосредственно после выхода мороженого из фризера в него можно ввести дополнительные добавки: фрукты, варенье, изюм, орешки, частички шоколада и т.п.
Этот процесс производится путем присоединения к линии различных устройств. После напитывания мороженого производства различными ингредиентами смесь поступает в дозирующие устройства, формирующие вид мороженого.
Закаливание мороженого
Производство мороженого не закончено до тех пор, пока оно не пройдет процесс закаливания до температуры не выше 20 °С. При производстве мороженого на наполнительных устройствах необходима транспортировка в закалочный туннель. Чем быстрее проходит закаливание мороженого, тем лучше его консистенция. «Простор Л» предлагает универсальные закалочные туннели для всех видов мороженого.
Состав туннеля:
камера из пенополиуретановых панелей
компрессорно-конденсаторный агрегат
конвейер с комплектом люлек
автономный привод
воздухоохладитель (фреоновый или аммиачный).
Возможны дополнительные опции:
Система ADAP-COOL. Осуществляет мониторинг всех параметров работы холодильной установки.
Дистанционная панель управления. Возможность оперативной регулировки температуры замораживания и скорости прохождения продукта в камере.
Конструкция участков загрузки - выгрузки может быть адаптирована к уже имеющейся технологической линии по подготовке и фасованию продукта.
Скороморозильные аппараты поставляются как для работы на фреоне, так и на аммиаке.
Хранение мороженого
После закаливания мороженое направляется в холодильную камеру или склад, где хранится на полках или поддонах при температуре -25 °С. Продолжительность хранения зависит от типа продукта, упаковки и поддержания постоянной низкой температуры и составляет 0-9 месяцев.
Основные преимущества складов хранения это тщательная предпроектная и проектная подготовка, учитывающая состав и количество поступающих на промежуточное хранение грузов, структурные потребности (наличие в составе склада специализированных помещений и камер) и другие особенности каждого конкретного проекта; строительство осуществляется из современных высокоэффективных и долговечных материалов, отличающихся постоянством своих характеристик с течением времени; монтаж склада осуществляется в кратчайшие сроки (3-6 месяцев), которые на порядок меньше, чем при строительстве традиционными методами;
отличное качество исполнения проекта обеспечивают высококвалифицированные монтажники, обладающие значительным практическим опытом.
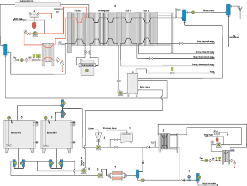
Технологическая линия производства мороженого
Технологические линии и отдельные компоненты для любой производительности и любых типов мороженого.
Отличительной особенностью комплекса является возможность комбинирования оборудованием по желанию заказчика. Выполнение технологических операций: смешение, пастеризация, очистка, гомогенизация, охлаждение, созревание, фризерование.
Базовая технологическая схема
Оборудование.
1. Смесительная установка с системой пастеризации и охлаждения. Представляет собой термоизолированный резервуар выполненный полностью из нержавеющей стали, укомплектованный перемешивающим устройством, системами контроля технологических параметров, пультом управления. Рубашка с паровым или электро нагревом. Поставляется в комплекте с электрическим парогенератором.
2. Роторно-пульсационный аппарат РПА-1,5 ( 1500 л/ч ) или гомогенизатор плунжерного типа со степенью гомогенизации 95% марки А1-ОГ3М ( 500, 1600, 2500 л/ч ).
3. “Фризёр 30” , “Эльбрус 400” - периодического; Б6-ОФШ –непрерывного действия.
4. Насос роторный В3-ОРА производительностью 2 куб. м/ч или 10 куб.м/час
5. Соеденительная и запорная арматура , части трубопровода.
6. Холодильная машина МКТ-28, МКТ-20.
7. Парогенератор 1КЭП-160/0,4 (50-200 кг/ч) со ступенчатой регулировкой.
Назначение
- подготовки компонентов смеси мороженого, их непрерывной и автоматической подачи в смесительные емкости;
- создания высокодисперсной эмульсии смеси многокомпонентных составов;
- пастеризации в тонкослойном закрытом потоке с выдержкой и автоматическим контролем процесса пастеризации;
- последующей гомогенизации, охлаждения и созревания и подачи на фризерование.
Преимущества этой технологической линии:
1. Обеспечивается гарантированная производительность линии с соблюдением тепловых режимов обработки смеси в рамках рабочего графика (7 часов - рабочий режим, 1 час - мойка).
2. Используется экономичная и полностью замкнутая система подготовки теплоносителя с возвратом конденсата.
3. Управление кухней осуществляется с одного пульта (используется программируемый промышленный контроллер); все тепловые и временные режимы, текущее состояние единиц оборудования, вплоть до каждого конкретного клапана архивируются. Данные могут быть подняты по прошествии 1 года.
4. Поставка осуществляется монтажными узлами, что обеспечивает экономию денежных средств на монтаж и пусконаладочные работы.
5. Использование имеющихся у заказчика сервисных сред; низкое потребление теплоносителя, хладоносителя, малая производственная площадь.
6. Непрерывная технология производства с соблюдением повышенных санитарных норм.
Описание и расчет технологических параметров проецируемого аппарата
Установка пластинчатая охладительная.
Установка пластинчатая охладительная предназначена для быстрого тонкого охлаждения смесей мороженого в закрытом потоке после пастеризации, осуществляемой в емкостных аппаратах.
Установка смонтирована на станине, установленной на ножке. Состоит из секций рассольного и водяного охлаждений, в которых закреплены теплообменные пластины с помощью зажимных устройств, а также разделительной и напольной плит.
Установка снабжена пультом управления, в состав которой входит термометр сопротивлений, регулирующий клапан, вентиль запорный муфтовый, манометр и исполнительный механизм.
После смешивания компонентов пастеризации в емкостном аппарате, фильтрации и гомогенизации смесь мороженого температурой 80...86 °С подается в пластинчатый охладитель, где охлаждается двухступенчато — холодной водой и рассолом.
Расчет вентиляции, воздухообмена и освещения машин и оборудования
Охрана труда - система законодательных актов, социально-экономических, организационных, технических, гигиенических и лечебно-профилактических мероприятий и средств, обеспечивающих безопасность, сохранение здоровья и работоспособности человека в процессе труда. Научно-технический прогресс внес серьезные изменения в условия производственной деятельности работников труда. Их труд стал более интенсивным, напряженным , требующим значительных затрат умственной, эмоциональной и физической энергии. Это потребовало комплексного решения проблем эргономики, гигиены и организации труда, регламентации режимов труда и отдыха.
Охрана здоровья трудящихся, обеспечение безопасности условий труда, ликвидация профессиональных заболеваний и производственного травматизма составляет одну из главных забот человеческого общества. Обращается внимание на необходимость широкого применения прогрессивных форм научной организации труда, сведения к минимуму ручного, малоквалифицированного труда, создания обстановки, исключающей профессиональные заболевания и производственный травматизм.
Характеристики
Тип файла документ
Документы такого типа открываются такими программами, как Microsoft Office Word на компьютерах Windows, Apple Pages на компьютерах Mac, Open Office - бесплатная альтернатива на различных платформах, в том числе Linux. Наиболее простым и современным решением будут Google документы, так как открываются онлайн без скачивания прямо в браузере на любой платформе. Существуют российские качественные аналоги, например от Яндекса.
Будьте внимательны на мобильных устройствах, так как там используются упрощённый функционал даже в официальном приложении от Microsoft, поэтому для просмотра скачивайте PDF-версию. А если нужно редактировать файл, то используйте оригинальный файл.
Файлы такого типа обычно разбиты на страницы, а текст может быть форматированным (жирный, курсив, выбор шрифта, таблицы и т.п.), а также в него можно добавлять изображения. Формат идеально подходит для рефератов, докладов и РПЗ курсовых проектов, которые необходимо распечатать. Кстати перед печатью также сохраняйте файл в PDF, так как принтер может начудить со шрифтами.















