125425 (690542), страница 3
Текст из файла (страница 3)
Nmax=es-EI=11-(-12)=23мкм
Nmin= ei-ES=-11+0=-11мкм
Smax=ES-ei=0-(-11)=11мкм
Smin=EI-es=-12-11=-23мкм
Nc=6.5мкм
Sc=0.5мкм
рис 7.2. Схема расположения полей допусков сопряжения подшипника и корпуса редуктора
7.4 Экскизы подшипникового узла и деталей сопряжеными с поджшипниками
рис.3.1 Эскиз сопряжения корпуса с подшипником
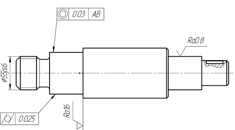
рис.3.2 Эскиз вала
рис. 3.3 Эскиз корпуса
8. ВЫБОР ПОСАДОК ШПОНОЧНЫХ СОЕДИНЕНИЙ
Чаще всего в массовом производстве принимают шпонки. Использование призматических шпонок дает возможность дает возможность более точно центрировать сопрягаемые элементы и получать как подвижные (в случае применения обыкновенных призматических шпонок), так и не скользящи соединения (при использовании направляющих шпонок с креплением на вал).
Выбираем для вала 1 призматическую шпонку, неподвижную. Характер соединения нормальный. Из табл. 4.52.[с.773] выбираем шпонку по диаметру вала.
b=18 мм; h=11мм; t1=7мм; t2=4,4мм;
Во всех случаях шпонка устанавливается в пазу вала плотно с натягом, а в пазу отверстия в зависимости от характера соединения. При точном центрировании поля допуска на отверстия H6, а на вал рекомендуется js6, k6, m6, n6. Для данного шпоночного соединения рекомендуется применять допуск на отверстия Н6, допуск на вал js6. Принимаем нормальное соединение, это соединение чаще всего используется в массовом производстве, так как обеспечивает точное центрирование деталей.
Для нормального соединения принимаем поля допусков:
на ширину паза вала N9, на ширину паза втулки js9, на ширину шпонки h9.Принимаем шероховатость на ширину паза вала и втулки - Ra 0.4, а на высоту паза втулки и вала - Ra 0.2
Кроме точности размеров шпонок и шпоночных пазов ограничивают и неточность расположения паза в валу и паза во втулке относительно оси симметрии вала и втулки. Должен ограничиваться допуск параллельности плоскости симметрии паза относительно оси симметрии сопрягаемой поверхности.
Предельные размеры элементов шпоночных соединений
Сопряжение шпонка вал Ø60
Верхнее предельное отклонение:
Нижнее предельное отклонение:
Среднее отклонение:
Номинальный диаметр:
Максимальный диаметр отверстия:
Минимальный диаметр отверстия:
Средний диаметр отверстия:
Допуск размера отверстия:
Определяем размерные параметры вала
:
Верхнее предельное отклонение:
Нижнее предельное отклонение:
Среднее отклонение:
Номинальный диаметр:
Максимальный диаметр вала:
Минимальный диаметр вала:
Средний диаметр вала:
Допуск размера на вал:
Рис. 8.1 Схема взаиморасположения полей допусков
Определяем характеристики посадки по предельным размерам:
Максимальный зазор:
Минимальный зазор:
Средний зазор:
Максимальный натяг:
Минимальный натяг:
Средний натяг:
Сопряжение шпонка втулка Ø60
Определяем размерные параметры вала
Верхнее предельное отклонение:
Нижнее предельное отклонение:
Среднее отклонение:
Номинальный диаметр:
Максимальный диаметр отверстия:
Минимальный диаметр отверстия:
Средний диаметр отверстия:
Допуск размера отверстия:
Определяем размерные параметры вала
Верхнее предельное отклонение:
Нижнее предельное отклонение:
Среднее отклонение:
Номинальный диаметр:
Максимальный диаметр вала:
Минимальный диаметр вала:
Средний диаметр вала:
Допуск размера на вал:
Рис. 8.2. Схема взаиморасположения полей допусков
Определяем характеристики посадки по предельным размерам:
Максимальный зазор:
Минимальный зазор:
Средний зазор:
Максимальный натяг:
Минимальный натяг:
Средний натяг:
рис.8.3. Эскизы пазов вала и втулки
рис.8.4. Эскиз шпоночного сопряжения
9. РАСЧЕТ РАЗМЕРНЫХ ЦЕПЕЙ
рис. 9.1 Эскиз заданной детали
рис.9.2 Схема размерной цепи
Предварительно изучив конструкцию детали, устанавливаем последовательность ее обработки и выполняем размерный анализ, включающий выявление составляющих звеньев, построение схемы размерной цепи и определение увеличивающих и уменьшающих звеньев. Затем деталь обрабатывается по убывающим размерам. Размер А1- составляющий, увеличивающий.
Размеры: А2, А3, А4, А5, А6, - составляющие, уменьшающие, размер Д-замыкающий.
Определим предельные отклонения замыкающего размера по
Зададим номинальные размеры всех составляющих звеньев, сохраняя пропорциональное соотношение
А1=200, А2=40, А3=90, А4=20, А5=15, А6=20,
где m- число увеличивающих звеньев: n- число уменьшающих звеньев
Определим допуск замыкающего звена
где
-верхнее предельное отклонение замыкающего звена;
- нижнее предельное отклонение замыкающего звена.
Рассчитываем среднее число единиц допуска( коэффициент точности) размерной цепи с учетом известных допусков
где
- сумма единиц допусков определяемых составляющих звеньев; значения единиц допуска для определяемых составляющих звеньев находиться по табл. 3.3 [1, ч.2, с. 20] или по формуле
е D- среднее геометрическое крайних размеров одного интервала
i1=2,89, i2=1,56, i3=2,17, i4=1,31, i5=1,08, i6=1,31,
По полученному числу единиц допуска am определяем ближайший соответствующий ему квалитет по табл. 1.8 [1, ч. 1]. Выбираем 9- квалитет.
Назначаем допуски и отклонения на звенья, исходя из общего правила для охватывающих размеров- как основные отверстия, а для охватываемых- как на основные валы.
Проверяем правильность назначения допусков и предельных отклонений составляющих звеньев
Предельные отклонения и допуски составляющих звеньев рассчитаны правильно
Редуктор коническо-цилиндрический
-
Выбор посадки колец подшипников качения d5=55 мм
-
Серия подшипника 7500
-
Выбор посадки с зазором d2=100 мм
-
Расчет посадки с натягом: d10=65 мм
осевая сила, кН 2.2
вращающий момент 40, Н·м
-
Расчет переходной посадки d1=45 мм
-
Расчет комбинированной посадки d22=55 мм
-
Выбор посадок шпоночных и шлицевых соединений d15= 60 мм
-
Расчет размерной цепи А, 15 мм
СПИСОК ИСПОЛЬЗОВАННЫХ ИСТОЧНИКОВ
1. Якушев А.И. «Взаимозаменяемость, стандартизация и технические измерения» МЛ 979г.
2. Мягков В.Д., Палей М.А., Романов А.Б., Брагинский В.А. «Допуски и посадки» справочник. 1978
3. Серый И.С. «Взаимозаменяемость, стандартизация и технические измерения» М. 1976
4. Сурус А.И., Дулевич А.Ф. «Взаимозаменяемость, стандартизация и технические измерения» 2006
















