125399 (690521)
Текст из файла
Курсовой проект
ЗАДАНИЕ
на курсовую работу
На тему:
"Расчёт силового подъёмника
По курсу: Электропривод
Студенту __________
Содержание
Введение 6
Определение времени цикла и продолжительности включения двигателя 7
Расчет массы противовеса и момента на барабане лебедки 7
Предварительный выбор двигателя 10
Предварительное определение пускового момента 12
Управление АДФР 13
Выбор пускорегулирующих сопротивлений 14
Заключение 15
Список используемой литературы 16
Масса пустой тележки mo=1100 кг.
Наибольшая масса груза mг=7000 кг.
Угол наклона рельсового пути к горизонту αо=35 градусов
Путь подъема тележки L=180 м.
Скорость движения тележки при подъеме и спуске V =1,1(м/сек)
Диаметр барабана Dб =0,95 м.
Момент инерции барабана Jб=59 кгм2
Графическая часть на ______листах
Дата выдачи задания "____"февраля 2008 года
Дата представления руководителю "____"мая 2008 года
Руководитель курсовой работы: ____________________
Задание на курсовую работу:
Грузоподъемная тележка, имеющая противовес движется по наклонному рельсовому пути под углом α к горизонту с помощью троса, перекинутого через барабан лебёдки.
Рис.1 Кинематическая схема привода грузоподъемной тележки.
1-тележка, 2-барабан лебедки, 3-противовес,
4-редуктор, 5-тормоз, 6-электродвигатель.
Технические данные механизма:
Масса пустой тележки mo=1100 кг.
Масса противовеса mп= кг выбирается таким образом, чтобы усилия в канате при подъеме гружёной и опускании пустой тележки были бы примерно одинаковы.
Наибольшая масса груза mг=7000 кг.
Диаметр колес тележки Dк = 0.30 м.
Диаметр цапф d = 0.70 м.
Диаметр барабана Dб =0.95 м.
Коэффициент трения качения f = 0.05
Коэффициент, учитывающий трения реборд колеса о рельсы К = 2.5%
Коэффициент трения скольжения μ = 0.1
КПД барабана лебёдки ηб = 0.9
КПД зубчатого редуктора в предварительном расчете можно принять ηр = 0.92
Момент инерции барабана Jб=59 кг м2
Угол наклона рельсового пути к горизонту αо=35 градусов
Скорость движения тележки при подъеме и спуске V =1.1(м/сек)
Путь подъема тележки L=180 м.
Время загрузки и разгрузки соответственно tз=18 с tр=10 с
Допустимое ускорение тележки a = 0.2 м/с2
В цикл работы входят следующие операции:
а) загрузка тележки;
б) реостатный пуск, установившееся движение, торможение груженой тележки;
в) разгрузка тележки;
г) спуск порожней тележки (разгон, установившееся движение, торможение порожней тележки).
В период загрузки и разгрузки двигатель отключен, а тележка удерживается механическим тормозом.
Введение
Электрический привод представляет собой электромеханическую систему, обеспечивающую реализацию различных технологических процессов в промышленности, сельском хозяйстве, на транспорте, коммунальном хозяйстве и в быту с использованием механической энергии. Назначение электрического привода состоит в обеспечении движения исполнительных органов рабочих машин и механизмов и управлении. Для выполнения этих функций электропривод вырабатывает механическую энергию за счет электрической энергии, получаемой им от источника электрической энергии. Вырабатываемая электроприводом механическая энергия передается различным исполнительным органам рабочих машин и механизмов и при необходимости регулируется в соответствии с технологическими требованиями к режимам работы исполнительного органа.
Подъемно транспортные машины являются важнейшим оборудованием для механизации работ во всех отраслях хозяйства – промышленности, строительстве, на транспорте, сельскохозяйственном производстве; применяются для перемещения людей на коротких трассах в вертикальном, горизонтальном и наклонном направлении. В соответствии с функциями выполняемыми подъемно транспортными машинами, их классифицируют на грузоподъемные, транспортирующие и погрузочно-разгрузочные.
Грузоподъемные машины предназначены для перемещения отдельных штучных грузов большой массы по произвольной пространственной трассе, включающей вертикальные, наклонные и горизонтальные участки, циклическим методом, при котором периоды работы перемежаются с периодами пауз. Они могут выполнять и монтажные операции, связанные с подъемом и точной установкой монтируемых элементов и оборудования, а также поддержанием их на весу до закрепления в проектном положении.
Определение времени цикла и продолжительности включения двигателя
Время ускорения и торможения:
гдеV – скорость движения тележки при подъёме и спуске;
а – допустимое ускорение тележки;
Длина пути при ускорении (торможении):
Путь, проезжаемый тележкой при равномерном поступательном движении:
Время равномерного движения:
Время подъёма (спуска) тележки:
Полное время цикла подъёмного механизма:
Продолжительность включения (ПВ) для двигателей определяю из формулы:
Расчет массы противовеса и момента на барабане лебедки
Для определения массы противовеса необходимо рассмотреть два Подъём гружёной тележки:
Условие равномерного подъёма тележки:
;
Проекции сил:
Y:
X:
Как видно из рисунка проекции силы G можно рассчитать по выражениям:
где mГ – наибольшая масса груза;
m0 – масса пустой тележки;
g – ускорение свободного падения;
α – угол наклона рельсового пути к горизонту.
Выражение для силы трения, учитывающие все коэффициенты трения:
;
где К – коэффициент, учитывающий трение рёбер колеса о рельсы;
f – коэффициент трения качения;
– коэффициент трения скольжения;
dЦ – диаметр цапф;
DК – диаметр колес тележки.
Усилие в канате:
;
Где FП – сила, действующая со стороны противовеса.
Спуск пустой тележки:
Условие равномерного спуска тележки:
;
Проекции сил:
Y:
X:
Как видно из рисунка проекции силы G можно рассчитать по выражениям:
Силу трения определяю по формуле:
;
Усилие в канате при спуске пустой тележки:
;
Откуда:
Масса противовеса:
Усилия в канате при подъёме и спуске соответственно:
;
;
Момент на барабане посчитан по наибольшему усилию:
;
Где Dб – диаметр барабана;
ηб – КПД барабана лебедки
Предварительный выбор двигателя
Угловая скорость барабана:
;
Мощность барабана:
Предполагаемая мощность двигателя:
Предварительно выбираю двигатель АД из серии МTH511-8 основного исполнения на 380 (В) и с частотой вращения nД=705 (об/мин)
Продолжительность включения, на которое он рассчитан:
Номинальная угловая скорость двигателя:
Передаточное число:
Возьмем для расчетов i = 32.
Технические данные двигателя МTН511-8, из [6], стр.341:
Номинальная мощность на валу двигателя РH = 28 (кВт);
Номинальная скорость вращения nН = 705 (об/мин);
Номинальный ток якоря IНОМ = 71 (А);
Максимальный момент Мmax = 1000 (Нм);
Момент инерции якоря Jр = 1,08 (кг·м2);
Масса двигателя m = 470 (кг);
KПД ном = 83%;
Напряжение UД = 380 (В);
Фазное напряжение ротора Uфр=281 (В);
Коэффициент мощности cos=0,72;
Продолжительность включения ПВД = 40%;
Посчитаем значение номинального момента на быстроходном валу:
Угловая скорость:
Посчитаем значение сопротивления ротора:
Выбор редуктора
Произведем выбор редуктора по следующим характеристикам:
По мощности на быстроходном ходу РH = 28 (кВт);
По передаточному числу i = 32;
По скорости вращения быстроходного вала nН =705 (об/мин);
По моменту на тихоходном валу Мб =
(Нм).
В нашем случае будем считать, что редуктор работает непрерывно в течении восьми часов в сутки. Характер его нагрузки тяжёлый, и имеет сильные толчки (коэффициент пересчета мощности редуктора 1,75).
Из [5], стр.52,53 выберу двух ступенчатый цилиндрический редуктор ЦД2-75М:
Мощность на быстроходном валу РР = 34,2 (кВт);
Передаточное число i = 31,5;
Скорость вращения быстроходного вала редуктора
nР = 750 (об/мин);
Максимальный крутящий момент на тихоходном валу редуктора МР = 1400 (кгм).
Предварительное определение пускового момента
Момент сопротивления, приведённый к двигателю:
Момент инерции складывается из момента инерции якоря двигателя и момента инерции барабана. Момент инерции барабана, приведенный к двигателю:
Суммарный момент:
Угловое ускорение:
Где ωН – номинальная угловая скорость двигателя
ω0 – угловая скорость в начальный момент времени (Равно нулю);
tУТ – время разгона двигателя.
Пусковой момент на валу двигателя:
Полученное значение пускового момента не превосходит максимальный момент двигателя. Окончательно принимаем двигатель МTH511-8.
Выбор тормоза:
Выбираем тормоз типа ТКП – тормоз колодочный постоянного тока с электромагнитным приводом.
Коэффициент запаса, для грузоподъемных механизмов принимается КЗ = 1,9;
Необходимый тормозной момент:
Выбираем тормоз Типа ТКП-300, с номинальным тормозным моментом МТН=700 (Нм);
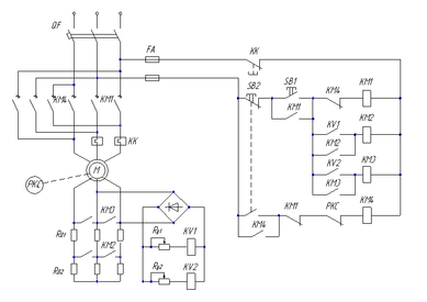
Управление АДФР
Пуск двигателя осуществляется в две ступени по заданному значению времени. Для реализации данного принципа предусмотрены реле времени постоянного тока KT1 и KT2 (типа РЭВ-301), катушки которых с помощью резисторов управления Rу1 и Rу2 настроены на срабатывание при определенной скорости. Пуск двигателя осуществляется нажатием кнопки SB1, что в свою очередь, приводит к срабатыванию контактора KM1 и подключению АД к сети. Двигатель начинает разбег с введёнными в цепь ротора резисторами. По мере разбега АД, растет его ЭДС и, соответственно, растет напряжение на катушках реле времени. При скорости ω1 срабатывает реле времени KT1 и через определенное время замыкает цепь контактора КМ2, контакты которого при срабатывании закорачивают первую ступень пускового резистора RД1. При скорости ω2 срабатывает реле времени KT2 и замыкает цепь контактора КМ3, контакты которого при срабатывании закорачивают вторую ступень пускового резистора RД2. Двигатель выходит на естественную характеристику и заканчивает свой разбег в точке установившегося режима.
Выбор пускорегулирующих сопротивлений
Sкр - критическое скольжение;
Мкр – критический момент.
Характеристики
Тип файла документ
Документы такого типа открываются такими программами, как Microsoft Office Word на компьютерах Windows, Apple Pages на компьютерах Mac, Open Office - бесплатная альтернатива на различных платформах, в том числе Linux. Наиболее простым и современным решением будут Google документы, так как открываются онлайн без скачивания прямо в браузере на любой платформе. Существуют российские качественные аналоги, например от Яндекса.
Будьте внимательны на мобильных устройствах, так как там используются упрощённый функционал даже в официальном приложении от Microsoft, поэтому для просмотра скачивайте PDF-версию. А если нужно редактировать файл, то используйте оригинальный файл.
Файлы такого типа обычно разбиты на страницы, а текст может быть форматированным (жирный, курсив, выбор шрифта, таблицы и т.п.), а также в него можно добавлять изображения. Формат идеально подходит для рефератов, докладов и РПЗ курсовых проектов, которые необходимо распечатать. Кстати перед печатью также сохраняйте файл в PDF, так как принтер может начудить со шрифтами.















