125397 (690519), страница 4
Текст из файла (страница 4)
.(44)
Максимальное значение момента двигателя:
.(45)
При вольт/частотном управлении с
:
(46)
(47)
Электромагнитная постоянная времени:
(48)
Жесткость механической характеристики:
(49)
Коэффициент передачи преобразователя по частоте определяется отношением максимального сигнала на выходе преобразователя к максимальному сигналу на выходе регулятора момента:
.(50)
Максимальное значение момента ограничения равно критическому моменту естественной характеристики двигателя:
(51)
Из уравнения (45) находим Крм:
(52)
Регулятор момента представляется в виде П – регулятора .
Предельное значение коэффициента усиления обратной связи, обеспечивающее регулирования момента с нулевой ошибкой:
(53)
Для расчета контура скорости представим контур момента в виде звена:
(54)
Обозначив
, получим передаточную функцию оптимизированного контура регулирования момента:
(55)
где
Структурная схема контура регулирования скорости представлена на рисунке 13
Рисунок 13 – Структурная схема контура регулирования скорости
Коэффициент передачи датчика отрицательной обратной связи по скорости рассчитывается как отношение максимальной скорости на соответствующее напряжение задания:
(56)
Малой некомпенсируемой постоянной времени контура регулирования скорости является электромагнитная постоянная двигателя, т.е. принимаем
.
Большой компенсируемой постоянной времени контура регулирования скорости является механическая постоянная двигателя.
Для получения нулевой ошибки в статике и форсировки переходных процессов в динамике регулятор скорости должен быть ПИ – регулятор.
Настроим регулятор скорости на симметричный оптимум.
Желаемая передаточная функция контура скорости настроенного на симметричный оптимум:
.(57)
Передаточная функция объекта регулирования:
(58)
Разделив желаемую передаточную функцию контура скорости, на передаточную функция объекта регулирования получим передаточную функцию регулятора скорости:
(59)
где
,
;(60)
;
.
Для того чтобы убрать перерегулирование, по заданию необходимо на входе контура скорости поставить фильтр с постоянной времени
и следующей передаточной функцией:
(61)
Расчет переходных процессов производятся в пакете Matlab.
В модели будем использовать одномассовую консервативную расчетную схему привода.
Модель привода представлена на рисунке 14.
Рисунок 14 – Модель привода
Графики переходных процессов – момента электромагнитного двигателя и скорости первой массы, приведенные к валу двигателя - представлены на рисунках 15, 16.
Рисунок 15 – График переходного процесса скорости первой массы
Рисунок 16 – График переходного процесса электромагнитного момента
В результате моделирования получили, что перерегулирование скорости составляет:
7. Проверка правильности расчета мощности и окончательный выбор двигателя
Проверку правильности расчета мощности выполним методом средних потерь.
Полные номинальные потери в двигателе равны:
(62)
Переменные номинальные потери в двигателе равны:
(63)
Тогда постоянные потери будут равны:
(64)
Средние потери за цикл работы равны:
(65)
где
- потери в i-й момент времени,
- коэффициент ухудшения охлаждения при работе со скоростью
,
Тц=6.9 с – время цикла.
Потери в i-й момент времени можно определить из следующего выражения:
,(66)
где
,
- степень загрузки двигателя.
Или
.(66’)
Подставляя (66’) в (65) получим:
(67)
Используя выражения (67) найдем средние потери за цикл работы.
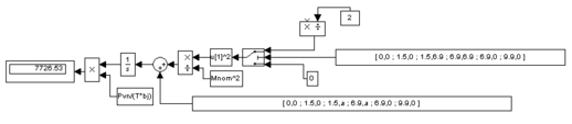
Для нахождения средних потерь по формуле (67) воспользуемся моделью привода.
Сначала возводим в квадрат момент электромагнитный двигателя. Потом делим полученное значение на квадрат номинального момента и прибавляем
. Затем интегрируем полученное значение и умножаем на
, получаем значение средних потерь за цикл работы.
Модель для нахождения средних потерь за цикл работы представлена на рисунке 17.
Рисунок 17 - Модель для нахождения средний потерь за цикл работы
В результате моделирования было получено, что средние потери за цикл работы равны:
.
Тогда коэффициент загрузки двигателя составляет:
(68)
Таким образом, двигатель загружен на 80% (70%<80%<100%), следовательно, оставляем выбранный двигатель.
80>














