125364 (690492), страница 2
Текст из файла (страница 2)
3. По характеру внутренних полостей и отверстий в отливке применяется стержень простой формы.
4. Толщина стенки назначается наименьшей, но обеспечивающий необходимую прочность детали;
5. Чтобы исключить осыпание формовочной смеси в углах модели при её извлечении из формы, выполняют округление при сопряжении стенок отливки.
6. Отливку в форме располагают так, чтобы затвердевание начиналось в тонких местах, постепенно распространяясь на более толстые и заканчивается в прибылях установленных на самых массивных местах.
7. Вся отливки располагается в нижней опоке, во избежание перекоса и других дефектов. Положение отливки в форме должно обеспечивать применение min качества стержней, обрабатываемые поверхности ответственного назначения располагаются в нижней части формы.
8. Количество разъёмов должно быть минимальным. В данном случае имеется 1 разъём, а поверхность разъёма плоская.
12. Выбор положения отливки в форме и плоскость разъёма модели и формы
Решение вопроса о положении отливки производится с учётом требований равномерного и направленного затвердевания металла. Необходимо так же учесть, что положение отливки в форме должно обеспечивать удобство изготовления и сборки формы.
Всю отливку рекомендуется расположить в одной (нижней) опоке во избежания перекосов, смещений и других факторов. По данной рекомендации и учитывая совокупность требований, получаем:
• положение отливки горизонтально;
• применяется 1 стержень;
• отливка располагается в верхней и нижней опоках.
13. Припуски на механическую обработку и технологически припуски отливки
Припуск на механическую обработку -дополнительный слой металла, который удалится в процессе механической обработки, чтобы обеспечить заданную точность и качество поверхности отливки. Припуск на механическую обработку зависит от материала отливки, способа ее изготовления, расположения отливки в форме и наибольшего габаритного размера литой детали.
Припуск зависит от класса точности и при наибольшем размере 402,5 мм, по таблице ПЗ принимаем следующие припуски на механическую обработку: 3 мм на сторону внешнюю и 2 мм на все остальные.
Технологический припуск применяется для упрощения и облегчения процесса изготовления отливки. В данном случае назначаются формовочные уклоны (для удобства извлечения модели из формы без разрушения её), напуски (для упрощения изготовления отливки и назначаются взамен электронов, которые не выполняются при литье).
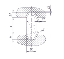
14. Выбор стержней
Для получения крупных отверстий и полостей в отливке применяются, стержни места соединения литейной формы со стержнем называются знаковыми частями (знаками). Их функция заключается в обеспечении правильного и устойчивого положения стержня в форме.
Размеры знаков стержней и зазоры между знаками стержней и модели принимают по ГОСТ 3606-80. Размеры знаков имеют важное техническое значение. Они определяются удобством сборки формы, требованием точной фиксации, а также с учётом действующих на стержень усилий при заливке.
Рисунок 2.
Таблица 6.
| Высота знака | h1 | 35 |
| h | 35 | |
| Длина стержня | L | 135 |
| Зазоры | S1 | 2,1 |
| Зазоры | S2 | 2,1 |
| Диаметр стержня | Dc | 85 |
15. Формовочные уклоны
Формовочные уклоны модельного комплекса служат для удобства извлечения модели из формы без ее разрушения и для свободного удаления стержня из стержневого ящика. Уклоны выполняют в направлении извлечения модели из формы. Величина уклона зависит от материала модели, способа изготовления отливки и высоты боковой поверхности и составляет 0,5-3.
Величина уклонов зависит от размеров и места расположения поверхности.
Принимаем деревянный модельный комплект по ГОСТ 3212-80 (табл. П9).
Формовочные уклоны осн. Формообразующих поверхностей модельного комплекта для применения песчано-глинистой смеси.
Рисунок 3.
| Высота | Формовочный уклон | ||
| поверхности, | модельного комплекта | ||
| мм | |||
| H | 148 | 32’ | |
| h1 | 9,9 | 2o17’ | |
| h2 | 88 | 32’ | |
| h3 | 6,5 | 43' | |
16. Прибыли и выпоры
Прибыли применяются при изготовлении отливок из стали. Прибыль - специальный технологический прилив к поверхности отливки, затвердевающий позднее самой отливки. В прибыли формируется усадочная раковина, поэтому применение прибылей позволяет получить отливки без усадочных дефектов. Прибыли различают по месту расположения: верхние, боковые; по конфигурации: открытые, закрытые; по способу заливки: проточные, сливные, независимого действия; по способу воздействия на металл, для его перемещения в отливке: гравитационные, газовые, атмосферные; по условию обогрева: обычные, утеплённые, подогревные; по способу отделения от отливок: отрезаемые и отбиваемые. Форма прибылей определяется геометрией питательного теплового узла.
17. Требования при конструировании прибылей
Прибыль должна застывать позже отливки и обеспечивать в течении всего периода затвердевания достаточное питание теплового узла. Прибыль следует размещать по возможности в верхней части отливки с тем, чтобы она выполняла ещё и выпора. Конструкция прибыли должна обеспечивать удобства формовки и удаления её при обработке отливки.
Выпоры предназначены для вывода воздуха и газа из плоскости формы при заливке. Их используют также для уменьшения динамического давления металла на форму.
Выпоры используют для питания отливки жидким металлом в процессе её затвердевания. В выпоре образуется усадочная раковина, при кристаллизации высота выпора равна высоте верхней опоки.
18. Литниковая система
Литниковая система – это система каналов, через которые расплавленный металл подводят в полость формы. Литниковая система должна обеспечивать заполнение литейной формы с необходимой скоростью, задержание шлака и других неметаллических включений, выходов паров и газов из полости формы, непрерывную подачу расплавленного металла к затвердевающей отливке.
19. Расчёт литниковой системы
Расчёт является определением размеров основных элементов литниковой системы: питателя, коллектора, стояка.
М=1,3*m,
М — масса отливки с учётом припусков на механообработку и технологических припусков, но без прибылей и выпоров. Для определения массы отливки m определим её объём и умножим на плотность сплава.
m=р*V
р = 7800 кг/м3 (плотность легированных конструкционных сталей).
V=V1+V2+V3
V1= *l1*(R12-R22)
V2= *l3*(R22-R32)
V3= *L*(R32-r12)
V= *(l1(R12-R22)+ l3(R22-R32)+ L(R32-r12)=0.0051 м3
m = 7800*0.0051 = 39,43 кг
M = 1,3*39,43 = 51,26 кг
Определим:
1) плотность жидкого металла =7800 кг/ м3
2) коэффициент расхода литниковой системы, зная толщину стенки t=64,8 мм ( =0,3)
3) время заполнения формы металлом =19,4 (с)
4) расчётный напор жидкого металла при заливке формы
Нст - высота стояка над питателем, мм;
Hom - общая высота отливки;
h - высота отливки выше места подвода металла (высота отливки над питателями), м.
Нст = 0,1 (м);
Hom = 0,077 (м);
h= 6,2 мм = 0,0062 (м);
Нр = 0,1 (м)
В итоге получаем
Fnum = 385,53 мм2
Fпит = 192,7 мм2
Соотношение площадей поперечных сечений всех элементов литниковой системы можно принять следующим:
Fпит: Fл.х: Fст=1:1,1:1,2 ;
Где Fл.х. - площадь сечения литникового хода (коллектора или шлакоуловителя).
Fл.х = 192,7*1,1 = 212,04 мм2. .
Fст = 385,53 = 520,46 мм2.
20. Литниковая система
Рисунок 4. 1-чаша (воронка). 2-стояк.
Список используемой литературы
1) М.Д Харчук, В.И. Черменский, Г.А. Сидоренко. Методические указания к курсовому проекту по разделу «Литейное производство», 1985.-30 с.
2) А.М. Дальский, Н.П. Дубинин, И.А. Артюнова и др. Технология конструкционных материалов: учебник для машиностроительных специальностей вузов, 2-е., перераб. и доп. – М.: Машиностроение, 1985.–488 с., ил.
3) А.И. Чегаев. Основы прогрессивных технологий: Учебное пособие. Екатеринбург: Изд-во Урал. гос. экон. ун-та, 1999.-155 с.
4) В.Н. Журавлев, О.И. Николаева. Справочник Машиностроительные детали. - М.: Машиностроение, 1999.-480 с., ил.
5) А.П. Емильянова. Технология литейной формы: Учебное пособие. М.: Машиностроение, 1979.-240 с., ил.















