125323 (690463)
Текст из файла
План
Исходные данные 2
1. Светотехническая часть 3
1.1 Определение качественных и количественных показателей нормируемых показателей освещения 3
1.2 Выбрать источники света, типы светильников для рабочего и аварийного освещения, соответствующие условиям окружающей среды 3
1.3 Расчет количества светильников и размещение их на плане 3
2. Электротехнический расчет 6
2.1 Расчет сечения проводников групповой сети по нагреву, потере напряжения и условиям защиты 7
2.2 Расчет сечения проводников питающей сети по нагреву, потери напряжения и условиям защиты 10
Литература 14
Задание на выполнение курсовой работы
Для столярного цеха спроектировать установку электрического освещения, которое состоит из рабочего и аварийного освещения.
Исходные данные
Строительные габариты цеха:
длина - 18 м; ширина - 27 м; высота - 6 м;
строительный модуль - 9*6 м.
Коэффициенты отражения потолка, стен, расчетной поверхности или пола принимаем: п = 30, с = 30, р = 10.
Возможные источники питания электрических сетей: ТП 250-1000 кВА 380/220 В, длина питающей линии 50 м.
1. Светотехническая часть
1.1 Определение качественных и количественных показателей нормируемых показателей освещения
Согласно СНиП:
а) минимальная освещенность - Ен = 300 лк;
б) коэффициент пульсации - 15%
в) коэффициент запаса - Кз = 2;
г) расчетная нормируемая плоскость - Г = 0,8 м;
1.2 Выбрать источники света, типы светильников для рабочего и аварийного освещения, соответствующие условиям окружающей среды
Окружающая среда в столярном цехе пыльная. В качестве осветительных приборов для общего рабочего освещения выбираем светильники для производственных помещений типа ГСП15 с металлогалогеновыми лампами типа ДРИ, с кривой силы света (КСС) - Г2 и КПД светильника - 60% (ηсв=0,6), степень защиты светильника - IP54.
Для общего рабочего освещения к установке в светильниках намечаем лампы типа ДРИ 400 мощностью 400 Вт со световым потоком Фном = 34000 лм. Напряжение питания - 220 В
1.3 Расчет количества светильников и размещение их на плане
Определяем расчетную высоту:
h = H - hсв - hрп,
где H = 6 м - высота помещения;
hсв = 0,4 м - высота свеса;
hрп = 0,8 м - высота рабочей поверхности;
h = 6 - 0,4 - 0,8 = 4,8 м.
Индекс помещения:
На основании индекса помещения i = 2,25, КСС - Г-2 и коэффициентов отражения ρп = 30%, ρс = 10%, ρр = 10% по таблице 13 [8] выбирают коэффициент полезного действия помещения 90% (ηп = 0,9).
Коэффициент использования осветительной установки:
ηи = ηсв∙ηп = 0,6∙0,9= 0,54.
Общее количество светильников для проектируемой установки:
,
где S - площадь помещения (18∙27 = 486 м2),
n - число ламп в светильнике;
z = 1,15 - для ламп типа ДРИ.
Минимальное и максимальное расстояние между светильниками для светильников с КСС типа Г-2 по таблице рекомендуемых значений λ = (0,8 - 1,1).
L = h ∙ λ;
L1 = 4,8 ∙ 0,8 = 3,84 м;
L2 = 4,8 ∙ 1,1 = 5,28 м;
Значение L2 = 5,28 м получилось близкое к проектному расстоянию между светильниками по длине помещения, поэтому светильники намечаем разместить на фермах через 5 метров. Значение L1 = 3,84 м соответствует расстоянию между светильниками по ширине. Так предполагаем 4 ряда светильников по 5 светильников в каждом.
Nуст = 4 ∙ 5 = 20
Проверяем, укладывается ли расчетное количество светильников в допустимые значения ( - 5% - + 10%) .
.
Количество светильников по расчету и по расположению совпадают.
Окончательно принимаем 20 светильников размещенных в 4 ряда, по 5 штук в каждом ряду. Наносим светильники на план цеха.
Количество светильников аварийного освещения для эвакуации людей составляет (10-15)% от количества светильников рабочего освещения.
Nab = 20 ∙ 0,15 = 3 шт.
2. Электротехнический расчет
Так как светильники с газоразрядными лампами типа ДРИ и помещение пыльное то выполняется трехфазная питающая сеть типа ТN-С напряжением 380/220 В (3 фазы, нулевой рабочий проводник N) медным четырехжильным кабелем. Групповая сеть освещения выполняется трехфазной типа TN-S напряжением 380/220 В медным пятижильным кабелем (3 фазы, нулевой рабочий проводник N, нулевой защитный проводник PE - для заземления корпусов светильников)
Для групповой сети с учетом требования ограничения коэффициента пульсации принимаем пятипроводную сеть напряжением 380/220В.
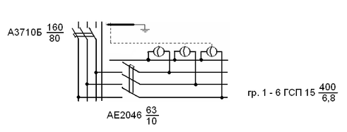
Для рабочего освещения выбирается щиток освещения типа ПР11 с типом вводного аппарата А3710Б на ток от 160 А с трехполюсными выключателями распределения серии АЕ2046 на Iн = 63 А. Конструктивное исполнение шкафа - напольное со степенью защиты IР54.
Рис2. Схема групповой сети рабочего освещения столярного цеха
2.1 Расчет сечения проводников групповой сети по нагреву, потере напряжения и условиям защиты
Проверяем, на сколько равномерно по трем фазам распределены светильники:
Рр. фазы А = NА∙Рл∙Кпра,
где NА - количество светильников в группе, подключенных к фазе А;
Рл - мощность лампы, кВт
Кпра - коэффициент, учитывающий потери мощности в пускорегулирующей аппаратуре;
Рр. фазы А = 2∙ 0,4 ∙ 1,1 = 0,88 кВт,
Рр. фазы В = 2∙ 0,4∙ 1,1 = 0,88 кВт,
Рр. фазы А = 1∙ 0,4∙ 1,1 = 0,44 кВт.
Вычисляем степень неравномерной нагрузки по фазам:
Найдем наиболее удаленную от щитка и наиболее загруженную группу
Рр. гр = Nгрn ·РлКПРА,
Ргр = 5 * 0,4 *1,1 = 2,2 кВт.
Выбор сечений проводников по нагреву осуществляется по расчетному току Iр:
;
где cos =0,5 - коэффициент мощности нагрузки.
.
Согласно ПУЭ от перегрузок необходимо защищать осветительные сети, так как они открыто проложены. Определяют ток комбинированного расцепителя автоматического выключателя осветительного щитка на группу:
Iрасц 1,2 Iр.
Iрасц = 1,2 Iр = 1,2 ∙ 6.69 = 8,03 А.
Принимают ближайшее стандартное значение Iрасч. ном = 10 А на групповой выключатель АЕ2046. По справочным данным для групповой сети принимаем пятижильный кабель с медными жилами сечением 1,5 мм2 марки ВВГ5х1,5, с допустимым током Iд = 17 А при прокладке кабеля в воздухе.
По условию выбора провода
Iр Iд;
8.03 А 17 А.
Iд ≥ Iрасц
17 А ≥ 10 А
При заданных номинальном напряжении сети и материале проводника
.
где с = 72 - коэффициент для медных проводов.
S - сечение данного участка сети, мм2;
М= Рр. гр ·l2 + Рр.3 ·l3/2 - сумма моментов участков сети, кВтм
где Рр. гр - расчетная мощность светильников наиболее удаленной группы, кВт;
l2 - длина кабеля от щитка освещения до наиболее удаленной группы, м;
l3 - длина кабеля большего участка группы, м;
l3/2 - так как светильники на участке распределены равномерно;
Рр.3 - расчетная мощность светильников, подключенных от большего участка группы, кВт.
2.2 Расчет сечения проводников питающей сети по нагреву, потери напряжения и условиям защиты
Определяем расчетную мощность рабочего освещения цеха
Рр = Руст · Кс ·КПРА,
где Кс - коэффициент спроса;
Руст - установленная мощность;
Для столярного цеха, Кс= 1,
Рр = 8 ·1 ·1,1 = 8.8 кВт.
Определяем расчетный ток питающей сети:
.
Данная питающая сеть должна быть защищена от токов КЗ и от перегрузки, поэтому определим расчетный ток комбинированного расцепителя автоматического выключателя:
Iрасц = 1,2 Iр = 1,2 ∙ 26,77 = 32,13 А.
Примем по шкале ближайшее стандартное значение номинального тока I расц = 38 А. Принимаем четырехжильный кабель с медными жилами сечением 6 мм2
ВВГ 4х6мм2 с Iдоп = 38 А.
По условию выбора провода:
Iр Iд;
26,77 А 38 А.
Условие защиты сети от перегрузки
Iдоп = 38 А Iрасц = 80 А.
В целях обеспечения селективности защиты рекомендуется принимать не менее чем на 2 ступени большими тока последующего аппарата. Требование по обеспечению селективности защиты выполнено, так как номинальный ток расцепителя автомата питающей сети Iрасц = 80 А, а номинальный ток расцепителя автомата групповой сети Iрасц = 10А.
Рассчитаем питающую сеть на потерю напряжения и проверим выбранное сечение кабеля.
.
Суммарная потеря напряжения от низковольтного щита ТП до самого удаленного светильника составила
U = U пит + U гр = 1.01 + 0,65 = 1,66.
полная потеря напряжения:
U = U К,
где К = 1,05 - при сечении 2 - 16 мм2.
U = 1,66 ∙ 1,05 = 1,74,
что значительно меньше располагаемых потерь up = 4.
Расчет сети аварийного освещения
Питание светильников аварийного освещения выполняется фазным напряжением 220 В переменного тока (фаза, нулевой рабочий проводник N, нулевой защитный проводник PE).
Для аварийного освещения принимается к установке светильники типа НСП11-500 с лампой накаливания мощностью 500 Вт. Степень защиты светильника - ΙΡ 60.
Для групповой сети аварийного освещения принимается трехпроводная сеть (фаза и нулевой рабочий проводник, а также добавляется нулевой защитный проводник PE для заземления корпусов светильников.
Для аварийного освещения принимается к установке щиток типа ЯОУ8501 с пакетным выключателем ввода серии ПВ3-60 и на одну отходящую линию с однополюсным автоматическим выключателем распределения серии АЕ1031 на ток 10 А. Конструктивное исполнение шкафа - навесное со степенью защиты IР54.
Расчетная мощность аварийного освещения:
Рр = Ncв∙Руст · Кс =0,5∙1,1∙3 =1,65 кВт,
Расчетный ток групповой сети аварийного освещения:
;
где cos =1 - коэффициент мощности ламп накаливания.
.
Выбираем медный трехжильный кабель сечением 2,5 мм2 с поливинилхлоридной изоляцией и оболочкой без наружного покрова ВВГ32,5 с длительным допустимым током Iдоп = 25 А.
Iдоп ≥ Iном расц; 25А ≥ 10 А
Литература
1. Бурдочкин Ю.С., Парфенова Н.А. Электрическое освещение: Справочные материалы к курсовому и дипломному проектированию для студентов специальности 100400 всех форм обучения / Рубцовский индустриальный институт. - Рубцовск: РИО, 2001.
2. СНиП 23.05.93. Естественное и искусственное освещение. Нормы проектирования. - М.: Стройиздат, 1993.
3. Справочная книга по светотехнике / Под ред. Ю.Б. Айзенберга. - М.: Энергоатомиздат, 1983.
Характеристики
Тип файла документ
Документы такого типа открываются такими программами, как Microsoft Office Word на компьютерах Windows, Apple Pages на компьютерах Mac, Open Office - бесплатная альтернатива на различных платформах, в том числе Linux. Наиболее простым и современным решением будут Google документы, так как открываются онлайн без скачивания прямо в браузере на любой платформе. Существуют российские качественные аналоги, например от Яндекса.
Будьте внимательны на мобильных устройствах, так как там используются упрощённый функционал даже в официальном приложении от Microsoft, поэтому для просмотра скачивайте PDF-версию. А если нужно редактировать файл, то используйте оригинальный файл.
Файлы такого типа обычно разбиты на страницы, а текст может быть форматированным (жирный, курсив, выбор шрифта, таблицы и т.п.), а также в него можно добавлять изображения. Формат идеально подходит для рефератов, докладов и РПЗ курсовых проектов, которые необходимо распечатать. Кстати перед печатью также сохраняйте файл в PDF, так как принтер может начудить со шрифтами.














