125322 (690462), страница 3
Текст из файла (страница 3)
,
(6.17)
Где
- суммарный момент инерции привода
(6.18)
(6.19)
Расчет переходных процессов производятся в пакете Matlab 6.5.
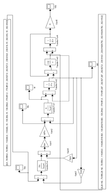
Модель для исследования работы привода мостового крана приведена на рисунке 6.5:
Рисунок 6.5 – Модель для исследования работы привода мостового крана.
7 Проверка правильности расчета мощности и окончательный выбор двигателя
Проверку правильности расчета мощности выполним методом средних потерь.
Полные номинальные потери в двигателе равны:
(7.1)
Переменные номинальные потери в двигателе равны:
(7.2)
Тогда постоянные потери будут равны:
(7.3)
Средние потери за цикл работы равны:
(7.4)
где
- потери в i-й момент времени,
- коэффициент ухудшения охлаждения при работе со скоростью
,
Тц=302 с. – время цикла.
Потери в i-й момент времени можно определить из следующего выражения:
(7.5)
где
,
- степень загрузки двигателя.
Или
(7.6)
Подставляя (7.6) в (7.4) получим:
(7.7)
Используя выражения (7.7) найдем средние потери за цикл работы. Для нахождения средних потерь по формуле (7.7) воспользуемся моделью привода.
Сначала возводим в квадрат момент электромагнитный двигателя. Потом делим полученное значение на квадрат номинального момента и прибавляем
. Затем интегрируем полученное значение и умножаем на
, получаем значение средних потерь за цикл работы.
Модель для нахождения средних потерь за цикл работы представлена на рисунке 17.
Рисунок 17 - Модель для нахождения средний потерь за цикл работы
В результате моделирования было получено, что средние потери за цикл работы равны:
.
Тогда коэффициент загрузки двигателя составляет:
(7.8)
Следовательно двигатель загружен на 84,32% (что больше 70%), поэтому окончательно выбираем данный двигатель.
8 Разработка схемы электрической принципиальной
Схема электрическая принципиальная привода приведена в графической части курсового проекта.
Преобразователь изображен на схеме в виде блока UZ1.
Входное напряжение на преобразователь подается через клеммы R, S и T. Двигатель подключается к клеммам U, V и W. К клеммам В1 и В2 подключается тормозной блок и блок тормозного резистора.
Необходимо обеспечить защиту электропривода от токов короткого замыкания.
Управление преобразователями частоты осуществляется посредством набора параметров, позволяющих осуществлять выбор, активизацию или, наоборот, запрет той или иной функции, задание значения параметра, а также контролировать текущее значение параметра. Параметры можно изменять и устанавливать кнопками клавиатуры пульта управления преобразователя, находящегося на передней панели.
Выбор элементов схемы
Автоматические выключатели выбираются по следующим критериям:
- по номинальному напряжению цепи;
Uном.авт Uном;
где
Uном.авт – номинальное напряжение аппарата (В);
Uном - номинальное напряжение сети (В);
- Iуст.макс.расц. (2,5 - 3)Iном.дв. ;
где
Iуст.макс.расц. – ток уставки максимального расцепителя
Iном.дв. – номинальный ток двигателя;
Выбираем автоматический выключатель QF1:
Параметры автоматического выключателя:
серия ВА5735;
Iуст.макс.расц.(А) 250;
Uном = 380 В;
Количество полюсов 3;
количество вспомогательных контактов: 1 замыкающий; 1 размыкающий;
Заключение
В данном курсовом проекте необходимо было выбрать необходимый тип электропривода, выбрать двигатель для данного привода по рассчитанной мощности. Далее необходимо было построить схему управления и защиты для данного привода, выбрать элементы этих схем, рассчитать переходные процессы и определить правильно ли выбран двигатель. Так в данном курсовом проекте эквивалентный момент составил 99 процентов от номинального, то двигатель проходит по нагреву, причём мощность не завышена, что подтверждает правильность выбора.
Список литературы
-
Справочник по автоматизированному электроприводу / Под ред. В.А. Елисеева, А.В. Шинянского. М.: Энергоатомиздат, 1983. 450 с.
-
Справочник по крановым электродвигателям / Под ред. В.М. Рабинович. М.: Энергоатомиздат, 1988. 318 с.
-
УДК 62 – 83 Теория электрического привода: Методические указания по курсовому проектированию. – ч.1 – Могилев: МГТУ, 2003. – 48с.
-
УДК 62 – 83 Теория электрического привода: Методические указания по курсовому проектированию. – ч.2 – Расчет статических характеристик электрических машин. – Могилев: МГТУ, 2003. – 47с.
УДК 62 – 83 Теория электрического привода: Методические указания по курсовому проектированию. – ч.2 – Расчет статических характеристик электрических машин. – Могилев: МГТУ, 2003. – 47с.















