125317 (690459), страница 2
Текст из файла (страница 2)
В настоящее время вырабатывают черепицу пазовую штампованную, пазовую ленточную, плоскую ленточную, волнистую ленточную, S-образную ленточную и коньковую желобчатую.
В зависимости от назначения черепица может быть: рядовая – для покрытия скатов кровли; коньковая – для покрытия коньков и рёбер; разжелобочная – для покрытия разжелобов; концевая – для замыкания рядов, специального назначения.[25]
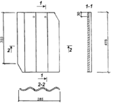
Основные технические характеристики глиняной черепицы по ГОСТ 1808 – 71 приведены в таблице 2.
Таблица 2 – Номенклатура выпускаемой продукции
| Тип черепицы | Размеры, допускаемые отклонения | Вес 1 м2 кровли, кг | Количество штук черепицы на 1 м2 кровли | Эскиз | |||||
| Длина | Ширина | ||||||||
| Пазовая штампованная | 310 333 +24 347 -8 | 190 190 +10 208 -16 | 50 50 50 | 17 16 14 | |||||
| Пазовая ленточная | 333 333 +/-5 333 | 200 180 +/-3 140 | 50 50 50 | 15 17 21,4 | |||||
| Плоская ленточная | 160 +/-5 | 155 +/-3 | 65 | 40,3 | |||||
| Волнистая ленточная | 200 +/-5 | 200 +/-3 | 50 | 17 | |||||
| S-образная ленточная | 333 290 +/-5 | 175 175 +/-3 | 50 50 | 17 20 | |||||
К керамической черепице предъявляются следующие требования: черепица должна быть правильной формы с гладкими поверхностями и ровными краями, без отбитостей, трещин и известковых включений. Допускаются искривления поверхности и рёбер черепицы не более чем на 3 мм; отбитие или смятие шипов допускается не более 1/3 высоты шипа; отклонения линейных размеров по длине должны составлять не более чем 5 мм, по ширине – не более 3 мм. Исключение составляет пазовая штампованная черепица.
Цвет черепицы должен быть однотонным, а структура черепицы в изломе однорядной. [18]
Таким образом, исходя из анализа сырьевых материалов для изготовления черепицы, в курсовой работе в качестве основных материалов применяются высокопластичные глины и кварцевый песок; выпускается плоская ленточная черепица.
4. ВЫБОР И ОБОСНОВАНИЕ ТЕХНОЛОГИЧЕСКОЙ СХЕМЫ ПРОИЗВОДСТВА
В настоящее время для производства керамической черепицы применяются следующие технологии: пластическое формование, метод полусухого прессования, жёсткое формование, шликерный способ.
Способ производства черепицы определяется способом приготовления массы и способом формования. Рассмотрим основные из них.
Пластический способ – исходные материалы при естественной влажности или предварительно высушенные смешивают с добавками воды до получения теста с влажностью от 18 до 28%. Этот способ производства керамических материалов является наиболее простым, наименее металлоёмким и поэтому наиболее распространённым. Он применяется в случаях использования среднепластичных и умереннопластичных, рыхлых и влажных глин с умеренным содержанием посторонних включений, хорошо размокающих и превращающихся в однородную массу.
Полусухой способ производства распространён меньше, чем способ пластического формования. Керамические изделия по этому способу формуют из шихты влажностью 8 – 12% при давлениях 15 – 40 Мпа. Недостаток способа в том, что его металлоёмкость почти в 3 раза выше, чем пластического. Но в то же время он имеет и существенные преимущества. Длительность производственного цикла сокращается почти в 2 раза; изделия имеют более правильную форму и точные размеры; до 30% сокращается расход топлива; в производстве можно использовать малопластичные тощие глины с большим количеством добавок отходов производства – золы, шлаков и др. Сырьевая масса представляет собой порошок, который должен иметь около 50% частиц менее 1 мм и 50% размером 1 – 3 мм.
Прессование изделий производится в прессформах на одно или несколько отдельных изделий на гидравлических или механических прессах.
Сухой способ производства керамической черепицы является разновидностью современного развития полусухого производства изделий. Пресс-порошок при этом способе готовится с влажностью 2 – 6%. При этом устраняется полностью необходимость операции сушки.
Шликерный способ применяется, когда изделия изготавливаются из многокомпонентной массы, состоящей из неоднородных и трудноспекающихся глин и добавок, и когда требуется подготовить массу для изготовления изделий сложной формы методом литья. Отливка изделий производится из массы с содержанием воды до 40%. [25]
В курсовой работе для производства керамической черепицы применяем жёсткий способ. Жёсткий способ формования является современной разновидностью пластического способа. Влажность формуемой массы при этом способе колеблется от 13% до 18%. Формование осуществляется на мощных вакуумных шнековых или гидравлических прессах. Вакуум-пресс создаёт давление прессования до 20 МПа. В связи с тем, что жёсткое формование осуществляется при относительно высоких 10 – 20 МПа давлениях, могут быть использованы менее пластичные и с естественной низкой влажностью глины. При этом способе требуются меньшие энергетические затраты на сушку, а получение изделия-сырца с повышенной прочностью позволяет избежать некоторые операции в технологии производства, обязательные при пластическом способе. Формование при жёстком способе завершается разрезкой непрерывной ленты отформованной массы на отдельные изделия на резательных устройствах.
5. ОПИСАНИЕ ТЕХНОЛОГИЧЕСКОЙ СХЕМЫ
Технологическая схема производства керамической черепицы жёстким способом представлена на рисунке 1.
Глину для производства керамической черепицы добывают в карьерах, расположенных обычно внепосредственной близости от завода. Глины обычно залегают на небольшой глубине при мощности вскрыши 0,5 – 1,0 м. Мощность полезной толщины месторождений колеблется от одного до десятков метров. Добычу глин осуществляют открытым способом различными экскаваторами: одно- и многоковшовыми, роторными и реже скреперами. Методы добычи и оборудование для разработки месторождений выбирают в зависимости от мощности глиняного пласта, характера его залегания и других факторов. Транспортируют глину из карьера на завод рельсовым транспортом в опрокидных вагонетках.
Для бесперебойной работы производства на заводе керамической черепицы должен быть определённый запас сырья. С этой целью на заводах создают склады для промежуточного запаса сырья. Добыча глины зимой, а также предохранение её от смерзания при транспортировании сильно усложняют производство, поэтому стремятся осуществить добычу в тёплое время года и создавать запасы глины на складах завода для работы зимой.
Добытая в карьере и доставленная на завод глина в естественном состоянии обычно непригодна для формования изделий и нужно разрушить природную структуру глины, удалить из неё вредные примеси, измельчить крупные включения, смешать глину с добавками, а также увлажнить её, чтобы получить удобоформуемую массу.
Глина подвергается последовательно грубому дроблению и тонкому измельчению. Первичное дробление глины осуществляют в глинорыхлителе, который представляет собой самоходную тележку, совершающую возвратно-поступательное движение над ящичным подавателем. Рабочим органом глинорыхлителя является вращающийся вал с насаженными на него фрезами. Дробление глины до кусков размером 10 – 15 мм осуществляют в дробилках. Вязкие пластичные глины дробят на гладких дифференциальных вальцах грубого помола.
Измельчённые глину и отощающие добавки дозируют для предварительного перемешивания в двухвальный смеситель. При необходимости сюда подают также воду или пар.
Формование производится на прессе с вакуумированием и подогревом. Вакуумирование и подогрев массы при прессовании позволяет улучшить её формовочные свойства, увеличить прочность обожжённого изделия до 2-х раз. В корпусе пресса (рисунок 2) вращается шнек-вал с винтовыми лопастями. Глиняная масса перемещается с помощью шнека к сужающейся переходной головке, уплотняется и выдавливается через мундштук в виде непрерывной ленты под давлением. Меняя мундштук, можно получать глиняный брус различных форм и размеров. Брус, непрерывно выходящий из пресса, разрезает на отдельные части в соответствии с размерами изготовляемых изделий автоматическое резательное устройство. Пресс снабжён вакуум-камерой, в которой из глиняной массы частично удаляется воздух.
Перед обжигом изделия должны быть высушены до содержания влаги 5 – 6% во избежание неравномерной усадки, искривлений и растрескивания при обжиге. Применяется искусственная сушка в камерных сушилках периодического действия в течение от нескольких до 72-х часов в зависимости от свойств сырья и влажности сырца. Сушка производится при начальной температуре теплоносителя – отходящих газов от обжиговых печей или подогретого воздуха – 120 – 1500С.
Обжиг – важнейший и завершающий процесс в производстве керамической черепицы. Этот процесс включает в себя три периода: прогрев сырца, собственно обжиг и регулируемое охлаждение. При нагреве сырца до 1200С удаляется физически связанная вода и керамическая масса становится непластичной. Но если добавить воду, пластические свойства массы сохраняются. В температурном интервале от 4500С до 6000С происходит отделение химически связанной воды, разрушение глинистых минералов и глина переходит в аморфное состояние. При этом и при дальнейшем повышении температуры выгорают органические примеси и добавки, а керамическая масса безвозвратно теряет свои пластические свойства. При 8000С начинается повышение прочности изделий, благодаря протеканию реакций в твёрдой фазе на границах поверхностей частиц компонентов.















