125305 (690453)
Текст из файла
МІНІСТЕРСТВО ОСВІТИ ТА НАУКИ УКРАЇНИ
КУРСОВА РОБОТА
На тему: "Проектування технологічного маршруту механічного оброблення косозубого дискового довбача"
З ДИСЦИПЛІНИ:ПРОЕКТУВАННЯ МЕТАЛОРІЗАЛЬНИХ ІНСТРУМЕНТІВ
Львів 2007
Зміст
1. Теоретичні відомості
1.1 Загальна характеристика, призначення класифікація
1.2 Прямозубчастий дисковий довбач для коліс із зовнішніми зубцями
2. Розроблення технологічного маршруту механічного оброблення косозубого дискового довбача в умовах серійного виробництва
1. Теоретичні відомості
1.1 Загальна характеристика, призначення класифікація
Довбач представляє собою зубчасте колесо з евольвентним профілем, забезпеченим різальними лезами; застосовують їх на зубодовбальних верстатах, моделей 5А12, 514; 516 та інших і працюють за методом обкочування.
У процесі нарізання довбач знаходиться у безпроміжковому зачепленні з оброблюваним зубчастим колесом. Внаслідок цього профіль зубця нарізуваного колеса отримується автоматично, як обвідна крива послідовних положень різальних лез зубця довбача.
Зуборізальні довбачі застосовують для нарізання прямозубчастих циліндричних коліс та коліс з похилими зубцями як зовнішнього, так і внутрішнього зачеплення. Як і гребінки довбачі можуть нарізати блокові шестерні та шевронні колеса. Процес оброблювання протікає неперервно. Довбачі доцільно застосовувати для оброблювання зубчастих коліс з вузьким вінцем, що має велике число зубців і модуль до 2 мм. Проте, довбачам притаманні певні недоліки. Порівняно з гребінками вони мають велику накопичену похибку кроку. Вони поступаються гребінкам і за точністю евольвентного профілю зубців нарізуваного колеса, оскільки внаслідок наявних переднього та заднього кутів проекція різальних лез на площину, перпендикулярну до осі довбача, відрізняється від евольвентного профілю. Довбачі мають обмеження щодо числа зубців нарізуваних коліс. Крім цього, ними можна нарізати колеса практично обмеженого модуля до 12 мм, оскільки за великих розмірів довбачів збільшується їх перекіс. Залежно від розміру та призначення розрізняють такі конструктивні виконання довбачів (рис. 8.1):
-
дискові прямозубчасті – для нарізання прямозубчастих циліндричних коліс, переважно зовнішнього зачеплення. Стандартні дискові довбачі за ГОСТ 9323–79 виготовляють з номінальним ділильним діаметром D0 = 25, 38, 50, 75, 100, 125, 160, 200 мм, модулем 1…12 мм;
-
чашкові – застосовують для нарізання блокових коліс до упору і для виготовлення внутрішніх коліс середніх модулів. Стандартні довбачі цього виду мають номінальний діаметр 50…125 мм. Вони відрізняються від дискових глибшою западиною для розміщення гайки закріплення;
-
кінцеві чи хвостові довбачі, – для нарізання коліс внутрішнього зачеплення; вони мають D0 =25; 38 мм, m = 4 мм;
-
довбачі з похилими зубцями, – для коліс з похилими зубцями виконують діаметром до 200 мм і для шевронних до 360 мм.
Фактичні ділильні діаметри довбачів відрізняються від номінальних, що витікає з умови D0 = mZо, де m – модуль зубців в мм; Zо – число зубців довбача, яке треба приймати таким, щоби дійсний діаметр якомога ближче співпадав з номінальним ділильним діаметром. Оптимальне число зубців довбача Zо =15…40. Таке число зубців дозволяє нарізати зубчасті колеса у всьому діапазоні практично задовільними за перехідними кривими.
Проте, для нарізання коліс внутрішнього зачеплення а також коліс зовнішнього зачеплення великих модулів застосовують довбачі з Zо <15. З іншого боку, для збільшення стійкості довбачів бажано збільшувати число його зубців до 75…80. У цьому випадку довбачі необхідно перевіряти на підрізання ніжок зубців і інтерференцію профілів з перехідними кривими спряжених коліс, нарізаних такими довбачами.
Рис.1.1. Конструктивні різновиди довбачів
Під інтерференцією (втіленням, заїданням) профілів розуміють всякий неправильний дотик профілів поза активною ділянкою лінії зачеплення, або перетин теоретичних профілів двох спряжених коліс. Якщо коло виступів колеса (Ra2) (див. рис. 6.7) перетинає лінію зачеплення АВ в точці Е, розташованій перед точкою В дотику основного кола з лінією зачеплення, то ніжка колеса z1 не підрізається головкою колеса. У разі розташування точки Е поза точкою В підрізання неминуче. Аналогічне явище спостерігається в процесі зачеплення колеса з довбачем. Під час нарізання довбачем з великим числом зубців колеса з малим числом зубців виникає небезпека підрізання ніжки зубця нарізуваного колеса. У разі нарізання довбачем з малим числом зубців колеса з великим числом зубців виникає небезпека зрізання головки зубця нарізуваного колеса.
Обидва ці явища призводять до зменшення коефіцієнта перекриття зачеплення. Крім цього, підрізання ніжки ослаблює зубець. Якщо останнє є недопустимим, то, навпаки, зрізання головки інколи є бажаним, оскільки воно усуває заїдання спряжених профілів у процесі зачеплення.
1.2 Прямозубчастий дисковий довбач для коліс із зовнішніми зубцями
Зачеплення довбача із зубчастим колесом в процесі нарізання, яке прийнято називати верстатним зачепленням, аналогічне зачепленню коригованої зубчастої передачі. Кожний торцевий переріз зубчастого довбача можна розглядати як кориговане зубчасте колесо, що має додатну чи від’ємну корекцію. За різного ступеня спрацювання довбач має різні коефіцієнти зміщення вихідного контуру.
Торцевий переріз довбача, який в процесі зачеплення з нарізуваним колесом утворює нульову передачу, називається нульовим перерізом (рис. 8.2).
Вихідний перетин стандартного довбача утворює в процесі зачеплення з некоригованим колесом нульову передачу, при цьому початкове коло співпадає у цьому випадку з ділильним колом. Відстань від передньої поверхні нового довбача до вихідного перерізу вважається додатною вихідною відстанню, або додатним зміщенням вихідного перерізу, а від торцевого перерізу гранично переточеного довбача до вихідного перерізу – від’ємною вихідною відстанню, або від’ємним зміщенням вихідного перерізу.
Для підвищення терміну служби довбача вигідно збільшувати вихідну відстань, оскільки у цьому випадку збільшується можливе число перезагострень. Проте, величина додатної та від’ємної вихідних відстаней обмежується рядом факторів.
Збільшення додатної вихідної відстані лімітується небезпекою загострення зубців довбача, або неповним обробленням робочої (активної) ділянки нарізуваного зубця колеса (надмірна величина перехідної кривої), а від’ємної вихідної відстані – небезпекою зрізання чи, навпаки, в інших випадках неповним обробленням вершини зубців нарізуваного колеса, оскільки у цьому випадку евольвентна частина зубця довбача може виявитись настільки зменшеною, що вона буде недостатньою для оброблювання зубця колеса по всій його висоті.
В інших, рідших випадках, за більших величин від’ємної вихідної відстані, може наступити підрізання зубців колеса. Якщо взяти до уваги, що число зубців, діаметр ділильного кола та кути різання довбача є конструктивними чи заданими елементами, то розрахунок довбача за суттю полягає у визначенні оптимальних вихідних віддалей, для конкретних умов оброблювання.
Параметри довбача м з огляду їх оптимальних величин можна розглядати тільки для заданого колеса певних параметрів; цей же довбач для іншого колеса може мати далеко не найкращу геометрію. У цьому полягає одна з особливостей розрахунку довбача, на відміну, наприклад, від розрахунку шнекових фрез.
Правильно знайдені вихідні відстані повинні задовольняти двом умовам:
-
досягнення максимально можливого терміну служби довбача;
-
і забезпечення правильного нарізання зубців коліс як по їх загальній висоті, так і по висоті їх активної частини за будь-якого ступеня перезагострення довбача.
Стосовно правильного отримання евольвенти як новий, так і перезагострений довбачі теоретично дають однакові результати, якщо довбач розрахований правильно. Тому цілком працездатними можуть бути довбачі, що мають або лише додатне, або тільки від’ємне зміщення вихідного перерізу.
Основні задачі в процесі визначення максимальних вихідних відстаней зводяться до правильного врахування всіх лімітованих факторів.
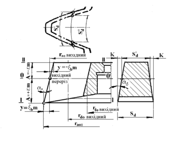
Визначимо найбільшу вихідну відстань, для чого розглянемо геометричну картину зачеплення нового довбача та колеса, при цьому для простоти викладок будемо розглядати зачеплення прямозубчастого довбача (рис. 1.2).
Рис. 1.2. Спряження нового довбача з колесом
Рис. 1.3. Основні параметри довбача в різних перерізах
2. Розроблення технологічного маршруту механічного оброблення косозубого дискового довбача в умовах серійного виробництва
Складаємо технологічний маршрут механічного оброблення косозубого
Дискового довбача, ескіз якого зображено на рис 1.4. в умовах серійного виробництва.
Рис. 1.4. Ескіз косозубого дискового довбача
Технологічний маршрут механічного оброблення косозубого дискового довбача в умовах серійного виробництва
| Назва операції та зміст переходів | Ескіз | Назва та модель основного технологічного обладнання |
| 005 Заготівельна 1. Кувати заготовку | Обладнання для кування | |
| 010 Термообробка (відпал) | Електрошихтна відпалювальна піч | |
| 015 Очисна 1. Очистити заготовку від окалин | ||
| 020. Токарна з ЧПК 1.Підрізати торець 1 однократно. 2.Підрізати торець 5 попередньо. 3.Підрізати торець 5 кінцево. 4. Розточити отвір 7 попередньо. 5. Розточити поверхню 3 Попередньо на конус. 6. Розточити поверхню 3 кінцево на конус. 7. Розточити канавку 4. 8. Розточити фаску 6 кінцево. Бази: торець 9 та поверхня 1 | Токарний верстат з ЧПК 16К20Ф3 | |
| 025 Токарна з ЧПК 1.Підрізати торець 9 попередньо. 2.Підрізати торець 9 кінцево. 3. Точити поверхню10 однократно під конус. 4. Розточити отвір 7 кінцево. 5. Розточити фаску6 кінцево Бази: торець 2 та поверхня 1 | Токарний верстат з ЧПК 16К20Ф3 | |
| 030 Токарна з ЧПК 1.Підрізати торець 2, витримати кут 5° із припуском під загострення 2. Точити поверхню 1 витримуючи кут 6° 30´ із припуском під загострення. Бази: торець 9 та отвір 7 | Токарний верстат з ЧПК 16К20Ф3 | |
| 035 Плоскошліфувальна 1. Шліфувати торець 9 Попередньо. 2. Шліфувати торець 9 Кінцево. Бази: торець2 та отвір7 | Плоскошліфувальний верстат мод. 3Б756 | |
| 040 Зубофрезерна 1. Фрезерувати остружкові рівці 11 по зовнішньому діаметрі 1. Бази: торець 2 і отвір 7 | Універсально-фрезерний верстат мод. 6Н82 | |
| 045 Зубодовбальна 1. Довбання канавок на бокових сторонах зубців 12,13 з двох боків Бази: торець 2 і поверхня 7 | Спеціальний зубодовбальний верстат мод. 5122В | |
| 050 Термообробка (гартування до твердості HRC 56–62) | ||
| 055 Внутрішньошліфувальн 1. Шліфувати отвір 7 попередньо. 2. Шліфувати отвір 7 кінцево | Внутрішньо шліфувальний верстат мод. 3А240 | |
| 060 Доводочна 1. Довести отвір 7 кінцево | Доводочний верстат | |
| 065 Універсально – загострю вальна 1. Загострити зубці довбача по передній поверхні. Бази: торець 9 та поа. 7 | Універсально-загострювальний верстат мод. 3А64 | |
| 070 Універсально – загострю вальна 1. Загострити зубці довбача по задній поверхні. Бази: торець 9 та пов. 7 | Круглошліфувальний верстат мод. 3У10В | |
| 075 Зубошліфувальна 1. Шліфувати профіль зубців по евольвенті з двох сторін (пов. 12,13) попередньо. 2. Шліфувати профіль зубців по евольвенті з двох сторін (пов. 12,13) кінцево. Бази: торець 7та пов. 8 | Зубошліфувальний верстат мод. 5В841 | |
| 080 Контрольна |
Cписок використовуваної літератури
-
Металорізальні інструменти. Проектування // М.Л. Кукляк, І.С. – Львів: НУ «Львівська політехніка» – 2001 – C. 453.
-
Иноземцев Г.Г. Проектирование металлорежущих инструментов. – М.: Машиностроение, 1984. – 272 с.
-
Родин Р.П. Основы проектирования режущих инструментов. – К.: Вища шк, 1990. – 422 с.
-
Романов В.Ф. Расчет зуборезных инструментов. – М.: Машиностроение, 1969. – 251 с.
-
ГОСТ 9323-60. Долбяки зуборезные чистовые
Характеристики
Тип файла документ
Документы такого типа открываются такими программами, как Microsoft Office Word на компьютерах Windows, Apple Pages на компьютерах Mac, Open Office - бесплатная альтернатива на различных платформах, в том числе Linux. Наиболее простым и современным решением будут Google документы, так как открываются онлайн без скачивания прямо в браузере на любой платформе. Существуют российские качественные аналоги, например от Яндекса.
Будьте внимательны на мобильных устройствах, так как там используются упрощённый функционал даже в официальном приложении от Microsoft, поэтому для просмотра скачивайте PDF-версию. А если нужно редактировать файл, то используйте оригинальный файл.
Файлы такого типа обычно разбиты на страницы, а текст может быть форматированным (жирный, курсив, выбор шрифта, таблицы и т.п.), а также в него можно добавлять изображения. Формат идеально подходит для рефератов, докладов и РПЗ курсовых проектов, которые необходимо распечатать. Кстати перед печатью также сохраняйте файл в PDF, так как принтер может начудить со шрифтами.
















