125281 (690414)
Текст из файла
Федеральное агентство по образованию
Хакасский технический институт – Филиал ФГОУ ВПО
«Сибирский федеральный университет»
Кафедра «Машины и технология литейного производства»
Курсовой проект
по “ТЕХНОЛОГИИ ЛИТЕЙНОГО ПРОИЗВОДСТВА”
Пояснительная записка
Выполнил:
студент гр.43-1
Сузгаев К.В.
Проверил:
ст. преподаватель
Цыганок Н.С.
г. Абакан 2007 г.
Содержание
Введение
-
Выбор марки сплава
-
Оценка технологичности детали
-
Составление чертежа отливки и разработка конструкции модели
-
Определение размеров отливки и модели
-
Определение количества стержней, стержневых знаков и их конструкции
-
Выбор конструкции модели и модельных плит
-
Формовочные уклоны на отливке и модели
-
Определение литейных радиусов
-
Выбор состава формовочной и стержневой смеси
Выбор технологии изготовления стержней
Расчет элементов литниковой системы
Выбор размеров опок
Выбор способа изготовления форм
Разработка технологии сборки формы. Расчет усилия подъёма верхней полуформы расплавом. Выбор груза или способа крепежа верхней полуформы к нижней полуформе
10. Выбор плавильного агрегата
11. Определение типа и ёмкости разливочного ковша
12. Обрубка, очистка отливок
13. Основные дефекты отливок
Литература
Приложение
Введение
Целью данной курсовой работы является проектирование изготовления отливки. Курсовая работа состоит из тринадцати разделов, в которых рассмотрены технико-производственные аспекты процесса изготовления отливки.
В целом можно выделить ряд основных этапов работы:
-
выбор марки сплава;
-
оценка технологичности детали;
-
составление чертежа отливки и разработка конструкции модели;
-
выбор состава формовочной и стержневой смеси;
-
выбор технологии изготовления стержней;
-
расчет элементов литниковой системы;
-
выбор размеров опок;
-
выбор способа изготовления форм;
-
разработка технологии сборки формы;
-
выбор плавильного агрегата;
-
определение типа и ёмкости разливочного ковша;
-
описание основных дефектов отливок.
Для выполнения курсового проекта использованы материалы технологической практики и теоретические знания по технологии литейного производства, а также современные достижения в области формообразования и плавки литейных сплавов.
1. Выбор марки сплава
Учитывая условия работы отливки – кронштейн, а также то, что технические условия не оговорены, выбираем материал отливки: серый чугун марки СЧ18 ГОСТ 26358-84, выплавляемый в индукционной печи ИЧТ-1,0. Эта марка сплава обеспечивает довольно высокие механические свойства и обладает хорошими литейными свойствами.
Согласно ГОСТ26358-84 химический состав данного чугуна следующий:
Таблица 1.-Химический состав чугуна СЧ18 ГОСТ 26358-84
С | Mn | Si | S | P |
| (3,1-3,5)% | (0,5-0,9)% | (2,0-2,4)% | не более | |
| 0,15% | 0,4% | |||
Механические свойства:
- предел прочности при растяжении не менее – 180 МПа;
- твердость -170…229 НВ;
- предел прочности на изгиб 360 МПа.
Данная марка чугуна обладает средней прочностью, хорошей износостойкостью, хорошей обрабатываемостью и применяется в основном для изготовления корпусных деталей.
2. Оценка технологичности детали
Конструкция данной детали не сложная её масса и габаритные размеры не большие. Это позволяет выполнить её цельнолитой. Внешнее очертание детали также не сложное и поэтому не требует изменений. Имеющиеся полости выполняются при помощи стержня; имеется хороший выход для знаковых частей и стержень хорошо фиксируется в форме. Конфигурация внешних полостей простая, что позволяет изготавливать стержень машинным способом. Отверстия малого диаметра высверливаются, так как их диаметр не превышает 30 мм.
Для получения более качественной отливки наиболее рациональным положением отливки в форме будет такое как показано на рисунке1. При этом варианте обеспечивается направленная кристаллизация от тонкостенной части отливки к более массивной. Питатели наиболее целесообразно подводить по линии разъёма, так как в этом месте располагается массивная часть отливки. Данный вариант обеспечит принцип направленного затвердевания. Вариант расположения отливки предпочтителен также с точки зрения удобства формовки и сборки формы. А также легко устанавливается стержень и имеется возможность его надёжного крепления.
Анализ технологических условий и технологичности конструкции показывает, что наиболее эффективно отливка может быть получена методом литья в песчаную форму.
Эскиз расположения отливки
Рисунок 1.
3. Составление чертежа отливки и разработка конструкции модели
3.1 Определение размеров отливки и модели
Для определения размеров отливки и модели необходимо выбрать припуски на механическую обработку, допускаемые отклонения на размеры отливки, припуски на усадку и допускаемые отклонения на свободные размеры детали.
-
припуски на механическую обработку выбираем по II классу
точности ГОСТ 26645-85 /1,табл.22/;
-
допуски на обрабатываемые размеры отливки определены по /1,табл.28,29/;
-
среднее значение линейной усадки металла – 1% /1,табл.32/;
-
допуски на свободные размеры модели выбраны по III классу точности /1,табл.42/.
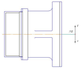
3.2 Определение количества стержней, стержневых знаков и их конструкции
Имеющаяся внутренняя полость отливки может быть выполнена одним стержнем.
Эскиз стержня
Рисунок 2
Размеры стержневых знаков стандартизованы, их определяют в зависимости от габаритных размеров стержня по ГОСТ 3212-92. Назначаем 30 мм /1, табл.35/. Зазоры между поверхностями знаковых частей форм и стержней, радиусы скругления кромок назначают в соответствии с ГОСТ 3606-80:
-
зазоры- S1=0,25мм; S2=0,25мм; S3=1.5-2.5мм (принимаем 2мм.).
-
радиус скругления 1о.
Стержень расположен в форме горизонтально. Для предупреждения всплывания и перекоса стержня выполняем знаковую часть стержня.
3.3 Выбор конструкции модели и модельных плит
Исходя из конструкции и степени сложности, модель относится к средней степени сложности. В условиях серийного производства и применении машинной формовки модели выполняются металлическими. Металлические модели имеют значительный срок службы, чем деревянные, и обеспечивают более высокую точность отливки. Модель изготавливаем сплошной, путём литья. В качестве материала для изготовления модели примем СЧ15 ГОСТ 26358-84 вследствие высокой прочности, обрабатываемости, гладкой поверхности, сравнительно невысокой стоимости. Срок службы при машинной формовке до 100000 формовок.
Для крепления моделей выбираем подмодельную плиту изготовленную из материала СЧ15 ГОСТ 26358-84 поднимаемую с помощью крана.
3.4 Формовочные уклоны на отливке и модели
Формовочные уклоны придаём рабочим поверхностям модели для удобства извлечения из формы. Они придаются вертикальным поверхностям модели, не имеющим конструктивных уклонов в направлении извлечения их из формы. Величины этих уклонов на модели выполняем согласно ГОСТ 3212-92 /1,табл.33/ и она составляет 0о 45’.
3.5 Определение литейных радиусов
Исходя из технических требований чертежа, литейные радиусы составляют 3-5 мм .
4. Выбор состава формовочной и стержневой смеси
Песчаные формы для получения литых деталей изготавливаются из специальных формовочных смесей. Эти смеси должны отвечать следующим требованиям: быть достаточно огнеупорными и пластичными. Форма приготовленная из этих смесей, должна быть прочной, газопроницаемой и податливой. Кроме того эти смеси должны быть достаточно долговечными и дешевыми. Таким требованиям отвечают смеси, имеющие в качестве главных составляющих песок, глину и влагу.
Согласно ГОСТу, выбираем состав единой формовочной смеси для чугунных отливок, заливаемых в сырую форму, в % (по объёму): отработанной смеси (96,5-94,5) %, свежие материалы (3-5) %, каменный уголь 0,5 %, вода 4,0-4,5%
При таком составе смесь будет иметь: газопроницаемость в сыром состоянии 50-70, прочность на сжатие 0,3-0,5 кгс/см,.
Исходными материалами для свежих добавок смеси являются: песок формовочный 1К02, 1К0315 ГОСТ 2138-92; глина формовочная бентонитовая М2Т2 (со средней термохимической устойчивостью) ГОСТ 3226-92.
В условиях серийного производства стержень необходимо изготовлять производительным способом с высоким качеством. Поэтому используем способ изготовления стержней из смеси с быстротвердеющим связующим (синтетическими смолами) - в горячих стержневых ящиках.
Исходным материалом для стержневой смеси примем песчано-смоляную смесь на основе смолы СФ-480 (3,0-3,5%) ТУ6-0,5–1813-88. При этом составе смесь будет иметь: песок кварцевый ОБ3К02 – 100%, смола СФ-480 – (3,0-3,5)%, катализатор – 10% - водный раствор соляной кислоты 0,3%, окись железа 0,7%.
Характеристика полученной смеси:
- газопроницаемость 200;
- время упрочнения 60-180 сек.;
- прочность после тепловой обработки (10-15)*105 Па;
- влажность 1%.
Таблица 1. - Состав стержневой песчано-смоляной смеси
| Наименование компонента | Содержание, % |
| Кварцевый песок ОБ3К02 ГОСТ 2138-94 | 100 |
| Смола СФ-480 ТУ6-0,5-1813-88 | 3,0-3,5 |
| Катализатор 10% раствор соляной кислоты ГОСТ 875-98 | 0,3 |
| Окись железа | 0,7 |
5. Выбор технологии изготовления стержней
Смесь приготавливается в бегунах 1А12М с объёмом замеса 500 кг. Порядок подачи компонентов в бегуны: во-первых вводят песок, затем катализатор и перемешивают 1- 1,5 минут, далее подают связующие, перемешивают 1- 1,5 минут.
Выбранный состав смеси должен обеспечить:
хорошую прочность стержня 5-8 кгс/см2;
- газопроницаемость не менее 200 ед.;
- хорошую выбивку стержня;
- высокую точность и качество поверхности.
Для изготовления стержней выбираем пескодувную машину марки 4509С. Стержни изготавливаются по горячей оснастке, которые твердеют в нагретых стержневых ящиках. Время выдержки стержня в ящике 1-3 мин. Полученный стержень имеет прочность, достаточную для его перемещения и установки в форму, рабочую поверхность которого предварительно покрывают, с целью уменьшения образования пригара на отливке, противопригарной краской, которая имеет следующий состав: тальк 46%, полиизобутилен (П-200) 6%, древесный пек 5%, бензин “калоша” 43% плотность покрытия 1,1-1,14 г/см³. Стержни из ящика извлекаются при помощи толкателей при подъеме верхней половины ящика. Для удаления воздуха предусмотрены венты. Нагрев стержневого ящика на машине до 200-300°С может быть газовым или электрическим. Выбираем газовый нагрев, т.к. он имеет ряд преимуществ: быстрый и более равномерный нагрев стержневого ящика, относительно низкую стоимость природного газа, простоту конструкций и эксплуатационную надежность нагревательных устройств.
6. Расчет элементов литниковой системы
Литниковая система- система каналов и устройств, для подвода в определенном режиме жидкого металла в полость литейной формы, отделения неметаллических включений, обеспечения питания отливки при затвердевании. Правильная конструкция литниковой системы должна обеспечивать непрерывную подачу расплава в форму по кратчайшему пути, спокойное и плавное ее заполнение, улавливание шлака и других неметаллических включений, создание направленного затвердевания отливки, минимальный расход металла на литниковую систему, не вызывать местных разрушений формы.
По направлению движения металла в полость литейной формы относительно горизонтальной плоскости (отливки) литниковые системы делятся на верхние, горизонтальные, вертикальные и т.д.
Для данного случая выбираем горизонтальную литниковую систему расширяющегося типа, как наиболее благоприятную для заполнения полости формы, что также хорошо влияет на качество отливок. В такой системе самым узким местом будет поперечное сечение стояка. Такая литниковая система обеспечивает ламинарный поток течения расплава и не размывает стенки формы.
Характеристики
Тип файла документ
Документы такого типа открываются такими программами, как Microsoft Office Word на компьютерах Windows, Apple Pages на компьютерах Mac, Open Office - бесплатная альтернатива на различных платформах, в том числе Linux. Наиболее простым и современным решением будут Google документы, так как открываются онлайн без скачивания прямо в браузере на любой платформе. Существуют российские качественные аналоги, например от Яндекса.
Будьте внимательны на мобильных устройствах, так как там используются упрощённый функционал даже в официальном приложении от Microsoft, поэтому для просмотра скачивайте PDF-версию. А если нужно редактировать файл, то используйте оригинальный файл.
Файлы такого типа обычно разбиты на страницы, а текст может быть форматированным (жирный, курсив, выбор шрифта, таблицы и т.п.), а также в него можно добавлять изображения. Формат идеально подходит для рефератов, докладов и РПЗ курсовых проектов, которые необходимо распечатать. Кстати перед печатью также сохраняйте файл в PDF, так как принтер может начудить со шрифтами.















