125264 (690380)
Текст из файла
КУРСОВАЯ РАБОТА
Проектирование винтового домкрата
Содержание
Введение
Выбор типа резьбы
Выбор материала
Условие самоторможения
Проверка винта на устойчивость
Выбор конструкции пяты. Выбираем сферическую пяту
Расчет прочности винта
Определение размеров гайки
Расчет рукоятки
Расчет параметров передачи
Введение
В данной работе предоставлен винтовой домкрат, который используется на монтаже для подъема тяжелых конструкций на небольшую высоту.
Винтовой домкрат состоит из: винта, гайки, корпуса, прижима (пяты), основания и маховика.
С помощью маховика винт приводится в движение, то есть начинает вращаться вокруг своей оси. Вращательное движение винта превращается в поступательное при помощи гайки, установленной в корпусе. Вследствие чего создается необходимое рабочее усилие (прижим детали или ее высвобождение).
Выбор типа резьбы
Так как винт будет испытывать большую одностороннюю нагрузку, то целесообразней будет выбор упорной резьбы.
Этот выбор объясняется тем, что площадь рабочей поверхности резьбы меньше, чем у трапециедальной, т.е. будет требоваться меньшее усилие на преодоление трения между гайкой и болтом.
Выбор материала
Стальной винт - 50
Бронзовая гайка - БрО10Ф1
Расчет на износостойкость.
Давление в витках резьбы [q] = 10 - 15 мПа.
Что бы ограничить износ, ограничиваем давление в витках резьбы.
,
Где A - площадь витков резьбы, Q - максимальное усилие на винт.
,
где
- коэффициент высоты рабочего профиля,
(для упорной резьбы);
- коэффициент высоты гайки.
= 1.2 - 2.5
Принимаем
= 2
| Шаг резьбы P | Наружный диаметр d | Средний диаметр d2 | Внутр. диаметр d1 | Число витков гайки z | Приведенный угол трения
| Угол подъема винтовой линии
| Коэф. запаса самотор-можения |
| 2 | 20 | 18.5 | 17 | 18.5 | 4.58 | 1.971 | 2.32 |
| 3 | 22 | 19.75 | 16.923 | 13.16 | 4.58 | 2.768 | 1.65 |
| 5 | 22 | 18.25 | 13.322 | 7.3 | 4.58 | 4.984 | 0.9 |
| 8 | 24 | 18 | 10.116 | 4.5 | 4.58 | 8.052 | 0.57 |
Условие самоторможения
Для обеспечения самоторможения механизма должно выполняться условие:
,
где
- приведенный угол трения;
- угол подъема винтовой линии;
k - коэффициент запаса самоторможения: для самотормозящихся механизмов k 1,3.
Угол подъема винтовой линии
зависит от геометрии резьбы:
где
- шаг резьбы;
= 1 - число заходов резьбы;
- средний диаметр резьбы.
,
,
Приведенный угол трения
:
где
- коэффициент трения, зависящий от шероховатостей рабочих поверхностей витков и материала гайки.
=0.08.
- угол наклона рабочей грани витка к торцевой плоскости винта: для упорной резьбы -
=3
Проверка числа витков гайки:
(6 - 12)
Резьба с шагом 2:
Резьба с шагом 3:
Резьба с шагом 5:
Резьба с шагом 8:
Следовательно:
,
,
Среди представленных резьб лучше всего подходит резьба S 22Х3, хотя у нее большое число витков гайки, но в расчетах принято заниженное давление в витках резьбы.
Проверка винта на устойчивость
Максимальная длина сжимаемого винта, мм:
,
,
,
Приведенная длина:
где
= 2 - коэффициент приведения длины, зависящий от способа закрепления концов винта;
Гибкость винта
определяется по формуле:
Для винтов при
>100 из рекомендованных марок сталей
можно найти по формуле:
МПа
Условие устойчивости винта не выполняется.
| Шаг резьбы P | Наружный диаметр d | Средний диаметр d2 | Внутр. диаметр d1 | Число витков гайки z | Приведенный угол трения
| Угол подъема винтовой линии
| Коэф. запаса самотор-можения k |
| 3 | 32 | 29.75 | 26.793 | 19.83 | 4.58 | 1.84 | 2.49 |
Проверка числа витков гайки:
(6 - 12)
Резьба с шагом 4:
Резьба с шагом 5:
Резьба с шагом 8:
Резьба с шагом 3:
Условие самоторможения.
Для обеспечения самоторможения механизма должно выполняться условие:
,
где
- приведенный угол трения;
- угол подъема винтовой линии;
k - коэффициент запаса самоторможения: для самотормозящихся механизмов k 1,3.
Угол подъема винтовой линии
зависит от геометрии резьбы:
где
- шаг резьбы;
= 1 - число заходов резьбы;
- средний диаметр резьбы.
Приведенный угол трения
:
где
- коэффициент трения, зависящий от шероховатостей рабочих поверхностей витков и материала гайки.
=0.08-0.1
- угол наклона рабочей грани витка к торцевой плоскости винта: для упорной резьбы -
=3
Следовательно:
Выбор конструкции пяты. Выбираем сферическую пяту
Сферическая пята обеспечивает меньший момент трения за счет значительно меньшей площади трения. Рабочая поверхность пяты и подпятника должны иметь твердость HRC 40-56. Радиус сферы R находится из условия контактной прочности рабочих поверхностей:
где
- приведенный модуль продольной упругости, для стальных деталей
= 2,1105 МПа; допускаемое контактное напряжение
,
где
- предел контактной выносливости, соответствующий базовому числу циклов;
- коэффициент долговечности: для рассматриваемых деталей, отличающихся небольшим числом циклов нагружения за весь срок службы
= 2,5;
- коэффициент запаса контактной прочности.
Величина
зависит от твердости
менее твердой поверхности: в случае объемной закалки деталей (HRC 40-56):
(МПа),
=1,2;
таким образом, допускаемое контактное напряжение равно:
мПа;
мм
Принимаем R = 64 мм.
Диаметр круговой площадки контакта, получающийся в результате деформации сжимаемых тел определяется по формуле:
мм
Момент трения в сферической пяте:
Н*мм
Расчет прочности винта
Проверка на прочность винта выполняется по условию прочности на одновременное действие сжатия и кручения:
Момент трения в резьбе:
Н/мм
,
Где
;
где
- осевое усилие, действующее на винт;
[
] = 140 кгс/мм
A1 - площадь поперечного сечения винта;
Mкр - момент, скручивающий винт;
Wp1 - полярный момент сопротивления поперечного сечения винта;
dmin - диаметр опасного сечения винта. В качестве опасного сечения принимают сечение, нагруженное осевой силой Q и максимальным крутящим моментом и при этом имеющий минимальный диаметр.
,
[
]
Следовательно, условие прочности винта выполняется.
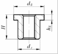
Определение размеров гайки
Высота гайки равна:
мм.
мм
принимаем 3.
Наружный диаметр гайки
:
где
- осевое усилие, действующее на винт;
- коэффициент, учитывающий напряжения от скручивания,
= 1,25…1,3;
d - наружный диаметр резьбы;
- допускаемое напряжение; для бронзы и чугуна можно принять
= 60…70 МПа.
мм.
Принимаем
= 38 мм.
Фаска
=2мм,
=1.6мм. Радиус закрепления
=1мм
Расчет буртика:
мПа
Диаметр буртика
мм
где
- допускаемое напряжение смятия; для бронзы можно принять
= 70 МПа.
Принимаем
мм.
Высота буртика
гайки определяется по формуле:
мм.
Принимаем высоту буртика равной 5 мм. Условие буртика на срез:
,
- выполняется.
Для удержания гайки от проворачивания устанавливаем стопорный винт с потайной головкой. (d = 5). ГОСТ 1478-93.
Расчет рукоятки
Необходимая длина рукоятки:
где
- момент создаваемый рабочим для преодоления моментов трения в резьбе
и на пяте
;
- для кратковременной работы
=300 Н. Момент трения в резьбе определяется по формуле:
Нмм
Нмм ,
мм
Конструктивная длина рукоятки принимается с учетом ширины ладони рабочего и диаметра головки винта, после чего округляется до ближайшего большего стандартного значения:
Принимаем конструктивную длину рукоятки равную 160 мм.
Диаметр рукоятки находится из условия ее прочности на изгиб:
Р укоятка изготавливается из недорогих сталей, например Ст3, Ст4, Ст5. Допускаемое напряжение на изгиб для Ст3 можно принять
= 85 МПа.
мм.
Расчет параметров передачи
КПД винтового механизма, учитывающий суммарные потери в винтовой паре и на пяте, определяется по формуле:
Передаточное число передачи "винт-гайка":
Характеристики
Тип файла документ
Документы такого типа открываются такими программами, как Microsoft Office Word на компьютерах Windows, Apple Pages на компьютерах Mac, Open Office - бесплатная альтернатива на различных платформах, в том числе Linux. Наиболее простым и современным решением будут Google документы, так как открываются онлайн без скачивания прямо в браузере на любой платформе. Существуют российские качественные аналоги, например от Яндекса.
Будьте внимательны на мобильных устройствах, так как там используются упрощённый функционал даже в официальном приложении от Microsoft, поэтому для просмотра скачивайте PDF-версию. А если нужно редактировать файл, то используйте оригинальный файл.
Файлы такого типа обычно разбиты на страницы, а текст может быть форматированным (жирный, курсив, выбор шрифта, таблицы и т.п.), а также в него можно добавлять изображения. Формат идеально подходит для рефератов, докладов и РПЗ курсовых проектов, которые необходимо распечатать. Кстати перед печатью также сохраняйте файл в PDF, так как принтер может начудить со шрифтами.















