125099 (690273), страница 3
Текст из файла (страница 3)
5. Ориентировочный расчёт валов.
5.1 Расчёт быстроходного вала 1
Рисунок 5.1 Эскиз входного вала 1
,
где Т
- момент на быстроходном валу, Нм;
мм принимаем d = 25 мм; хвостовик конический (М161,25)
Диаметр участка вала под подшипник:
где, t - высота заплечника, мм; t = 1,8мм ,
мм
Принимаем dП = 30мм.
Диаметр буртика подшипника:
где, r – координата фаски подшипника, мм r = 2 мм ,
мм
Принимаем dБП = 35мм.
5.2 Расчёт промежуточного вала 2-3
Рисунок 5.2- Эскиз промежуточного вала 2-3
,
где Т23 – момент на промежуточном валу;
Принимаем dК = 35мм;
dБК dК + 3f,
где f – размер фаски колеса; f = 1,2 мм ,
dБК 35 + 31,238,6мм
Принимаем dБК = 40мм
Принимаем dП = 35 мм.
Диаметр буртика подшипника:
где, r – координата фаски подшипника, мм r = 2мм ,
мм
Принимаем dБП = 40мм.
5.3 Расчёт выходного вала 4-5
Рисунок 5.3- Эскиз выходного вала 4-5
,
где Т45 - момент на выходном валу;
мм
принимаем d = 60мм
хвостовик циллиндрический ,
,
где tцил - высота заплечника, tцил - 4,6
мм
принимаем dП = 70мм.
, r = 3,5мм,
мм
принимаем dБП = 80мм.
dК = dБП =80.
6. Проверочный расчёт шпоночных соединений
Рисунок 6- Шпоночное соединение
Таблица 6.1
Шпоночное соединение
| Вал | Место установки | D, мм | B, мм | H, мм | t1, мм | L, мм |
| 1 | Под муфту | 25 | 5 | 5 | 3 | 40 |
| 2-3 | Под зубчатое колесо | 35 | 10 | 8 | 5 | 28 |
| 4-5 | Под муфту | 60 | 18 | 11 | 7 | 110 |
Проверим шпоночное соединение на промежуточном валу:
где, Т – крутящий момент на валу, Нмм2;
d – диаметр участка вала под шпонку, мм;
h – высота шпонки, мм;
t1 – глубина паза вала, мм;
l – длина шпонки, мм;
b – ширина шпонки, мм;
Предел прочности для стального колеса: [см] = 80…100 МПа,
МПа,
МПа,
МПа
Вывод: выбранные шпонки пригодны для использования.
7. Выбор муфты
Рисунок 7-МУВП
Муфты МУВП стандартизарованы по ГОСТ 21424-93. Муфта выбирается из условия - максимального передаваемого момента. Т
=35,58 - момент передаваемый муфтой, Н·м d
=32 - диаметр вала электродвигателя, мм d
= 25 - диаметр входного вала редуктора, мм Выбираем муфту МУВП-2
Основные параметры Номинальный крутящий момент:Тном =63 Н•м диаметр расточки под вал - наимньший: d=20 мм - наибольший :d
= 38 мм d
= 10 - диаметр пальца, мм lвт = 15 - длина упругого злемента, мм d
=63 - диаметр окружности расположения пальцев, мм z
=6 - число пальцев с = З - зазор между полумуфтами, мм
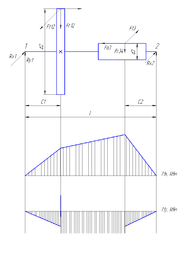
8. Определение реакций опор промежуточного вала и построение эпюр
Рисунок 8.1 - Расчетная схема промежуточного вала
Определим реакции опор:
Рассмотрим проекции сил в плоскости ХZ :
-Ft12 (l-c1) + Ft3 c2 + RХ1 l =0;
тогда
Н
Ft3 (l-c2) - Ft12 c1 + RХ2 l =0;
тогда
Н
Рассмотрим проекции сил в плоскости УZ:
Fr12 (l-c1) - Fa12 d2/2 + Fr34 c2 + Fa34 d3/2- RУ1 l =0;
тогда
Fr34 (l-c2) + Fa34 d3/2+ Fr12 c1 - Fa12 d2/2+ RУ2 l =0;
тогда
Суммарные реакции опор:
Н
Н
Эпюра моментов Мх:
Точка А.
MXА = RХ1 С1
MXА=
Точка В \MXВ =
Нм
Эпюра моментов Му:
Точка А
MуА = -RУ1 С1
MуА =
Точка В:
Мув=
Эпюра моментов Мкр:
Мк=Т
Мк=100,4 Н•м
Эпюра продольных сил:
Fa = Fa
-Fa
Fa = 13122,99 H
Рисунок 8.2 Схема сил и эпюры моментов на проверяемом валу
9. Уточненный расчет вала 2-3
Рисунок 9 Эскиз вала и обозначение мест сечений
Уточненный расчет состоит в определении коэффициентов запаса прочности S для опасных сечений и сравнении их с требуемыми (допускаемыми) напряжениями [S]. Прочность соблюдена при S > [S].
Расчет производится по опасным сечениям А-А, Б-Б).
Материал вала ─ сталь 45.
Таблица 9.
Исходные данные для проверочного расчета
| Диаметр заготовки мм | Твердость НВ | σв МПа | σт МПа | τт МПа | σ-1 МПа | τ-1 МПа | Ψт |
| <80 | 270 | 900 | 650 | 390 | 640 | 230 | 0,10 |
Сечение А - А: Концентратором напряжений является шпоночный паз.
Коэффициент запаса прочности:
S= Sσ· Sτ/
Sσ=σ-1D/ σа
Sτ=τ-1D/( τа+ψτD· τа),
где σа и τа ─ амплитуды напряжений цикла;
ψτD ─ коэффициент влияния асимметрии цикла напряжений.
σа=103·М/W; τа=103·М к/2Wк
М=
Определим моменты инерции:
W1=π·d3/32-b2·h2·(2d-h2)2/(16d)=3.14·353/32-10·8(2·35 -8)2/(16·35) =
3660мм3
Wк=π·d3/16-b2·h2·(2d-h2)2/(16d)= 3.14·353/16-10·8(2·35-8)2/(16·35) =
7869мм3
σа=103 · 158,6 / 3660 = 43,3 МПа
τа=103 · 100,4 / 2 · 7869 = 33,085 МПа
Пределы выносливости вала:
σ-1D= σ-1/КσD; τ-1D= τ-1/КτD,
где КσD и КτD ─ коэффициенты снижения предела выносливости.
КσD=( Кσ/ Кdσ+1/ КFσ-1)/ КV,
КτD=( Кτ/ Кdτ+1/ КFτ-1)/ КV,
где Кσ и Кτ ─ эффективные коэффициенты концентрации напряжений;
Кdς и Кdτ ─ коэффициенты влияния абсолютных размеров поперечного
сечения;
КFς и КFτ ─ коэффициенты влияния качества поверхности;
КV ─ коэффициент влияния поверхностного упрочнения.
КσD=( 4,85+1/0,91-1)/ 1=4,95
КτD=( 2,9+1/0,95-1)/ 1=2,95
σ-1D= 410 / 4,95 =82,828МПа; τ-1D= 230 /2,95 = 77,966 МПа
ψτD=ψτ/ КτD
ψτD=0,1/ 2,95=0,034
Sσ= 129,29 / 43,3 = 2,98 Sτ= 77,9 / (6,3 + 0,034 6,3) = 11,8
S= 2,98 · 11,8/
=2,9 [S] = 2.5
Проверка показала, что коэффициент запаса прочности в рассматриваемом сечении больше чем требуемый.
Сечение Б-Б.
Коэффициент запаса прочности:
S= Sσ· Sτ/
Sσ=σ-1D/ σа
Sτ=τ-1D/( τа+ψτD· τа),
σа=103·М/W; τа=103·М к/2Wк
М=
Определим моменты инерции:
W=π·d3/32=3.14·633/32=24548 мм3
Wк=π·d3/16=3.14·633/16=49097 мм3
σа=103 ·845,5 / 24548 = 34,4 МПа
τа=103 · 100,4 / 2 ·49097 = 1,022 МПа
Пределы выносливости вала:
σ-1D= σ-1/КσD; τ-1D= τ-1/КτD,
где КσD и КτD - коэффициенты снижения предела выносливости.
КσD=( Кσ/ Кdσ+1/ КFσ-1)/ КV,
КτD=( Кτ/ Кdτ+1/ КFτ-1)/ КV,
КσD=( 4,7+1/0,88-1)/ 1=4,84
КτD=( 2,8+1/0,935-1)/ 1=2,87
σ-1D= 410 / 4,84 =84,711 МПа; τ-1D= 230 /2,84 = 80,986 МПа
ψτD=ψτ/ КτD
ψτD=0,1/ 2,84=0,035
Sσ= 132,2 / 34,4 = 2,9 Sτ= 80,9 / (1,02 + 0,035 1,02) = 76,5
S= 2,9 · 76,5 /
= 3,8 [S] = 2.5
Проверка показала, что коэффициент запаса прочности в рассматриваемом сечении больше чем требуемый.
10. Проверка подшипников
Условие годности подшипников
,
где Lh – расчетный ресурс (долговечность);
[Lh] – требуемый ресурс.
,
где tΣ – суммарное время работы.
ч.
,
где a1 – коэффициент, корректирующий ресурс в зависимости от надежности (при вероятности безотказной работы Pt = 90%, a1 = 1);
a23 – коэффициент, корректирующий ресурс в зависимости от особых свойств подшипника (для шариковых подшипников a23 = 0,7…0,8, принимается a23 = 0,75);
Cr = базовая динамическая грузоподъемность подшипника ( для подшипника 208 Cr = 25,6 кН);
Pэкв – эквивалентная динамическая нагрузка;
N23 – частота вращения вала;
m = 3 – показатель степени для шариковых подшипников.
Fa1 = 2.314-внешняя осевая сила, Н
Fr1 = Ke•R1 = 0.56•2259.8
Отношение
FaА / (V Fr1) = 2,314 / 1 1265,499 = 0,001.
Тогда для опоры:
Х =0,56; Y = 0,44/е.
Найдём эквивалентную динамическую радиальную нагрузку, для обоих подшипников:
,
где коэффициенты V = 1, Кб = 1 , КТ = 1
Н
Рисунок 10 Схема распределения сил
Таким образом, принимаем e = 0,065
>10161,6 =
.
Проверка показала, что рабочий ресурс подшипника больше требуемого.
11. Конструктивные размеры корпуса редуктора
Расстояние между стенками корпуса и зубчатыми колесами:
а* =
+3
где, L – главный габарит редуктора.
L = aw12 + da2/2 + da4/2
L = 140 + 97,15 + 101 = 323,15 мм
а* =
+3 = 9,86 Принимаем а* = 10
Толщина стенок корпуса и крышки:
мм
где, Т – крутящий момент на выходном валу, Нмм;
мм Принимаем = 7мм.
Толщина фланцев корпуса и крышки:
b = 1.5 = 1.5 7= 10.5 мм
Толщина ребер:
m = (0.85…1)
m= 1 7= 7 мм.
Диаметры болтов:
-
Фундаментных:
d1 = 0.036 a +12 = 0.036 125 + 12 = 16,5=>
принимаем фундаментальные болты с резьбой М18;
-
Болтов, крепящих крышку к корпусу у подшипника:
d2 = (0.7 - 0.75)d1
d2 = 0.75 18 = 13,5 мм;
принимаем болты с резьбой М14;
-
Болтов, соединяющих крышку с корпусом: d3 = (0.5 – 0.6) d1 =0,6 18 =10.8мм принимаем болты с резьбой М12.
12. Выбор смазки
По таблице устанавливаем вязкость масла. При контактных напряжениях до 600 Н/мм2 и скорости V до 5 м/с рекомендуемая вязкость масла должна быть примерно равна 28 мм2/с. По таблице из справочной литературы принимаем масло индустриальное И-30А (табл. 11.1-11.3, стр. 200, /4/).
Допустимый уровень погружения колес в масляную ванну:
мм
Контроль масла, находящегося в корпусе редуктора осуществляется с помощью смотрового окна.
13. Подбор посадок и допусков
Зубчатые колеса: H7/r6.
Крышки торцовых узлов на подшипниках качения: H7/h8.
Шпоночные соединения: P9/h9.
Штифт с картеров: P8/h7.
Штифт с крышкой: H8/h7.
14. Сборка и регулировка редуктора
Перед сборкой полость корпуса редуктора подвергают очистке и покрывают маслостойкой краской. Сборку редуктора производят в соответствии с чертежом общего вида.
На входной вал насаживают подшипники, предварительно нагретые в масле до 80 - 100˚С.На промежуточный вал насаживают подшипник предварительно нагретый в масле до 80 - 100˚С.Затем закладывают шпонку и напрессовывают зубчатое колесо до упора в бурт вала. Насаживают подшипник предварительно нагретый в масле до 80 - 100˚С.На выходной вал закладывают шпонку и напрессовывают зубчатое колесо, насаживают подшипники, предварительно нагретые в масле до 80 - 100˚С.Валы устанавливают в корпус. Для центровки устанавливают крышку редуктора на корпус с помощью цилиндрических штифтов, затягивают болты, крепящие крышку редуктора с корпусом.
На конические хвостовики входного и выходного валов закладывают шпонки и надевают муфту и шкив.
Ввертывают пробку маслоспускного отверстия с прокладкой и устанавливают маслоуказатель. Заливают в корпус масло и закрывают смотровое отверстие крышкой с прокладкой, закрепляя крышку винтами.
Заключение
-
Согласно заданию был разработан привод ленточного конвейера.
-
Был выбран электродвигатель, рассчитаны зубчатые передачи, спроектированы и проверены на пригодность шпоночные соединения, подшипники, разработан общий вид редуктора, разработаны рабочие чертежи деталей: выходного вала, зубчатого колеса, шкива, крышек подшипников.
-
Были подобраны подходящие для данных условий материалы зубчатых колес. Зубчатые передачи были рассчитаны по условиям контактной выносливости зубьев, проверены на статическую прочность.
-
Электродвигатель был выбран исходя из потребной мощности и условий работы привода.
-
Шпоночные соединения были проверены смятие. Пригодность подшипников была оценена по ресурсу долговечности.
-
Форма и размеры деталей редуктора и рамы привода были определены конструктивными и технологическими соображениями, а также выбором материалов и заготовок.
Список использованной литературы
Дунаев П.Ф., Леликов О.П. Конструирование узлов и деталей машин. Учебное пособие для техн. спец. вузов. – 6-е изд., исп. – М.: Высш. шк., 2000 – 447с., ил.
Чернавский С.А., Боков К.Н. Курсовое проектирование деталей машин: Учебное пособие для учащихся машиностроительных специальностей техникумов: Машиностроение, 1988г.
3. Левитский И.Г. Расчет клиноременной передачи: Методические указания по курсовому проектированию. Хабаровск, издательство ХГТУ, 1991.
80>














