124935 (690206), страница 3
Текст из файла (страница 3)
У ринві – накопичувачі накопичується 1,5м3 готового продукту, що відповідає корисному обсягу скіпа скіпового підйомника.
Опускаючись, скіп своїми кулачками впливає на приводи затворів ринви - накопичувача й барабанного охолоджувача, закриваючи останній і відкриваючи перший.
Готовий продукт надходить у скіп скіпового підйомника.
Механізм повороту
Призначений для повороту шкребка на 25˚ для запобігання захвата коксу, що лежить на подині при зворотному ході штока.
Механізм повороту складається з лежачих на двох опорах водо охолоджуваної штанги із двома шкребками стаціонарним і поворотним. У грубному просторі перебувають тільки шкребки й частина штанги. Поворот шкребка на 25˚ здійснюється приводом гвинтового моторного типу, а його крайнє положення фіксується кінцевими вимикачами.
Технічна характеристика
Привод гвинтовий моторний, типу ПВМ 600-250-1: Nдв=1,4-2,5квт;
Тягове зусилля 600кг;
Хід штока робітник 150мм.
2.2 Умови відновлення і збільшення терміну роботи деталей, що потребують значної уваги
Дуже багато коштів витрачається із-за простою машин і механізмів, станків у зв’язку з передчасним зношуванням та виходом деталей з ладу;щоб по можливості зменшити ці витрати робочий персонал веде роботу за подовження часу роботи машини.
Тривала і безперервна робота обладнання забезпечує перш за все дотримання правил його експлуатації і нагляду за ним.
Щоб зменшити тертя в механізмах і цим збільшити термін служби деталей необхідно виконувати ряд важливих умов:
-
вимагати необхідну шороховатість обробки робочих поверхонь у відновлених та після змащування деталей, а також у зовсім нових деталей.
-
Наносити зносостійкі покриття на поверхню деталей, як відновлених так і нових.
-
Підвищувати твердість робочих поверхонь деталей, зміцнювати їх різноманітними методами.
-
Забезпечувати необхідну подачу мастила до деталей між якими відбувається тертя.
-
Захищати механізм огородженнями, щитками, кожухами, щоб уникнути потрапляння у механізм абразивних предметів(частин).
Зношення деталей часто призводить до порушення посадки у спряжених деталей, збільшуються зазори, зменшуються початкові натяги, порушується форма поверхонь .
Основні вимоги до монтажу підшипників кочення:
-
забезпечення розрахункового навантаження на підшипник. Під нормальним навантаженням розуміють величину ,яка перевищує розрахункову. Практика показує ,що перевищення навантаження на 25% знижує термін дії в 2 рази, а на 50% в 10 раз.
-
Забезпечення співвісності посадочних місць валів та корпусів
-
Достатнє постачання змащування ,коли продукти зносу виділяють мастило із зони тертя, коли між деталями відбувається тертя є окремий шар змащування
-
Забезпечення нормальних зазорів відповідає умовам роботи в умовах циклічно змінюючихся температур.
Основні несправності підшипників кочення є знос.
В основному перед заміною повинні провести ретельний огляд. Зовнішній оглядом визначається наявність зносу на доріжках кочення і тілах кочення в вигляді шороховатості не відповідаючій вихідному, а вихідна точна шліфовка.
Якщо поверхні кочення заржавіли, то треба їх замінити. На поверхні темні до чорних плями або зовсім вся поверхня така-результат перегріву-треба також заміна. Тріщини на кільцях, відколи на тілах кочення особливо на роликових підшипниках. Перекіс тіл кочення, відхилення вісей кочення.
Збільшення радіального зазору може бути причиною заміру якщо за умовою, повинна забезпечуватися симетричність підшипникового вузла.
Ремонт крупних підшипників кочення(багаторядні підшипники прокатних станків і ролико опори). Ремонт наплавка опорних поверхонь й механічна обробка їх по номінальних розмірах, місцева заварка зношених поверхонь з послідуючою механічною термообробкою.
Зубчата передача призначена для передачі обертового руху відноситься до передач з зачепленням і безпосереднім контактом пари зубчатих коліс.
В зубчатих колесах найчастіше спрацьовуються зубці. Вони можуть ламатися, згинатися, відколюватися.
2.3 Технічне обслуговування вузлів обладнання
Технічне обслуговування – комплекс операцій чи операція по підтриманню працездатності чи справності обладнання при використанні його по призначенню. Мета технічного попередження передчасного його зношення шляхом забезпечення режимів роботи згідно паспортних даних чи проектних, належність змазки чи регулювання, своєчасного виявлення та усунення несправностей, розробки та втілення заходів по його вдосконаленню.
Якість технічного обслуговування має рішучий вплив на безаварійну роботу, а також на об’єм ремонтних робіт, термінів простоїв їх в не робочому стані, витрати запасних частин і експлуатаційних матеріалів. Своєчасне і ретельне виконання технічного огляду дозволяє вірно судити про стан машини і мірок які запобігають неплановій зупинці.
Технічний огляд – комплекс операцій спрямованих на підтримку працездатності машини.
Для того, щоб розглянути специфічні правила експлуатації машин потрібно коротко перерахувати основні загальні правила перевірки їх перед пуском, надзору під час роботи і зупинки. Перед пуском машини і під час роботи потрібно контролювати кількість чистих змащувальних матеріалів передбачуючи марки в ємностях вузлів і систем змазування для попередження ненормального нагріву і підвищення зносу вузлів тертя. Потрібно регулярно перевіряти чистоту фільтрів, відстійників, справність приладів, що подають мастило, кріплення і герметичність маслопроводів і справність ущільнень. Взимку при пуску машини після тривалої перерви в приміщеннях, що не опалюються чи знаходяться на повітрі необхідно розігріти мастило. Перед пуском треба оглянути машину і очистити від пилу і бруду, з неї потрібно видалити тверді предмети, які можуть визвати поломку. Необхідний ретельний огляд привідних механізмів, муфт, гальмі, а також перевірка зачеплень деталей, натяг ланцюгів і ременів та надійності кріплень. Для підтяжки і заміни кріплень на кронштейнах кріплення платформи до валу не потребує спеціальних прийомів або пристосувань. Болти в цьому випадку працюють на розтягування і в процесі здовжуються; при цьому кріплення платформи послаблюється, болти затягують або міняють. Вм’ятини в металоконструкціях і по товщини великих розмірів вирізають і на їх місце ставлять заплати: вм’ятини і по товщини невеликих розмірів виправляють молотом при попередньому нагріві газовою горілкою.
Якщо під час роботи виникає сильний шум, поштовхи, удари і інші ознаки аварійного стану машини остання повинна бути негайно зупинена.
Технічне обслуговування підшипників заклечається в їх регулюванні і змащенні, а також визначають пошкодження, виявляють дефекти по шуму, температурі нагріву, зміні кольору мастила, зміні посадок. При контрольно регулюючих роботах: вимірюють зазор між валом і вкладишем у підшипниках ковзання та пробіг, і вістовий розбіг радіально-упорних підшипників кочення.
При технічному огляді зубчатих передач їх регулюють, змащують, оглядають. Роботу оцінюють по зовнішнім ознакам: шуму, нагріві, стуку робочих поверхонь зубців, витікання мастильних матеріалів. При контрольно-регулюючих роботах визначають зношені зубці методом заміру їх товщини на ділильному колі і регулюють радіальні та вістові зазори. При зношені до граничних значень передача підлягає заміні.
Технічний огляд валів полягає у визначенні надійності їх з’єднання з іншими деталями (зубчатими колесами, барабаном та ін.). Перевіряють надійність шпонкових з’єднань. Оглядають та визначають пошкодження: зминання, тріщини, корозію.
При технічному обслуговуванні барабанів їх очищають, протирають оглядають, перевіряють їх кріплення, стан підшипників, кришок, втулок та інших елементів збірних одиниць. Місцеві пошкодження нарізок барабану можуть бути виправлені на місці наплавленням. При зменшенні товщини стінки більше ніж на 20% від її початкового розміру барабан підлягає заміні.
Роботи по технічному нагляді канатів вміщують очистку, зовнішній огляд, промащення і перевірку кріплення. Зовнішній огляд стану канату проводять після очищення з особливою увагою, оглядаючи ділянки найбільшого зношення.
При технічний огляді колодкових гальм перевіряють посадки гальмівного шківа на валу, контроль змащування гальмівних колодок і поверхонь шківа, регулювання гальмівного моменту і відходу колодок, змащення шарнірів важелів. Зношення гальмівних колодок не повинно перевищувати 40% їх товщини на заклепках і 60% на клею.
При технічному огляді муфт постійному контролю підлягають: стан посадок напівмуфт на валах, рівень мастила в порожнинах зубчатих муфт. Зношення зубців не повинно перевищувати 30% від першо-початкових розмірів. В іншому випадку муфта підлягає заміні. Пружно пальцеві муфти з послабленою посадкою болтів, неповною їх кількістю, і пошкодженими їх еластичними кільцями до роботи не допускаються.
2.4 Карта змащення, розрахунок мастила на рік
Мастильні матеріали почали застосовувати ще в стародавності, до розвитку нафтопереробної промисловості , змазували вузли тертя рослинними й тваринними маслами.
У цей час ці масла використаються для виготовлення й додавання в мінеральні масла.
Мінеральні масла виготовляють із нафти шляхом його перегонки.
До сучасних мастильних матеріалів пред'являються наступні вимоги:
1 в'язкість;
2 температура загушення;
3 щільність масла;
4 корозійні властивості;
5 температура спалаху;
6 вспінювання.
Крім зазначених показників ураховують кольори, захід, кількість води, механічних домішок, зольність, сірчаність й ін.
Основні асортименти рідких масел: індустріальне масло, веретенне масло, машинне масло, трансформаторне, турбінне й ін.
Густі (консистентні) змащення одержують шляхом введення в мінеральне масло загущувачів; солі, жирних кислот, мило, парафін, графіт.
Основними асортиментами консистентних масел є: солідол, консталін, циатін, вазелін, змащення індустріальна.
Призначення змащення - скорочення витрати енергії на подолання сил тертя, відвід тепла від вузлів тертя, зменшення зношування тертьових поверхонь, продовження міжремонтного періоду.
На кільцевій печі в розвантажувальному пристрої є підшипники ковзання, які змазуються щомісяця, у зв'язку із працюй у тяжких умовах при більших температурних перепадах. Змащення застосовується густа, солідол, вазелін й ін.
2.5 Розрахунок потужності привода, вибір електродвигуна
Розрахунок привода розвантажувального пристрою печі
Дано
mк =1000 (Н) – сила ваги запірного конуса,
mт =600 (Н) – сила ваги тяги,
f=0.84 – коефіцієнт тертя конуса об кокс,
γ=8000 Н/м3 – питома вага шихти.
1. Визначаємо силу тертя конуса об кокс
2. Визначаємо сумарну силу ваги частин, що піднімають
До установки приймаємо стандартний привод типу ПВМ 600×400 з тяговим зусиллям Р0=6000Н
Коефіцієнт запасу тягового зусилля
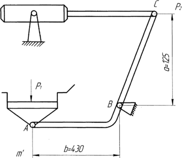
Розрахунок привода керування верхнім клапаном розвантажувального пристрою холодильника
Дано:
- сила ваги клапана
Клапан притискається до отвору в бункері приводом через колінчатий важіль АВС. На клапан діє тиск Р1 створюване силоміць ваги шихти, розташування в бункері.
Розрахункова схема механізму керування верхнім клапаном.
1. Визначаємо силу тиску Р1
де
- гідравлічний радіус випускного отвору
F=0,16м2 – площа поперечного переріза випускного отвору
S=1,6м – периметр випускного отвору
- коефіцієнт тертя матеріалу об стінки тічки
- кут природного укосу шихти
К – коефіцієнт рухливості матеріалу
Тоді:
















