124908 (690193), страница 2
Текст из файла (страница 2)
Результаты расчетов занесены в таблицу 3 в приложении к курсовому проекту.
4. Оценка поправочного множителя с2
При отличии спектральной чувствительности приемника излучения от относительной спектральной световой эффективности по ГОСТ 8.322-78 поправочный множитель С2 вычисляют по формуле.
где S(λ) – относительная спектральная чувствительность приемника излучения.
По результатам расчета С2 = 0,999.
Результаты расчетов занесены в таблицу 4 в приложении к курсовому проекту.
5. Выбор нейтрального светофильтра. Оценка погрешности С3
Оценка поправочного множителя С3, учитывающего имеющуюся селективность нейтрального светофильтра при использовании нейтральных светофильтров, производится по формуле
где τ(λ)– спектральный коэффициент пропускания нейтрального светофильтра.
Рекомендуется применять стеклянный светофильтр НС8.
По результатам расчета С3 = 0,2775.
Результаты расчетов занесены в таблицу 5 в приложении к курсовому проекту.
6. Выбор электроизмерительных приборов
С заданным источником света нужно использовать следующую схему систем питания и измерения электрических параметров:
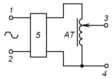
Рис. 3. Схема питания переменным током: 1, 2 – выводы для подключения источника переменного тока; 3,4 – выводы для подключения системы измерения; 5 – стабилизатор напряжения; АТ – регулировочный трансформатор.
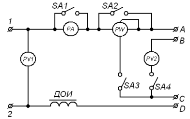
Рис. 4. Схема системы измерения электрических параметров: 1, 2 – выводы для подключения системы питания; PV1 – вольтметр для измерения напряжения питания; ДОИ – дроссель образцовый измерительный; РА амперметр для измерения рабочего тока лампы; PW – ваттметр для измерения мощности лампы; PV2 вольтметр для измерения рабочего напряжения лампы; SA1, SA2, SA3, SA4 – выключатели; А, B, C, D – выводы для подключения измеряемой лампы.
Для измерения электрических параметров ламп выбираются электроизмерительные приборы, удовлетворяющие следующим требованиям:
1) класс точности должен быть не ниже 0.2 при питании лампы постоянным током и не ниже 0.5 – переменным током;
2) приборы должны показывать эффективные значения измеряемых электрических величин; показания приборов должны быть независимы от формы кривой и частоты;
3) ток, потребляемый подключенными параллельно разрядной лампе электроизмерительными приборами, не должен превышать 3% от номинальной величины тока лампы, а падение напряжения на амперметре при последовательном подключении не должно превышать 2% от значения напряжения разрядной лампы;
4) электроизмерительные приборы должны быть подобраны так, чтобы при измерениях стрелка прибора находилась на второй половине шкалы.
На основе выше сказанного для моей фотометрической установки необходимо использовать измерительные приборы:
Вольтметр =>Э56 на 300 В.
Амперметр =>Э51 на 1-2 А шкала на 100 делений.
Ваттметр =>Д539 шкала на 100 делений.
Так как они однопредельные, что уменьшает их стоимость, а значит и стоимость всей фотометрической установки в целом. Их пределы достаточны для исследования лампы ЛД-80.
7. Вспомогательная схема для учета влияния неактивных элементов. Методика определения коэффициента С4
Вспомогательная схема для учета влияния неактивных элементов, при измерении светового потока. Методика определения коэффициента учитывающего влияние неактивных элементов С4.
Рис. 5. Вспомогательная схема фотометрической установки для учета влияния неактивных элементов при измерении светового потока: 1 – фотометрический шар; 2 – экраны; 3 - рассеивающее стекло; 4 – диафрагма; 5 – светофильтр; 6 – корригированный приемник излучения; EL1 – вспомогательная лампа накаливания; PV – вольтметр для измерения напряжения питания вспомогательной лампы; SA – выключатель; EL – измеряемая или светоизмеряемая лампа.
Для учета влияния на результат измерения приспособлений (неактивных элементов), находящихся в фотометрическом шаре, внутри него должна быть установлена вспомогательная лампа накаливания, расположенная противоположно измерительному отверстию. Перед вспомогательной лампой должен быть установлен непрозрачный экран, препятствующий попаданию излучения на измеряемую, контрольную или светоизмерительную лампы и в измерительное отверстие. Вспомогательная лампа должна обладать стабильными электрическими и световыми параметрами. (Установка вспомогательной лампы необязательна при измерениях однотипных ламп.)
Систематическая погрешность Q4, обусловленная влиянием неактивных элементов (приспособлений для крепления ламп) и разницей в поглощении излучения измеряемой и светоизмеряемой лампами, определяется по формуле
где m1 – показание прибора, регистрирующего фотопоток при включенной вспомогательной лампе, но выключенной светоизмерительной; m2 – то же при включенной вспомогательной лампе, но выключенной измеряемой.
Экспериментально определенное значение этой погрешности достигает 7%. В процессе измерений погрешность исключается введением поправочного множителя С4:
.
Поскольку она оценивается через отношение фотопотоков, то оценку погрешности δQ4 определения С4 рекомендуется проводить расчетом среднего квадратического отклонения при многократных измерениях n≥……
Эксперименты и расчеты, проведенные с 10 преобразователями излучения, показали, что для всех типов разрядных ламп составляющая неисключенной систематической погрешности не превышает 0.3% (δQ4=0.3%).
8. Технология окраски внутренней поверхности шара
8.1 Окраска фотометрического шара
Подготовка поверхности
Необходимо очистить всю внутреннюю поверхность от ржавчины, грязи. Очистку производят стеклянной или наждачной бумагой.
После очистки поверхность промывают бензином.
Шпаклевка
Если поверхность шара имеет вмятины, щели и другие неровности, то они должны быть зашпаклеваны.
Шпаклевка должна быть приготовлена из сернокислого бария или окиси цинка, замешанного на копаловом или даммаровом лаке, разбавленном скипидаром.
Шпаклевочную поверхность после просушки зачищают пемзой, стеклянной или наждачной бумагой.
Грунтовка
Для грунтовки должно быть взято то же связующие вещество, что и для шпаклевки, т.е. копаловый или даммаровый лак. В качестве пигмента берут окись цинка или сернокислый барий. Грунтовку замешивают до густоты обычных масленых красок.
Перед нанесением грунтовки с поверхности шара удаляют пыль влажной тряпкой или продувкой сжатым воздухом.
Грунтовку наносят равномерным тонким слоем при помощи широкой мягкой кисти. После просушки слоя производят зачистку подтеков и неровностей при помощи наждачной бумаги.
Рекомендуется наносить грунт троекратно. После зачистки третьего слоя, когда удалены все неровности, поверхность обдувают сжатым воздухом.
Окончательная окраска
Для окончательной окраски 1 м2 шара рекомендуется следующий состав краски:
- барий сернокислый по ГОСТ 3158-75 - 750 г
- дистиллированная вода по ГОСТ 6709-72 - 750 г
-поливиниловый спирт по ГОСТ10779-78 - 7,5 г
-ультрамарин - 0,188 г.
Спектральный коэффициент отражения рекомендуемого состава приведен на чертеже.
Технология приготовления состава
Поливиниловый спирт заливают дистиллированной водой, подогревают до температуры (308±5) К при постоянном помешивании и доводят до полного растворения.
Ультрамарин растворяют в дистиллированной воде и процеживают через слой марли.
Сернокислый барий тщательно растирают в ступке.
Все компоненты помещают в фарфоровый барабан и тщательно перемешивают при помощи шаровой мельницы или при помощи деревянного пестика.
8.2 Технология нанесения краски
Краску наносят пульверизатором или кистью тонким слоем 5-6 раз через (1-2) дня. Последний слой рекомендуется наносить только путем пульверизации.
После последней окраски удаляют неровности с покрашенной поверхности мелкой наждачной бумагой и обдувают сжатым воздухом.
Приспособления, находящиеся внутри шара, красят тем же составом, что и внутреннюю поверхность шара. В большинстве случаев шпаклевка этих приспособлений не требуется.
Оценка окрашенной поверхности шара
Коэффициент отражения хорошо окрашенной поверхности должен быть не ниже 0,8.
Для контроля значения коэффициента отражения необходимо иметь белую пластинку с коэффициентом отражения 0,8.
Состояние окраски можно считать удовлетворительным, если яркость любого участка внутренней поверхности шара не меньше яркости контрольной пластинки при визуальной оценке.
Разница коэффициентов отражения в различных частях фотометрического шара в процессе эксплуатации не должна превышать 3%.
Разницу коэффициентов отражения в разных частях фотометрического шара определяют путем определения световых потоков источника света с концентрированным светораспределением при направлении максимального излучения в верхнюю и нижнюю полусферы фотометрического шара.
Источник света должен иметь стабильные электрические и световые параметры. Рекомендуется использовать лампы накаливания зеркальные с концентрированным светораспределением или люминесцентные рефлекторные.
Разницу коэффициентов отражения (Δρ) в % вычисляют по формуле
где Фв , Фн - световые потоки при направление максимального излучения в верхнюю и нижнюю полусферы соответственно.
9. Методика определения белизны внутренней поверхности шара
9.1 Методика определения белизны внутренней поверхности шара
Существуют несколько методов определения белизны внутренней поверхности шара.
а) берется некоторая светоизмерительная лампа. Она находясь вне шара должна освещать поле сравнения в зрительной светомерной головке, которое она же освещает, будучи помещенной в шаре.
Светомерная головка та же, что обычно применяется у шара, однако предпочтительно, чтобы она имела контрастный кубик Люммера-Бродхуна. У светоизмерительной лампы поддерживают обычное напряжение. У лампы сравнения, освещающей второе поле сравнения , подбирают напряжение так, чтобы цвета обоих полей сравнения были одинаковы, это легко заметить, если попутно с изменением напряжения все время будет поддерживаться равенство яркостей полей сравнения. Теперь светоизмерительную лампу помещают в шар. У лампы сравнения поддерживают только что подобранное напряжение. Если при прежнем напряжении светоизмерительной лампы вновь наблюдается равенство полей сравнения, для для определения чего предварительно нужно установить равенство яркостей, то это означает, что окраска шара действительно белая. Рассчитывать на полную белизну трудно. Если нет совпадения цветов, что чаще всего имеет место, меняют напряжение у светоизмерительной лампы, пока не достигнут равенства цветов. Впрочем, полного совпадения цветов может быть, и не удастся достигнуть. В таком случае останавливаются на наиболее похожем цвете. Теперь отмечают, насколько пришлось изменить напряжение у светоизмерительной лампы по сравнению с обычным. Каких-либо установленных допусков нет. Они зависят от последующего применения шара. Можно предполагать, что, например, для практики обычных измерений электроизмерительных ламп накаливания измерение напряжения в пределах до 2-3% и даже до 5% - вполне допустимо.
В ответственных случаях надлежит определить спектральные коэффициенты многократного отражения (ρz) внутренней поверхности шара, причем измерения делаются именно для многократного отражения (т.е. сквозь окошко шара – с молочным стеклом или без него). Зная их, не трудно выяснить в каких случаях измерений могут получать те или иные погрешности. Пусть, например, в шаре измеряются ИС (Ф1 и Ф2), для которых относительное распределение лучистой мощности по спектру различно и притом известно. Если бы окраска шара была белой, то отношение световых потоков было бы равно:















