124895 (690186)
Текст из файла
Пояснительная записка к курсовому проекту
по курсу “Технологические процессы микроэлектроники”
Рязань 2009
Содержание
Исходные данные
Введение
Анализ технического задания
Расчёт резисторов
Расчёт мощности резисторов
Расчёт прямолинейного резистора
Расчёт резистора типа “квадрат”
Расчёт площади платы. Выбор типа подложки и корпуса
Заключение
Список литературы
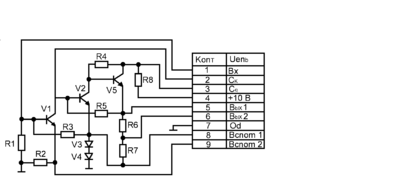
Исходные данные
Номиналы:
R1– Резистор 6.5 кОм 1шт;
R2,R8– Резистор 120 Ом 2шт;
R3– Резистор 3.5 кОм 1шт;
R4– Резистор 2.5 кОм 1шт;
R5– Резистор 2.9 кОм 1шт;
R6– Резистор 1.0 кОм 1шт;
R7– Резистор 30.0 кОм 1шт;
V1, V2, V5 – Транзистор 2Т317В 2шт;
V3,V4 – Диод 2Д901В 2 шт.
Плату следует изготовить методом фотолитографии.
Эксплуатационные требования: Тр = -300 … +400С, tэ = 4500 ч..
Введение
Цель данного курсового проекта, изучение методики и приобретение практических навыков в проведение конструкторских расчётов резисторов для интегральных микросхем и микросборок, изучение номенклатуры и характеристик основных резистивных элементов.
Интегральная микросхема – микроэлектронное изделие, выполняющее определённую функцию преобразование и обработки сигналов и имеющее высокую плотность упаковки электрически соединённых между собой элементов (или элементов и компонентов), которое с точки зрения требований к испытаниям, приёмки, поставки и эксплуатации рассматривается как единое целое.
Микросборка - микроэлектронное изделие, выполняющее определённую функцию и состоящее из элементов и компонентов и (или) интегральных микросхем и других радиоэлементов в различных сочетаниях, разрабатываемых для конкретной радиоэлектронной аппаратуры с целью улучшения показателей её комплексной миниатюризации.
Элемент интегральной микросхемы – нераздельно выполненная часть интегральной микросхемы, реализующая функцию простого электрорадиоэлемента.
Компонент – самостоятельная часть интегральной микросхемы, реализующая функции какого-либо электрорадиоэлемента.
Важными характеристиками микросхем являются степень интеграции и плотность упаковки.
Степень интеграции – показатель сложности микросхемы, характеризующийся числом содержащихся в ней элементов и компонентов.
K = ln N (1)
где N – общее количество элементов и компонентов в микросхеме.
Величина К округляется до ближайшего целого числа.
Если К
1 – простая интегральная микросхема;
1
К
2 – средняя интегральная микросхема;
2
К
4 – большая интегральная микросхема;
К
4 – сверхбольшая интегральная микросхема;
Плотность упаковки – отношение числа элементов и компонентов микросхемы к её объёму.
Этот показатель характеризует уровень развития технологии.
Достоинства аппаратуры, создаваемой на основе микроэлектронных изделий:
-
резкое уменьшение габаритов вновь создаваемых изделий;
-
увеличение надёжности;
-
повышение ремонтных характеристик;
-
более низкая себестоимость изготовления.
По конструктивно – технологическому исполнению интегральные микросхемы подразделяются на: полупроводниковые, плёночные, гибридные.
Полупроводниковые микросхемы - интегральная микросхема, все элементы и межэлементные соединения которой выполнены в объёме и (или) на поверхности полупроводника в едином технологическом цикле методами полупроводниковой технологии. Существует три основные технологии изготовления полупроводниковых микросхем:
-
биполярная технология;
-
МДП – технология;
-
МОП – технология (при дальнейшем развитии – КМОП - технология).
Плёночные микросхемы - интегральная микросхема, все элементы и межэлементные соединения которой выполнены только в виде плёнок методами плёночной технологии.
В зависимости от толщины плёнок и способа их нанесения различают тонкоплёночные (толщина плёнки до 1 мкм) и толстоплёночные (толщина плёнки более 1 мкм) интегральные микросхемы. Качественные различия между тонкоплёночными и толстоплёночными микросхемами заключены в различии технологий их изготовления.
Гибридные микросхемы - интегральная микросхема, в состав которых входят плёночные элементы и компоненты.
Полупроводниковые и тонкоплёночные интегральные микросхемы взаимно дополняют друг друга, пока не созданы микросхемы, в производстве которых использовался только один вид технологии.
Анализ технического задания
В данном курсовом проекте нужно разработать микросборку фотолитографическим способом.
Фотолитографический технологический процесс основан на термовакуумном, ионно-плазменном, катодном, магнетронном напылении нескольких сплошных слоёв из различных материалов с последующим получением конфигурации каждого слоя методом фотолитографии.
Достоинства: высокая точность изготовления и плотность размещения элементов на подложке.
Недостатки: метод фотолитографии нельзя применять для создания многослойных конструкций тонкоплёночных интегральных микросхем, т.к. каждый раз при получении рисунка очередного слоя требуется обработка подложки травильным раствором, что негативно сказывается на других слоях с возможным изменением их электрофизических свойств. После очередной фотохимической обработки требуется тщательная очистка подложки от реактивов, для обеспечения необходимой адгезии последующих осаждаемых слоёв; таким методом можно выполнить рисунок не более чем двух слоёв различной конфигурации т.е. невозможно изготовить тонкоплёночный конденсатор ( кроме танталового ) и осуществить пересечение проводников.
Типовая последовательность формирования плёночных элементов при фотолитографическом методе ( порядок вакуумного осаждения ):
вариант 1
-
осаждение резистивной плёнки;
-
осаждения проводящей плёнки на резистивную;
-
фотолитография и травление проводящего слоя;
-
фотолитография и травление резистивного слоя;
-
нанесение плёнки межслойной изоляции;
-
осаждение проводящей плёнки;
-
фотолитография и травление проводящего слоя;
-
осаждение защитного слоя.
вариант 2
-
нанесение маскирующего слоя;
-
фотолитография конфигурации резисторов;
-
напыление материала резистивной плёнки;
-
удаление маскирующего слоя;
-
напыление проводящей плёнки;
-
фотолитография проводящего слоя;
-
нанесение материала защитного слоя.
При изготовление гибридных микросхем прибегают, как правило, к корпусной защите. При выборе вида и типа корпуса необходимо руководствоваться требованиями, предъявляемыми к условиям эксплуатации гибридных интегральных микросхем, габаритным параметрам с учётом степени интеграции, сложности схемы и др. Также необходимо учитывать, что технология пайки или сварки штырьковых выводов менее трудоёмка и более отработана.
В зависимости от условий хранения и эксплуатации к корпусам микросхем предъявляются различные требования: достаточная механическая прочность, позволяющая выдерживать нагрузки при сборке и эксплуатации; минимальные габариты, для обеспечения компактности сборки; конструкция корпуса должна позволять легко и надёжно выполнять электрические соединения внутри корпуса; обеспечивать минимальные паразитные параметры, надёжную изоляцию элементов, герметичность, минимальное тепловое сопротивление между микросхемой и окружающей средой; защищать микросхему от воздействий электромагнитного поля, света; иметь минимальную стоимость.
Все корпуса можно подразделить на следующие виды: металлостеклянные, металлокерамические, металлополимерные, пластмассовые, стеклокерамические и др.
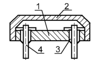
Наиболее надёжным методом герметизации для данного использования или хранения микросхем является корпусная вакуум-плотная герметизация. В зависимости от материала, который применяется для изготовления корпусов и герметизации их внешних выводов, вакуум-плотные корпуса подразделяются на стеклянные, керамические, металлостеклянные, металлокерамические. Основными деталями вакуум-плотных корпусов являются: собственно корпус, крышка, изолятор, выводы. На рис. 4.1 показана конструкция металлостеклянного корпуса: 1-крышка, 2- основание корпуса, 3- вывод, 4- стеклянная бусинка, 5- полупроводниковый кристалл.
рис. 4.1
Металлостеклянные корпуса обладают минимальным тепловым сопротивлением между микросхемой и окружающей средой. Выбор материала для металлостеклянных корпусов, определяет качественный спай между материалами выводов и стеклянных изоляторов выводов от корпусов.
Для герметизации и изоляции внешних выводов применяются в основном твёрдые стёкла с коэффициентом теплового расширения
рис. 4.2
Конструкции металлостеклянных корпусов делятся на:
-
металлостеклянный квадратный корпус (рис. 4.2а) состоит из металлического основания 1 с впаянными изолированными выводами 4, металлической крышкой 2 и изолятора 3. Выводы с основанием герметизируют металлостеклянным спаем. При окончательном монтаже общую герметизацию корпуса проводят электронно-лучевой сваркой. Допустимая рассеиваемая мощность 750 мВт;
-
металлостеклянный круглый корпус (рис. 4.2б). Основные достоинства: высокая механическая прочность и надёжность. Недостатки: малая плотность упаковки. Состоит из металлического фланца 1, крышки 2, изолятора 3, выводов 4. Фланец имеет ключ, расположенный против вывода. Выводы с основанием герметизируют металлостеклянным спаем. При окончательном монтаже общую герметизацию проводят конденсаторной сваркой (разновидность контактной сварки). Допустимая рассеиваемая мощность 60мВт.
Сварка может осуществляться в вакууме или в среде инертного газа под давлением несколько превышающим атмосферное.
Характеристики
Тип файла документ
Документы такого типа открываются такими программами, как Microsoft Office Word на компьютерах Windows, Apple Pages на компьютерах Mac, Open Office - бесплатная альтернатива на различных платформах, в том числе Linux. Наиболее простым и современным решением будут Google документы, так как открываются онлайн без скачивания прямо в браузере на любой платформе. Существуют российские качественные аналоги, например от Яндекса.
Будьте внимательны на мобильных устройствах, так как там используются упрощённый функционал даже в официальном приложении от Microsoft, поэтому для просмотра скачивайте PDF-версию. А если нужно редактировать файл, то используйте оригинальный файл.
Файлы такого типа обычно разбиты на страницы, а текст может быть форматированным (жирный, курсив, выбор шрифта, таблицы и т.п.), а также в него можно добавлять изображения. Формат идеально подходит для рефератов, докладов и РПЗ курсовых проектов, которые необходимо распечатать. Кстати перед печатью также сохраняйте файл в PDF, так как принтер может начудить со шрифтами.
















