124805 (690158), страница 2
Текст из файла (страница 2)
Рис. 4 – Магнитная цепь асинхронного двигателя.
Fц = Fδ + Fz1 + Fz2 + Fa + FJ
Магнитное напряжение воздушного зазора на пару полюсов.
Fδ = 1,6 · Bδ · δ · kδ · 106 = 1,6 · 0,6 · 0,001 · 1,31 · 106 = 1257,7А,
где kδ – коэффициент воздушного зазора, учитывающий зубчатость статора и ротора.
kδ = kδ1 · kδ2 = 1,22 · 1,07 = 1,31
Магнитное напряжение зубцового слоя статора.
Fz1 = Hz1 · Lz1 = 584 · 0,082 = 47,89А,
где Hz1 – напряженность магнитного поля в зубцах статора, при трапецеидальных пазах определяется по приложению В для выбранной марки стали и для индукции рассчитанной в п. 3.2.7.
Hz1 = 584А/м
Lz1 = 2 · hz1 = 2 · 0,041 = 0,082м
Магнитное напряжение зубцового слоя ротора.
Fz2 = Hz2 · Lz2 = 360 · 0,082 = 29,52А,
где Hz2 – напряженность магнитного поля в зубцах ротора, определяется по приложению В для выбранной марки стали и для индукции рассчитанной в п. 3.2.7.
Hz2 = 360А/м
Lz2 = 2 · hz2 = 2 · 0,041 = 0,082м
Магнитное напряжение ярма статора.
Fa = Ha · La = 206 · 0,37 = 76,22А,
где Ha – определяется по приложению В для выбранной марки стали и для индукции рассчитанной в п. 3.2.8.
Ha = 206А/м
La = π(Da – ha)/ 2p = 3,14(0,52 – 0,052)/ 2 · 2 = 0,37м
Магнитное напряжение ярма ротора.
FJ = HJ · LJ = 113 · 0,14 = 15,82А,
где HJ – определяется по приложению В для выбранной марки столи и для индукции рассчитанной в п. 3.2.8.
HJ = 113А/м
LJ = π(D2 – 2hz2 – hJ)/ 2p = 3,14(0,333 – 2 · 0,041 – 0,0756)/ 2 · 2 = 0,14м
Суммарное магнитное напряжение магнитной цепи.
Fц = Fδ + Fz1 + Fz2 + Fa + FJ = 1257,7 + 47,89 + 29,52 + 76,22 + 15,82 =
= 1427,15А
Коэффициент насыщения магнитной цепи двигателя.
kµ = Fц / Fδ = 1427,15 / 1257,7 = 1,13
kµ = (1,1 ÷ 1,6)
Расчет намагничивающего тока
Намагничивающий ток.
Относительное значение намагничивающего тока.
Iµ* = Iµ/ I1н = 16,65/ 91,44 = 0,18
5. Активные и индуктивные сопротивления обмоток статора и ротора
Сопротивление обмоток статора.
Среднее значение зубцового деления статора.
tср1 = π(D + hz1)/ Z1 = 3,14(0,335 + 0,041)/ 72 = 0,016м
Средняя ширина катушки (секции) статора.
bср1 = tср1 · y = 0,016 · 14 = 0,224м,
где y – шаг обмотки.
Средняя длина лобовой части (секции) статора.
lл1 = (1,16 + 0,14p)bср1 = (1,16 + 0,14 · 2) · 0,224 = 0,323м
Средняя длина витка обмотки статора.
lср1 = 2(l1 + lл1) = 2(0,151 + 0,323) = 0,948м
Длина вылета лобовой части обмотки статора.
lb1 = (0,12 + 0,15p) · bср1 + 0,01 = (0,12 + 0,15 · 2) · 0,224 + 0,01 = 0,104м
Длина проводников фазы обмотки.
L1 = lср1 · w1 = 0,948 · 72 = 68,26м
Активное сопротивление обмотки статора, приведенное к рабочей температуре 115ºС (для класса изоляции F).
ρ115
,
где ρ115 = 1/41 (Ом/мм2) – удельное сопротивление меди при 115˚.
То же в относительных единицах.
r1* = r1 · I1н/U1н = 0,11 · 91,44/ 220 = 0,05,
где I1н и U1н – номинальные значения фазного тока и напряжения.
Индуктивное сопротивление рассеяния обмотки статора зависит от проводимостей: пазового рассеяния, дифференциального рассеяния и рассеяния лобовых частей. Коэффициент магнитной проводимости пазового рассеяния при трапецеидальном пазе .
где kβ1, k'β1 – коэффициенты, учитывающие укорочение шага обмотки β, определяется по таблице 3.
Коэффициент проводимости дифференциального рассеяния статора.
λg1 = 0,9t1 · (q · kоб1)2 · kσ · kш1/δ · kδ = 0,9 · 0,0146 · (6 · 0,882)2 · 0,003
· 1,34/ 0,001 · 1,31 = 1,13
где kσ = ƒ(q) – коэффициент дифференциального рассеяния, определяется по таблице 4.
kш1 – коэффициент, учитывающий влияние открытия паза.
kш1 = (1 – 0,033) · b2ш1/t1 · δ = (1 – 0,033) · 0,00452/ 0,0146 · 0,001 = 1,34
Коэффициент проводимости рассеяния лобовых частей обмотки статора.
λл1 = 0,34(q/l1) · (lл1 – 0,064 · β · τ) = 0,34(6/0,151) · (0,323 – 0,64 · 0,75 ·
· 0,263) = 2,6
Коэффициент магнитной проводимости обмотки статора.
λ1 = λn1 + λg1 + λл1 = 1,74 + 1,13 + 2,6 = 5,47
Индуктивное сопротивление рассеяния фазы обмотки статора.
То же в относительных единицах.
x1* = x1 · I1н/U1н = 0,28 · 91,44/220 = 0,12
Индуктивное сопротивление взаимной индукции основного магнитного потока.
x12 = U1н/Iµ = 220/16.65 = 13,2Ом
Сопротивление обмотки ротора.
Активное сопротивление стержня.
rc = ρ115 · l2/qc =
,
где ρ115 = 1/20,5(Ом/мм2) удельное сопротивление литой алюминиевой обмотки ротора при 115˚. Сопротивление участка кольца между двумя соседними стержнями.
где Dкл.ср – средний диаметр кольца.
Dкл.ср = D2 – bкл = 0,333 – 0,042 = 0,291
Коэффициент приведения тока кольца к току стержня.
∆ = 2Sin (πp/Z2) = 2Sin (3,14 · 2/82) = 0,153
Сопротивление кольца, приведенное к стержню. rкл.пр = rкл /∆2 = 0,00000035/0,1532 = 1,5 · 10-5 Ом
Активное сопротивление обмотки ротора (стержня и двух колец).
r2 = rc + 2 · rкл.пр = 7,9 · 10-5 + 2 · 1,5 · 10-5 = 10,9 · 10-5 Ом
Активное сопротивление обмотки ротора, приведенное к обмотке статора.
То же в относительных единицах.
r'2* = r'2 · I1н/U1н = 0,064 · 91,44/220 = 0,027
Коэффициент магнитной проводимости пазового рассеяния ротора при овальном пазе.
Коэффициент проводимости дифференциального рассеяния ротора.
λg2 = t2/(12 · δ ·kδ) = 0,0128/(12 · 0,001 · 1,31) = 0,81
Коэффициент проводимости лобового рассеяния ротора.
Коэффициент проводимости рассеяния обмотки ротора.
Индуктивное сопротивление обмотки ротора.
x2 = 7,9 · ƒ1 · l1 · λ2 · 10-6 = 7,9 · 50 · 0,151 · 4,96 · 10-6 = 0,000296Ом
Индуктивное приведенное сопротивление обмотки ротора.
То же в относительных единицах.
x'2* = x'2 · I1н/U1н = 0,17 · 91,44/220 = 0,07
6. Потери в стали. Механические и добавочные потери
Потери в стали (магнитные потери) и механические не зависят от нагрузки, поэтому они называются постоянными потерями и могут быть определены до расчета рабочих характеристик. Расчетная масса стали зубцов статора при трапецеидальных пазах.
Gz1 = 7,8 · Z1 · bz1 · hz1 · l1 · kc· 103 = 7,8 · 72 · 0,0067 · 0,041 · 0,151 · 0,97 · 103 = 22,6кг
Магнитные потери в зубцах статора для стали 2013. Pz1 = 4,4 ·B2z1 · Gz1 = 4,4 · 1,322 · 22,6 = 173,26Вт
Масса стали ярма статора. Ga1 = 7,8π(Da – hz1) · ha · l1 ·kc · 103 = 7,8 · 3,14(0,52 – 0,041) · 0,052 · 0,151 · 0,97 · 103 = 89,5кг
Магнитные потери в ярме статора. Pa1 = 4,4 · B2a · Ga1 = 4,4 · 0,992 · 89,5 = 385,96Вт
Суммарные магнитные потери в сердечнике статора, включающие добавочные потери встали.
Механические потери.
Вт
Дополнительные потери при номинальной нагрузке определяются по эмпирической формуле.
Pдоп.н = 0,004 · P' = 0,04 · 58539,9 = 2341,6Вт
7. Расчет рабочих характеристик
Под рабочими характеристиками асинхронного двигателя понимаются зависимости:
P1, I1, I'2, cos φ', η, M, n = ƒ(P2),
Где Р1, Р2 – потребляемая и полезная мощности двигателя.
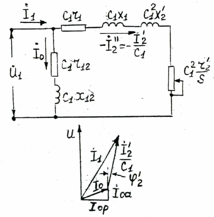
В основу рабочих характеристик положена система уравнений токов и напряжений, полученных из Г- образной схемы замещения асинхронного двигателя с вынесенными на выходные зажимы намагничивающим контуром. Рис. 5.
Рисунок 5 – Г- образная схема замещения и векторная диаграмма.
Коэффициент приведения параметров двигателя к Г- образной схеме замещения.
С1 = 1 + (x1/x12) = 1 + (0,28/13,2) = 1,021
Активное сопротивление обмотки статора, приведенное к Г- образной схеме замещения.
r'1 = C1 · r1 = 1,021 · 0.11 = 0,112Ом
Индуктивное сопротивление короткого замыкания, приведенное к Г- образной схеме замещения.
x'к = С1 · x1 + C21 · x'2 = 1,021 · 0,28 + 1,0212 · 0,17 = 0,463Ом
Активная составляющая тока холостого хода.
Ioa = (Pcm + 3 · I2µ · r1)/3 · U1н = (689 + 3 · 16,652 · 0,11)/3 · 220 = 1,18А
Расчет рабочих характеристик проводим для 5 значений скольжения в диапазоне:
S = 0,005 ÷ 1,25Sн,
где Sн – ориентировочно номинальное скольжение принимаем равным:
Sн = r'2* = 0,027
Все необходимые для расчета характеристик данные формулы сведены в таблицу 5.
Таблица 5
| № п/п | Расчетная формула | Ед. изм. | Скольжение | ||||
| 0,25Sн | 0,50Sн | 0,75Sн | 1,0Sн | 1,25Sн | |||
| 1 | C21 · r'2/S | Ом | 9,88 | 4,94 | 3,29 | 2,47 | 1,98 |
| 2 | R = r'1 + C21 ·r'2/S | Ом | 26,48 | 13,33 | 8,89 | 6,67 | 5,34 |
| 3 | x = x'к | 0,463 | 0,463 | 0,463 | 0,463 | 0,463 | |
| 4 | Z = √R2 + x2 | Ом | 26,48 | 13,34 | 8,9 | 6,7 | 5,32 |
| 5 | I"2 = U1н/Z | А | 8,3 | 16,49 | 24,72 | 32,84 | 40,74 |
| 6 | cosφ'2 = R/Z | 1 | 0,99 | 0,99 | 0,99 | 0,98 | |
| 7 | sinφ'2 = x/Z | 0,02 | 0,034 | 0,05 | 0,069 | 0,087 | |
| 8 | I1a = Ioa + I"2 · cosφ'2 | А | 9,48 | 17,5 | 25,65 | 33,69 | 41,11 |
| 9 | I1p = Iop + I"2 · sinφ'2 | А | 16,82 | 17,21 | 17,89 | 18,91 | 20,19 |
| 10 | I'2 = C1 · I"2 | А | 8,47 | 16,83 | 25,24 | 33,53 | 41,6 |
| 11 | I1 = √I21a + I21p | А | 26,3 | 34,71 | 43,54 | 52,6 | 61,3 |
| 12 | P1 = 3 · I"22· r'2 · 10-3 | кВт | 9,27 | 11,55 | 16,87 | 22,23 | 27,13 |
| 13 | Pэ1 = 3 · I21 · r1· 10-3 | кВт | 0,23 | 0,4 | 0,63 | 0,93 | 1,26 |
| 14 | Pэ2 = 3 · I"22 · r'2 · 10-3 | кВт | 0,013 | 0,05 | 0,12 | 0,21 | 0,32 |
| 15 | Pдоб = Pдоб.н(I1/I1н)2 | кВт | 0,58 | 1,01 | 1,59 | 2,32 | 3,15 |
| 16 | ∑P = Pcm + Pмех + Pэ1 + Pэ2 + Pдоб | кВт | 8,092 | 8,729 | 9,609 | 10,729 | 11,999 |
| 17 | P2 = P1 - ∑P | кВт | 1,178 | 2,821 | 7,261 | 11,501 | 15,131 |
| 18 | η = 1 - ∑P/P1 | 0,18 | 0,24 | 0,43 | 0,52 | 0,56 | |
| 19 | cosφ = I1a/I1 | 0,36 | 0,5 | 0,59 | 0,64 | 0,67 | |
| 20 | Pэм = P1 – Pэ1 – Pсm | кВт | 8,351 | 10,46 | 15,55 | 20,61 | 25,18 |
| 21 | ω1 = 2π · n1/60 | Рад/с | 314 | 314 | 314 | 314 | 314 |
| 22 | M = Pэм · 103/ω1 | Н.м | 26,6 | 33,3 | 49,5 | 65,6 | 80,2 |
| 23 | n = n1 ·(1 – S) | Об/мин | 2980 | 2960 | 2940 | 2919 | 2899 |
После расчета рабочих характеристик производим их построение
















