124762 (690141)
Текст из файла
Содержание
1. Техническое описание
2. Сборочный чертёж
3. Перечень элементов
4. Программа для фотоплоттера
5. Программа для сверлильного станка
1. Техническое описание
В последнее время большой популярностью у радиолюбителей пользуются цифровые ревербераторы, особенно среди увлекающихся Си-Би связью. Однако некоторые ставят под сомнение целесообразность применения таких устройств, считая это лишним. Многие же любители, желая улучшить качество модуляции своих радиостанция, охотно используют эффект реверберации. Автор предлагаемой статьи знакомит читателей с одним из вариантов простого малогабаритного ревербератора, работающего совместно с грансивером Си-Би диапазона.
К достоинствам описанного ниже устройства следует отнести простоту в изготовлении и налаживании, отсутствие дефицитных радиоэлементов, а также возможность размещения внутри большинства современных радиостанций. К недостаткам можно отнести сравнительно большой потребляемый ток (около 30 мА) и необходимость применения стабилизированного источника питания напряжением 5В.
Особенность устройства - отсутствие АЦП и ЦАП. На пути к упрощению конструкции пришлось применить широтно-импульсную модуляцию (ШИМ), отказавшись от импульсно-кодовой и дельта - модуляции. Это привело к необходимости значительно увеличить объем памяти, однако применение всего одной микросхемы КР565РУ5 дает возможность получить задержку 100... 200 мс, что в большинстве случаев достаточно.
Принципиальная схема ревербератора показана на рис.1. С микрофона радиостанции сигнал поступает на вход устройства. ОУ DA1.1 выполняет функцию усилителя-ограничителя. Через резистор R9 поступает питание на электретный микрофон радиостанции. Включенные встречно-параллельно диоды VD4 и VD5 ограничивают амплитуду выходного сигнала на уровне 0,5...0,6 В. Дроссель L1 уменьшает влияние высокочастотных наводок на микрофонный усилитель. С выхода DA1.1 через делитель R12R13 и разделительный конденсатор С8 сигнал поступает на инвертирующий вход ШИМ-модулятора DA1.2 На неинвертирующий вход поступает сигнал треугольной формы частотой около 16 кГц, снимаемый с интегратора R6C5.
Питание на операционный усилитель DA1 поступает через фильтр VD6C10. Промодулированный сигнал приходит на вход DI микросхемы ОЗУ DD6. С выхода ОЗУ сигнал поступает в регистр, выполненный на D-триггере DD7.1. В момент перепада уровня на выводе CAS из 0 в 1 происходит запись информации в триггер DD7.1. Эта информация сохраняется на выходе триггера до появления следующего импульса CAS. Задержанный сигнал с триггера DD7.1 проходит через ФНЧ R18C13 и резистор R17, где смешивается с сигналом, поступающим с выхода микрофонного усилителя. Через резистор R16 и разделительный конденсатор С14 результирующий сигнал поступает на выход устройства. Функция фильтрации высокочастотной составляющей спектра выходного сигнала возложена на микрофонный усилитель трансивера.
Рис.1. Ревербератор цифровой. Схема принципиальная.
На элементах DD1.1 и DD1.2 реализован тактовый генератор, вырабатывающий сигналы RAS для управления ОЗУ DD6 и А/В для мультиплексоров. Длительность импульса чтения (на выводе R/W) зависит от номиналов элементов С1 и R4. Этот импульс не должен быть короче 300 нс. Диод VD3 ограничивает отрицательное напряжение на выводе R/W. Элементы R3, СЗ, DD1.3 формируют сигнал CAS, который задержан относительно сигнала RAS. Счетчики адреса DD2, DD3 и мультиплексоры DD4, DD5 соединены так, что младшие разряды счетчиков поступают на входы "А", а старшие на входы "В" мультиплексоров. Таким образом, по спаду импульса RAS, на входы АО-А7 ОЗУ поступают младшие 8 разрядов счетчика адреса. Время, необходимое для перебора этих адресов (при тактовой частоте порядка 500 кГц), составляет 0,5 мс, а максимальный период регенерации для микросхем КР565РУ5 - 2 мс, поэтому отпадает необходимость в дополнительном устройстве регенерации динамического ОЗУ.
На элементах R1, VD1, DD1.6 и VD2 реализовано устройство, блокирующее тактовый генератор в режиме приема, поэтому ревербератор не дает наводок на приемный тракт. Следовательно, нет никаких ограничении на размещение платы ревербератора внутри трансивера. Катод диода VD1 подключают к управляющей цепи RX/TX трансивера. В режиме "ТХ" ("передача") катод диода VD1 должен быть соединен с общим проводом (корпусом) трансивера.
В ревербераторе могут быть применены постоянные резисторы МЛТ-125 или МЛТ-0,25. Конденсаторы С1-С8, С11-С14 - любого типа, С9, С10 - любые оксидные, например К50-24. Диоды - любые из серий КД521, КД522, КД503. Дроссель L1 самодельный. Его наматывают на резисторе МЛТ-0,25 сопротивлением более 30 кОм. Число витков - 50, диаметр провода - 0,15 мм. Возможно использование дросселя типа Д-0,1 индуктивностью 20... 200 мкГн.
Микросхемы DD4 и DD5 можно применить серии К1533. Кроме указанных на схеме, подойдут К555КП14, К555КП16, К555КП18. Применять микросхемы серий К155, К531 нецелесообразно, так как значительно возрастет потребляемый ток. Микросхема DD6 может быть с любым буквенным индексом.
Собранный без ошибок из исправных деталей ревербератор сразу начинает работать. В некоторых случаях возникает необходимость установки амплитуды напряжения треугольной формы резистором R6. Амплитуда этого напряжения на выводе 2 микросхемы DA1.2 должна немного превышать максимальную амплитуду звукового сигнала, поступающего на вывод 3 DA1.1 Чувствительность микрофонного усилителя увеличивают, установив резистор R11 большего сопротивления.
Изменяя частоту тактового генератора конденсатором С2, подбирают необходимую задержку сигнала. Уровень реверберации можно установить резистором R17, однако не стоит добиваться слишком глубокой реверберации, оказывающей отрицательное влияние на разборчивость речи.
Детали ревербератора размещены на одной плате размерами 70х55 мм (кроме микросхемного стабилизатора DA2, который крепят к шасси трансивера). Плата изготовлена из нефольгированного стеклотекстолита толщиной 1,5 мм. Детали вставлены выводами в отверстия платы, а с другой стороны платы выводы деталей загнуты. Монтаж выполнен проводом МГТФ. Блокировочные конденсаторы С11 и С12 припаяны непосредственно к выводам питания микросхем DD6 и DD7. При монтаже следует обратить особое внимание на подключение питания к микросхеме DD6. Напряжение +5В поступает на вывод 8 DD6, а общий провод подключают к выводу 16 этой микросхемы.
Плату крепят к шасси трансивера с помощью уголков из дюралюминия в любом свободном месте. В трансиверах типа ALAN-18 для этой цели можно использовать посадочное место под плату расширения каналов.
Устройство подключают в разрыв цепи "MIC" трансивера. Для этого от разъема "MIC JACK" отпаивают проводник, идущий на микрофонный усилитель трансивера. Этот проводник припаивают к выходу ревербератора. Освободившийся контакт разъема "MIC JACK" соединяют с входом устройства. Проводник, соединяющий цепь общего провода ревербератора с корпусом трансивера, должен иметь возможно меньшую длину.
При использовании динамического микрофона необходимость в резисторе R9 отпадает.
Источник: Журнал "Радио" №3, 1997г
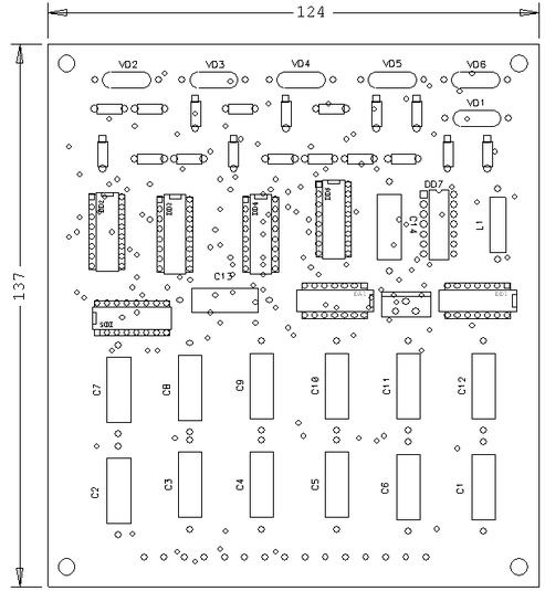
2. Сборочный чертёж
а)
б)
в)
Рис.2. Ревербератор цифровой. Плата печатная. а - вид общий; б - вид с нижней стороны; в - вид со стороны монтажа.
3. Перечень элементов
| RefDes | Type | Value |
| Микросхемы | ||
| DA1 | К157УД2 | |
| DA2 | КР142ЕН5А | |
| DD1 | К555ЛН1 | |
| DD2 | К561ИЕ10 | |
| DD3 | К561ИЕ10 | |
| DD4 | К555КП11 | |
| DD5 | К555КП11 | |
| DD6 | КР565РУ5Г | |
| DD7 | К555ТМ2 | |
| Конденсаторы | ||
| С1 | K10-17 | 680 |
| С2 | K10-17 | 820 |
| С3 | K10-17 | 56 |
| С4 | K10-17 | 0,22 мк |
| С5 | K10-17 | 0,01 мк |
| С6 | K10-17 | 0,15 мк |
| С7 | K10-17 | 36 |
| С8 | K10-17 | 0,15 мк |
| С9 | К50-24 | 100 мк х 6,38 |
| С10 | К50-24 | 100 мк х 6,38 |
| С11 | K10-17 | 0,15 мк |
| С12 | K10-17 | 0,15 мк |
| С13 | K10-17 | 0,01 мк |
| С14 | K10-17 | 0,15 мк |
| Резисторы | ||
| R1 | C2-23 | 10к |
| R2 | C2-23 | 1к |
| R3 | C2-23 | 1к |
| R4 | C2-23 | 510 |
| R5 | C2-23 | 1к |
| R6 | C2-23 | 27к |
| R7 | C2-23 | 1к |
| R8 | C2-23 | 100к |
| R9 | C2-23 | 10к |
| R10 | C2-23 | 100к |
| R11 | C2-23 | 100к |
| R12 | C2-23 | 8,2к |
| R13 | C2-23 | 4,3к |
| R14 | C2-23 | 1м |
| R15 | C2-23 | 4,3к |
| R16 | C2-23 | 5,1к |
| R17 | C2-23 | 200к |
| R18 | C2-23 | 8,2к |
| Диоды | ||
| VD1 | КД522Б | |
| VD2 | КД522Б | |
| VD3 | КД522Б | |
| VD4 | КД522Б | |
| VD5 | КД522Б | |
| VD6 | КД522Б | |
| Дроссель | ||
| L1 | Д-0,1 | 200 мкГн |
4. Программа для фотоплоттера
G04*
G04 File: PROBA. GERBER, Sun May 25 20: 45: 42 2008*
G04 Source: P-CAD 2004 PCB, Version 18.02.345, (E: \Учёба\САПР\Лабы\Новая папка\Proba. PCB) *
G04 Format: Gerber Format (RS-274-D), ASCII*
G04*
Характеристики
Тип файла документ
Документы такого типа открываются такими программами, как Microsoft Office Word на компьютерах Windows, Apple Pages на компьютерах Mac, Open Office - бесплатная альтернатива на различных платформах, в том числе Linux. Наиболее простым и современным решением будут Google документы, так как открываются онлайн без скачивания прямо в браузере на любой платформе. Существуют российские качественные аналоги, например от Яндекса.
Будьте внимательны на мобильных устройствах, так как там используются упрощённый функционал даже в официальном приложении от Microsoft, поэтому для просмотра скачивайте PDF-версию. А если нужно редактировать файл, то используйте оригинальный файл.
Файлы такого типа обычно разбиты на страницы, а текст может быть форматированным (жирный, курсив, выбор шрифта, таблицы и т.п.), а также в него можно добавлять изображения. Формат идеально подходит для рефератов, докладов и РПЗ курсовых проектов, которые необходимо распечатать. Кстати перед печатью также сохраняйте файл в PDF, так как принтер может начудить со шрифтами.
















