124601 (690090)
Текст из файла
Федеральное агентство по образованию
Государственное образовательное учреждение высшего профессионального образования
Восточно-Сибирский государственный технологический университет
Кафедра автоматизации и электрооборудований промышленных предприятий
Курсовой проект
По учебной дисциплине «Автоматизация измерений контроля и испытаний»
Выполнил: ст-т гр.2124
Луданова Е.Д.
Улан-Удэ, 2008
1. Описание вторичного прибора
1.1 Основные характеристики
1.1.1Назначение изделия
рН-метр со стеклянным электродом предназначен для измерения показателя активности ионов водорода (pH), температуры водных растворов и электродвижущей силы (ЭДС).
Область применения pH-метра − на предприятиях теплоэнергетики, химической, металлургической, фармацевтической промышленности и для использования в сельском хозяйстве, в биологии и других отраслях промышленности.
1.1.2 Принцип работы рН-метра
В основу работы рН-метра положен потенциометрический метод измерения рН контролируемого раствора.
Электродная система при погружении в контролируемый раствор развивает ЭДС, линейно зависящую от значения рН. Сигнал (ЭДС) с электродной системы и сигнал с датчика температуры подаются на блок преобразовательный, в котором сигналы усиливаются, пре-образуются в цифровую форму.
Измеренное значение ЭДС электродной системы в рН-метре пересчитывается в значение рН с учетом температуры анализируемого раствора, т.е. выполняется автоматическая термокомпенсация, которая компенсирует только изменение ЭДС электродной системы.
1.1.3 Основные параметры
По устойчивости к климатическим воздействиям pH-метр имеет группу исполнения В4 по ГОСТ 12997-84.
По устойчивости к механическим воздействиям pH-метр имеет исполнение L1 по ГОСТ 12997-84.
По защищенности от воздействия окружающей среды pH-метр (за исключением электродов) имеет исполнение IP65 по ГОСТ 14254-96.
По устойчивости к воздействию атмосферного давления pH-метр имеет исполнение Р1 по ГОСТ 12997-84 атмосферное давление от 84 до 106,7 кПа.
Рабочие условия эксплуатации:
температура окружающего воздуха, 0С. от плюс 5 до плюс 50;
относительная влажность окружающего воздуха при температуре +35 0С и более низких температурах без конденсации влаги, %, не более 80;
атмосферное давление, кПа (мм рт. ст.) от 84,0 до 106,7 (от 630 до 800).
Условия применения pH-метра:
| Параметры | Условия работы pH-метра | ||
| Нормальные | Рабочие | Предельные (ГОСТ 24314-80) | |
| Температура окружающего воздуха, °C | +20 ± 2 | от +5 до +40 | от 0 до +60 |
| Температура контролируемой среды, °C | +25 ± 2 | от +5 до +50 | от +1 до +65 |
| Давление контролируемой среды, МПа (кгс/см2) | 0,025 (0,25) | 0,025 (0,25) | 0,025 (0,25) |
| Расход контролируемой среды, литров в час | 25 ± 5 | от 5 до 40 (для растворов с удельной электрической проводимостью (в дальнейшем УЭП) меньше 5 мкСм/см - от 10 до 40 литров в час) | от 1 до 50 |
| Концентрация нерастворимых примесей в контролируемой среде, мг/л | 0,5 | 5,0 | 5,0 |
| Концентрация нефтепродуктов в контролируемой среде, мг/л | 0,3 | 3,0 | 3,0 |
Электрическое питание pH-метра осуществляется от автономного источника постоянного тока напряжением от 2,2 до 3,4 В − от двух щелочных гальванических элементов типа АА либо от двух металлогидридных аккумуляторов типа АА.
Потребляемая мощность при номинальном напряжении питания
3,0 В, мВт, не более:
- без подсветки индикатора 20;
- с подсветкой индикатора 300.
Условия транспортирования в транспортной таре по ГОСТ 12997-84:
- температура, 0С от минус 5 до плюс 50;
- относительная влажность воздуха при 35 0С, % 95;
- синусоидальная вибрация с частотой 5-35 Гц, амплитудой смещения 0,35 мм в направлении, обозначенном на упаковке манипуляционным знаком
«Верх, не кантовать».
Требования к надежности
- средняя наработка на отказ (за исключением электродов), ч, не менее20000;
- среднее время восстановления работоспособности, ч, не более 2;
- средний срок службы pH-метров, лет, не менее 10.
Степень защиты блока преобразовательного, обеспечиваемая оболочкой IP65, соответствует ГОСТ 14254-96.
Диапазон измерения показателя активности ионов водорода (рН) pH-метра при температуре анализируемой среды (25,0±0,2) 0С, рНот 0,000 до 12,000.
Пределы допускаемой основной абсолютной погрешности pH-метра при измерении рН при температуре анализируемой среды (25,0±0,2) 0С и температуре окружающего воздуха (20±5) 0С, рН ±0,050.
Пределы допускаемой дополнительной абсолютной погрешности pH-метра ±0,100.
Диапазон измерения рН-метра при измерении температуры анализируемой среды, 0С от 0,0 до + 70,0.
Пределы допускаемой основной абсолютной погрешности рН-метра при измерении температуры анализируемой среды при температуре окружающего воздуха (20±5) 0С, 0,3.
Пределы допускаемой дополнительной абсолютной погрешности рН-метра при измерении температуры анализируемой среды, вызванной изменением температуры окружающего воздуха на каждые ±10 0С от нормальной (20±5) 0С в пределах рабочего диапазона температур от + 5 до + 50 0С,
Диапазон измерения преобразователя при измерении ЭДС, мВ от - 1000,0 до + 1000,0.
Пределы допускаемой основной абсолютной погрешности преобразователя при измерении ЭДС при температуре окружающего воздуха (20±5) 0С, мВ ±0,5.
Пределы допускаемой дополнительной абсолютной погрешности преобразователя при измерении ЭДС, вызванной изменением температуры окружающего воздуха, на каждые ±10 0С от нормальной (20±5) 0С в пределах рабочего диапазона температур от плюс 5 до плюс 50 0С, мВ ±0,3.
Диапазон измерения преобразователя при измерении рН, рН от 0,000 до 15,000.
Пределы допускаемой основной абсолютной погрешности преобразователя при измерении рН при температуре окружающего воздуха (20±5) С, рН ±0,020.
Пределы допускаемой дополнительной абсолютной погрешности преобразователя при измерении рН, вызванной изменением температуры анализируемой среды в диапазоне от 0 до плюс 70 0С (погрешность температурной компенсации преобразователя), рН ±0,020.
Пределы допускаемой дополнительной абсолютной погрешности преобразователя при измерении рН, вызванной изменением температуры окружающего воздуха, на каждые ±10 0С от нормальной (205) 0С в пределах рабочего диапазона температур от плюс 5 до плюс 50 0С, рН ±0,005.
Пределы допускаемой дополнительной абсолютной погрешности преобразователя при измерении ЭДС, вызванной влиянием сопротивления в цепи измерительного электрода на каждые 500 МОм в диапазоне изменения от 0 до 1000 МОм, мВ ±0,2.
Время установления выходных сигналов (показаний) преобразователя, с, не более 10.
Время установления выходных сигналов (показаний) pH-метра, мин, не более 10.
При подключении к персональному компьютеру (ПК) через порт USB pH-метр осуществляет обмен информацией с ПК.
1.1.4 Состав изделия
В состав pH-метра входят: Блок датчиков (индивидуальный) - 1 шт.
Блок электронного преобразования - 1 шт.
Скоба крепежная и основание с уплотнителем для крепления блока датчиков по 1 шт.
Розетка 2РМ14КПМ4Г1В1 - 1 шт.
Вилка 2РМ14КПМ4Ш1В1 - 1шт.
Кольцо обжимное - 2 шт.
Гибкий шланг для подключения блока датчиков длиной 80 см - 1 шт.
Дискета с прикладным программным обеспечением (только для модификации "И") - 1 шт. на партию до 5 pH-метров.
Индивидуальный паспорт.
Руководство по эксплуатации (одно на партию до до 5 преобразователей).
Свидетельство о калибровке.
Шприц одноразовый (1 шт. на партию до 5 pH-метров).1.3.2 В состав pH-метра, кроме того, может входить по отдельному заказу:Пульт программирования и контроля "КВАРЦ-П1".
В комплект поставки pH-метра, кроме того, должны входить:
Электрод измерительный стеклянный ЭСТ-0601, (паспорт ИТ 418422.001-08 ПС) или аналогичный - 1шт.
Электрод сравнения Эср-10105 (паспорт ИТ 418422.020-01 ПС) или аналогичный - 1шт.
Паспорт на электрод измерительный (1 на партию до трех электродов).
Паспорт на электрод сравнения (1 на партию до трех электродов).
1.2 Содержание технического описания
1.2.1 Устройство и работа
В pH-метре использован ряд методических и схемотехнических приемов, позволяющих проводить измерение э.д.с. с высокой точностью вне зависимости от наличия внешних электростатических и электромагнитных помех при любых (в том числе малых) значениях УЭП контролируемой среды, вплоть до теоретически чистой воды.
Для задания режимов работы pH-метра используется пульт программирования и контроля "КВАРЦ-П1", при необходимости подключаемый к блоку электронного преобразования.
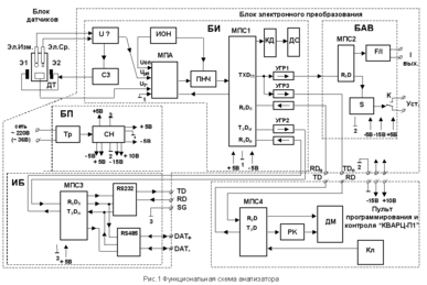
Рис. 1
pH-метр имеет проточный блок датчиков.
Корпус блока датчиков выполнен из органического стекла. В верхней части корпуса имеются два штуцера, снабженные накидными гайками и служащие для крепления электродов. В нижней части корпуса расположен цилиндрический измерительный объем, боковые поверхности которого ограничены двумя пластинами из нержавеющей стали - Э1 и Э2 (см. рис.1).
Эти пластины являются третьим экранирующим электродом блока датчиков, осуществляющим активное экранирование измерительного объема. В пластины вмонтированы штуцера, служащие для подключения блока датчиков к измеряемой среде.
Внутри измерительного объема располагаются чувствительные элементы электродов Эл.Изм. и Эл.Ср. и датчик температуры (ДТ). Соединение блока датчиков с блоком электронного преобразования осуществляется с помощью многожильного кабеля, один конец которого герметично и неразъемно соединен с блоком датчиков, а второй снабжен герметизированным разъемом для подключения к блоку электронного преобразования.
Через этот кабель в блок электронного преобразования передается сигнал от датчика температуры, а из блока электронного преобразования поступает сигнал на экранирующий электрод блока датчиков.
Блок электронного преобразования помещен в герметичный литой силуминовый корпус, состоящий из основания и крышки.
Элементы управления и регулировки отсутствуют. На левой боковой стенке основания расположены разъемы для подключения измерительного электрода и электрода сравнения. В основание корпуса вмонтированы пять герметизированных разъемов, служащих для соединения блока электронного преобразования с блоком датчиков и внешними цепями.
Назначение разъемов (рис.2):
Рис.2
Разъем "Д" - для подключения к блоку электронного преобразования pH-метра блока датчиков; разъем "С" - для подключения pH-метра к сети питания (для модификаций "с" и "д" через этот же разъем возможно осуществить подключение pH-метра к системе автоматического контроля и(или) управления, используя его выходные токовые или цифровые интерфейсные сигналы RS485); Вид разъемов блока электронного преобразования со стороны кабелей разъем "И" - для подключения pH-метра к системе автоматического контроля и (или) управления с помощью выходных цифровых интерфейсных сигналов (RS232 или RS485); разъем "В" - для подключения pH-метра к системе автоматического контроля и (или) управления или к внешним регистрирующим устройствам с помощью выходного токового сигнала и сигнала уставки сигнализации; разъем "П"- для подключения к блоку электронного преобразования pH-метра пульта программирования и контроля.
Блок электронного преобразования состоит из следующих основных функциональных узлов (см. рис.1):
БП - блок питания;
Характеристики
Тип файла документ
Документы такого типа открываются такими программами, как Microsoft Office Word на компьютерах Windows, Apple Pages на компьютерах Mac, Open Office - бесплатная альтернатива на различных платформах, в том числе Linux. Наиболее простым и современным решением будут Google документы, так как открываются онлайн без скачивания прямо в браузере на любой платформе. Существуют российские качественные аналоги, например от Яндекса.
Будьте внимательны на мобильных устройствах, так как там используются упрощённый функционал даже в официальном приложении от Microsoft, поэтому для просмотра скачивайте PDF-версию. А если нужно редактировать файл, то используйте оригинальный файл.
Файлы такого типа обычно разбиты на страницы, а текст может быть форматированным (жирный, курсив, выбор шрифта, таблицы и т.п.), а также в него можно добавлять изображения. Формат идеально подходит для рефератов, докладов и РПЗ курсовых проектов, которые необходимо распечатать. Кстати перед печатью также сохраняйте файл в PDF, так как принтер может начудить со шрифтами.















