124254 (689944), страница 2
Текст из файла (страница 2)
для размеров [А3] = [А6] = 10мм i 3 = i6 = 0,9 мкм
для размера [А4] = 20мм i4 = 1,31 мкм
для размера [А5] = 40мм i5 = 1,56 мкм
Тогда среднее число единиц допусков в размерной цепи определится по формуле
.
3. Определяем квалитет по числу единиц допуска
Из табл.1.8 (
, с.45) определяем, что найденное число единиц допуска приблизительно равно принятому для квалитета 9. Устанавливаем для всех размеров цепи, кроме размера
, допуск по квалитету 9. Допуск размера
можно назначить несколько меньшим, так как большую шестерню по этому размеру легко обработать с большой точностью.
4. Назначаем допуски на составляющие размеры
Допуски для охватывающих размеров (
) назначаем как для основного отверстия, а для охватываемых (
) - как для основного вала.
Из табл.1.27 [1, с.79] допуск для размера
по Н9 равен 0,074 мм, а для размера
по Н9 равен 0,052 мм.
Допуск для размеров
назначаем по h9 ([1], табл.1.35, с.113), они соответственно равны - 0,036; - 0,052; - 0,036 мм. Допуски должны быть стандартными.
Размер
считаем компенсирующим (увязочным) и определяем из условия, что
[ТА∆] =
Тогда
=0,35- (0,074+0,52+0,036+0,052+0,036) =0,1 мм.
Принимаем для размера
стандартный допуск по h10 равным 0,100мм (
, табл.1.35, с.113).
5. Назначаем предельные отклонения составляющих размеров
Для охватывающих поверхностей назначаем отклонения как для основных отверстий, т.е. со знаком "плюс"; для охватываемых - как для основных валов, т.е. со знаком "минус".
Верхние и нижние отклонения составляющих размеров будут следующими:
Es (A1) = +0,074мм; Ei (A1) = 0; ля охватывающих поверхностей назначаем отклонения как для основных отверстий, т.е.
Es (A2) = +0,052мм; Ei (A2) = 0; ля охватывающих поверхностей назначаем отклонения как для основных отверстий, т.е. Es (A3) = 0; Ei (A3) = - 0,036мм; ля охватывающих поверхностей назначаем отклонения как для основных отверстий, т.е.
Es (A4) = 0; Ei (A4) = - 0,052мм; ля охватывающих поверхностей назначаем отклонения как для основных отверстий, т.е.
Es (A5) = 0; Ei (A5) = - 0,100мм;
Es (A6) = 0; Ei (A6) = - 0,036мм.
В рабочих чертежах деталей должны быть проставлены следующие размеры с отклонениями:
;
;
;
;
.
Допуски на составляющие звенья размерной цепи могут быть определены по формуле:
ля охватывающих поверхностей назначаем отклонения как для основных отверстий, т.е.
Для охватывающих поверхностей назначаем отклонения как для основных отверстий, т.е.
Тогда ТА1 = 0,074мм; ТА2 = 0,052мм; ТА3 = 0,036мм; ТА4 = 0,052мм; ТА5 = 0,100мм; ТА6 = 0,036мм.
6. Проверяем правильность выполненного расчета размерной цепи
Должно выполняться условие
[ТА∆] ≥
[ТА∆] =0,35мм;
0,074 + 0,052 + 0,036 + 0,052 + 0,100 + 0,035 = 0,35мм., 0,35мм = 0,35мм.
Полная взаимозаменяемость деталей сборочной единицы обеспечена.
2 Выбор посадок
В заданной сборочной единице (рис.1) посадки образуют соединения втулки с корпусом, вала со втулкой, малой шестерни с валом и большой шестерни с валом. Выбор посадок будем производить на основе данных справочной литературы ([1], с.297-346).
Втулка, по своей служебной роли как подшипник скольжения, устанавливается в корпусе неподвижно. Руководствуясь рекомендациями справочной литературы ([1], с.340), для соединения втулки с корпусом назначим посадку в системе отверстия Ø80
(Ø80
). В скобках обозначена аналогичная посадка в системе ОСТ.
Так как втулка, малая шестерня и большая шестерня находятся в сопряжении с одним и тем же валом с номинальным диаметром 110, одинаковых для всех трех сопряжений, то для удешевления изготовления вала рационально все три посадки назначить в системе вала. Для сопряжений малой шестерни с валом и вала со втулкой назначаем посадку Ø60
(Ø60
) согласно служебных функций этих сопряжений ([1] с.304). Для сопряжения большой шестерни с валом в соответствии со служебной ролью этого соединения выбираем посадку Ø60
(Ø60
) с дополнительным креплением шестерни на валу шпонкой ([1], с.324).
2.1 Графическое построение полей допусков выбранных посадок и их характеристики
Для графического построения полей допусков посадок (рис.3-5) используем предельные отклонения, приведенные в таблицах справочной литературы [1].
Рисунок 3 -Положение полей допусков посадки
Ø80
([1], c.79, 95)
Характеристика отверстия: EI = 0; ES = 0,03мм; D = 80мм;
Dмакс = D + ES = 80,0 + 0,03 = 80,03мм;
Dмин = D + EI = 80 + 0 = 80мм;
TD = Dмакс - Dмин = 80,03 - 80 = 0,03мм.
Характеристика вала: ei = 0,032мм; es = 0,051мм; d = 80,0мм;
dмакс = d + es = 80,0 + 0,051 = 80,051мм;
dмин = d + ei = 80,0 + 0,032 = 80,032мм;
Td = dмакс - dмин = 80,051 - 80,032 = 0,019мм.
Характеристика соединения:
Nмакс = dмакс - Dмин = 80,051 - 80,0 = 0,051мм;
Nмин = dмин - Dмакс = 80,032-80,03 = 0,002мм;
Или, вычислив натяги через предельные отклонения, получаем тот же результат:
Nмакс = es - EI = 0,051 - 0 = 0,051мм;
Nмин = ei - ES = 0,032 - 0,03 = 0,002мм.
Имеем посадку с гарантированным натягом в системе отверстия для неподвижного соединения втулки с корпусом.
Рисунок 4 - Положение полей допусков посадки
Ø60
([1], c.113, 119)
Характеристика отверстия: EI = 0,03мм; ES = 0,076мм; D = 60мм;
Dмакс = D + ES = 60 + 0,076 = 60,076мм;
Dмин = D + EI = 60,0 + 0,03 = 60,03мм;
TD = Dмакс - Dмин = 60,076 - 60,03 = 0,046мм.
Характеристика вала: ei = - 0,019мм; es = 0; d = 60,0мм;
dмакс = d + es = 60,0 + 0 = 60,0мм;
dмин = d + ei = 60,0 - 0,019 = 59,981мм;
Td = dмакс - dмин = 60,0 - 59,981= 0,019мм.
Характеристика соединения:
Sмакс = Dмакс - dмин = 60,076 - 59,981= 0,095мм;
Sмин = Dмин - dмакс = 60,03 - 60,0 = 0,03мм;
Или, выполнив вычисления зазоров через предельные отклонения, получим тот же результат:
Sмакс = ES - ei = 0,076 - (-0,019) = 0,095мм;
Sмин = EI - es = 0,03 - 0 = 0,03мм.
Имеем посадку с гарантированным зазором в системе вала для подвижных соединений вала со втулкой и вала с малой шестерней.
Рисунок 5 - Положение полей допусков посадки
Ø60
([1], c.113, 126).
Характеристика отверстия: EI = - 0,03мм; ES = 0; D = 60мм;
Dмакс = D + ES = 60 + 0 = 60,0мм;
Dмин = D + EI = 60,0 + (-0,03) = 59,97мм;
TD = Dмакс - Dмин = 60,0 - 59,97= 0,03мм.
Характеристика вала: ei = - 0,019мм; es = 0; d = 60,0мм;
dмакс = d + es =60,0 + 0 = 60,0мм;
dмин = d + ei = 60,0 + (-0,019) = 59,981мм;
Td = dмакс - dмин = 60,0 - 59,981= 0,019мм.
Характеристика соединения:
Sмакс = Dмакс - dмин = 60,0 - 59,981= 0,019мм;
Sмин = Dмин - dмакс = 59,97-60,0 = - 0,03мм;
Nмакс = - 0,03мм, т.е. отрицательный минимальный зазор есть максимальный натяг.
Для неподвижного соединения большой шестерни с валом имеем переходную посадку в системе вала с возможностью получения в соединении как зазора, так и натяга, но с большей вероятностью получения натяга.
3 Эскизы сборочной единицы и деталей, входящих в её состав
Рисунок 6 - Эскиз сборочной единицы
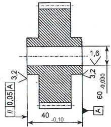
Рисунок 7 - Эскиз вала
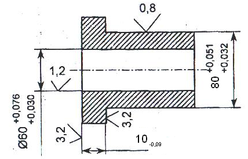
Рисунок 8 - Эскиз втулки
Рисунок 9 - Эскиз большой шестерни
Рисунок 10 - Эскиз малой шестерни
Рисунок 11 - Эскиз корпуса
Заключение
Для расчёта линейной размерной цепи на полную взаимозаменяемость применили метод максимума - минимума, предварительно составив схему размерной цепи и выполнив её анализ. Затем провели сравнение расчётных значений предельных размеров замыкающего звена с заданными значениями по условиям.
Так как условия не выполнялись, решили прямую задачу линейной размерной цепи, определив допуски и посадки составляющих звеньев и их предельные размеры.
Библиографический список
-
В.Д. Мягков, М.А. Палей, А.Б. Романов, В.А. Брагинский допуски и посадки справочник в двух частях, Ленинград "Машиностроение - 1982".
-
А.В. Ерёмин методические указания к курсовой работе по дисциплине "Взаимозаменяемость", - Магнитогорск: МГТУ, 2003 - 26 стр.
















