124248 (689941), страница 3
Текст из файла (страница 3)
Структура ремонтного цикла определяет последовательность выполнения видов ремонта и работ по техническому обслуживанию в пределах одного ремонтного цикла. Ремонтный цикл и иго структура являются основой любой системы ППРЭО, определяющей все ремонтные нормативы, экономические показатели системы ремонтов. Чем реже будет ремонтироваться энергетическое оборудование и сети, чем легче будет характер ремонта при условии обеспечения надежности их работы, тем ниже будут ежегодные трудовые и материальные затраты на их ремонт и содержание.
Межремонтный период - это наработка энергетического оборудования и сетей, выраженная в месяцах календарного времени между двумя плановыми ремонтами, а для вновь вводимого энергетического оборудования или сетей - наработка от ввода в эксплуатацию до первого планового ремонта. Методика определения величины межремонтного периода аналогична методике, изложенной для определения величины ремонтного цикла. Величина межремонтного периода устанавливается исходя из величины наработки до первого отказа группы быстроизнашивающихся деталей, узлов и элементов.
Техническое обслуживание - комплекс работ для поддержания исправности или только работоспособности оборудования и сетей при подготовке и использовании по назначению, при хранении и транспортировке. Оно предусматривает уход за оборудованием и сетями; проведение осмотров; систематическое наблюдение за их исправным состоянием; контроль режимов работы, соблюдение правил эксплуатации, инструкций заводов изготовителей и местных эксплуатационных инструкций; устранение мелких неисправностей, не требующее отключение и сетей; регулировку, чистку, продувку и смазку.
Текущий ремонт - вид ремонта энергетического оборудования и сетей, при котором путем чистки, проверки, замены быстроизнашивающихся частей и покупных изделий, а в необходимых случаях и путем наладки обеспечивается поддержание оборудования или сетей в работоспособном состоянии в период гарантированной наработки до следующего очередного планового ремонта. Текущий ремонт требует остановки оборудования и отключения сетей для выполнения работ, приведенных ниже в описании типового объема текущего ремонта.
С учетом того, что текущий ремонт для большей части оборудования производится без полной разборки основных узлов и без вскрытия подземных и скрытых сетей, его выполняют, как правило, с использованием нерабочих дней и смен. Текущий ремонт является основным профилактическим видом ремонта, обеспечивающим долговечность и безотказность работы энергетического оборудования и сетей. В типовой объем текущего ремонта полностью включаются все операции, предусмотренные типовым объемом осмотров и проверок, если они входят как самостоятельные операции в структуру ремонтного цикла данного вида оборудования или сетей.
Капитальный ремонт - наиболее сложный и полный по объему вид ППРЭО. При этом делается полная разборка оборудования или замена изношенных деталей, узлов элементов или участков, ремонт базовых деталей, обмоток, коммуникационных устройств. Производится регулирование, наладка и полная программа испытаний согласно ПТЭ и ПТБ или эксплуатационным инструкциям с доведением всех характеристик и параметров оборудования или сетей до номинальных паспортных данных с обеспечением работоспособности на период гарантийной наработки до очередного капитального ремонта. Капитальный ремонт требует остановки оборудования и отключения сетей. Он включает в себя производство всех работ по текущему ремонту, а также дополнительных работ, составляющих в сумме типовой объём капитального ремонта, приведенный для каждого вида энергетического оборудования и сетей в соответствующих главах. Для основного энергетического оборудования и сетей при большой трудоемкости ремонтных работ полный перечень работ, проводимых, при капитальном ремонте уточняется согласно ведомости дефектов, составляемой при последнем в ремонтном цикле текущем ремонте или осмотре.
Структура ремонтного цикла, универсального фрезерного станка модели 6В642 показана на рисунке 3
Рисунок 3 - Структура ремонтного цикла универсального фрезерного станка модели 6В642.
Где ТР - текущий ремонт, ТО - техническое обслуживание и КР - капитальный ремонт.
Весь ремонтный цикл равен 216 месяцев, а межремонтный период 18 месяцев, 1 месяц - это время между двумя ближайшими техническими обслуживаниями.
Определение численности персонала
Количество производственных рабочих, необходимых для выполнения объема работ по ТО и ремонту электрооборудования, рассчитывается по формуле
N= (Тто+Ттр+Ткр) /Ф*Квн
где Тто, Ттр, Ткр - годовая плановая трудоемкость соответственно ТО, текущего и капитального ремонтов всего эксплуатируемого электрооборудования;
Ф - годовой фонд рабочего времени (час); принимаем равным 1700 часов
Квн - коэффициент выполнения норм (1,1 - 1,15).
Данные для расчета взяты из таблицы 2.
Тто=1638,75 (чел∙час) - получаем путем сложения ТО всего оборудования участка.
Ттр=1755,3 (чел∙час) - получаем путем сложения всех текущих ремонтов в год.
Ткр=3771,4 (чел∙час) - получаем путем сложения всех капитальных ремонтов оборудования.
Квн - принимаем равным 1,1.
N=1638,75 +1755,3 +3771,4 /1700*1,1=7165,45/1870=3,83 человека
Так как график работы в одну смену, то принимаем 4 человека ремонтного и обслуживающего персонала.
4. Разработка принципиальной электрической схемы управления станком
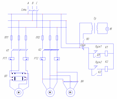
Подключение станка к электросети производится включением вводного выключателя ВВ. При осмотре или ремонте электроаппаратуры вводный выключатель должен быть обязательно выключен.
Электродвигатели М по очереди включаются отдельными кнопками К1 и К2 с помощью магнитных пускателей К1 и К2. Остановка обоих электродвигателей осуществляется кнопкой "Стоп", разрывающей цепь управления. Точно так же цепь управления разрывается и все электродвигатели отключаются при нажатии конечного выключателя КВ. При нажатии на кнопку К2 включается электродвигатель М3, но при этом катушка магнитного пускателя не становится на самопитание, вследствие чего электродвигатель останавливается немедленно после освобождения кнопки ВН. Кнопка ВН используется для кратковременного включения электродвигателя с целью облегчения переключения скоростей.
Для изменения направления вращения шпинделя служит барабанный переключатель БП.
Рисунок 4-Электрическая принципиальная схема фрезерного станка 6Н81
Защита электрооборудования станка от коротких замыканий осуществляется плавкими предохранителями ПП1 и ПП2.
Защита электродвигателей от перегрузок осуществляется при помощи тепловых реле РТ1 и РТ2. Нулевая защита электродвигателей М1 и М2 обеспечивается магнитными пускателями.
При подключении станка к электросети на месте его установки необходимо обеспечить направление вращения ротора электродвигателя механизма подачи по часовой стрелке, как это показывает стрелка на кожухе электродвигателя. При несоблюдении этого требования механизм подачи работать не будет.
Не рекомендуется производить переключение пакетных выключателей ВП-10, ВП-25 и барабанного переключателя БП1 - 132 во время работы станка т.е. разрывать ими ток.
Электродвигатели станков не могут быть пущены в момент нажатия на ролик конечного выключателя. В этом случае необходимо перемещением салазок или консоли вручную освободить конечный выключатель.
При эксплуатации станка следует регулярно производить очистку электродвигателей и электроаппаратуры от пыли и грязи,
При перегрузках электродвигателей станков во время работы срабатывают тепловые реле отключающие двигатели. Чтобы вновь включить электродвигатели нужно по истечении нескольких минут на- жать расположенные на дверке электрошкафа кнопки возврата тепловых реле, а затем пусковые кнопки.
5. Техника безопасности при эксплуатации и выполнении ремонта электрооборудования
1 Общие требования безопасности
1.1 К ремонту электрооборудования допускаются лица, достигшие 18 лет, прошедшие медицинское освидетельствование, инструктаж по безопасности труда, производственное обучение, аттестацию, имеющие соответствующее удостоверение на право допуска к работе с электрооборудованием и электроприборами.
1.2 При поступлении на работу, лица, обслуживающие электроустановки, производящие в них работы и электрические измерения, должны пройти вводный инструктаж по технике безопасности.
Слесарь по ремонту электрооборудования при самостоятельном выполнении работ на электроустановках напряжением до 1000 В должен иметь не ниже III группы по технике безопасности, а свыше 1000 В - IV группы.
1.3 В процессе работы, в установленные на предприятии сроки, слесарь должен пройти инструктаж по охране труда, курсовое обучение по 10-часовой программе и сдать экзамены на знание правил технической эксплуатации электроустановок потребителей и правил техники безопасности при эксплуатации электроустановок потребителей.
1.4 Слесарь по ремонту электрооборудования должен знать сроки испытаний защитных средств и приспособлений, правила эксплуатации и ухода за ними, и уметь пользоваться. Не разрешается использовать защитные средства и приспособления с просроченным периодом проверки.
1.5 Слесари, пользующиеся в процессе основной работы грузоподъемными механизмами, электро - и пневмоинструментами, заточными и сверлильными станками, а также выполняющие работы, связанные с повышенной опасностью и вредностью, должны пройти дополнительное обучение, сдать техминимум по устройству и эксплуатации данного оборудования, инструмента, инструктаж по правилам безопасного выполнения работ и иметь соответствующее удостоверение.
1.6 Используемые в работе лакокрасочные материалы и их растворители хранить в помещениях с надежной вентиляцией и хорошо закрывающимися металлическими дверями, в связи с их взрывоопасностью и токсичностью.
Тару для хранения лакокрасочных материалов и их растворителей необходимо плотно закрывать, инструмент для открытия и закрытия тары должен быть во взрывобезопасном исполнении.
2 Требования безопасности перед началом работы
2.1 Необходимо переодеться в предназначенную спецодежду и спецобувь для данного вида работы.
Спецодежда не должна стеснять движения, не должна иметь развивающихся пол и рукавов, которые могут, захвачены движущимися или вращающимися частями оборудования при производстве работ.
2.2 Осмотреть и привести в порядок рабочее место: убрать все, что может мешать работе; рационально расположить необходимый для работы инструмент, приспособления приборы. Если пол скользкий (облит маслом, краской, водой), потребовать, чтобы его вытерли, или сделать это самому,
2.3 Проверить исправность инструмента, приспособлений, приборов.
2.4 Проверить работоспособность и достаточность освещения рабочего места, работу вытяжной вентиляции и ее эффективность.
2.5 Электрическая аппаратура и ее токоведущие части должны быть надежно изолированы и укрыты в корпусе станка, установки, прибора или в специальных закрытых со всех сторон шкафах, кожухах и т.д.
2.6 Перед каждым применением защитного средства персонал обязан:
2.6.1. Проверить его исправность и отсутствие внешних повреждений, очистить от пыли, диэлектрические резиновые перчатки проверить на отсутствие проколов.
2.6.2. Проверить по штампу срок годности.
Пользоваться защитными средствами, у которых истек срок годности, запрещается.
2.7 Должны быть выполнены организационные мероприятия:
2.7 1. Оформление работы нарядом-допуском, распоряжением или перечнем работ, выполняемых в порядке текущей эксплуатации.
2.7 2. Допуск к работе.
2.7 3. Надзор во время работы.
2.7 4. Оформление перерыва в работе, переводов на другое рабочее место, окончание работы.
2.8 Для подготовки рабочего места при работах со снятием напряжения должны быть выполнены технические мероприятия:
2.8 1. Произведены необходимые отключения, и приняты меры препятствующие подаче напряжения к месту работы вследствие ошибочного или произвольного включения коммутационной аппаратуры.
2.8 2. На приводах ручного и на ключах дистанционного управления коммутационной аппаратурой вывешены запрещающие плакаты:
"НЕ ВКЛЮЧАТЬ. РАБОТАЮТ ЛЮДИ", “НЕ ВКЛЮЧАТЬ. РАБОТА НА ЛИНИИ".
2.8 3. Проверено отсутствие напряжения на токоведущих частях, на которых должно быть наложено заземление, для защиты людей от поражения электрическим током.
2.8 4. Наложено заземление (включены заземляющие ножи, а там где отсутствуют, установлены переносные заземления) сечением не ниже 16 мм2.
2.8 5. Вывешены предупреждающие и предписывающие плакаты, ограждены при необходимости рабочие места и оставшиеся под напряжением токоведущие части. В зависимости от местных условий токоведущие части ограждаются до и после наложения заземлений.
3 Требования безопасности во время работы
3.1 Работающим с электрооборудованием и электроприборами напряжением до 1000 В могут выполняться следующие работы: оперативные переключения, монтаж, проверка, регулировка; установка измерительных приборов, устройств зашиты, автоматики; наладка коммутационных аппаратов, электропривода; ремонт двигателей, пускозащитной аппаратуры и т.д.















