124211 (689917)
Текст из файла
Министерство образования Российской Федерации
Сибирская государственная автомобильно-дорожная академия
(СибАДИ)
Кафедра «Подъемно-транспортные, тяговые машины и гидропривод»
Курсовая работа
Расчет объемного гидропривода бульдозера
Вариант № 1.1
Выполнил: студент
гр. АП-03Т1 Вдовин
Проверил: Мурсеев И. М.
Омск-2007
Содержание
Введение
1. Исходные данные для расчета гидропривода возвратно-поступательного движения
2. Описание принципиальной гидравлической схемы
3. Расчет объемного гидропривода
3.1 Определение мощности гидропривода и насоса
3.2 Выбор насоса
3.3 Определение внутреннего диаметра гидролиний, скоростей движения жидкости
3.4 Выбор гидроаппаратуры, кондиционеров рабочей жидкости
3.5 Расчет потерь давления в гидролиниях
3.6 Расчет гидроцилиндров
3.7 Тепловой расчет гидропривода
Заключение
Список литературы
Введение
Под объемным гидроприводом понимают совокупность устройств, в число которых входит один или несколько объемных гидродвигателей, предназначенных для приведения в движение механизмов и машин с помощью рабочей жидкости под давлением.
Современный уровень развития строительного и дорожного машиностроения характеризуется широким применением объемного гидравлического привода. Широкое применение гидравлического привода объясняется целым рядом его преимуществ по сравнению с другими типами привода:
1. Высокая компактность при небольших массе и габаритных размерах гидрооборудования по сравнению с массой и габаритными размерами механических приводных устройств той же мощности, что объясняется отсутствием или применением в меньшем количестве таких элементов, как валы, шестеренные и цепные редукторы, муфты, тормоза, канаты и др.
2. Возможность реализации больших передаточных чисел. В объемном гидроприводе с использованием высокомоментных гидромоторов передаточное число может достигать 2000.
3. Небольшая инерционность, обеспечивающая хорошие динамические свойства привода. Это позволяет уменьшить продолжительность рабочего цикла и повысить производительность машины, так как включение и реверсирование рабочих органов осуществляются за доли секунды.
4. Бесступенчатое регулирование скорости движения, позволяющее повысить коэффициент использования приводного двигателя, упростить автоматизацию привода и улучшить условия работы машиниста.
5. Удобство и простота управления, которые обусловливают небольшую затрату энергии машинистом и создают условия для автоматизации не только отдельных операций, но и всего технологического процесса, выполняемого машиной.
6. Независимое расположение сборочных единиц привода, позволяющее наиболее целесообразно разместить их на машине. Насос обычно устанавливают у приводного двигателя, гидродвигатели – непосредственно у исполнительных механизмов, элементы управления – у пульта машиниста, исполнительные гидроаппараты – в наиболее удобном по условиям компоновки месте.
7. Надежное предохранение от перегрузок приводного двигателя, системы привода, металлоконструкций и рабочих органов благодаря установке предохранительных и переливных гидроклапанов.
8. Простота взаимного преобразования вращательного и поступательного движений в системах насос – гидромотор и насос – гидроцилиндр.
9. Применение унифицированных сборочных единиц (насосов, гидромоторов, гидроцилиндров, гидроклапанов, гидрораспределителей, фильтров, соединений трубопроводов и др.), позволяющее снизить себестоимость привода, облегчить его эксплуатацию и ремонт, а также упростить и сократить процесс конструирования машин.
Большинство СДМ – бульдозеры и рыхлители, фронтальные погрузчики и лесопогрузчики, скреперы, автогрейдеры и грейдер-элеваторы, одноковшовые универсальные и многоковшовые траншейные экскаваторы, самоходные краны, дорожные катки, бетоноукладчики, асфальтоукладчики – имеют гидравлический привод рабочих органов.
1. Исходные данные для расчета гидропривода возвратно-поступательного движения
| Номинальное давление в гидросистеме рном, МПа | 6,3 |
| Усилие на штоке толкающем F, кН | 100 |
| Скорость перемещения штока V, м/с | 0,3 |
| Длина гидролинии от бака к насосу (всасывающей) lвс, м | 0,1 |
| Длина гидролинии от насоса к распределителю (напорной) lнап, м | 3 |
| Длина гидролинии от распределителя к ГЦ (исполнительной) lисп, м | 3 |
| Длина гидролинии от распределителя к баку (сливной) lсл, м | 2 |
| Угольник сверленый, шт | 2 |
| Угольник с поворотом 900, шт | 5 |
| Штуцер присоединительный, шт | 4 |
| Муфта разъемная, шт | 2 |
| Колено плавное с поворотом 900, шт | - |
| Максимальная температура рабочей жидкости tж, 0С | +70 |
| Температура окружающей среды tв, 0С | –30…+30 |
2. Описание принципиальной гидравлической схемы
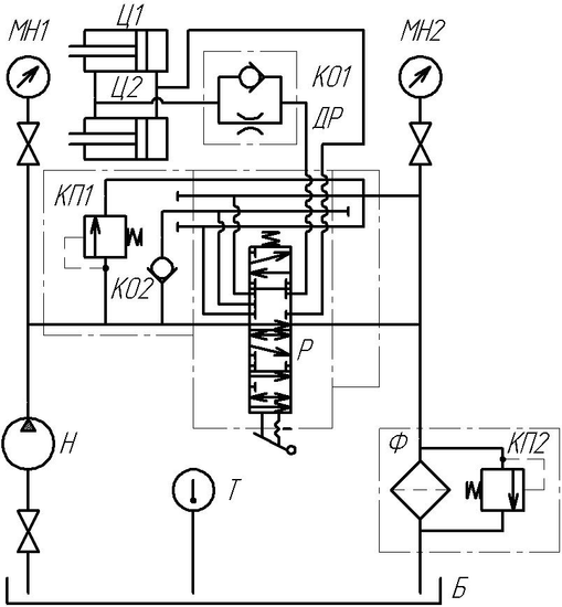
На рисунке 1 изображена принципиальная гидравлическая схема подъема (опускания) отвала бульдозера.
Рисунок 1 Принципиальная гидравлическая схема подъема (опускания) отвала бульдозера
В схему входят: Б – гидробак, Т –термометр, Н – насос, Ф – фильтр, КП1 и КП2 – гидроклапаны предохранительные, КО1 и КО2 – гидроклапан обратный, МН1 и МН2 - манометры , Ц1 и Ц2 – гидроцилиндр, Р – гидрораспределитель, ДР – гидродроссель .
Принцип действия гидропривода заключается в следующем.
Из гидробака Б рабочая жидкость подается насосом Н в напорную секцию распределителя Р. Четырехпозиционный золотник направляет поток жидкости в гидроцилиндры Ц1 и Ц2 подъема и опускания отвала бульдозера.
В штоковой гидролинии гидроцилиндров подъема и опускания отвала бульдозера установлен дроссель ДР с обратным клапаном КО1, который обеспечивает сплошность потока жидкости и замедление скорости опускания отвала.
При перемещении золотника распределителя вниз по схеме начинают заполняться штоковые полости гидроцилиндров Ц1и Ц2 .
При перемещении золотника распределителя вверх по схеме начинают заполняться поршневые полости гидроцилиндров Ц1и Ц2 .
Таким образом осуществляется подъем и опускание отвала бульдозера.
Температура рабочей жидкости измеряется датчиком температуры Т, а давления в сливной и напорной магистралях - манометрами МН1 и МН2. Очистка рабочей жидкости от механических примесей производится фильтром Ф с переливным клапаном КП2.
3. Расчет объемного гидропривода
3.1 Определение мощности гидропривода и насоса
Полезную мощность гидродвигателя возвратно-поступательного действия (гидроцилиндра) Nгдв , кВт, определяют по формуле:
Nгдв=F ·V, (1)
где F – усилие на штоке, кН;
V – скорость движения штока, м/с.
Nгдв =100·0,3=30 кВт
Полезную мощность насоса Nнп , кВт, определяют по формуле:
Nнп= kзу ·kзс ·Nгдв , (2)
где kзу – коэффициент запаса по усилию, учитывающий гидравлические потери давления в местных сопротивлениях и по длине гидролиний, а также потери мощности на преодоление инерционных сил, сил механического трения в подвижных сопротивлениях (1,1…1,2);
kзс – коэффициент запаса по скорости, учитывающий утечки рабочей жидкости, уменьшение подачи насоса с увеличением давления в гидросистеме (1,1…1,3).
Nнп=1,1·1,1·30=36,3 кВт
3.2 Выбор насоса
Подача насоса Qн , дм3/с, определяют по формуле:
Qн = Nнп/ рном , (3)
где рном – номинальное давление, МПа.
Qн = 36,3/6,3=5,76 дм3/с
Рабочий объем насоса qн , дм3/об, определяют по формуле:
qн = Nнп/( рном·nн) , (4)
где nн – частота вращения вала насоса, с-1 (nн = 1500 об/мин = 25 с-1).
qн =36,3/(6,3·25)=0,23 дм3/об
Выбираем насос НШ-250-3 по подходящим параметрам рном и qн .
По технической характеристике выбранного насоса (Таблица 1) производим уточнение действительной подачи насоса Qнд , дм3/с, по формуле:
Qнд = qнд ·nнд ·ŋоб, (5)
где qнд – действительный рабочий объем насоса, дм3/об;
nнд – действительная частота вращения насоса, с-1;
ŋоб – объемный КПД насоса.
Qнд = 0,25·25·0,94 = 5,88 дм3/c
Таблица 1
| Параметр | Значение |
| Рабочий объем, см3/об | 250 |
| Давление на выходе, МПа: номинальное максимальное | 16 20 |
| Давление на входе в насос, МПа: минимальное максимальное | 0,08 0,15 |
| Частота вращения вала, об/мин: минимальная номинальная максимальная | 960 1500 1920 |
| Номинальная потребляемая мощность, кВт | 106,2 |
| КПД насоса | 0,85 |
| Объемный КПД | 0,94 |
| Масса, кг | 45,6 |
3.3 Определение внутреннего диаметра гидролиний, скоростей движения жидкости
Зададимся скоростями движения жидкости /4/.
Для всасывающей гидролинии примем Vвс = 1,2 м/с.
Для сливной гидролинии примем Vсл = 2 м/с.
Для напорной гидролинии примем Vнап = 6,2 м/с.
Расчетное значение диаметра гидролинии dp , м, определяется по формуле:
(6)
Для всасывающей гидролинии:
По расчетному значению внутреннего диаметра гидролинии dp вс = 79мм производим выбор трубопровода по ГОСТ 8734-75, при этом действительное значение диаметра всасывающего трубопровода dвс= 80 мм.
Значение толщины стенки трубопровода примем 4 мм.
Для сливной гидролинии:
По расчетному значению внутреннего диаметра гидролинии dp сл = 61 мм производим выбор трубопровода по ГОСТ 8734-75, при этом действительное значение диаметра сливного трубопровода dсл=64 мм.
Значение толщины стенки трубопровода примем 4 мм.
Для напорной гидролинии:
По расчетному значению внутреннего диаметра гидролинии dp нап = 35 мм производим выбор трубопровода по ГОСТ 8734-75, при этом действительное значение диаметра напорного трубопровода dнап=40 мм.
Значение толщины стенки трубопровода примем 4 мм.
Действительная скорость движения жидкости Vжд , м/с, определяется по формуле:
(7)
Для всасывающей гидролинии:
Характеристики
Тип файла документ
Документы такого типа открываются такими программами, как Microsoft Office Word на компьютерах Windows, Apple Pages на компьютерах Mac, Open Office - бесплатная альтернатива на различных платформах, в том числе Linux. Наиболее простым и современным решением будут Google документы, так как открываются онлайн без скачивания прямо в браузере на любой платформе. Существуют российские качественные аналоги, например от Яндекса.
Будьте внимательны на мобильных устройствах, так как там используются упрощённый функционал даже в официальном приложении от Microsoft, поэтому для просмотра скачивайте PDF-версию. А если нужно редактировать файл, то используйте оригинальный файл.
Файлы такого типа обычно разбиты на страницы, а текст может быть форматированным (жирный, курсив, выбор шрифта, таблицы и т.п.), а также в него можно добавлять изображения. Формат идеально подходит для рефератов, докладов и РПЗ курсовых проектов, которые необходимо распечатать. Кстати перед печатью также сохраняйте файл в PDF, так как принтер может начудить со шрифтами.
















